metalinstryment.com
Довідник по металорізальних верстатів та пресовому обладнанні

АКП 109-6,3 Автоматическая коробка передач (швидкостей) для токарно-гвинторізного верстата
схеми, опис, характеристики

Фотография коробки швидкостей АКП 109-6,3 для токарно-гвинторізного верстата







Відомості про виробника автоматичною коробки швидкостей АКП 109-6,3

Производители АКП 109-6,3 - Псковский завод зубчатых колес і Покровский Завод Станочного Оборудования.





АКП 109-6,3 Автоматическая коробка передач (швидкостей). Назначение, область применения

Унифицированные автоматические коробки передач серии АКП 109-6,3 (АКС 109-6,3-12М, АКС 109-6,3-32) климатического исполнения О, категории розміщення 4.1 по ГОСТ 15150-69 применяются в главном приводе верстатів токарной, сверлильной і фрезерной групп. Коробки можно использовать в универсальных верстатах, автоматах і напівавтоматух, в верстатах з программным керуванням.

АКП позволяет сосредоточить в механической передаче все операции керування головним приводом.

Кроме того, АКП обеспечивает высокую скорость переходных процессов, защиту деталей головного приводу от перегрузок і удобство роботи.

АКП обеспечивает ступенчатое регулювання скорости (частоти обертання) шпинделя на холостом ходу или в процессе різання в широком диапазоне з постоянной мощностью.

Привід АКП осуществляется от нерегулируемого или регулируемого електродвигуна.

Принцип роботи і особливості конструкції АКП

Автоматическая коробка передач (швидкостей) АКП 109-6,3 применяется в разделенном приводе головного руху токарно-винторезных верстатів 16Г16к, 16Б16к, 16Б16кп, 16л20к, 16л20кп, 16е16кп. Вращение шпинделя осуществляется от реверсивного електродвигуна Ml через АКП і переборную коробку в шпиндельной бабке соединенными поликлиновыми ременными передачами.

Автоматическая коробка швидкостей АКП 109-6,3 предназначена для переключения частот обертання шпинделя на холостом ходу і в процессе різання, имеет 7 електромагнітних муфт, увімкнення которых в определенной післядовательности позволяет получить 9 ступеней скорости і тормозить шпиндель верстата.

Муфта 7 (ЭТМ 56) установлена на среднем валу і предназначена для исключения проворота выходного вала при отключенных остальных муфтах і вращающемся входном вале.

Коробка передач АКП 109-6,3 выполнена в виде самостоятельного вузла і состоит из корпуса, имеющего форму прямоугольного параллелепипеда з расточками для валов, который крепится на задньої стенке тумбы левой тумбы верстата.

Внутри коробки смонтированы 2 параллельных вала з електромагнитными муфтами і паразитный вал. Путем переключения муфт в различных сочетаниях достигаюются 9 швидкостей обертання выходного вала.

В коробке использованы електромагнітні фрикционные муфты з магнитопроводящими дисками і бесконтактным токопроводом:

Для охлаждения і змазки електромагнітних муфт, підшибників і зубчатых колес в коробке имеется встроенный маслонасос автоматически подающий масло.

По согласованию з потребителем АКП 109-6,3 комплектуется реверсивной клапанной коробкой АКП 1-07-00.




Пристрій АКП 109-6,3

В АКП использованы нормализованные електромагнітні муфты з магнитопроводящими дисками і бесконтактным токоподводом типа ЭТМ , , 4. Эти муфты не требуют специального обслуживания, им необходима лишь смазка. Компенсация износа дисков в муфтах происходит автоматически.

Муфты должны включиться в ланцюг постоянного тока на напряжение не ниже 24 В. Схеми з'єднань муфт представлены на рис. 8, 9.

В схему керування коробкой для муфт, установленных парами (М2—М3, М4—M5) следует вводить размагничивающие резисторы. Цель введения резисторов — размагничивание выключенной муфты. Например, размагничивание М2 при включенной М3 і наоборот.

Величина сопротивления размагничивающего резистора — 4,5RM,

где RM — сопротивление катушки муфты, Ом.

Для уменьшении пикового значения е. д. с. самоиндукции при отключении муфты следует шунтировать катушку сопротивлением равным (5—8) RM післядовательно з диодом или применять другие «искрогасительные» елементы (шунтировании цепочкой RC, стабилитроном і т.д.).

Керування АКП осуществляется от контактной (релейной) пли бесконтактной схеми, управляющие сигналы на которую поступают от ручного пульта, командоаппарата или программного пристроя.

Если переключение ступеней скорости шпинделя в процессе різання осуществляется на верстатах з подачей, зависящей от угловой скорости шпинделя, то переключение муфт може производиться при номинальном напряжений.

В верстатах з независимой подачей при переключении ступеней скорости шпинделя в процессе різання необходимо форсированное увімкнення муфт.

Параметри форсирования, приблизительное трехкратное форсирование по напряжению, продолжительность импульса 100 — 300 мс. Величина паузы между командами на відключення муфт предыдущей ступени скорости должна находиться в пределах 50..100 мс. Большая пауза для более тяжелых верстатів.

Работа АКП 109-6,3

После нажатия кнопки "Пуск" на станке включается главный двигатель. Включаются двигатели маслостанций качающих масло на шпиндель і АКП. Шпиндель не вращается і не застопорен.

Переключателем, имеющим 1..9 позиций, выставляем желаемую скорость.

Рукоятку "увімкнення шпинделя" переводим в положение "передний ход". При етом замыкается 2 муфты, одна из которых всегда на первичном валу АКС, а другая на вторичном валу, муфты замыкаются в соответствии з тем, что выбрано переключателем. Шпиндель начинает вращаться.

При переводе рукоятки "увімкнення шпинделя" в положение "стоп", происходит следующее: Две муфты которые были замкнуты - размыкаются, в следующее мнгновение після размыкания етих муфт, замыкаются муфты №4 і №6 обе находящиеся на вторичном валу АКС, на время продолжительностью 3 секунды, что обеспечивает торможение шпинделя. По истечении 3 секунд, обсолютно все муфты размыкаются і шпиндель, который уже полностью остановился, можно вращать рукой. При всём етом главный двигатель продолжает вращаться.

Система змазки

Для охлаждения і змазки електромагнітних муфт, підшибників і зубчатых колес в коробке имеется встроенный маслонасос типа С12-43 автоматически подающий масло.

Для змазки АКП следует применять масло марки Т22 или ИГП18. Тонкость очистки масла должна быть не более 25 мкм.

АКП з индивидуальной системой змазки имеют реверсивные встроенные насосы шиберного типа, представленные в табл. 5.

Коробка передач автоматическая АКП 109-6,3 имеет дополнительную муфту ЭТМ 056, установленную на среднем валу і предназначенную для исключения проворота выходного вала при отключенных остальных муфтах і вращающемся входном вале

Периодичность полной замены масла при двухсменной работе должна быть 1 раз в шесть месяцев.

Коробки передач автоматические АКП 109-6,3 і АКП 309-16 имеют встроенные масляные насосы. Перед первым пуском коробок передач насосы должны быть налиты маслом через специальные отверстия в корпусе насосов.





Технічні характеристики Автоматичною коробки швидкостей АКП 109-6,3



Верстати з автоматичною коробкой швидкостей АКП 309-16



Привід токарно-гвинторізного верстата 16Б16кп

Привід токарно-гвинторізного верстата 16Б16кп

Привід токарно-гвинторізного верстата 16Б16кп. Скачать в увеличенном масштабе



Фото АКП 109-6,3

Фото АКП 109-6,3


Автоматическая коробка швидкостей токарно-гвинторізного верстата 16Б16кп

Автоматическая коробка швидкостей АКП 109-6,3 токарного верстата 16Б16кп

Автоматическая коробка швидкостей токарно-гвинторізного верстата 16Б16кп. Скачать в увеличенном масштабе



Габаритные і присоединительные розміри АКП 109-6,3

Габаритные і присоединительные розміри АКП 109-6,3

Габаритные і присоединительные розміри АКП 109-6,3. Скачать в увеличенном масштабе



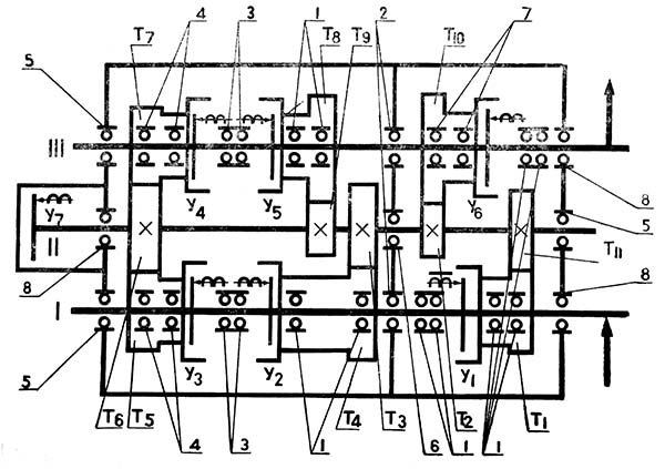
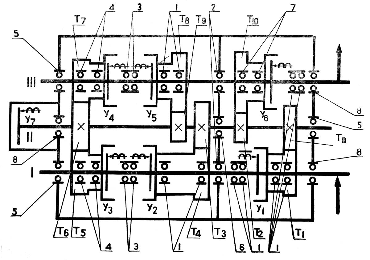
Кінематична схема АКП 109-6,3

Кінематична схема АКП 109-6,3

Кінематична схема АКП 109-6,3. Скачать в увеличенном масштабе



Порядок увімкнення муфт в АКП 109-6,3

Порядок увімкнення муфт в АКП 109-6,3


Схема електрична з'єднань АКП 109-6,3

Схема електрична з'єднань АКП 109-6,3

Схема електрична з'єднань АКП 109-6,3. Скачать в увеличенном масштабе



Параметри електромагнітних муфт АКП 109-6,3

Параметри електромагнітних муфт АКП 109-6,3

Параметри електромагнітних муфт АКП 109-6,3. Скачать в увеличенном масштабе






АКП 109-6,3 Автоматическая коробка передач (швидкостей). Відеоролик.









Заказать

Кто владеет информацией - тот владеет миром.

Натан Ротшильд