metalinstryment.com
Довідник по металорізальних верстатів та пресовому обладнанні

КЕ2330 Пресс однокривошипный простого дії открытый наклоняемый
схеми, опис, характеристики

Фото пресса однокривошипного простого дії открытого наклоняемого КЕ2330



Прессы механические, прессы гідравлические, верстати поперечно-строгальные

Відомості про виробника однокривошипного пресса КЕ2330

Производитель однокривошипного пресса КЕ2330 - Воронежский завод кузнечно-прессового оборудования им. М.И. Калинина, основанный в 1899 году.

Воронежский завод КПО начал свою деятельность в 1899 году. Предприятие производит кузнечно-прессовое обладнання (в том числе і средства механизации к нему), осуществляет капитальный ремонт і модернизацию ранее выпущенного оборудования, а также изготавливает запчастини, быстроизнашивающиеся детали і сборочные вузли, резинотехнические вироби, обеспечивает замену вышедших из строя деталей і устройств гідро-, пневмооборудования, підшибників і т.д..

Модели выпускавшихся на заводе однокрипошипных открытых прессов: К2330, КД2330, КЕ2330, ПЕДР12, ПЕДР16, ПЕДН63, К2126Р, КЕ2130Б, КЕ2330.04, К2330Р/180, ПЕДФ100, КБ2030.01, ПЕДРУГ250.

В настоящее время пресс КЕ2330 производят:



КЕ2330 Пресс однокривошипный простого дії открытый наклоняемый. Назначение, область применения

Пресс однокривошипный КЕ2330 простого дії, открытый наклоняемый усилием 1000 кН предназначен для выполнения различных операций холодной штамповки: вырубки, гибки, пробивки, обрезки, вытяжки, формовки і др. преимущественно в составе переналаживаемых автоматических линий.

Благодаря своей универсальности пресс КЕ2330 применяется на предприятиях машиностроительной, автомобильной, авиационной, радиотехнической промышленности і других отраслей народного хозяйства.

Принцип роботи і особливості конструкції верстата

Станина чугунная открытого типа (С - образной формы), наклоняемая, отлитая заодно со столом. В стойках станины предусмотрены окна, а также специальные места для установки подающих і съемных устройств і их приводов.

Ползун литой, чугунный, коробчатой формы перемещается в регулируемых направляючих станины, з ексцентриковым валом соединен з помощью разъемного шатуна. Регулювання межштампового простору і ходу ползуна производится вручную. Специальный зажимной сухарь в ползуне упрощает крепление верхней частини штампа. Для удаления изделий из верхней половины штампа в ползуне установлены жесткие выталкиватели. Для уравновешивания веса ползуна предусмотрены пневматические уравновешиватели.

Ползун ориентируется в станине двумя клиновыми направляющими. Для выталкивания из верхней половины штампа ползун снабжен выталкивателем (планкой).

Привід к ползуну осуществляется от електродвигуна через клиноременную передачу, маховик з вмонтированной в него жесткосблокированной муфтой-тормозом на ексцентриковый вал пресса.

Для выборки люфта в системе «ползун-шатун-вал», а также для снижения расхода електроенергии і предохранения ползуна от падения в аварийных случаях предусмотрен пневматический уравновешиватель ползуна.

Муфта-тормоз жесткосблокированная, фрикционная, многодискова з електропневматическим керуванням.

Увеличенные розміри стола, ползуна і вылета пресса позволяют штамповать детали больших габаритов і применять многопозиционные штампы.

Однокривошипный пресс КЕ2330 оснащен подвижным ограждением штамповой зоны, предохранителем по усилию в виде срезывающейся шайбы, совковым сбрасывателем, указателем положения ексцентрикового вала і величины регулировки ходу ползуна, пристрійм контроля тормозного пути, системой електрических блокировок, запрещающих работу при возникновении неполадок і при отсутствии електроенергии или сжатого воздуха.

Пресс КЕ2330 выполнен з верхним расположением привода.

Привід двухступенчатый от отдельного електродвигуна. Рух от електродвигуна передається через клиноременную передачу на маховик, установленный на промежуточном валу, затем через зубчатую передачу і муфту увімкнення на ексцентриковый вал кривошипно-ползунного механізма.

Система електрического керування прессом обеспечивает наступні режими роботи:

Керування кнопкове і от ножной педали.

Смазка комбинированная: централизованная от ручного насоса густой змазки, шприцем через масленку, заливкой масла из ручной масленки, закладкой густой змазки.

Пресс оснащен следующими механізмами:


Для приводу рабочих органів пресса используется:

Комплектация і особливості конструкції пресса КЕ2330 открытого однокривошипного простого дії:

Дополнительное оснащение пресса

Категория качества высшая.

Пресс соответствует требованиям ГОСТ 7600— 86, ГОСТ 12.2.017—86 (СТ СЭВ 4849—84), ГОСТ 12.2.113—86 (СТ СЭВ 4850—84).

Пресс устанавливается на фундаменте.

Вид климатического исполнения — УХЛ4 і 04 по ГОСТ 15150—69.

Поставляется потребителю железнодорожным транспортом на открытом подвижном составе в частинично разобранном виде в деревянном ящике типа У по ГОСТ 10198—78 (кроме електроустаткування і пневмооборудования, тара которого соответствует требованиям ГОСТ 9.014—78).

Категория условий транспортирования в частини воздействия механических факторов С по ГОСТ 23170—78, климатических факторов 8 по ГОСТ 15150—69.

Категория условий хранения 5 по ГОСТ 15150—69.

Консервация пресса соответствует условиям ГОСТ 9.014—78.

Пресс поставляется по ТУ2-041-333—83.





Однокривошипный пресс простого дії. Загальні відомості

Прессы кривошипные простого дії

Кінематична схема однокривошипного пресса простого дії:

  1. ползун
  2. тормоз
  3. маховик
  4. клиноремённая передача
  5. електродвигатель
  6. передавальний вал
  7. зубчатая передача
  8. муфта
  9. кривошипный вал
  10. шатун
  11. плита для крепления матрицы штампа

Кривошипный пресс - машина з кривошипно-шатунным механізмом, предназначенная для штамповки различных деталей.

Рабочей частью (инструментом) пресса является штамп, неподвижную часть которого крепят к столу, подвижную — к ползуну пресса. Ползун перемещается кривошипно-шатунным механізмом. За один оборот кривошипа шатун совершает полный ход, во время которого при движении ползуна вперёд происходит штамповка.

Усилие пресса создаётся за счёт крутящего момента, передаваемого кривошипному валу електроприводом. Привід однокривошипного пресса простого дії состоит из електродвигуна, маховика, муфты увімкнення, тормоза і понижающей зубчатой передачи, от которой вращение передаётся кривошипному валу. Електродвигун вращает маховик, за счёт силы инерции которого на кривошипном валу возникает крутящий момент. Пресс може работать в режиме одиночных ходов, т. е. з вимкненням муфты після каждого полного ходу, или в автоматическом режиме, когда муфта включена постоянно.

Важнейшие характеристики пресса, определяющие его технологические возможности:

Кривошипные прессы различных конструкций используют для объёмной і листовой штамповки, вырубки, гибки, пробивки, обрезки, вытяжки, формовки.

По конструкції прессы имеют три основних исполнения:

Прессы наклоняемые позволяют использовать наклон станины для съема штампуемых изделий или удаления отходов под их собственным весом в просвет между стойками пресса.

Прессы з передвижным столом і рогом позволяют производить штамповку деталей, имеющих увеличенный размер по высоте, а также применять штампы различной высоты.

При замене стола рогом пресс може быть использован для обробки деталей з замкнутым контуром.

Конструкція наклоняемых і ненаклоняемых прессов з нерухомим столом передбачає возможность установки механізмов автоматичною подачі металла і пневматических подушек, а также встраивать их в автоматизированные поточные линии.


Обозначение кривошипных прессов

Значения первых двух цифр в обозначениях кривошипных прессов:

За двумя первыми цифрами следуют еще две цифры, обозначающие номинальное усилие пресса, а затем буква, которая показывает его модификацию в группе прессов данного вида.


Значения основного параметра (номинальное усилие пресса) в обозначениях прессов:

Таблиця 1. Обозначение основного параметра пресса

Обозн. пресса Усилие пресса, кН Обозн. пресса Усилие пресса, кН Обозн. пресса Усилие пресса, кН Обозн. пресса Усилие пресса, кН
14 25 кН 20 100 кН 30 1000 кН 40 10000 кН
15 31,5 кН 21 125 кН 31 1250 кН 41 12500 кН
16 40 кН 22 160 кН 32 1600 кН 42 16000 кН
18 63 кН 23 200 кН 33 2000 кН 43 20000 кН
24 250 кН 34 2500 кН 44 25000 кН
25 315 кН 35 3150 кН 45 31500 кН
26 400 кН 36 4000 кН 46 40000 кН
28 630 кН 38 6300 кН 48 63000 кН

Пример обозначения механических прессов:






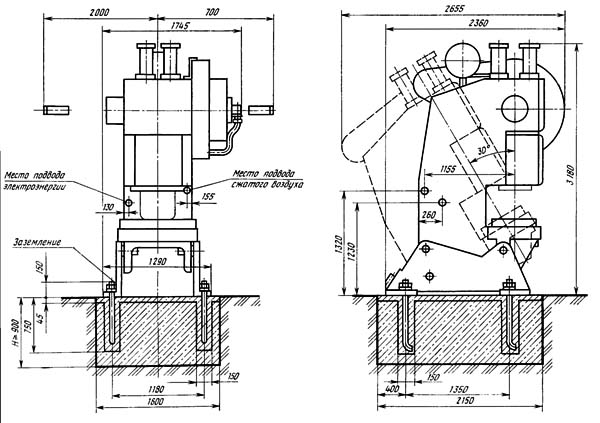
Габаритные розміри однокривошипного пресса КЕ2330

Габаритные розміри однокривошипного пресса КЕ2330А открытого наклоняемого

Габаритные розміри однокривошипного пресса КЕ2330


Ескіз крепления инструмента на прессе КЕ2330

Ескіз крепления инструмента на кривошипном открытом наклоняемом прессе КЕ2330А

Ескіз крепления инструмента на прессе КЕ2330


Подштамповая плита пресса КЕ2330

Ескіз крепления инструмента на кривошипном открытом наклоняемом прессе КЕ2330А

Подштамповая плита пресса КЕ2330


Загальний вигляд однокривошипного пресса КЕ2330

КЕ2330 Загальний вигляд кривошипного открытого наклоняемого пресса

Фото однокривошипного пресса КЕ2330


Список кнопок керування однокривошипным наклоняемым прессом КЕ-2330

  1. Двурукое увімкнення муфты "Ход"
  2. Пуск двигуна головного привода
  3. Кнопка виключення двигуна головного приводу "Загальний стоп"
  4. Стоп непрерывного ходу "Стоп автомат"

Режими роботи пресса КЕ 2330

Штамповка штучных заготовок разрешается только при наличии защитного пристроя, исключающего нахождение рук в опасной зоне в период опускания ползуна. Ползун останавливается одновременно з прекращением нажима на кнопки і педаль.




КЕ2130 Пресс однокривошипный простого дії открытый ненаклоняемый. Відеоролик.




Технічні характеристики пресса КЕ2330

Наименование параметра КЕ2130 КЕ2330
Основні параметри
Номинальное усилие пресса, кН (т) 1000 (100) 1000 (100)
Наибольший ход ползуна (штока), мм 10..130 10..130
Частота ходов ползуна непрерывных, 1/мин 100 100
Частота ходов ползуна одиночных от кнопки, 1/мин 45 55
Розміри стола, мм 850 х 560 950 х 630
Розміри отверстия в столе, мм 420 х 280 420 х 280
Диаметр отверстия в столе, мм 360 360
Наибольшее расстояние между столом і ползуном в его нижнем положении - закрытая высота пресса, мм 400 400
Расстояние от оси штока до станины (вылет), мм 340 340
Величина регулировки расстояния между столом і ползуном, мм 100 100
Расстояние между стойками станины в свету, мм 400 400
Расстояние между подштамповой плитой і ползуном при максимальном ходе в НМТ при верхнем регулировании ползуна, мм - 300
Толщина подштамповой плиты, мм 100 100
Величина робочого ходу ползуна до крайнего нижнего положения, на котором пресс развивает номинальное усилие при непрерывных ходух (Расстояние недохода ползуна до НМТ), мм 2,5 2,5
Величина робочого ходу ползуна до крайнего нижнего положения, на котором пресс развивает номинальное усилие при одиночных ходух (Расстояние недохода ползуна до НМТ), мм 5,0 5,0
Высота стола над уровнем пола, мм 700 700
Наибольший ход выталкивателя в ползуне, мм 40 40
Давление воздуха в сети пресса, минимальное-максимальное, МП 0,45..1,0 0,45..1,0
Расход сжатого воздуха (в режиме одиночный ход), литр/цикл 2,1 4,5
Технологическая работа, при непрерывных ходух, Дж 2200 1600
Технологическая работа, при одиночных ходух, Дж 4500 3350
Електроустаткування
Количество електродвигателей 2 1
Електродвигун головного привода, кВт 11,8 10
Електродвигун насоса змазки, кВт 0,9 -
Електродвигун регулировки штампового простору, кВт - -
Суммарная мощность електродвигателей, кВт
Габарити і масса пресса
Габарити пресса (длина ширина высота), мм 2040 х 960 х 2275 1745 х 2360 х 3180
Масса пресса, кг 9735 9015

    Список литературы:

  1. Банкетов А.Н., Бочаров Ю.А., Добринский Н.С. і др. Кузнечно-прессовое обладнання, 1970
  2. Бочаров Ю.А., Прокофьев В, Н. Гідропривід кузнечно-прессовых машин, 1969
  3. Белов А.Ф., Розанов Б. В., Линц В. П. Объемная штамповка на гідравлических прессах, 1971
  4. Живов Л.И. Кузнечно-штамповочное обладнання, 2006
  5. Кузьминцев В.Н. Ковка на молотах і прессах, 1979
  6. Розанов Б.В. Гідравлические прессы, 1959
  7. Титов Ю.А. Обладнання кузнечно-прессовых цехов, 2001
  8. Щеглов В.Ф. Кузнечно-прессовые машины, 1989
  9. Берлет Разработка чертежей поковок, 2001
  10. Рудман Л.И. Справочник по оборудованию для листовой штамповки, 1989
  11. Романовский В.П. Справочник по холодной штамповке, 1965
  12. Охрименко Я.М. Технология кузнечно-штамповочного производства, 1966
  13. Кузьминцев В.Н. Ковка на молотах і прессах, 1979
  14. Мещерин В.Т. Листовая штамповка. Атлас схем, 1975








Опыт накапливается прямо пропорционально разрушенному оборудованию.

Закон Мерфи