metalinstryment.com
Довідник по металорізальних верстатів та пресовому обладнанні

СТД-120М Верстат копіювальний токарно-фрезерный по дереву
Схеми, опис, характеристики

КТФ-7 Верстат копіювальний токарно-фрезерный по дереву







Відомості про виробника токарно-фрезерного верстата по дереву КТФ-7

Производителем токарного верстата по дереву КТФ-7 является Прогресс лтд, ООО, город Ивантеевка, Московской обл. Адрес сайта: http://www.progressltd.ru/

В настоящий момент линейка выпускаемых заводом верстатів сотоит из следующих позиций:






КТФ-7 Верстат копіювальний токарно-фрезерный по дереву напівавтомат. Назначение, область применения

Копіювальний токарно-фрезерный верстат производится з 2004 года і заменил в производстве КТФ-6М.

Областью применения верстата является изготовление лестничных столбов і балясин, ножек столов, стульев, точеных елементів мебели.

Копіювальний токарно-фрезерный верстат КТФ-7 предназначен для изготовления из древесины любых пород профильных тел обертання:

Форма изготавливаемой детали задается шаблоном, представляющим собой пластину листовой стали толщиной 1... 4 мм з вырезанным профилем вироби.

Принцип роботи і особливості конструкції верстата

Верстат може работать в двух режимах:

Ручная подача используется, как правило, для изготовления небольшого количества изделий сложного профиля. Механическая подача используется для изготовления большой партии деталей.

Для роботи на станке не требуются никакие специальные навыки. Он безопасен в работе і позволяет получать абсолютно идентичные вироби, независимо от количества спрофилированных заготовок.

Обработка производится по шаблону з автоматичною подачей за два прохода (при прямом движении суппорта происходит черновая обработка заготовки, при обратном движении суппорта - чистовая обробки заготовки).


КТФ-7 Загальний вигляд копіювального токарно-фрезерного деревообрабатывающего верстата

Принцип дії копіювального токарно-фрезерного верстата КТФ-7

Принцип дії копіювального токарно-фрезерного верстата КТФ-7


Образцы изделий

Образцы изделий полученных на станке КТФ-7


Фото копіювального токарно-фрезерного верстата КТФ-7

Фото копіювального токарно-фрезерного верстата КТФ-7

Фото копіювального токарно-фрезерного верстата КТФ-7. Дивитись у збільшеному масштабі



Фото копіювального токарно-фрезерного верстата КТФ-7

Фото копіювального токарно-фрезерного верстата КТФ-7

Фото копіювального токарно-фрезерного верстата КТФ-7. Дивитись у збільшеному масштабі



Фото копіювального токарно-фрезерного верстата КТФ-7

Фото копіювального токарно-фрезерного верстата КТФ-7

Фото копіювального токарно-фрезерного верстата КТФ-7. Дивитись у збільшеному масштабі



Фото копіювального токарно-фрезерного верстата КТФ-7

Фото копіювального токарно-фрезерного верстата КТФ-7

Фото копіювального токарно-фрезерного верстата КТФ-7. Дивитись у збільшеному масштабі



Фото копіювального токарно-фрезерного верстата КТФ-7

Фото копіювального токарно-фрезерного верстата КТФ-7

Фото копіювального токарно-фрезерного верстата КТФ-7. Дивитись у збільшеному масштабі



Фото копіювального токарно-фрезерного верстата КТФ-7

Фото копіювального токарно-фрезерного верстата КТФ-7



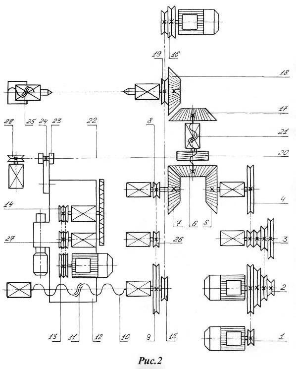
Розташування основних вузлів копіювального токарно-фрезерного верстата КТФ-7

Розташування основних вузлів копіювального токарно-фрезерного верстата КТФ-7

Розташування основних вузлів токарно-фрезерного верстата КТФ-7



Общая компоновка і пристрій верстата:

  1. станина
  2. привід переміщення каретки і обертання заготовки
  3. шпиндельна бабка
  4. делительный механізм
  5. малый пульт керування
  6. направляющие задньої бабки
  7. задня бабка
  8. направляющие каретки
  9. ходовой винт переміщення каретки
  10. каретка з приводом инструмента
  11. пульт керування
  12. упор
  13. система тросов
  14. направляющая з ограничителями для кінцівых выключателей
  15. електрошкаф

На станине 1, представляющую собой сварную металлоконструкцию, крепятся ряд направляючих, служащих для переміщення задньої бабки 7 і каретки 10.

Задня бабка имеет возможность перемещаться і фиксироваться по всей длине направляючих 6, благодаря выдвигающемуся центру происходит фиксация заготовки.

Каретка, двигающаяся по направляющим 8, приводится в рух ходовым винтом 9. Ограничители руху каретки расположены на направляющей 14. Каретка состоит из перемещающегося в двух координатах основания, на котором размещен привід инструмента. Продольное рух каретки по направляющим (одна из которых имеет паз для установки шаблона) осуществляется з помощью підшибників качения. Поперечное рух - з помощью шариковых направляючих. Передача руху от електродвигуна приводу на шпиндель обертання инструмента производится поликлиновым ремнем. Дискова фреза, установленная на шпинделе, защищена кожухом. На каретке расположены также пульт керування 11 і упор 12.

Привід 2, расположенный в коробе станины, представляет собой систему двигателей, шестерен і трансмиссий (подробно разъяснено в разделе "Кінематична схема верстата") і служит для передачи руху ходовому винту 9 і шпиндельной бабке 3. Также в приводе осуществляется синхронизация руху каретки і обертання шпиндельной бабки.

Делительный механізм 4, связанный з приводом 2, позволяет поворачивать шпиндельную бабку на заданный угол.

Система тросов 13, связанная з кареткой, делительным механізмом і шпиндельной бабкой служит для взаимосвязи етих вузлів.

В електрошкафу 15, расположенном в коробе станины, находится аппаратура, обеспечивающая работу всего електроустаткування верстата.





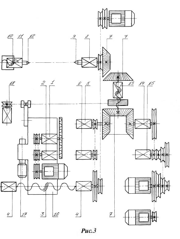
Схема кінематична токарно-фрезерного верстата КТФ-7

Схема кінематична токарно-фрезерного верстата КТФ-7

Кінематична схема токарно-фрезерного верстата КТФ-7


Работа кінематичної ланцюги (см. рис. 2) при черновом проходе з механической подачей

Работают моторы Ml і М2. От шкива 13 мотора Ml рух передається на шкив шпинделя 14 через поликлиновой ремень.

От шкива 2 мотора М2 рух через клиновой ремень одновременно передається шкиву 1 мотора МЗ (в данном случае вращается вхолостую) і шкиву 3. Шкивы 2 і 3 многоручьевые, позволяющие путем перестановки ремня получать разные скорости обертання на шкиве 4, связанном со шкивом 3 клиновым ремнем. Шкив 4 жестко связан з конической шестерней 5, которая через шестерню 6 (в данном режиме шестерня 6 находится в зацеплении з шестернями 5 і 7)передает рух шестерни 7, а она, в свою очередь, через шкив 8 і клиновой ремень, на шкив 9. От шкива 9 посредством ходового гвинта 10 і гайки 11 рух передається каретке 12, з расположенным на ней мотором Ml. В то же время шкив 15, связанный з ходовым винтом 10 обгонной муфтой, через клиновой ремень передает рух шкиву шпиндельной бабки 19 і вхолостую вращает мотор М4 через шкив 16.

В результате вращение шпиндельной бабки связано з поступательным переміщенням каретки.

Работа кінематичної ланцюги при чистовом проходе з механической подачей

Работают моторы Ml, МЗ, М4. От шкива 1 мотора МЗ через клиновой ремень рух передається шкиву 2 мотора М2 (в данном режиме вращается вхолостую). Далее через ланцюг шкивов і шестерен (см. п. 2.1.) рух передається каретке 12, которая перемещается в сторону, обратную движению чернового прохода. От мотора М4 через шкив 16 рух передається шкиву шпиндельной бабки 19 і одновременно шкиву 15, обгонная муфта которого позволяет ему вращаться со скоростью, отличной от скорости обертання шкива ходового гвинта 9.

В результате вращение шпиндельной бабки независимо от поступательного переміщення каретки.

Работа кінематичної ланцюги при ручном режиме обробки

В етом случае гайка 11 разъединяется з ходовым винтом 10, что позволяет перемещать каретку 12 вручную. Работают моторы Ml і М4. Ручьи шкива 16 мотора М4 позволяют выбрать две скорости обертання заготовки.

Работа кінематичної ланцюги при нарезании винтовых канавок

Работает только мотор Ml. Обработка производится в ручном режиме (гайка 11 разъединена з винтом 10). Вращением гвинта 21 шестерня 6 выходит из зацепления з шестернями 5 і 7, а шестерня 17 сцепляется з шестерней 18. Скоба 24 каретки 12 соединяется з бобышкой 23 троса 22, намотанного на барабан 20. При перемещении каретки вручную трос 22 вращает барабан 20, который жестко связан з шестерней 17. Та, в свою очередь через шестерню 18 заставляет вращаться шпиндельную бабку.

В результате линейное перемещение каретки связывается з угловым поворотом шпиндельной бабки.

Работа верстата

Работа верстата заключается в следующем. Обрабатываемая заготовка устанавливается в центрах шпиндельной 3 і задньої 7 бабок і надежно закрепляется. Шаблон требуемого профиля крепится в пазу направляющей каретки 8. Величина удаляемого припуска устанавливается упором 12, расположенном на каретке верстата. При включении верстата каретка з вращающимся инструментом начинает рух на заготовку. Заготовка в ето время вращается таким образом, что за один её оборот каретка совершает линейное перемещение, равное или немного большее толщины инструмента. В результате происходит удаление основного припуска на обработку (черновой проход). Обработав всю заготовку, каретка останавливается і начинает рух в обратном направлении. При етом скорость каретки уменьшается, а скорость обертання заготовки существенно увеличивается. В результате етой операции удаляются недорезы, оставшиеся після черновой обробки. В итоге получается деталь, точно повторяющая профиль шаблона.

Возможна обработка заготовки в ручном режиме. В етом случае рабочий самостоятельно перемещает каретку з вращающимся инструментом. Вращение заготовки происходит независимо. Обработка производится постепенным заглублением инструмента в тело заготовки.

Также в ручном режиме производится изготовление профильных многогранников і нарезка винтовых канавок на поверхности обработанного вироби. Подробное опис роботи верстата в различных режимах изложено в разделе "Подготовка верстата к работе і робота на станке".


Смазка верстата

Точки змазки токарно-фрезерного верстата КТФ-7

Точки змазки токарно-фрезерного верстата КТФ-7


Во все трущиеся елементы верстата смазка закладывается при сборке і в первые месяцы експлуатации замены практически не требует. Однако, з течением часу, може появиться необходимость замены змазки. Также необходимо смазать все трущиеся поверхности вузлів і механізмов в случае длительного перерыва в работе. Вказівки по проведению змазки даны в таблице 2, схема розположення точок змазки приведена на рис.3.





Електроустаткування верстата

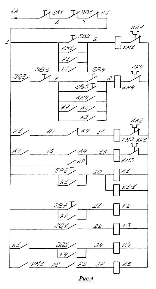
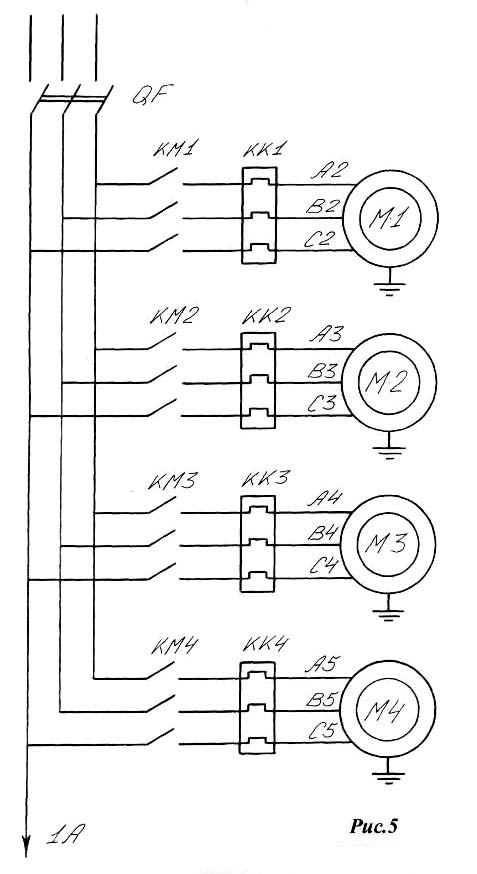
Електросхема токарно-фрезерного верстата КТФ-7

Електросхема токарно-фрезерного верстата КТФ-7


Електросхема токарно-фрезерного верстата КТФ-7

Електросхема токарно-фрезерного верстата КТФ-7


Питание електроустаткування осуществляется от трехфазной ланцюги переменного тока напряжением 380 В, частотой 50 Гц.

В станине установлены четыре трехфазных короткозамкнутых електродвигуна:

Электроаппаратура расположена в отдельном коробе (см. рис. 1 поз. 15). Верстат имеет два пульта керування. На пульті, расположенном в подвижной каретке, имеются наступні кнопки:

Принципиальная електрична схема верстата приведена на рис. 4, 5, перечень елементів електроустаткування в табл. 3.

ВНИМАНИЕ: верстат, установленный в производственном помещении, необходимо заземлить медным проводом сечением не менее 2,5 кв. мм. Провод в комплект поставки не входит. Категорически запрещается соединять болт заземления з трубами батарей отопительных систем, водопроводными трубами, наружной стальной арматурой здания і прочими токопроводящими елементами, имеющими соединения з землей і не предназначенными специально для контура заземления.

К источнику живлення верстат должен быть подключен четырехжильным кабелем з двойной изоляцией сечением не менее 2,5 кв. мм. Кабель в комплект поставки не входит. Кабель не должен проходить через рабочую зону оператора верстата, в противном случае он должен быть пропущен через металлическую трубу, находящуюся под полом помещения.

Опис роботи електроустаткування

Питание електрической схеми верстата осуществляется включением автоматичного выключателя QF і кнопки SA 1.

При включении кнопки SB 6 ставятся на самопитание реле КМ 1 і КМ 2, пуская електродвигатели Ml і М2. При етом каретка движется до срабатывания микропереключателя SQ 2 который, в свою очередь, при помощи промежуточного реле К4 отключает реле КМ 2 і включает реле КМ 3 і КМ 4. Поставившиеся на самопитание реле КМ 3 і КМ 4 пускают електродвигатели МЗ і М4. Каретка движется в обратном направлении до срабатывания микропереключателя SQ 1. В результате при помощи промежуточного реле К 5 отключаются реле КМ 1, КМ 3, КМ 4 и, соответственно, електродвигатели Ml, МЗ, М4. Цикл роботи завершен.

Кнопка SB 1 выключает все реле верстата.

При включении кнопки SB 7 ставятся на самопитание реле КМ 1, КМ 3, КМ 4, пуская електродвигатели Ml, МЗ і М4. Каретка движется до срабатывания микропереключателя SQ 1.

Кнопка SB 2 включает реле КМ 1, пуская електродвигатель Ml. Кнопки SB 4 і SB 5, дублирующие друг друга, включают реле КМ 4, пуская електродвигатель М4.

Кнопка SB 3 отключает только реле КМ 4.

Захист електродвигателей от перегрузки осуществляется тепловыми реле КК 1..КК 4, которые разрывают пусковую ланцюг, отключая реле КМ 1..КМ 4. Повторный пуск в етом случае возможен только через 15...20 секунд, то есть після возобертання елементів тепловой защиты реле в исходное положение.

Захист от коротких замыканий осуществляется автоматическим выключателем QF.





Первоначальный пуск верстата

Первоначальный пуск верстата КТФ-7

Первоначальный пуск верстата КТФ-7


Перед подключением верстата к електросети необходимо убедиться в исправности заземления, і только після етого можно произвести первоначальный пуск. Он необходим для установки правильного направления обертання електродвигателей верстата. Так как направления обертання всех двигателей отрегулированы при сборке, достаточно проверить правильность обертання шпинделя верстата.

ВНИМАНИЕ: перед первоначальным пуском необходимо снять со шпинделя дисковую фрезу, так как при неправильном вращении она може самопроизвольно раскрепиться! Также на шпинделе не должны оставаться фланцы і другие детали фиксации фрезы.

Необходимо повернуть ключ кнопки "Увімкнення" на панелі 5 (см. рис. 6) і затем нажать кнопку "Инструмент" на панелі 6. Выключить верстат кнопкой "Стоп" і определить направление обертання шпинделя приводу инструмента 1.

Шпиндель должен вращаться по часовий стрелке, в противном случае необходимо поменять фазы на клемнике подключения вводного кабеля.

Отрегулировав направление обертання нужно установить на место дисковую фрезу і вручную провернуть шпиндель (при етом верстат должен быть отключен от електросети). Убедившись, что инструмент не задевает защитное ограждение і надежно закреплен, нажимаются кнопки " Увімкнення" і "Инструмент". Вращающаяся фреза не должна вызывать существенную вибрацию каретки. В противном случае необходимо устранить дисбаланс инструмента или заменить его на новый.

Далее необходимо проверить работу различных режимов верстата на холостом ходу. При етом задня бабка должна находиться в крайнем левом положении.

Для проверки роботи шпиндельной бабки 2 на панелі 5 необходимо включить кнопку "Деталь". Если вал не начал вращаться, то он вероятно заблокирован микропереключателем делительного пристроя 3 (то есть пристрій находится в режиме нарезки винтовых канавок). Перевод верстата в режим обробки производится вращением маховика 4 делительного пристроя до упора против часовий стрелки.

Для проверки роботи механической подачі верстата необходимо нажать на панелі 6 кнопку "I". При етом включается привід инструмента, каретка начинает рух от ограничителя 7 к ограничителю 8, вал шпиндельной бабки медленно вращается. При достижении микропереключателем каретки ограничителя 8, каретка должна остановиться і начать рух в обратном направлении. Инструмент при етом продолжает работать, вал шпиндельной бабки 2 начинает быстро вращаться. Дойдя до ограничителя 7, каретка должна остановиться, вращение шпинделя і вала должно прекратиться.

Подготовка верстата к работе і робота на станке

Шаблон токарно-фрезерного верстата КТФ-7

Шаблон токарно-фрезерного верстата КТФ-7


Подготовка верстата к работе начинается з изготовления шаблона. Шаблон представляет собой пластину из листовой стали толщиной 1...2 мм і шириной 80... 120 мм з вырезанным на ней профилем изготавливаемой детали (см. рис. 7).

Толщина шаблона определяется количеством деталей, которые будут по нему изготавливаться. При массовом выпуске одинаковых изделий шаблон необходимо сделать толщиной не менее 3 мм і закалить до твердости HRC 42...46. Рабочая поверхность изготовленного шаблона должна быть максимально гладкой, без ямок і забоин, так как любые неровности шаблона перенесутся на заготовку. Также необходимо учитывать, что при работе верстата в режиме з механической подачей, на шаблоне не должно быть вертикальних участков (перпендикулярных осевой линии детали), так как упор, двигаясь по шаблону, должен скользить по его поверхности. Минимальный угол наклона профиля шаблона к вертикали составляет 30 градусов, минимальный радиус впадин не менее 2 мм. При работе верстата в режиме ручной подачі таких ограничений нет.

Изготовленный шаблон надежно закрепляется на станке таким образом, чтобы его осевая лінія была параллельна линии продольного переміщення каретки. Для более легкого ковзання упора по шаблону рекомендуется смазывать его профильную часть жидкой смазкой.

Заготовку, устанавливаемую на верстат, необходимо точно зацентровать з двух сторон сверлом диаметром 6... 8 мм на глубину 5... 10 мм. Подготовленная заготовка одевается отверстием на подвижный центр шпиндельной бабки і поджимается задньої бабкой до тех пор, пока она не наколется на зубцы вала. После етого давление на заготовку следует немного ослабить, чтобы в ней не возникали излишние напряжения, в результате которых заготовка в процессе обробки може потерять устойчивость (имеет место при обработке длинных тонких заготовок).

В зависимости от диаметра обрабатываемой заготовки выбирается скорость её обертання (используется один из ручьев шкива 16, рис.4). При диаметрах до 80 мм - максимальная (1300 об/мин), более 80 мм -минимальная (900 об/мин).

Настройку верстата на изготовление первого вироби удобнее производить, отключив каретку от ходового гвинта (ручной режим обробки).

Далее необходимо выполнить следующее:

Верстат може работать в двух основних режимах:

  1. с механической подачей
  2. в режиме ручного переміщення каретки.

При работе з механической подачей возможно изготовление только тел обертання (токарные роботи).

В ручном режиме обробки возможны как токарные операции, так і изготовление профильных многогранников і нарезка винтовых канавок.

1. Работа з механической подачей

Установив на верстат заготовку і отрегулировав положение упора і шаблона, необходимо настроить подвижные ограничители 7 і 8 (см. рис. 6). Для етого каретку, отсоединенную от ходового гвинта, перемещают по направлению к шпиндельной бабке 2 до упора. Затем отодвигают приблизительно на 5 мм і подводят к ней ограничитель 8 до момента срабатывания кінцівого микропереключателя каретки. После етого ограничитель 8 фиксируется винтом, а каретка отводится к задньої бабке і останавливается в положении, когда инструмент выходит за пределы обрабатываемой заготовки на 5... 10 мм. Ограничитель 7 подводится к каретке до срабатывания микропереключателя і также фиксируется.

Каретка подключается к ходовому винту. На панелі 6 включается кнопка "I". Каретка совершает черновой проход от ограничителя 7до ограничителя 8 і возвращается обратно, начисто дорабатывая заготовку. Более высокое качество обробки може быть получено, если після чернового прохода (остановка каретки на ограничителе 8) выключить верстат (кнопка " Стоп " на панелі 6) і отодвинуть упор от шаблона приблизительно на 0,5 мм. После чего включить кнопку " II". При етом чистовой проход будет производиться з дополнительным припуском, что повысит качество детали. В случае использования упора з автоматичною налаштуванням припуска на чистовой проход, выключать верстат не нужно. Необходимо лишь установить на шаблон бобышку, поворачивающую флажок на торце упора в кінці чернового прохода каретки.

В случае обробки крупных заготовок з глубоким профилем може возникнуть необходимость снятия припуска за два цикла. Упор в етом случае настраивается таким образом, чтобы за один цикл обработать половину глубины профиля детали. После окончания одного полного цикла обробки упор настраивается на окончательный размер детали і производится повторный цикл обробки.

2. Работа з ручной подачей

Работа з ручной подачей КТФ-7

Работа з ручной подачей КТФ-7


Работа з ручной подачей бывает удобна при обработке крупных заготовок, деталей со сложным профилем, а также при изготовлении малого количества изделий. Каретка 4 в етом случае отключается от ходового гвинта 9 і пружин поджима упора 1 (см. рис. 8).

На пульті керування включаются кнопки "Инструмент" і "Деталь". Перемещающаяся в двух координатах каретка з вращающейся дисковий фрезой подводится к заготовке і прорезает её до тех пор, пока упор не коснется шаблона. При етом инструмент фрезерует в заготовке пропил шириной самой дисковий фрезы. Далее каретка отводится от заготовки до тех пор, пока инструмент полностью не выйдет из пропила і снова подводится к заготовке, формируя рядом еще один пропил. Ширина пропила будет приблизительно равна двум ширинам инструмента. Аналогичным образом обработка продолжается до полного удаления припуска. Далее плавно перемещая каретку таким образом, чтобы упор постоянно касался шаблона, получаем заготовку, точно повторяющую профиль шаблона. В случае если глубина удаляемого припуска меньше высоты зуба дисковий фрезы, то формирование профиля можно производить без предварительных пропилов. Можно также производить обработку периодическими переміщеннями каретки вдоль заготовки. При етом необходимо следить, чтобы инструмент не заглублялся в заготовку более половины высоты зуба.

В кінці обробки рекомендуется производить чистовой проход. Для етого необходимо отодвинуть упор от шаблона на расстояние около 0,5 мм і как можно более плавно і медленно провести каретку по шаблону.

Изготовление профильных многогранников

Делительное пристрій токарно-фрезерного верстата КТФ-7

Делительное пристрій токарно-фрезерного верстата КТФ-7


Изготовление профильных многогранников производится в ручном режиме переміщення каретки. Грани наносятся, как правило після токарной обробки заготовки по тому же шаблону. Для приведения верстата в режим изготовления многогранников, необходимо вращать маховик 5 делительного пристроя 1 по часовий стрелке до упора (см. рис. 9). Проверить правильность подключения можно покрутив вал шпиндельной бабки из стороны в сторону. При етом делительный диск также должен передвигаться (если он не зафиксирован стопорным винтом). Затем стопорный винт вкручивается до упора в паз диска крепления собачки.

Настроив упор на расчетный припуск обробки, включается кнопка "Инструмент" на панелі 1. Плавно перемещая каретку по шаблону, фреза образует на заготовке первую грань. Далее каретка возвращается в исходное положение, а собачка переставляется в следующий паз делительного диска. Операции повторяются до изготовления всех граней детали.

Нарезка винтовых канавок

Нарезка винтовых канавок производится в ручном режиме переміщення каретки, після токарной обробки і шлифовки заготовки. Подключение режима такое же, как і при изготовлении профильных многогранников (только стопорный винт не должен фиксировать диск крепления собачки). Далее каретка связывается з тросом при помощи скобы (см. рис. 7) следующим образом. Каретка подводится к одной из двух бобышек, закрепленных на ветвях троса, і зацепляется за неё скобой. В етом случае перемещение каретки вдоль шаблона вызовет синхронный поворот заготовки. Настроив упор на расчетный припуск, включается вращение инструмента. Плавно перемещая каретку по шаблону, фреза образует на заготовке одну винтовую канавку. Далее каретка возвращается в исходное положение, а собачка переставляется в очередной паз делительного диска. Делительный диск имеет восемь пазов, так что можно получать двух, четырех і восьмизаходный винт.

На двух ветвях троса имеется по бобышке, что позволяет, подключая каждую из них, менять направление обертання заготовки при движении каретки в одном направлении. Это позволяет делать винтовые канавки, как правого, так і левого направления витков, а также их пересечения.

При использовании режимов изготовления профильных многогранников і винтовых канавок блокируются кнопки увімкнення приводу обертання заготовки, так что случайный пуск двигуна невозможен.

Необходимо учитывать, что качество обробки существенно зависит от используемой дисковий фрезы, поетому рекомендуется пользоваться высококачественным инструментом. Также очень важно сохранять геометрическую точность фрезы при переточках, так как робота плохо подготовленным инструментом приводит к вырывам, сколам і возникновению кинематических неровностей на заготовке.


Регулювання верстата

Регулювання зазору в направляючих продольного переміщення каретки

Регулювання зазору в направляючих продольного переміщення каретки


Все вузли верстата отрегулированы при сборке и, без особой надобности, регулировать их самостоятельно не следует. Однако з течением часу, в опорах шпинделя обертання инструмента, а также продольных і поперечных направляючих переміщення каретки може образоваться излишний зазор.

Регулювання підшибників шпинделя обертання инструмента производится в случае, если при приложении зусилля к посадочным шейкам его ощущается покачивание. Для устранения люфта необходимо ослабить контрящую гайку і подтянуть регулировочную гайку шпинделя.

Регулировочную гайку следует подтягивать осторожно, в несколько етапов, поворачивая её не более чем на 5 градусов, каждый раз контролируя люфт в шпинделе верстата. После устранения люфта следует корректно затянуть контрящую гайку.

После налаштування необходимо включить шпиндель на холостом ходу і убедиться в отсутствии его перегрева. Нагрев шпинделя свыше 70 градусов указывает на перетяжку підшибників, либо на их непригодность для дальнейшего использования.

Регулювання зазору в направляючих продольного переміщення каретки осуществляется следующим образом (см. рис. 10).


Регулювання зазору в направляючих поперечного переміщення каретки

Регулювання зазору в направляючих поперечного переміщення каретки


Слегка ослабляется болт 2 крепления нижней опори 1. Ослабляется контрящая гайка 4. Регулировочный болт 3 выкручивается из бобышки до устранения зазору между подшипником 5 і направляющей 6. Затягивается болт 2 крепления опори і контрящая гайка 4.

При регулировке необходимо избегать излишнего натяга между підшипниками і направляющей, так как при етом ход каретки становится более тяжелым і резко сокращается срок службы підшибників і самой направляющей.

Регулювання зазору в направляючих поперечного переміщення каретки происходит следующим образом (см. рис. 11).

Ослабляются болты 4 крепления планки 3 з одной из сторон направляющей. Регулировочными гвинтами 6 убирается излишний зазор, після чего планка 3 снова надежно фиксируется болтами 4 крепления.


Дополнительные приспособления, устанавливаемые на верстат

На станке предусмотрена возможность установки ручного фрезера марки " МЕТАВО " модель QF Е 1229, для крепления которого имеется спеціальний кронштейн. Фрезер і кронштейн в комплект верстата не входят і приобретаются за отдельную плату. Кронштейн крепится на защитном ограждении дисковий фрезы двумя маховиками. В большинстве случаев при работе фрезером дисковую фрезу снимать не обязательно, однако надо быть предельно внимательным, чтобы не обрезаться об нее при установці і налаштуванні приспособления.

Фрезер позволяет изготавливать винтовые канавки (см. раздел "Подготовка стайка к работе і робота на станке") различного профиля, а также производить нарезку каннелюров на поверхности вироби.

При работе фрезером питание верстата должно быть выключено, фрезер подключается к однофазной сети переменного тока напряжением 220 В согласно его инструкции по експлуатации.






КТФ-7 Верстат копіювальний токарно-фрезерный по дереву. Відеоролик.




Технічні характеристики токарно-фрезерного верстата КТФ-7

Наименование параметра КТФ-7
Основні параметри верстата
Диаметр обрабатываемого вироби, мм 20..180
Наибольшая длина заготовки, устанавливаемой в центрах (РМЦ), мм 1200
Параметри робочого инструмента: диаметр/ посадочное отверстие/ толщина, мм 250/ 30/ 4..8
Частота обертання инструмента (фрезы), об/мин 4500
Скорость переміщення робочого органа (каретки з фрезой), м/мин 0,4..3,3
Частота обертання заготовки (при чистовом проходе), об/мин 900..1200
Електроустаткування верстата
Род тока питающей сети 380В 50Гц
Количество електродвигателей на станке, шт 4
Електродвигун приводу инструмента, кВт (об/мин) 2,2 (3000)
Электродвигатели приводу подачі инструмента, кВт (об/мин) 1,1 (1000) х 2
Електродвигун приводу заготовки, кВт (об/мин) 0,37 (1500)
8. Общая установленная мощность, кВт 3,12
Габарит і масса верстата
Габарит верстата (длна х ширина х высота), мм 2100 х 900 х 1045
Масса верстата, кг 640

    Список литературы:

  1. Копіювальний токарно-фрезерный верстат КТФ-7. Руководство по експлуатации,

  2. Амалицкий В.В. Деревообрабатывающие верстати і инструменты, 2002
  3. Афанасьев А.Ф. Резьба по дереву, Техника, Инструменты, Изделия, 2014
  4. Бобиков П.Д. Мебель своими руками, 2004
  5. Борисов И.Б. Обработка дерева, 1999
  6. Джексон А., Дей Д. Библия работ по дереву, 2015
  7. Золотая книга работ по дереву для владельца загородного участка, 2015
  8. Ильяев М.Д. Резьба по дереву, Уроки мастера, 2015
  9. Комаров Г.А. Четырехсторонние продольно-фрезерные верстати для обробки древесины, 1983
  10. Кондратьев Ю.Н., Питухин А.В... Технология изделий из древесины, Конструирование изделий і расчет материалов, 2014
  11. Коротков В. И. Деревообрабатывающие верстати, 2007
  12. Лявданская О.А., Любчич В.А., Бастаева Г.Т. Основы деревообробки, 2011
  13. Любченко В.И. Рейсмусовые верстати для обробки древесины, 1983
  14. Манжос Ф.М. Дереворежущие верстати, 1974
  15. Расев А.И., Косарин А.А. Гідротермическая обработка і консервирование древесины, учебное пособие, 2010
  16. Рыженко В.И. Полная енциклопедия художественных работ по дереву, 2010
  17. Рыкунин С.Н., Кандалина Л.Н. Технология деревообробки, 2005
  18. Симонов М.Н., Торговников Г.И. Окорочные верстати, 1990
  19. Соловьев А.А., Коротков В.И. Наладка деревообрабатывающего оборудования, 1987
  20. Суханов В.Г. Круглопильные верстати для распиловки древесины, 1984
  21. Фокин С.В., Шпортько О.Н. Деревообработка, Технологии і обладнання, 2017
  22. Хилтон Билл Работы по дереву, Полное руководство по изготовлению стильной мебели для дома, 2017