metalinstryment.com
Довідник по металорізальних верстатів та пресовому обладнанні

С26-2Н Верстат строгальный четырёхсторонний
Схеми, опис, характеристики

С26-2Н Верстат строгальный четырёхсторонний







Відомості про виробника строгального четырёхстороннего верстата С26-2Н

Производителем строгального четырёхстороннего верстата С26-2Н является Ишимбайский Станкостроительный Завод (ООО Станкозавод) г. Ишимбай, Башкирия.






С26-2Н Верстат строгальный четырёхсторонний. Назначение, область применения

Верстат строгальный четырёхсторонний універсального типа моделі С26-2Н предназначен для четырёхсторонней строжки досок і брусьев, а при оснащении соответствующим режущим инструментом – для строжки фасонных профилей, а также для делительных работ при обработке изделий толщиной до 55 мм.

Строгальный двухшпиндельный верстат С26-2Н предназначен для изготовления:

Верстат имеет облегченную конструкцию. Возможна комплектация верстата калёвочным суппортом (для выстрагивания досок з фигурными краями (багетов, карнизов, оконных переплетов і др.): модель С26-5.

Корпусные детали, в том числе і станина - литые из чугуна, поглощают вибрации, повышают качество выпускаемых изделий.

Верстат надёжен і прост в експлуатации і не зависит от качества обрабатываемых заготовок. Торможение шпинделей - електродинамическое постоянным током.

Заготовки і пиломатериалы, обрабатываемые на станке, должны соответствовать требованиям.

Класс точності – Н.

Вид климатического исполнения – УХЛ4 по ГОСТ 15150-69.

Помещение, в котором експлуатируется верстат, должно соответствовать зоне класса П-II согласно «Правилам пристроя електроустановок» (ПУЭ-87).


Современные четырехсторонние верстати

Четырехсторонние верстати используются на предприятиях для плоской і профильной обробки (фрезеровки) материала з четырех сторон. Основная продукция выпускаемая на данном обладнання ето погонажные вироби (вагонка, блок хаус, наличник, доска пола итд), профилирование бруса (домостроение), дверной погонаж, мебельный погонаж, паркет і плоскостная строжка (калибровка) з четырех сторон.

При выборе четырехстороннего верстата, важно обратить внимание на такие параметри как:

и другие дополнительные опции, которыми оснащен верстат.

Разделить данное обладнання можно на несколько групп:

Легкая серия, до 5-ти шпинделей, предназначены для выполнения несложных операций, таких как: калибрование заготовок в размер і выпуск погонажных изделий з несложным профилем. Отличительной особенностью является маленький набор опций.

Средняя серия, до 6-ти шпинделей і максимальным сечением обробки 250 х 230мм, которые способны удовлетворить потребности большинства деревообрабатывающих предприятий. Верстат имеет богатый набор доступных опций: контропори, скорость подачі до 60м/мин, джоинтер, скорость обертання шпинделей до 9000 об/мин, изменение скорости подачі инвертором, блок дисковых пил і другие.

Тяжелая серия для бруса, до 9-ти шпинделей і сечением обробки 320 х 230. Для строгания і профилирования бруса, верстат способен выдерживать максимальные нагрузки і може быть оснащен всеми имеющимися опциями.

«Тяжелая» серия высокоскоростных верстатів, до 9-ти шпинделей і максимальной скоростью подачі до 150 м/мин, используются на предприятиях, занимающихся выпуском погонажных изделий в большом объеме. Данная серия верстатів имеет возможность установки полного перечня опций от увеличения мощности двигуна – до программируемого керування шпинделями.





Загальний вигляд строгального четырехстороннего верстата С26-2Н

Загальний вигляд  строгального четырехстороннего верстата С26-2Н

Фото строгального четырехстороннего верстата С26-2Н


Фото строгального четырехстороннего верстата С26-2Н

Фото строгального четырехстороннего верстата С26-2Н

Фото строгального четырехстороннего верстата С26-2Н. Дивитись у збільшеному масштабі



Фото строгального четырехстороннего верстата С26-2Н

Фото строгального четырехстороннего верстата С26-2Н


Фото строгального четырехстороннего верстата С26-2Н

Фото строгального четырехстороннего верстата С26-2Н


Розташування основних вузлів одностороннего строгального верстата С26-2Н

Розташування основних вузлів одностороннего строгального верстата С26-2Н

Розташування основних вузлів строгального верстата С26-2Н

Розташування основних вузлів строгального верстата С26-2Н. Дивитись у збільшеному масштабі



Розташування основних вузлів одностороннего строгального верстата С26-2Н

Розташування основних вузлів строгального верстата С26-2Н

Розташування основних вузлів строгального верстата С26-2Н. Дивитись у збільшеному масштабі



    Список складових частин фуговального верстата СФ6-1:

  1. Станина - С26-2М 1-01 СБ
  2. Привід подачі - С26-2М.02.000-01 СБ
  3. Механізм подачі - С26-2Н.3.002 СБ
  4. Нижний горизонтальный супорт - С26-2М.5-02 СБ
  5. Боковий прижим - С26-2М.06.000 СБ
  6. Вертикальные суппорты - С26-2М.07.000 СБ
  7. Ограждение правой вертикальной головки - С26-2М.9-03 СБ
  8. Ограждение левой вертикальной головки - С26-2М.10-03 СБ
  9. Верхний горизонтальный супорт - С26-2 11-01 СБ
  10. Прижим верхний - С26-2М 18.000
  11. Когтевая защита - С26-2М 16.000 СБ
  12. Пульт керування - С26-2 Сб 14-1-03
  13. Суппорт калёвочный - С26-2. Сб 12-01 для С26-5
  14. Органы керування і их назначение:

  15. Кнопка «СТОП» аварийная
  16. Маховик регулювання по высоте верхнего суппорта
  17. Гайка крепления кожуха ограждения верхней горизонтальной фрезы
  18. Квадрат фиксации верхнего горизонтального суппорта
  19. Маховик регулювання верхних прижимов
  20. Маховик регулювання по высоте верхних вальцов
  21. Рукоятка установки нижнего суппорта
  22. Зажим корпуса нижнего суппорта
  23. Рукоятки зажиму каретки левого вертикального суппорта
  24. Винт переміщення левого суппорта
  25. Винт перемещений правого суппорта
  26. Винт регулювання калёвочного суппорта
  27. Рукоятка регулювання положения поворотного столика
  28. Рукоятка регулировки положения нижних вальцов
  29. Маховик регулювання по высоте прижима калёвочного суппорта
  30. Рукоятка подъёма когтевой защиты
  31. Винт регулювання левого вертикального шпинделя по высоте
  32. Рукоятка переключения скорости подачі
  33. Винт регулювання столика суппорта калёвочного
  34. Рукоятка зажиму гильзы левого вертикального шпинделя
  35. Винты зажиму регулировки суппорта калёвочного

Розташування органів керування четырехсторонним строгальным верстатом С26-2Н

Розташування органів керування четырехсторонним строгальным верстатом С26-2Н

Пульт керування строгальным верстатом С26-2Н


  1. Сигнал напряжения
  2. Кнопка отключения верстата
  3. Переключатель налагодження і роботи верстата
  4. Кнопка отключения подачі
  5. Кнопка увімкнення обертання ножевых головок
  6. Кнопка увімкнення обертання ножевых головок
  7. Кнопка увімкнення обертання ножевых головок
  8. Кнопка увімкнення обертання ножевых головок
  9. Кнопка увімкнення обертання ножевых головок
  10. Кнопка увімкнення подачі «Вперед»
  11. Кнопка увімкнення подачі «Назад»




Схема кінематична четырехстороннего строгального верстата С26-2Н

Кінематична схема четырехстороннего строгального верстата С26-2Н

Кінематична схема четырехстороннего строгального верстата С26-2Н

Кінематична схема четырехстороннего строгального верстата С26-2Н. Дивитись у збільшеному масштабі




Пристрій строгального верстата С26-2Н, робота его складових частин


Станина

Станина (рис. 3 поз. 1) верстата С26-2Н цельнолитая, чугунная, коробчатой формы. На станине устанавливаются все суппорты, привід і механізм подачі. В верхней плоскости станины крепятся стальные накладные столики, направляющие линейки, по которым движутся заготовки. Здесь же установлен боковой прижим.


Привід подачі

Привід подачі четырехстороннего строгального верстата С26-2Н

Привід подачі четырехстороннего строгального верстата С26-2Н

Привід подачі четырехстороннего строгального верстата С26-2Н. Дивитись у збільшеному масштабі



Привід подачі (рис. 6) служит для сообщения механізму подачі различных швидкостей обертання, состоит из електродвигуна 1, варіатора скорости 2 і червячного редуктора 3, соединённых цепной передачей 4 з механізмом подачі. Для предотобертання поломок механізмов подачі і приводу на верхней звёздочке установлено фрикционное пристрій 5, срабатывающее при перегрузке верстата.

ВНИМАНИЕ! Во избежание поломок приводу механізма подачі затяжка гайки 6 фрикционного пристроя до отказа запрещается!

Регулювання скорости подачі производится вращением квадрата 7.

При етом происходит изменение расстояния между вариаторными дисками, расположенными на быстроходном валу редуктора, вызывающее переход вариаторного ремня на другой диаметр дисков. Тем самым изменяется передаточное число варіатора и, следовательно, скорость подачі заготовок.


Механізм подачі

Механізм подачі четырехстороннего строгального верстата С26-2Н

Механізм подачі четырехстороннего строгального верстата С26-2Н

Механізм подачі четырехстороннего строгального верстата С26-2Н. Дивитись у збільшеному масштабі



ВНИМАНИЕ! Регулювання скорости подачі производить только на ходу при работающем двигателе!

Механізм подачі предназначен для придания заготовкам поступательного руху вдоль верстата. Смонтирован в отдельном корпусе 1 (рис. 7), установленном на передньої частини станины. Состоит из двух нижних 3 і двух верхних (с косым рифлением) 2 вальцов.

Прижим верхних вальцов к заготовке, необходимый для обеспечения соответствующего тягового усиления подачі, осуществляется регулируемыми пружинами 13.

Установка верхних вальцов на толщину заготовки производится вращением маховика 14.

Установка нижних вальцов 3 і столика 4 на величину снимаемого припуска производится поворотом рукояток 27 і 26 (см. рис. 3).

На передньої частини механізма подачі установлен ограничитель толщины подаваемого материала і ловители 11 («когтевая защита») для предотобертання обратного выброса заготовки.

Здесь же, на приемном столике, расположен боковой прижим 15, обеспечивающий прижим подаваемого материала к направляющей линейке.


Прижим верхний

Верхний прижим (рис. 3 поз. 10) смонтирован на балке расположенной над нижним горизонтальным і вертикальными суппортами. Балка устанавливается на стойке, закрепленной на станине. Шесть подпружиненных прижимов роликового типа смонтированы на скалках. По два прижима на каждой скалке в зоне нижнего горизонтального суппорта і по одному прижиму в зоне вертикальних супортів. Прижимы переставляются по скалкам на ширину материала і стопорятся гвинтами. При ширине материала менее 120 мм два прижима снять, оставив на каждой скалке по одному прижиму. Установка прижимов на толщину обрабатываемого материала производится маховиком 18 (см. рис. 3) через винтовую передачу.


Нижний горизонтальный суппорт

Нижний горизонтальный супорт (рис. 3 поз. 4) предназначен для установки на его шпинделе нижней фрезы. Шпиндель смонтирован в корпусе на двух підшибниківых опорах.

Передня опора, (противоположная ведомому шкиву, съёмная) снабжена одним шарикоподшипником. Задня опора снабжена двумя шарикопідшипниками. Вращение шпинделя осуществляется от електродвигуна 1 через повышающую клиноременную передачу 3 (см. рис. 14).

Шпиндель нижнего суппорта настраивается по высоте рукояткой 20 (см. рис. 3) і фиксируется зажимом 21 (см. рис. 3).


Боковий прижим

Боковий прижим (рис. 3 поз. 5) предназначен для поджима обрабатываемой детали к направляющей линейке і установлен на станине в промежутке между нижним і вертикальными суппортами.

Состоит из двух подпружиненных роликов, корпус которых може перестанавливаться в направляющем пазу на необходимую ширину обробки.


Вертикальные суппорты

Вертикальные суппорты (рис. 3 поз. 6) – левый і правый, предназначены для установки на их шпинделях боковых фрез. Шпиндели вертикальних супортів консольные, установлены в гильзах на двух шарикопідшипниках. Вращение шпинделя осуществляется от електродвигуна 4 через повышающую клиноременную передачу 1 (см. рис. 15 ). Каретки вертикальних супортів передвигаются на скалках поперек верстата для установки на заданную ширину обробки і величину снимаемого припуска. Перемещение производится гвинтами 23 і 24, а фиксация – рукоятками 22 (см. рис. 3).

Налаштування суппорта по высоте осуществляется за счет вертикального переміщення гильз шпинделей в корпусах. Перемещение производится гвинтами 30 (см. рис. 3). Ход вертикального переміщення – 15 мм.

Установка і крепление фрез на шпинделях производится з помощью цанг і цанговых патронов.

Фрезы закрыты ограждениями поз. 7 і 8 (см. рис. 3), которые одновременно служат для пневмоудаления стружки из зоны різання.


Верхний горизонтальный суппорт

Верхний горизонтальный супорт (рис. 3 поз. 9) предназначен для установки на его шпинделе верхней горизонтальной фрезы. Конструкція шпинделя і его привід аналогичны конструкції нижнего горизонтального суппорта. Вращение шпинделя осуществляется от електродвигуна 2 через повышающую клиноременную передачу 1 (см. рис. 16).

На суппорте установлен кожух фрезы со стружколомателем; при смене фрезы кожух откидывается і фиксируется специальным крючком. К подвижной каретке суппорта прикреплен подпружиненный двойной плоский прижим, регулируемый по высоте одновременно з фрезой. Регулювання суппорта со шпинделем і фрезой на толщину обрабатываемого материала осуществляется при помощи маховика 15 і винтовой передачи, фиксируется в нужном положении установочным винтом 17 (см. рис. 3).

ПРИМЕЧАНИЕ: Фасонные фрезы для вертикальних і верхнего супортів заводом не поставляются.


Калёвочный супорт (верстат С26-5)

Калёвочный супорт (рис. 3 поз. 13) предназначен для профильной обробки при установці на его шпинделе фасонных фрез или для делительных работ при установці на его шпинделе дисковых пил.

Суппорт устанавливается на задньої торцевой частини станины.

Конструкція шпинделя і его привід аналогичны конструкції нижнего горизонтального суппорта. Вращение шпинделя осуществляется от електродвигуна 2 через повышающую клиноременную передачу 1 (см. рис. 16). Над шпинделем установлен роликовый прижим, входящий в состав калёвочного суппорта.

Регулювання калёвочного суппорта по высоте осуществляется вращением гвинта 25, а регулировка прижима – маховика 28 (см. рис. 3).





Електроустаткування четырехстороннего строгального верстата С26-2Н


Загальні відомості

На станке применяются наступні величины напряжений переменного тока:

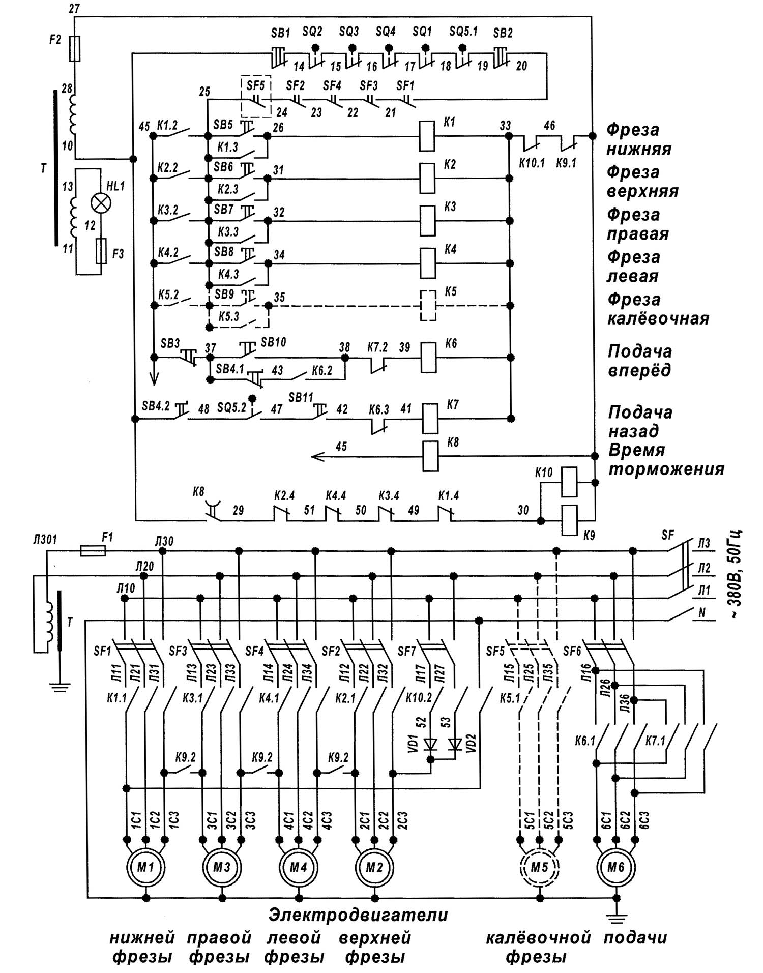
Схема електрична четырехстороннего строгального верстата С26-2Н

Електрична схема четырехстороннего строгального верстата С26-2Н

Електрична схема четырехстороннего строгального верстата С26-2Н. Дивитись у збільшеному масштабі



Схема електрична принципова представлена на рис. 8, а електромонтажная на рис 9 і 10.

На станке установлено пять, а в варіанті изготовления з калёвочным суппортом - шесть асинхронных електродвигателей з короткозамкнутыми роторами закрытого исполнения.

Электрической схемой верстата передбачаєся динамическое торможение електродвигателей фрез (кроме електродвигуна калёвочного суппорта), путем подачі на их обмотки постоянного напряжения от выпрямителей VD1, VD2.

Органы керування електрообладнанням верстата сосредоточены на пульті керування, который установлен на корпусе механізма подачі (см. рис. 3 поз. 12). Дополнительно на стороне выхода изделий расположена аварийная кнопка «Стоп» з толкателем грибовидной формы красного цвета (см. рис. 3, поз. 14).

Аппаратура керування верстатом смонтирована в отдельном електрошкафу, место установки которого определяется заказчиком.

Подключение управляющих проводов к верстату, производится через клеммы 1К, 2К, 3К, 4К (см. рис. 9 ) расположенные в нише станины верстата, которая закрыта крышкой со знаком «высокое напряжение» (см. рис. 3 ). Подвод к клеммам производится через отверстие ведущее внутрь станины, где і располагается подводящая труба (см. рис. 13).

Ввод питающих проводов в електрошкаф, а также управляющих проводов, соединяющих шкаф со верстатом, производится через отверстия в дне шкафа, в состоянии поставки, закрытые крышками.

Сечение питающих медных проводов не менее 6 мм2 при напряжении питающей сети 380В.

Електросхема имеет наступні блокировки:

При експлуатации електроустаткування необходимо периодически проверять состояние всей апаратури. Места контактных з'єднань со следами подгораний і окислений необходимо зачищать, изоляционные детали должны быть очищены от копоти і пыли.

При експлуатации електродвигателей систематически проводить технические осмотры і профилактические ремонты.

Периодичность техосмотров устанавливается в зависимости от производственных условий, но не реже одного раза в два месяца.

При профилактических ремонтах должна производиться наружняя і внутренняя чистки двигателей.

Осмотр підшибників і смену змазки производить після 3000 – 5000 час. роботи, но не реже раза в год.

Перед набивкой свежей змазки підшипники должны быть тщательно промыты бензином. Камеру підшипника не более на 2/3 объема заполнить смазкой.


Первоначальный пуск

При первоначальном пуске верстата проверить надежность заземления і качество монтажа електроустаткування путем зовнішнього осмотра. После осмотра на клеммных наборах в шкафу отключить провода живлення всех двигателей. При помощи вводного выключателя SF подключить верстат к цеховой сети. При помощи кнопок і переключателей на пульті керування проверить чёткость срабатывания магнитных пускачів і реле, срабатывание схеми от кнопки 14 (рис. 3), кнопки 2 (рис. 4) і конечных выключателей блокировки ограждений фрез. Поочередно подключить електродвигатели, проверяя правильность направления их обертання.

ВНИМАНИЕ! При возникновении вибраций верстата обесточить верстат, отключив выключатель. Дальнейшие роботи производить только після устранения причин вибрации.


Опис роботи (рис.8, 9 і 10)

Схема електрична принципова показана на рис. 8. В таблице 5 дан перечень електроустаткування, используемого в схеме.

Перед началом роботи необходимо убедиться в том, что все защитные автоматические выключатели SF, SF1, SF2, SF3, SF4, SF5 і SF6 включены, а переключатель SB4 установлен в положение SB4.1 (37-43) - («Работа»).

Ограждения фрез должны быть установлены в рабочее положение. Без етого увімкнення двигателей верстата не производить.

Пуск електродвигателей фрез осуществляется нажатием кнопок SB5 (25-26); SB6(25-31); SB7 (25-32); SB8 (25-34); SB9 (25-35), которые замыкают ланцюги катушек соответствующих магнитных пускачів К1, К2, К3, К4, і К5 переводя их на самопитание. Одновременно замыкаются контакты (45-25) етих пускачів, подготавливается ланцюг живлення магнитного пускателя К6 к включению.

При установці переключателя SB4 в положение SB4.1 («Работа») увімкнення ел. двигуна подачі возможно только при работе хотя бы одного из ел. двигателей фрез.

Пуск механізма подачі «Подача вперёд» осуществляется нажатием кнопки SB10 (37-38), которая замыкает ланцюг магнитного пускателя К6 (39-33), переводя его на самопитание. Остановка механізма подачі осуществляется нажатием кнопки SB3 (45-37). Остановка механізма подачі происходит также при нажатии кнопки SB1(10-14) или SB2(19-20) или при переводе переключателя SB4 в положение SB4.2 («Наладка»).

Для увімкнення механізма подачі «Подача назад» необходимо перевести переключатель SB4 в положение SB4.2 (10 – 48) - (Наладка), выключить когтевую защиту і нажать кнопку SB11 (47 – 42). Механізм подачі в етом режиме работает только в случае удержания кнопки SB11 во включенном положении, т.е. «толчками».

Остановка ел. двигателей фрез производится нажатием кнопки SB1(10 – 14) или SB2 (19 – 20). При етом одновременно выключается і ел. двигатель подачі.

При остановке ел. двигателей фрез срабатывает схема електродинамического торможения. Работает она следующим образом:

При включении електродвигателей фрез замыкается ланцюг 45-25 і размыкается соответствующий каждому електродвигателю контакт К1.4 (30 –49), или К2.4 (51 – 29), или К3.4 (49 – 50), или К4.4 (50 – 51). Одновременно подаётся напряжение на катушку реле часу К8, которое замыкает контакт реле К8 (10 –29). При выключении ел. двигателей фрез контакты К1.4 (30 –49), К2.4 (51 – 29), К3.4 (49 – 50), К4.4 (50 – 51) замыкаются, а ланцюг катушки реле часу К8 размыкается включая реле часу. Реле часу в течение 6 секунд держит замкнутым свой контакт К8 (29 - 45) в ланцюги магнитных пускачів К9, К10 і включается динамическое торможение – контакты К9.2 і К10.2. Подаётся постоянное напряжение от выпрямителей VD1 і VD2 на обмотки ел. двигатели фрез. По истечении заданного часу, разрывается ланцюг контактная К8 (29 – 45) реле часу К8 і торможение прекращается.

Захист всех електродвигателей осуществляется автоматическими выключателями. Нулевая защита осуществляется катушками магнитных пускачів. Захист трансформатора Т, електроустаткування ланцюги керування і електролампочки HL1 сигнализации напряжения осуществляется плавкими предохранителями F1, F2, і F3 соответственно.


Налаштування, наладка і режим роботи

Все роботи по налаштуванні і наладке верстата производить при выключенном вводном выключателе в електрошкафу.


Установка режущего инструмента на горизонтальных шпинделях

Для установки режущего инструмента на горизонтальные шпиндели необходимо:


Установка режущего инструмента на вертикальних шпинделях

Фрезы з цангами насаживаются на шпиндели і закрепляются з помощью гаек.

Долговечность роботи режущего инструмента і качество обробки изделий зависят от правильности его установки. Радиальное биение режущих кромок і торцовое биение фрез не должно превышать 0,05 мм. При установці следует обращать особое внимание на правильную установку ножей, на состояние патронов і проставных колец, не допускать применения их з повышенным биением.

Биение режущего инструмента значительно сокращает срок службы підшибників шпинделей.

Скорость різання налаштування не требует, так как определяется частотой обертання фрез (5000 об/мин.) і диаметром инструмента.

Для фрез диаметром 180 мм она составляет 47,5 м/с.





Налаштування верстата на размер обрабатываемой детали

Налаштування верстата на размер обрабатываемой детали производится по шкалам в порядке розположення регулируемых механізмов і пристосувань в направлении подачі материала (предельные розміри обрабатываемой заготовки см. на стр. 31):

Передний боковой прижим (поз. 15 рис. 7) устанавливается на ширину заготовки;

Ограничитель по высоте з ловителями (поз. 11 рис. 7) устанавливается на толщину заготовки.

ВНИМАНИЕ! Во избежание поломки подающего механізма і обратного выброса заготовки установка переднего бокового прижима і ограничителя по высоте на ширину і высоту, превышающие розміри заготовки, запрещается:

Нижние вальцы і поворотный столик устанавливаются на величину снимаемого припуска. Налаштування осуществляется рукоятками 27 і 26 (рис. 3) соответственно;

Верхние подающие вальцы устанавливаются по высоте на толщину заготовки. Налаштування осуществляется маховиком 19 (рис. 3);

Нижний горизонтальный супорт по лезвиям ножей фрезы выставляется заподлицо со столом станины. Предварительно освобождается зажим 21 і налаштування осуществляется рукояткой 20 (рис. 3);

Верхние прижимы на скалках устанавливаются на ширину заготовки переміщенням прижима по скалке;

Боковий прижим 5 (рис. 3) устанавливается на ширину заготовки. Предварительно следует освободить гайки крепления прижима к станине;

Правый вертикальний супорт настраивается на величину снимаемого припуска. Предварительно освобождаются зажимы 22 і налаштування осуществляется винтом 24 (рис. 3);

Лівий вертикальний супорт настраивается на ширину обробки детали. Предварительно освобождаются зажимы 22 і налаштування осуществляется винтом 23 (рис. 3);

Правый і левый вертикальные суппорты в случае установки на них фасонных фрез настраиваются по высоте в зависимости от необходимого профиля. Предварительно освобождаются зажимы 33 і налаштування осуществляется гвинтами 30 (рис. 3);

Верхний горизонтальный супорт настраивается по высоте на толщину обрабатываемого вироби. Предварительно освобождают зажим 17 і налаштування осуществляется маховиком 15 (рис. 3);

Калёвочный супорт настраивается по высоте в зависимости от устанавливаемого инструмента. Предварительно освобождают зажимы 34 і налаштування осуществляется винтом 25 (рис. 3);

Прижимы калёвочного суппорта устанавливаются на толщину обработанной заготовки. Налаштування осуществляется маховиком 28 (рис. 3);

Столик калёвочного суппорта настраивается по высоте в зависимости от устанавливаемого инструмента. Налаштування осуществляется винтом 32 (рис. 3).

После выполнения указанных операций на малой подаче производится пробная обработка нескольких заготовок. Проверяется соответствие полученных размеров обработанной детали заданным і производится подстройка соответствующих супортів.

Операция пробной обробки і подстройки в зависимости от требований точності може производиться несколько раз. После получения заданных размеров обрабатываемой детали все настраиваемые механізмы і приспособления тщательно закрепляются гвинтами, гайками, клиньями і зажимными втулками.


Установка скорости подачі материала

Оптимальная скорость подачі определяется в зависимости от величины припуска обробки заготовок, породы і качества материала, его влажности, необходимой чистоты обробки і загрузки двигателей.

Выбор скорости подачі в зависимости от величины снимаемого припуска з учетом загрузки двигателей для воздушносухой сосновой древесины производится по табл. 7 і 8. Следует учесть, что данные табл. 7 і 8 є ориентировочными.

Выбор скорости подачі в зависимости от необходимой чистоты обробки производится по табл. 9.

Установка скорости подачі осуществляется рукояткой 31 (см. рис. 3).

ВНИМАНИЕ! Регулювання скорости подачі производить только на ходу при работающем двигателе!

С помощью рукоятки 31 величина скорости може быть установлена в пределах от 10 до 42 м/мин.


Регулювання верстата

В процессе експлуатации верстата з целью обеспечения нормальной роботи окремих его механізмов производится их регулювання.

Регулювання натяжения ремней приводу шпинделя нижнего суппорта (см. рис. 14) производится за счет подмоторной плиты 2 з помощью гвинта 4.

Регулювання натяжения ремней приводу шпинделей вертикальних супортів показано на рис. 15 і производится поворотом подмоторной плиты 3 з помощью гвинта 2.

Регулювання натяжения ремней приводу шпинделя верхнего горизонтального і калёвочного супортів показано на рис. 16 і производится: грубо – поворотом кронштейна 4 з плитой 3 на оси, для чего необходимо отпустить винт 5; точно – поворотом подмоторной плиты 3 з помощью гвинта 6.

ВНИМАНИЕ! При перестройке вертикального левого і верхнего горизонтального супортів на другие розміри обрабатываемых изделий необходимо следить, чтобы не происходило ослабления или большого натяга клиновых ремней передачи.

Регулювання натяжения ремня варіатора (см. рис. 6) производится подтягиванием пружины 8 з помощью гаек 9.

Регулювання положения нижних подающих вальцов 3 (см. рис. 7) і поворотного столика 4 производится з помощью винтов 9 і 5, соответственно. Перед регулировкой необходимо отпустить гайки 10 і 6, а по окончании затянуть, придерживая при етом винты 9 і 5, соответственно.

Регулювання силы натяжения верхних подающих вальцов 2 на заготовку (см. рис. 7) производится подтягиванием специальных гаек 12 до обеспечения устойчивой, без пробуксовки, подачі материала, при етом расстояние между витками пружин 13 при пропускании заготовки должно быть не менее 1 – 1,5 мм.

Пристрій для натяжения ремней верхнего горизонтального і калёвочного супортів.

Регулювання силы натяжения верхних і боковых прижимов производится подтягиванием соответствующих гаек і винтов таким образом, чтобы обеспечивался устойчивый прижим заготовки. При етом прижимы должны мати запас ходу не менее 15 – 20 мм.


Уход за режущим инструментом

Верстат комплектуется фрезами насадными цилиндрическими дереворежущими сборными по ГОСТу 14956-79, на которых установлены ножи плоские з прямолинейной режущей кромкой по ГОСТу 6567-75 для фрезерування древесины. При необходимости профильной обробки деталей на шпиндели верхнего, боковых і калёвочного супортів могут устанавливаться соответствующие фасонные фрезы.

Качество обробки деталей, а также безаварийная робота верстата в значительной степени зависят от состояния і правильной установки режущего инструмента. Ножи сборных фрез должны соответствовать требованиям ГОСТа 6567-75.

Каждая фреза комплектуется ножами, отвечающими следующим требованиям:

Установка ножей, имеющих раковины, трещины, глубокие царапины, заусеницы, а также ножей покрытых ржавчиной, погнутых, короблёных і имеющих другие дефекты, не допускаются.

Заточку ножей производить на заточном станке з применением точильных камней соответствующей твердости і зернистости.

При заточке снимать минимальный слой металла, не допуская перегрева ножа.

После заточки отклонение от прямолинейности лезвия ножа не должно превышать 0,07 мм на длине 300 мм. Степень остроты лезвий должна доходить до 2-4 мкм; ето практически определяется отсутствием блестящих точок на режущих кромках.

Особое внимание необходимо обращать на неуравновешенность режущего инструмента, которая не должна превышать для горизонтальных фрез 18 Гсм, вертикальних 10 Гсм.





С26-2Н Верстат строгальный четырёхсторонний. Відеоматериалы



Технічні характеристики строгального верстата С26-2Н

Наименование параметра С26-2Н
Основні параметри верстата
Ширина обрабатываемого материала, мм 50..250
Толщина обрабатываемого материала, мм 12..125
Наименьшая длина обрабатываемого материала, мм 630
Наибольшая толщина обрабатываемого материала при поздовжньої распиловки, мм 55
Количество супортів 5
Скорость різання, м/сек 47,5
Частота обертання ножевых головок, об/мин 5000
Диаметр установленных фрез, мм 180
Количество фрезерных головок 4 (5 для С26-5)
Скорость подачі, м/мин 10..40
Диаметры вертикальних шпинделей, мм 40
Диаметры горизонтальных шпинделей, мм 50
Диаметр калёвочного шпинделя, мм 45
Електроустаткування верстата
Род тока питающей сети 380В 50Гц
Количество електродвигателей на станке, шт 5 (6 для С26-5)
Електродвигун приводу нижнего, правого, левого і калёвочного, кВт (об/мин) 5,5 (2850)
Електродвигун приводу верхнего суппорта, кВт (об/мин) 7,5 (2900)
Електродвигун приводу подачі, кВт (об/мин) 4,0 (950)
Установленная мощность: кВт 28
Габарит і масса верстата
Габарит верстата (длна х ширина х высота), мм 2625 х 1350 х 1512
Масса верстата, кг 3265

    Список литературы:

  1. Верстат строгальный четырёхсторонний моделі С26-2Н. Руководство по експлуатации, 1973

  2. Амалицкий В.В. Деревообрабатывающие верстати і инструменты, 2002
  3. Афанасьев А.Ф. Резьба по дереву, Техника, Инструменты, Изделия, 2014
  4. Бобиков П.Д. Мебель своими руками, 2004
  5. Борисов И.Б. Обработка дерева, 1999
  6. Джексон А., Дей Д. Библия работ по дереву, 2015
  7. Золотая книга работ по дереву для владельца загородного участка, 2015
  8. Ильяев М.Д. Резьба по дереву, Уроки мастера, 2015
  9. Комаров Г.А. Четырехсторонние продольно-фрезерные верстати для обробки древесины, 1983
  10. Кондратьев Ю.Н., Питухин А.В... Технология изделий из древесины, Конструирование изделий і расчет материалов, 2014
  11. Коротков В. И. Деревообрабатывающие верстати, 2007
  12. Лявданская О.А., Любчич В.А., Бастаева Г.Т. Основы деревообробки, 2011
  13. Любченко В.И. Рейсмусовые верстати для обробки древесины, 1983
  14. Манжос Ф.М. Дереворежущие верстати, 1974
  15. Расев А.И., Косарин А.А. Гідротермическая обработка і консервирование древесины, учебное пособие, 2010
  16. Рыженко В.И. Полная енциклопедия художественных работ по дереву, 2010
  17. Рыкунин С.Н., Кандалина Л.Н. Технология деревообробки, 2005
  18. Симонов М.Н., Торговников Г.И. Окорочные верстати, 1990
  19. Соловьев А.А., Коротков В.И. Наладка деревообрабатывающего оборудования, 1987
  20. Суханов В.Г. Круглопильные верстати для распиловки древесины, 1984
  21. Фокин С.В., Шпортько О.Н. Деревообработка, Технологии і обладнання, 2017
  22. Хилтон Билл Работы по дереву, Полное руководство по изготовлению стильной мебели для дома, 2017