metalinstryment.com
Довідник по металорізальних верстатів та пресовому обладнанні

УГС 6/1А Трубогиб напівавтоматический
Схеми, опис, характеристики

УГС 6/1А Трубогиб напівавтоматический







Відомості про виробника машины трубогибочной УГС 6/1А

Изготовитель машины трубогибочной УГС 6/1А - Московский механический завод №3, ОАО. Завод основан в 1938 году.





УГС 6/1А Трубогиб c електромеханическим приводом. Назначение і область применения

Трубогибочный верстат УГС-6-1А предназначен для гибки труб і сортового проката методом обкатки роликами вокруг колодок в холодном состоянии.

Верстат УГС-6/1А, предназначенный для гибки з високою точностью і повторяемостью металлических круглых, профильных труб, труб из нержавеющей стали, сортового проката методом обкатки в холодном состоянии на заданный угол гиба от 0° до 180°.

Для гибки водогазопроводных труб по ГОСТ 3262-75, верстат УГС-6/1А комплектуется гибочными комплектами в диапазоне - 3/8", 1/2", 3/4", 1", 1¼", 1½", 2".

Материалом изгибаемой заготовки могут служить стали, цветные металлы і сплавы.

Нестандартная гибочная оснастка изготавливается индивидуально, под каждый выбранный профиль з учетом требований к гибке, по специальному заказу.

Верстат УГС-6/1А применяется на предприятиях по изготовлению вентиляционных і санитарно-технических изделий, на заводах по изготовлению металлоконструкций при производстве деталей гнутой формы.

Трубогиб УГС-6/1А експлуатируется в закрытых помещениях з естественной вентиляцией.

Климатическое виконання і категория розміщення - УЗ по ГОСТ 15150.

Принцип роботи і особливості конструкції верстата

Верстат моделі УГС-6/1А относится к группе оборудования для гибки труб і сортового проката, является универсальной, многофункциональной гибочной машиной ротационного типа.

Гибка производится в горизонтальной плоскости в двух режимах:

  1. Ручной режим
  2. Автоматический режим. В автоматическом режиме процесс гибки осуществляется по заданной программе

Перед гибкой верстат настраивается на заданный размер. Для етого необходимо:

Ручной режим роботи необходим для проверки работоспособности, при наладке оборудования, а также для пробного гиба заготовки.

В случае, когда необходимо работать з длинными заготовками, нужно пользоваться дополнительной подставкой.

На станке може производится гибка труб круглого, квадратного, прямоугольного сечения, а также профилей з различной геометрией, например: полоса, уголок, швеллер і т.п.

Конструкція трубогибочного верстата УГС-6/1А - модульна. Основным модулем - базой верстата, является силовой енергомодуль, на который устанавливаются различные сменные технологические модули, предназначенные для выполнения разнообразных гибочновальцовочных операций.

Сменностью модулей достигается многофункциональность верстата.

Конструктивные возможности каждого модуля позволяют использовать его в широком диапазоне сечений профилей і радиусов гиба - ето обеспечивает универсальность применения верстата. Энергомодуль оснащен мотор-редуктором, електрообладнанням, а также, имеет систему електронного керування рабочим процессом гибки.

В зависимости от сечений профилей і радиусов гибки, выбирается технологический модуль, предназначенный для выполнения заданной операции.

Верстат УГС-6/1А оснащен технологическим модулем ММЗ-3101А.01.000.

Технологический модуль предназначен для гибки труб і сортового проката методом обкатки роликом вокруг гибочного шаблона (колодки), в холодном состоянии.

Модуль применяется для гибки труб з отношением наружного диаметра к толщине стенки менее 20, при етом радиусы гибки соответствуют 3...5 диаметрам трубы.

Верстат УГС-6/1А комплектуется колодками і роликами для гибки водогазопроводных труб в диапазоне 3/8", 1/2", 3/4", 1", 1¼", 1½", 2", з радиусами гибки от 35 до 250 мм, по внутренней стенке трубы, з високою точностью.

По специальному заказу изготавливаются комплекты для гибки круглых труб различных сечений, профильных труб і разнообразного проката из сталей, цветных металлов і сплавов в пределах технических возможностей модуля.

Конструктивные особливості верстата УГС-6/1А:

  1. возможность использования верстата при выполнении различных гибочных операций, за счет сменной технологической оснастки;
  2. возможность керування верстатом в ручном і автоматическом режимах, причем в автоматическом режиме процесс гибки осуществляется системой електронного керування, по заданной программе;
  3. електроника верстата позволяет производить гибку з високою точностью і стабильной повторяемостью изогнутых деталей.
  4. верстат оснащен системой динамического торможения головного привода;
  5. технологические модули оснащены електроприводами для автоматичного позиционирования роликов в процессе производства гибочных операций;
  6. гибка производится в горизонтальной плоскости, а при навивке спиралей, относительно вертикальной оси;
  7. верстат не требует специальной подготовки фундамента, он устанавливается на твердое покрытие.




УГС 6/1А Загальний вигляд трубогиба електромеханического

Загальний вигляд  трубогиба електромеханического УГС 6/1А

Фото трубогиба УГС 6/1А

Фото трубогиба УГС 6/1А. Дивитись у збільшеному масштабі



Загальний вигляд  трубогиба електромеханического УГС 6/1А

Фото трубогиба УГС 6/1А


Пристрій та принцип роботи трубогибочного верстата УГС 6/1А

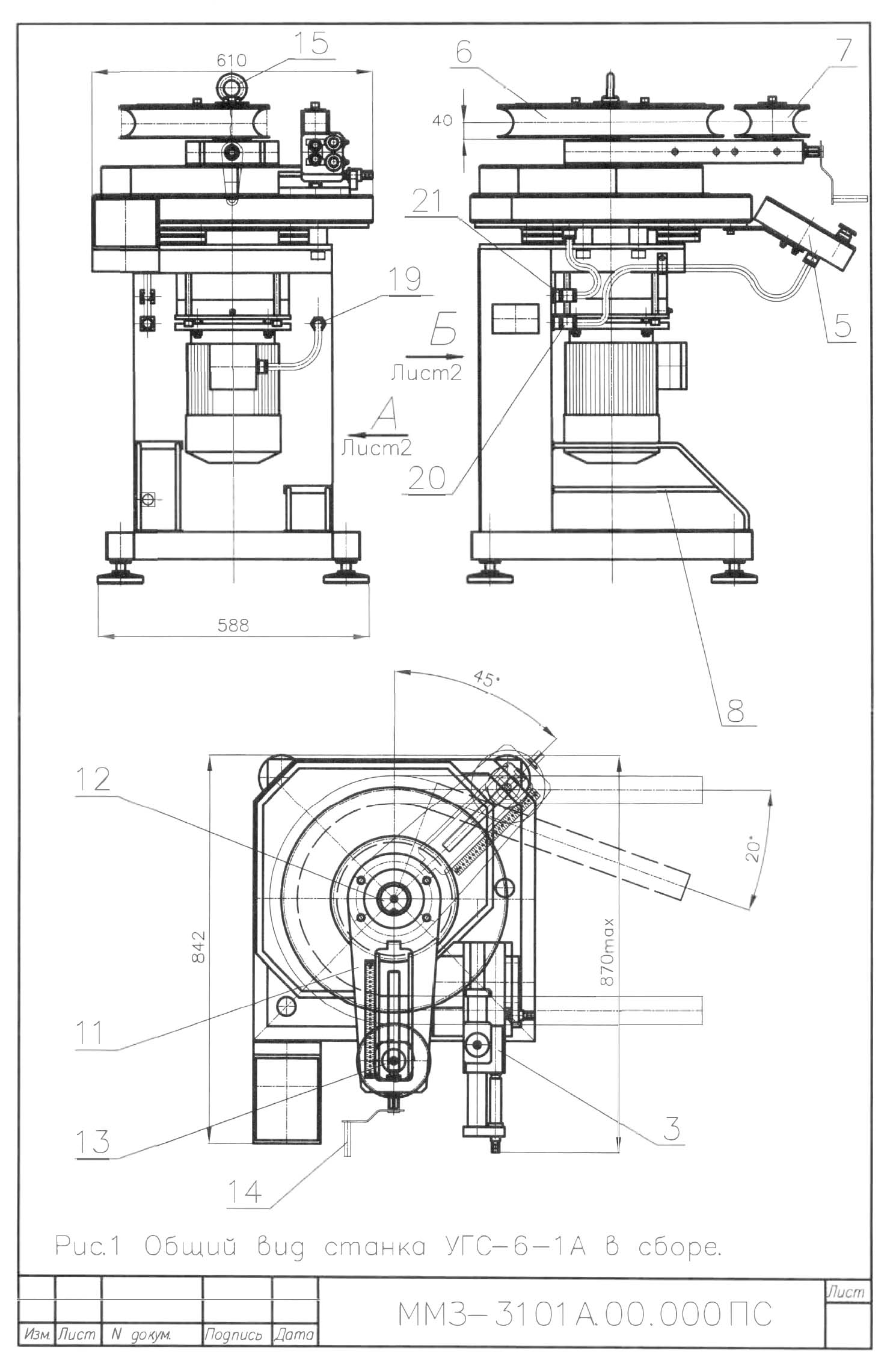
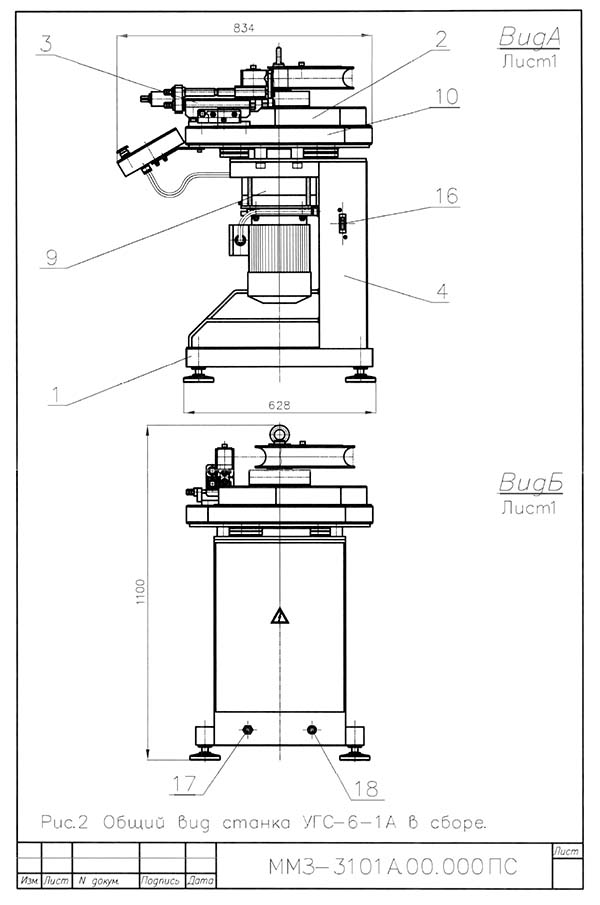
Загальний вигляд  трубогибочного верстата УГС 6/1А в сборе

Загальний вигляд трубогибочного верстата УГС 6/1А в сборе

Загальний вигляд трубогибочного верстата УГС 6/1А в сборе. Дивитись у збільшеному масштабі



Загальний вигляд  трубогибочного верстата УГС 6/1А в сборе

Загальний вигляд трубогибочного верстата УГС 6/1А в сборе

Загальний вигляд трубогибочного верстата УГС 6/1А в сборе. Дивитись у збільшеному масштабі



Верстат состоит из енерrомодуля 1, технологического модуля 2, зажиму 3, електроустаткування 4, пульта керування 5, набора колодок 6, і роликов 7, пристроя хранения гибочной оснастки 8.

Энергомодуль выполнен в виде рамы з електрошкафом 1, внутри смонтировано 1)Електроустаткування 4. На раме закреплен мотор-редуктор 9.

Технологический модуль 2 состоит из корпуса 10 з вращающейся кареткой 11. На центральную ось 12 устанавливаются колодки 6, на подвижную ось 13 устанавливаются ролики 7. Для фиксации заготовок предусмотрен зажим 3. Вращение винтов зажиму і каретки осуществляется рукояткой 14. Колодки і ролики хранятся в нижнем лотке 8 рамы согласно схеме укладки рис. 6. Для транспортирования верстата предусмотрен рымболт 15.

Вращение каретки осуществляется в ручном или автоматическом режиме з пульта керування верстатом или з пульта дистанционного радиокерування.

Мотор-редуктор енергомодуля вращает зубчасті колеса, расположенные в технологическом модуле, таким образом крутящий момент передається на каретку верстата. Корпус каретки вращается на підшипниках относительно центральной оси.

Вращение производится в прямом і обратном направлении.

Возможности трубогибочного верстата УГС 6/1А

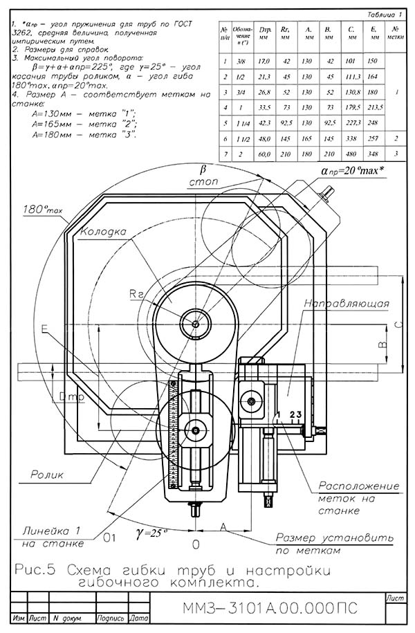
Схема гибки труб і налаштування трубогибочного верстата УГС 6/1А

Схема гибки труб і налаштування верстата УГС 6/1А

Схема гибки труб і налаштування трубогибочного верстата УГС 6/1А. Дивитись у збільшеному масштабі



Верстат УГС 6/1А може использоваться для гибки:

Обычно трубогибы выбирают з учетом того, какие заготовки ему придется обрабатывать какого диаметра, толщины стенки, угла загиба. Если речь идет о малом диаметре, приблизительности конфигурации і считанных единицах обрабатываемого материала, то в ход идут трубогибы ручного типа, при прочих исходных данных логичнее внедрение в работу електрического или гідравлічного помощника, который способен согнуть трубу на угол до 180 градусов без появления гофры или хуже того – трещины.


Cклад вироби УГС 6/1А і комплект поставки

Комплект оснастки трубогибочного верстата УГС 6/1А

Комплект оснастки трубогибочного верстата УГС 6/1А

Загальний вигляд трубогибочного верстата УГС 6/1А. Дивитись у збільшеному масштабі



Cклад вироби

  1. Модуль обкатки в сборе ММЗ-3101А.01.000, 1 шт
  2. Станина з електрошкафом в сборе ММЗ-3101А.02.000, 1 шт
  3. Зажим ММЗ-3101А.03.000, 1 шт
  4. Пристрій для укладки оснастки ММЗ-3101А.04.000, 1 шт
  5. Електроустаткування і автоматика ММЗ-3101А.05.000, 1 шт

Комплект поставки

  1. Універсальный гибочный верстат в сборе (трубогиб) УГС 6-1А (ММЗ-3101А.01.000), 1 шт
  2. Рукоятка ММЗ-3101А.20.000, 1 шт
  3. Рым-болт М16 ГОСТ 4751-73, 1 шт*
  4. Паспорт УГС-6-1 А часть I ММЗ-3101А.00.000ПС, 1 шт
  5. Упаковка 1 шт**
  6. Комплект гибочной оснастки ММЗ-3101А.90.000, 1 шт***

* - установлен на станке

** - упаковка производится плотной полиетиленовой пленкой.

*** - оснастка транспортируется отдельно или частинично устанавливается на верстат.


Опис роботи електроустаткування

Пульт керування трубогибочного верстата УГС 6/1А

Пульт керування трубогибочного верстата УГС 6/1А

Пульт керування трубогибочного верстата УГС 6/1А. Дивитись у збільшеному масштабі



Схема електрична принципова трубогибочного верстата УГС 6/1А

Схема електрична контроллера трубогибочного верстата УГС 6/1А

Схема електрична принципова трубогибочного верстата УГС 6/1А. Дивитись у збільшеному масштабі



Схема електрична принципова представлена на Рис. 9.

Пульт керування верстатом представлен на Рис. 3.

Верстат подключается к трехфазной сети переменного тока, напряжением 380 В, 50 Гц і заземляется.

Общее увімкнення і відключення живлення производится автоматическим выключателем QF1 поз. 16 рис. 1, который расположен на правой стороне електрошафи, при етом на ПУ активируется подсветка ЖК-дисплея.

Привід обертання осуществляется от трехфазного асинхронного двигуна М 1.

Керування вращением возможно в толчковом режиме кнопками SB2 «Вперед» і SB3 «Назад» на пульті керування.

Выбор керуванням верстата в ручном или автоматическом режиме осуществляется переключателем режимов SA. При включении ручного режима, робота производится кнопочными выключателями SB2, SВЗ.

При выборе автоматичного режима робота верстата производится з кнопочного выключателя. SB7 - «цикл», при етом кнопки SB2, SВЗ отключены.

Система керування верстатом состоит из микропроцессорной системы керування MKU_l_2, модуля твердотельных реле (МТР) і абсолютного енкодера поз. l рис. 4. В автоматическом режиме угол гиба задается на ПУ кнопками SB4, SB5 - в пределах угла от 0°до 200°, информация отображается на ЖК-дисплее в верхней строке. Система керування позволяет задавать от 1 до 5 углов rиба, значения которых сохраняется після виключення живлення верстата. Переход между заданными углами производится кнопкой SB6. В нижней строке отображается текущее значение угла поворота.

Запуск автоматичного цикла производится кнопкой SB7, при етом микропроцессорная система керування контролирует текущее положение каретки по данным поступающим з енкодера. При достижении значения угла заданного оператором происходит быстрое торможение двигуна до полной остановки. После полной остановки происходит реверсивное вращение двигуна. Каретка устанавливается в исходное положение.

Вращение каретки ограничено программно, а также дополнительным путевым выключателем SQ1 поз. 2 рис. 4. Путевой выключатель работает в аварийном режиме, в случае отказа енкодера. При замыкании контактов путевого выключателя вращение двигуна прекращается, на время входа і выхода "лепестка" поз. 3 рис. 4 в зону замыкания контактов SQl. При аварийном выходе из зоны срабатывания путевого выключателя вывод каретки возможен только з аварийных кнопок платы МТР рис. 9 лист 3.

Захист електроустаткування

Силовые ланцюги защищены автоматическим выключателем QF1.

Ланцюги живлення системы керування защищены предохранителями FU1 і FU2.

Корпус верстата должен быть заземлен согласно действующим правилам і нормам.




УГС 6/1А Трубогиб напівавтоматический. Відеоролик.





Технічні характеристики трубогиба електромеханического УГС 6/1А

Наименование параметра ИВ3428 УГС 6/1А
Наибольшие розміри изгибаемой трубы з пределом текучести δт=250 МРа (25кгс/мм2)
Наружный диаметр D в стандартной комплектации, мм 25..76 21,3..60
Толщина стенки S, мм 4,5
Внутренний радиус гибочного инструмента R, мм 36,6..320
Угол поворота гибочного инструмента, град 210° 180°
Електроустаткування і привод
Количество електродвигателей, кВт 1 1
Електродвигун головного приводу М1, кВт 7,5 3
Габарит і масса пресса
Габарит (длнна х ширина х высота), мм 3485 х 1370 х 1355 765 х 610 х 1100
Масса пресса, кг 1250 320







Мозг - замечательный орган. Он начинает работать з того момента, как ты проснулся, і не останавливается пока ты не пришел на работу.

Закон Мерфи