metalinstryment.com
Довідник по металорізальних верстатів та пресовому обладнанні

ЭПУ 2-2 Электроприводы тиристорные реверсивные бестрансформаторные
Пристрій, неисправности і способы их устранения

Электропривід тиристорный реверсивный бестрансформаторный <








Электроприводы ЭПУ2-2: пристрій, неисправности і способы их устранения. Автор Я. Б. Розман (г. Москва)

Описано пристрій распространенного тиристорного електропривода, рассмотрены основні неполадки і методы их устранения.






ЭПУ2 Преобразователи однофазные тиристорные. Назначение і область применения

Электроприводы тиристорные однофазные реверсивные і нереверсивные постоянного тока серии ЭПУ2-2 широко применяются в приводах подач верстатів (включая і верстати з ЧПУ), транспортных устройств і других машин і механізмов в качестве комплектующих изделий.

В настоящее время однофазные електроприводы серии ЭПУ2-2...Е і ЭПУ2-2...М унифицированные сняты з производства і заменены на БОТ.

Электроприводы предназначены для создания регулируемых приводов мощностью до 43 кВт различных производственных механізмов, в том числе для приводов подачі верстатів, роботов і манипуляторов. Питаются от однофазной сети переменного тока частотой 50 или 60 Гц.

Электроприводы бывают з обратной связью по ЭДС ЭПУ2-2...Е (по напряжению з IR-компенсацией) і з обратной связью по частоте ЭПУ2-2...М (с тахогенератором).

В комплект поставки електроприводу входят:


Тиристорные реверсивные бестрансформаторные електроприводы (ЭП) рассчитаны:

В состав електроприводов ЭПУ2-2* входят:

Силовая часть блока керування подключается к питающей сети через коммутационный (сетевой) реактор і предохранители, выполняющие защиту модулей от токов короткого замыкания і длительных перегрузок. Реактор снижает нелинейные искажения, вносимые ЭП в питающую сеть, исключает взаимное влияние ЭП при их одновременной работе от общей сети. Кроме того, ети реакторы ограничивают коммутационный ток через модули силовой частини і тиристоры, снижают скорость нарастания тока di/dt, что увеличивает надежность роботи силових полупроводниковых приборов. Коммутационные реакторы имеют исполнения на силу тока 5, 10 і 25 А. Для защиты от коротких замыканий в цепях керування і возбуждения используются предохранители.

Фото електроприводу ЭПУ 2-2

Фото електроприводу ЭПУ 2-2

Фото електроприводу ЭПУ 2-2. Дивитись у збільшеному масштабі




Электропривід ЭПУ2-2 исполнения М

Функциональная схема електроприводу ЭПУ 2-2..М

Функциональная схема електроприводу ЭПУ 2-2..М

Функциональная схема електроприводу ЭПУ 2-2..М. Дивитись у збільшеному масштабі



Функциональная схема ЭП исполнения М приведена на рис. 1. Электропривід ЭПУ2-2 представляет собой замкнутую систему, в которой регулювання скорости і направления обертання двигуна производится изменением напряжения і его знака на якоре. Основным елементом ЭП является блок керування БС 3201, в котором происходит выпрямление переменного напряжения питающей сети і осуществляются все необходимые функции по управлению двигателем. Регулювання скорости ЭП производится задатчиком скорости или внешним задающим пристрійм. На якорь двигуна М через сглаживающий реактор СР подается выпрямленное напряжение.

Схема керування ЭП выполнена по одноконтурной структуре з ПИ-регулятором (пропорционально-интегральным регулятором) скорости і жесткой отрицательной обратной связью по току, поступающей через систему импульсно-фазового керування СИФУ на вход управляемого выпрямителя і обеспечивающей высокие динамические качества системы в режиме непрерывного тока. При таком схемном решении используется нереверсивный датчик тока.

Для обеспечения высокого качества переходных процессов в режиме прерывистого тока производится линеаризация регулировочной характеристики управляемого выпрямителя, которая достигается введением в канал регулювання нелинейного звена НЗ з коеффициентом передачи, обратным коеффициенту усиления управляемого выпрямителя в режиме прерывистого тока. Суммарный сигнал керування равен

Uу = КнзUРС + UЕ,

где Кнз — коеффициент нелинейного звена;

UРС — напряжение регулятора скорости;

UЕ — ЭДС.

На выходе сумматора включен переключатель характеристики ПХ, согласующий знак напряжения керування з напряжением однополярной СИФУ.

Выбор направления тока осуществляется логическим переключающим пристрійм ЛПУ в функции полярности напряжения регулятора скорости PC. Напряжение PC определяет выходной ток. Блокировка ЛПУ при наличии тока в силовой ланцюги осуществляется датчиком проводимости ДПр, который дает информацию о наличии напряжения на силових елементах. Питание внутренних елементів осуществляется от стабилизированного источника ИП. Обмотка возбуждения мотора ОВМ подключается к стабилизированному источнику возбуждения машин ИВМ.

СИФУ построена по принципу "вертикального" керування і состоит из фильтра синхронизирующего напряжения, пороговых елементів, генератора пилообразного напряжения, нуль-органа, на входе которого сравниваются сигналы генератора напряжений керування і смещения формирователя длительности импульсов.

Распределение управляющих импульсов производится распределителем импульсов, на вход которого поступают в логической форме наступні сигналы: синхронизация з питающей сетью, выход ЛПУ (В — "вперед" і Н— "назад") і сигнал з формирователя длительности импульсов СИФУ. Импульс формируется при совпадении всех перечисленных сигналов, при етом ЛПУ блокируется.





Электропривід исполнения Е

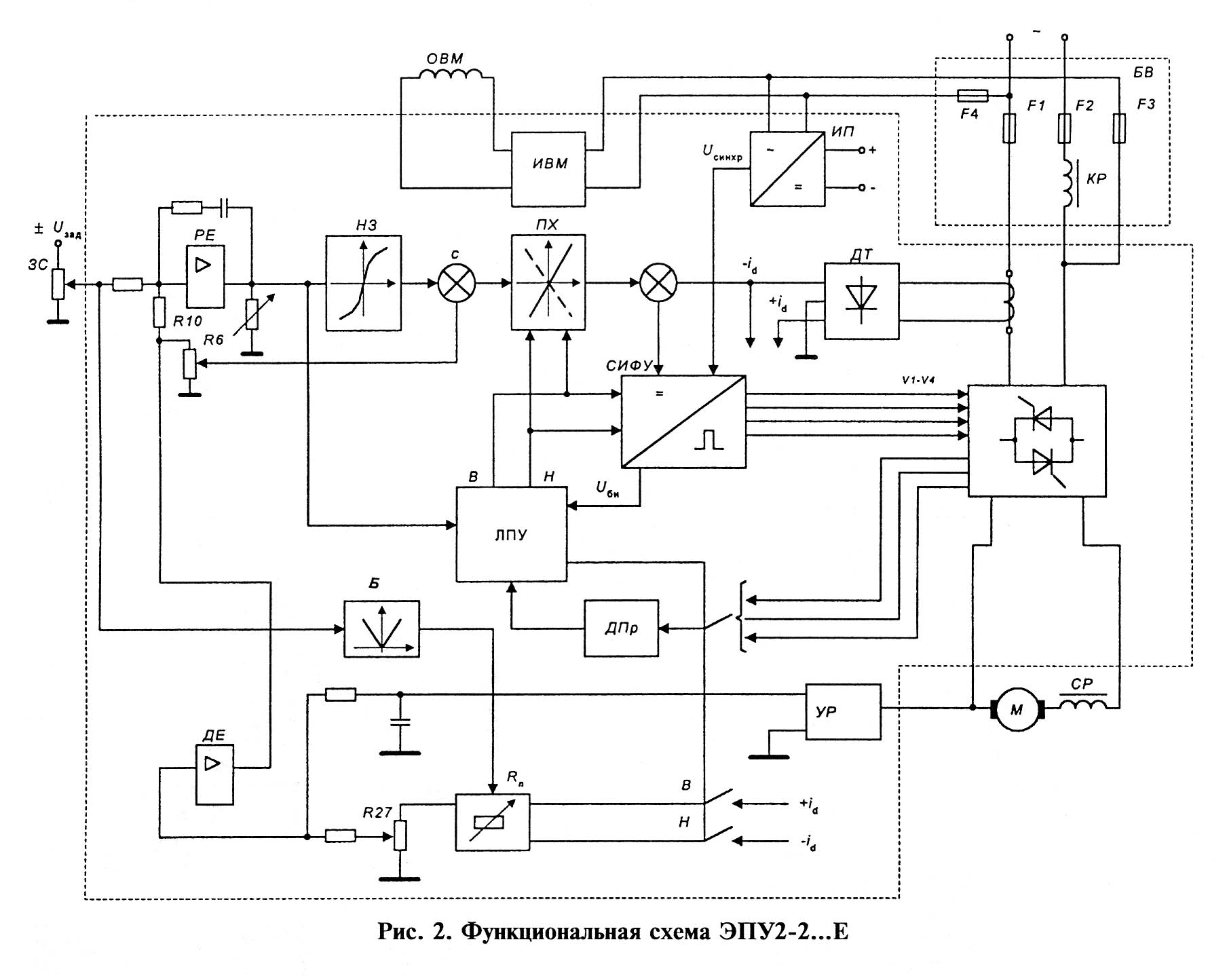
Функциональная схема електроприводу ЭПУ 2-2..Е

Функциональная схема електроприводу ЭПУ 2-2..Е

Функциональная схема електроприводу ЭПУ 2-2..Е. Дивитись у збільшеному масштабі



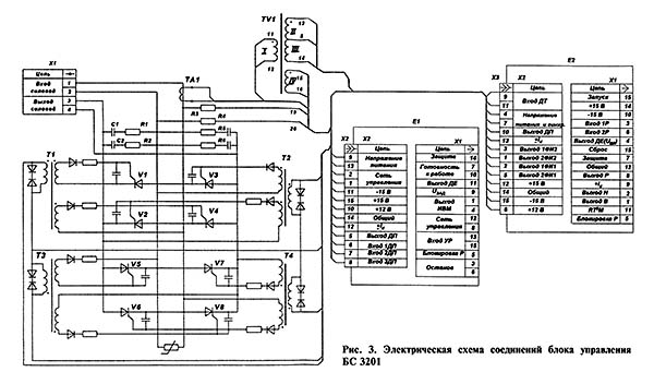
Електрична схема з'єднань блока керування БС 3201

Електрична схема з'єднань блока керування БС 3201

Електрична схема з'єднань блока керування БС 3201. Дивитись у збільшеному масштабі



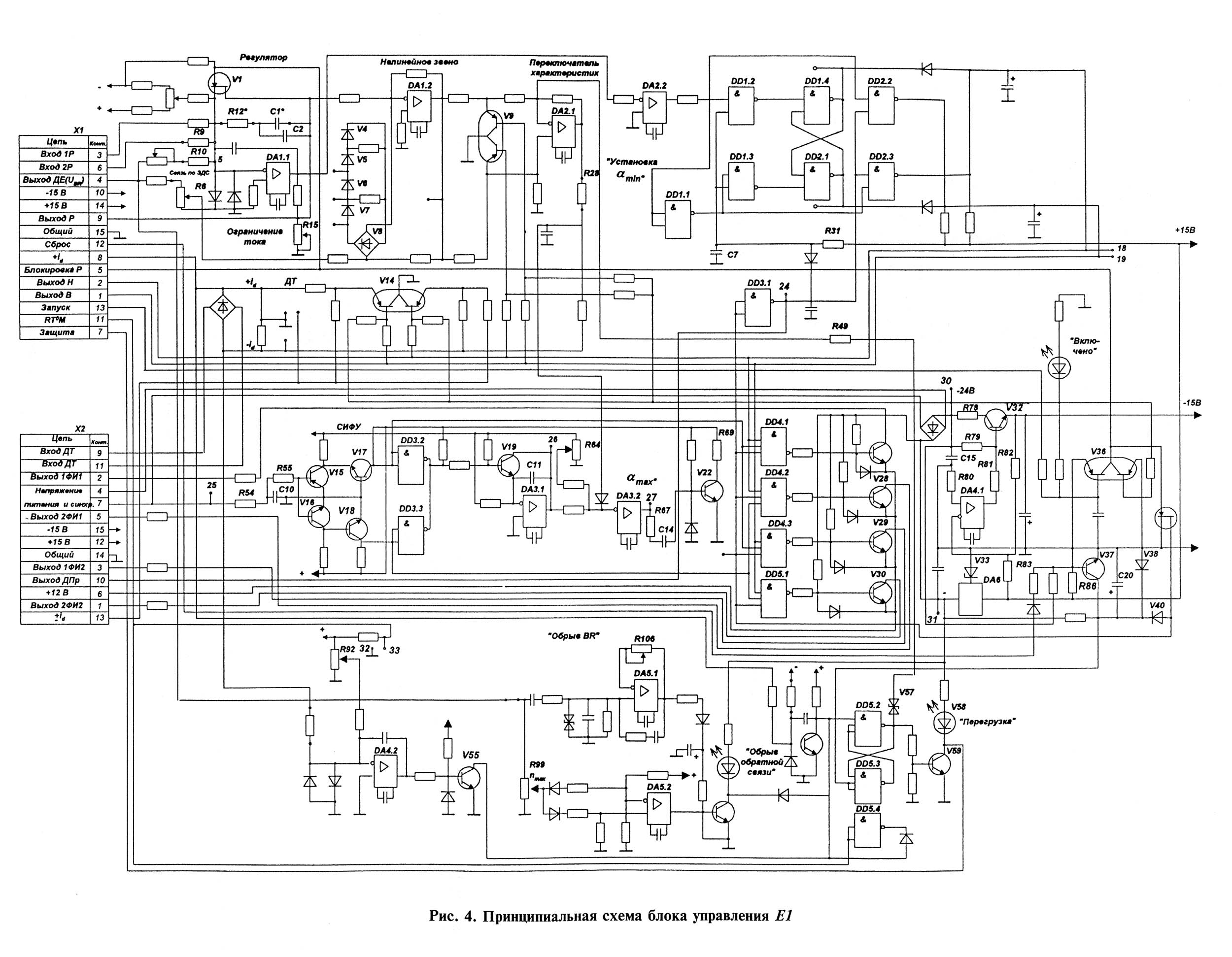
Принципиальная схема блока керування Е1

Принципиальная схема блока керування Е1

Принципиальная схема блока керування Е1. Дивитись у збільшеному масштабі



Функциональная схема ЭП исполнения Е (для двигателей без тахогенератора) приведена на рис. 2. В ЭП з обратной связью по ЭДС двигуна применен принцип параметрического выделения ЭДС по сигналам напряжения і тока двигуна (IR-компенсация).

На вход датчика ЭДС поступают отфильтрованный сигнал (через узел гальванической развязки УР) і сигнал з датчика тока ДТ. Сигнал з датчика тока устанавливается потенциометром R27 при малой скорости двигуна. Для обеспечения устойчивости на скоростях, близких к номинальной, введено ослабление указанного сигнала в функции Uзад посредством применения модуля Б і управляемого делителя токовой связи Rп. В остальном схема аналогична схеме на рис. 1.

Електрична схема соединения блока керування БС 3201 приведена на рис. 3. Блок керування БС 3201 состоит из силовой частини і системы керування. Система керування содержит блоки керування Е1 і Е2.

Силовая часть керування БС 3201 выполнена в виде реверсивного мостового управляемого выпрямителя на оптотиристорных модулях или на тиристорах V1... V8. Трансформатор тока ТА1 используется в качестве датчика тока. Импульсные трансформаторы Т1...Т4 формируют сигналы керування тиристорами.

Схема принципова блока керування Е1 приведена на рис. 4. Она состоит из следующих функциональных вузлів і елементів:

  1. регулятора DA1.1
  2. нелинейного звена DA1.2
  3. переключателя характеристики DA2.1

образующих прямой канал системы авторегулювання, елемента сравнения DA2.2 і вузлів раздельного керування DD1 і DD2, входящих в состав ЛПУ (см. рис. 2), одноканальной СИФУ, вузла живлення і защиты.

На вход ПИ-регулятора поступают сигналы задания і отрицательной обратной связи. Нелинейное звено одновременно является сумматором. Потенциометром R6 задается сигнал положительной обратной связи по ЭДС двигуна. При полной компенсации внутренней обратной связи двигуна напряжение на выходе регулятора определяет только ток двигуна. При етом резистором R15 осуществляется налаштування токоограничения в переходных режимах. Переключатель характеристик представляет собой инвертор-повторитель, управляемый через ключи V9 выходными сигналами ЛПУ.

Элементы R2* і С1* регулятора подбираются в зависимости от параметров двигуна при наладке ЭП. Характеристика нелинейного звена определяется числом диодов в нелинейном делителе (V4...V8), її можно изменять при наладке, закорачивая диоды V6, V7.

Минимальный выходной ток переключателя (усилителя DA2.1), определяющий минимальный угол керування αmin и, следовательно, максимальное выпрямленное напряжение Umax, ограничивается резистором R28.

Узел раздельного керування включает в себя: логический инвертор (DD1.1) і елементы совпадения И—НЕ (DD1.2 і DD1.3); триггер истинного положения (DD1.4 і DD2.1); елементы совпадения И—НЕ (DD2.2 і DD2.3); елементы задержки на переключение ЛПУ (В31, С7).

Выходной сигнал регулятора поступает на вход высокочувствительного елемента сравнения, устанавливая его в положение "логической 1" при отрицательной полярности і в положение "логического 0" — при положительной. Прохождение сигнала елемента сравнения на триггер истинного положения происходит при разрешающем сигнале "1" (точка 24).

При работе в определенном направлении ("вперед" или "назад") триггер истинного положения і елементы DD2.2 і DD2.3 установлены так, чтобы на выходе одного из елементів совпадения (DD2.2 или DD2.3) был сигнал "1", на выходе другого — "0". При наличии тока в силовой ланцюги ДПр "зануляет" точку 24, запрещая прохождение управляющего сигнала на триггер. При етом сигналы на выходе ЛПУ соответствуют состоянию триггера истинного положения ТИП.

При переключении регулятора (следовательно, і выхода нуль-органа НО) триггер і елементы совпадения DD2.2, DD2.3 остаются в прежнем состоянии до момента спада силы тока в силовой ланцюги до нуля. Как только в точке 24 появится сигнал "1", елементы DD2.2, DD2.3 переключатся в новое положение, а триггер будет удерживаться в прежнем положении, так как напряжение на С7 соответствует "логическому 0".

При рассогласованном положении триггера і елементів DD2.3 выход ЛПУ нейтрален, т. е. в точках 18 і 19 — "логический 0". Конденсатор С7 начинает заряжаться через резистор R31, і після его заряда до "логической 1" елементы DD1.2 і DD1.3 переключат триггер истинного положения в новое положение (согласованное). На одном из выходов ЛПУ появляется сигнал "1" — начинается робота в другом направлении.

Таким образом, при смене направления протекания тока выдерживается бестоковая пауза (управляющие импульсы не формируются), что повышает надежность роботи силовой частини.

Если в течение паузы на НО поступит команда возврата в прежнее положение, то DD2.2 і DD2.3 переключатся обратно (в соответствии з триггером истинного положения), і сразу разрешается формирование управляющих импульсов.

СИФУ имеет одноканальное виконання і управляется однополярным напряжением по принципу "вертикального" керування.

Синхронизирующее напряжение поступает от трансформатора живлення на фильтр (R54, С10, R55), фильтруется і сдвигается на угол φ = 20...30°. Затем оно поступает в блок синхронизации, состоящий из пороговых елементів (транзисторы V15, VI7 і V16, V18), в котором преобразуется в противофазные логические сигналы. Эти сигналы подаются на входы елементів И—НЕ, DD3.2 u DD3.3, на объединенном выходе которых в момент перехода отфильтрованного синхронизирующего напряжения через ноль вырабатываются узкие синхронизирующие импульсы. Эти импульсы поступают на вход генератора пилообразного напряжения ГПН (V19, С11, DA3.1). Частота опорного напряжения СИФУ 100 Гц (для сети частотой 50 Гц). Напряжение з ГПН подается на вход елемента сравнения (DA3.2). Выходной сигнал з DA3.2 поступает на формирователь длительности, реализованный на елементах R67, С14, R69, V22, і далее на распределитель импульсов DD4...DD5.1.

Как указывалось выше, на каждый елемент совпадения подаются: логический сигнал синхронизации з сетью (с транзистора V17 или VI8), управляющий фазовый сигнал СИФУ, сигнал з выхода ЛПУ. Если післяднее включено в условном направлении "назад" (на точке 19 — сигнал "1"), то управляющие импульсы формируются елементами DD4.3 і DD5.1. Ключи V27...V30 — усилители импульсов. Длительность управляющих импульсов определяется временем перезаряда цепочки R67, С14 і составляет от 10 до 30°.

Во время выдачи импульса елемент DD3.1 блокирует переключение ЛПУ.





Узел живлення і защита

Узел живлення содержит двухполярный источник ±24 В, предназначенный для живлення ланцюгів смещения, сигнализации і получения стабилизированных напряжений ±15 В для живлення микросхем і ланцюгів смещения. Для получения напряжения + 15 В используется интегральный стабилизатор DA6 з опорным стабилитроном V33. Стабилизатор симметричного отрицательного напряжения (—15 В) построен по компенсационной схеме на елементах DA4.1, V32, R78...R83.

Узел защиты ЭП от обрыва ланцюги тахогенератора основан на схеме RС-генератора з мостом Вина (DA5.1). В нормальном режиме генератор отключен; при обрыве ланцюги обратной связи генератор переходит в режим колебаний (налаштування осуществляют резистором R106), открывает ключ DA5.2, переключая общий триггер защиты DD5.2 і DD5.3.

Если скорость ЭП превышает допустимое значение, устанавливаемое резистором R99, то переключится компаратор DA5.2, что также приведет к срабатыванию защиты.

При использовании двигуна со встроенным терморезистором з положительным коеффициентом (позистором) обеспечивается защита двигуна от превышения температуры з помощью елемента DD3.4 (на рисунке не указан) і общего триггера. При отсутствии позистора устанавливается перемычка 32—33.

Для защиты двигуна от превышения температуры при длительной перегрузке применен известный узел времятоковой защиты на интеграторе DA4.2 (налаштування з помощью резистора R92).

Для ограничения длительности протекания аварийных токов в силовой частини применен узел "сеточной" защиты на ключе V55 і триггере, выполненном на елементах DD5.3, DD5.2. Ток отрицательного смещения определяет уставку срабатывания. Если сигнал з датчика тока превысит ток смещения, ключ откроется і переключит триггер, установленный в "0", конденсатором С20. При етом сигнал "логическая 1" триггера принудительно установит на выходе переключателя характеристик ПХ (через стабилитрон V57 і резистор R49) "логический 0", обеспечив увеличение угла керування до αmах, одновременно откроется ключ ланцюги сигнализации V59.

Для обеспечения надежной безаварийной роботи ЭП в блоке реализованы наступні блокировки: выдержка при включении блока, снятие импульсов і блокировка регулятора при снижении напряжения сети.

При подаче напряжения живлення блокируются регулятор і входы распределителя импульсов (соответственно через ключи V36, V1 і диод V40). После выдержки часу примерно 400 мс (заряд конденсатора С20) блокировки снимаются.

Для устранения дрейфа выходного напряжения регулятора DA1.1 при отключенном задатчике скорости применено блокирующее пристрій з закорачиванием ланцюги обратной связи регулятора. При подаче живлення открывается правый транзистор V36 і открывает ключ V1, шунтирующий RC-ланцюг ПИ - регулятора і осуществляющий блокировку выдачи импульсов.

После заряда конденсатора С20 і "пробоя" стабилитрона V38 правый ключ V36 закроется, но уже будет открыт левый ключ через R86. Ключ V1 закроется напряжением —15 В після подачі положительного напряжения на вход блока "Запуск" (одновременно з подключением задатчика), так как закроется левый ключ V36. После етого регулятор начинает работать.

При отключении задатчика скорости левый ключ V36 откроется після перезаряда конденсатора С19 — етим создается выдержка часу для рекуперативного торможения двигуна.

При снижении напряжения сети открывается ключ V37, і "снимаются" управляющие импульсы. После восстановления напряжения сети робота системы регулювання і СИФУ возобновится після некоторой выдержки часу (как при включении).


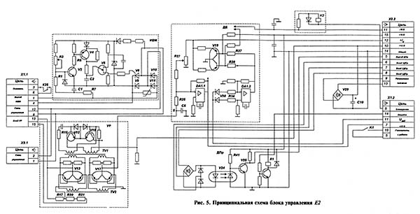
Принципиальная схема блока керування Е2

Принципиальная схема блока керування Е2

Принципиальная схема блока керування Е2. Дивитись у збільшеному масштабі



Електрична схема з'єднань електроприводу серии ЭПУ 2-2..Е

Електрична схема з'єднань електроприводу серии ЭПУ 2-2..Е

Електрична схема з'єднань електроприводу серии ЭПУ 2-2..Е. Дивитись у збільшеному масштабі



Електрична схема з'єднань електроприводу серии ЭПУ 2-2..Е

Електрична схема з'єднань електроприводу серии ЭПУ 2-2..Е

Електрична схема з'єднань електроприводу серии ЭПУ 2-2..Е. Дивитись у збільшеному масштабі



Принципиальная схема блока керування Е2 приведена на рис. 5 і включает в себя возбудитель ИВМ, датчик проводимости, источник напряжения + 12 В (дополнительно для ЭП исполнения Е: узел развязки УР і датчик ЭДС ДЕ).

Источник возбуждения двигуна ИВМ выполнен стабилизированным і обеспечивает изменение напряжения на нагрузке не более ±2 % при колебаниях напряжения сети в пределах (0,9...1,1)UНОМ. В зависимости от напряжения сети і напряжения на обмотке возбуждения силовая часть ИВМ выполняется в двух варіантах. При напряжениях сеть/ОВМ 220...240/110 і 380...440/220 В применяется однофазная асимметричная схема — один тиристор V8 і три диода V9, V10 і V11, а при напряжениях 380...440/110 В — однополупериодная асимметричная схема: тиристор V8 і диод V9. В післяднем случае диоды V10, V11 отсутствуют. Система керування ИВМ включена параллельно тиристору і работает по принципу заряда конденсатора С2 до напряжения пробоя порогового елемента V5 з післядующим разрядом его на управляющую ланцюг тиристора.

Регулювання тока заряда конденсатора С2 осуществляется предварительным усилителем (V2, V4), на вход которого подаются регулируемое напряжение задания і отфильтрованное напряжение обратной связи (R7,C1, R1). Для ограничения перенапряжений со стороны нагрузки применен варистор.

Узел развязки УР предназначен для гальванической развязки силовой частини і ланцюгів системы регулювання з целью получения на выходе напряжения, пропорционального напряжению двигуна. Узел развязки УР выполнен по схеме модулятор-демодулятор і содержит высокочастотный (5 кГц) автогенератор на ключах V12, V15, трансформаторы TV1 і TV2, модулятор V13 і демодулятор V17. Входной сигнал поступает з делителя R17, R20, R21, подключаемого к якорю двигуна. Коеффициент передачи УР близок к единице. Рабочий (линейный) участок характеристики вход-выход ограничен напряжением ±5 В.

Узел датчика ЭДС ДЕ состоит из сумматора (усилитель DA1.1) і додаткових елементів, обрабатывающих сигналы, пропорциональные напряжению і току двигуна. Элементы С5, R25 образуют фильтр.

При необходимости потенциометром R27 производится подстройка ДЕ (при вращении на малой скорости ЭП затормаживают і устанавливают на выходе DA1.1 среднее значение напряжения равным нулю).

Для обеспечения устойчивой роботи ЭП на скоростях, близких к номинальной, степень токовой связи дважды дискретно уменьшается ключами VI8 по мере увеличения сигнала задания. На усилителе DA1.2 собран выпрямитель. Уровни переключения ступеней уменьшения токовой связи определяются резисторами R37, R38.

Датчик проводимости работает по принципу контроля напряжений на вентилях силовой частини. Гальваническая развязка выполнена на оптроне V24.

При отсутствии тока в силовой ланцюги (все вентили закрыты) через светоизлучающий диод оптрона V24 протекает ток, ограниченный резисторами R3, R4 силовой частини. Транзистор V25 закрыт, так как фотодиод оптрона шунтирует его базо-емиттерный переход.

Если откроется одна из пар силових вентилей, то она зашунтирует один из выходов ДПр (2ДПр или ЗДПр). Тока в ланцюги оптрона V24 не будет, ключ V25 откроется і заблокирует ЛПУ(в блоке Е1).

Источник напряжения +12 В (V29 і С10) предназначен для живлення автогенератора вузла развязки УР (в виконанні Е) і ланцюгів керування силових вентилей (модулей).

Герконовые реле К1 і К2 (для исполнения М) предназначены для обеспечения связи ЭП з внешним пристрійм керування, например з системой ЧПУ. Реле К1 выключается при перегрузке ЭП (V58 в блоке Е1), реле К2 срабатывает при блокировке регулятора в блоке Е1.

Через сглаживающий реактор СР к преобразователю (см. рис. 2) подключается якорь двигуна М. Сглаживающий реактор обеспечивает коеффициент использования двигуна 0,8, ограничивает пульсации напряжения, обеспечивает улучшение коеффициента формы тока двигуна, что снижает его нагрев і улучшает использование двигуна по моменту і мощности. Эти реакторы имеют исполнения на силу тока 5, 10 і 25 А.


Подготовка ЭПУ 2-2 к работе

Блоки керування і ввода монтируют в вертикальном положении в шкаф или нишу верстата, внутри которых температура не должна быть выше 45°С. Сглаживающий реактор устанавливают не ближе 0,3 м от блока керування.

Двигатель устанавливают в соответствии з инструкцией по его експлуатации. Перед монтажом ЭП выдерживают при температуре производственного помещения в течение 6 ч. При монтаже ЭП следует обратить особое внимание на надежность заземления корпуса двигуна, сглаживающего реактора, блока ввода.

Подсоединение выводов тахогенератора і задатчика скорости выполняют проводами з высоким сопротивлением изоляции, попарно скрученными з шагом до 20 мм. При длине более 10 м провода необходимо екранировать.

Силовые ланцюги і ланцюги керування должны быть уложены в разные жгуты, исключающие електромагнітні наводки.

Подключение ЭП должно выполняться в соответствии з ПУЭ. Предварительно необходимо произвести осмотр конструктивных блоков, обратив особое внимание на прочность болтовых з'єднань токоведущих частин і отсутствие повреждений пайки внутренних монтажных з'єднань. Подключение ЭП следует производить согласно схемам внешних з'єднань (рис. 6, 7).

На схемах приведен один из возможных варіантівпостроения вузла керування ЭП (обведен штриховой линией).





Наладка електроприводу ЭПУ2-2

Напряжение живлення в контрольных точках блока Е1

Напряжение живлення в контрольных точках блока Е1


При удаленном предохранителе вводного пристроя FU1 і подключении ЭП к питающей сети проделать следующее:

По известному коеффициенту передачи тахогенератора KBR выбрать сопротивление резистора R10 (блок Е1):

R10 = 0,27 KBRnH0M.

Установить предохранитель FU1, отключить обмотку возбуждения двигуна. Резистор R15 установить в крайнее положение по часовий стрелке (минимальное значение). Резистор R6 установить в среднее положение. Подключить ЭП к сети і убедиться, что сигнал в точке 24 блока Е1 соответствует диаграмме напряжений.

Установить напряжение задания примерно 0,5...1 В, включить узел керування (в любое положение). Вращая резистор R15 против часовий стрелки, установить ток отсечки, равный номинальному току двигуна. Отключить ЭП от сети. Подключить обмотку возбуждения двигуна. Включить ЭП.

Установив минимальное задание скорости задатчиком, включить узел керування (в любое положение). При неконтролируемом возрастании скорости двигуна до номинальной і более поменять местами провода подключения тахогенератора или обмотки возбуждения (только для ЭПУ2-2...М), поменять провода, подключенные ко входу вузла развязки блока Е2 (для ЭПУ2-2...Е). При правильном монтаже двигатель должен вращаться з малой скоростью п « nном.

Настроить датчик ЭДС резистором R27(блок Е2) следующим образом. Застопорить вращающийся двигатель и, поворачивая R27, установить среднее значение напряжения в точке 6 равным нулю. При етом указанное напряжение должно мати гладкую форму (подстройка изменением емкости конденсатора С5).

Реверсируя двигатель на скорости п « 0,1nном, добиться симметричной диаграммы сигнала тока якоря, близкой к прямоугольной, з помощью резистора R6 блока Е1 (регулировка положительной связи по ЭДС) і установить резистором R15 требуемый ток отсечки (не более 4Iном).

Установить скорость двигуна п ≈ 0,5nном и, реверсируя его, подстроить токовую диаграмму резистором R6.

Установить максимальное напряжение Uзад задатчиком, убедиться, что скорость двигуна равна номинальной (при необходимости подстроить резистором R3 блока Е1).

Проверить налаштування токовой отсечки при пусках, торможениях і реверсах двигуна.

При неудовлетворительном качестве переходных процессов (перерегулювання скорости больше 30 %; число колебаний скорости до выхода на установившееся значение более двух) і неустойчивой работе двигуна под нагрузкой (колебания тока якоря) необходимо експериментально подобрать сопротивление резистора R12, емкость конденсатора С1 блока Е1 (коррекция регулятора).

При невозможности добиться устойчивой роботи ЭП подбором указанных елементів необходимо увеличить сопротивление резистора R9 блока Е1 в 2 раза і вновь выбрать R12 і С1 (только для ЭПУ2-2...Е).

При значительной неравномерности обертання двигуна (коеффициент Кн более допустимых значений) необходимо дополнительно корректировать параметри RC-ланцюги регулятора (увеличивая R или уменьшая С). При етом также возможно подключение внешней RС-ланцюги параллельно резистору R10 в блоке Е1 (гибкая связь по скорости). Значения R і С определяются експериментально.

Характерные неисправности і методы их устранения приведены в табл. 2.


Неисправности електроприводу ЭПУ 2 і методы их устранения

Неисправности електроприводу ЭПУ 2 і методы их устранения

Неисправности електроприводу ЭПУ 2 і методы их устранения. Дивитись у збільшеному масштабі




Условные обозначения

Структура условного обозначения ЭПУ 2-2

ЭПУ 2 - Х1 - ХХ2 Х3 Х4 УХЛ4

Принятые обозначения физических величин

Принятые обозначения складових частин електропривода




Технічні характеристики електроприводу ЭПУ2-2





ЭПУ 2-2 Электропривод. Відеоролик.




    Список литературы:

  1. Электроприводы унифицированные реверсивные однофазные серии ЭПУ 2-2. Техническое опис і инструкция по експлуатации ИЖДЦ...654634.001 ТО, Чебоксары
  2. Электроприводы унифицированные реверсивные однофазные серии ЭПУ 2-2. Техническое опис і инструкция по експлуатации ИГФР...654634.001 ТО, Киев