metalinstryment.com
Довідник по металорізальних верстатів та пресовому обладнанні

К2130 Пресс однокривошипный простого дії открытый ненаклоняемый
схеми, опис, характеристики

Фото пресса однокривошипного простого дії открытого ненаклоняемого К2130



Прессы механические, прессы гідравлические, верстати поперечно-строгальные

Відомості про виробника однокривошипного пресса К2130

Производителем пресса однокривошипного является Барнаульский завод механических прессов, БЗМП, основанный в 1941 году.

Барнаульский завод механических прессов начал свою деятельность 7 октября 1941 года на базе оборудования евакуированных одесских заводов «Комсомолец» і завода имени XVI партсъезда.

В настоящее время однокривошипный пресс К2130 производит ПАО «Кувандыкский завод КПО «Долина» Оренбургская обл., г. Кувандык





Верстати, выпускаемые Барнаульским заводом механических прессов, БЗМП


К2130 пресс однокривошипный простого дії открытый ненаклоняемый. Назначение, область применения

Прессы однокривошипные простого дії открытые ненаклоняемые двухстоечные К2130 предназначены для изготовления деталей операциями холодной листовой штамповки: гибкой, вырубкой, пробивкой, неглубокой вытяжкой і т.д., в том числе в составе автоматизированных комплексов.

Однокривошипные прессы К2130 применяются на предприятиях различных отраслей промышленности, в цехах і на участках холодной листовой штамповки. Находят широкое применение при любом типе производства: мелкосерийном, серийном, массовом.

Прессы К2130 предназначены для роботи как на одиночных, так і на непрерывных ходух при оснащении их автоматическими подачами (роликовыми, валковыми, шиберными і др.).

Расчет усилий, необходимых для выполнения холодноштамповочных операций, рекомендуется производить, руководствуясь приведенной в паспорте пресса номограммой "усилие - ход" і справочниками по холодной листовой штамповке.

Величину допускаемых усилий на ползуне, в зависимости от угла поворота кривошипа, следует выбирать из графика допускаемых усилий на ползуне, помещенного в паспорте пресса.

Розміри штампуемого вироби на прессе определяются размерами штампового простору, величиной ходу ползуна і допускаемыми зусиллями на ползуне.

Прессы К2130 оборудованные автоматическими подачами могут использоваться в автоматических і поточных лініях.

Станина прессов К2130 литая чугунная коробчатой формы, воспринимает все зусилля, возникающие при штамповке.

Ползун, изготовленный из высокопрочного чугуна, коробчатой формы, з призматическими двусторонними направляющими. Левая направляющая регулируемая. Ползун снабжен предохранителем от перегрузки і клиновым пристрійм для выведения пресса из распора. Величина ходу ползуна регулируемая. В механізм регулировки введено кулачковое зацепление для сокращения часу на переналадку. Для устранения влияния массы ползуна і верхней половины штампа на работу прессов, а также для предотобертання произвольного опускания ползуна в аварийных ситуациях предусмотрены пневматические уравновешиватели.

Межштамповое пространство регулируется.

Привід ползуна — от електродвигуна через клиноременную передачу, маховик з вмонтированной в него муфтой-тормозом, і ексцентриковый вал.

Муфта-тормоз — жесткосблокированная, многодискова, фрикционная, з пневматическим включением; вмонтирована в маховик.

Електросхема блока керування выполнена бесконтактной і сдублированной. Предусмотрены контроль величины тормозного пути і керування системой змазки.

Электроблокировка і ограждения обеспечивают надежную работу і безопасное обслуговування прессов.

Особливості конструкції прессов К 2130

Дополнительное оснащение прессов К2130

Пресс состоит из следующих основних вузлів:

Для приводу рабочих органів пресса используется:


Обозначения моделей прессов


Основні технические данные однокривошипного пресса К2130:

Машина К2130 серийно выпускалась з 1973 года.

Разработчик - Барнаульский завод механических прессов, БЗМП, (ПО АлтайПрессМаш) г. Барнаул.

Изготовитель - Барнаульский завод механических прессов, БЗМП, (ПО АлтайПрессМаш) г. Барнаул, Фрунзенский машиностроительный завод им. В.И. Ленина.

Пресс К2130 изготовляется і поставляется в соответствии з ГОСТ 9408-83. Прессы однокривошипные простого дії открытые. Параметри і розміри. Нормы точності.



Обозначение кривошипных прессов

Значения первых двух цифр в обозначениях кривошипных прессов:

За двумя первыми цифрами следуют еще две цифры, обозначающие номинальное усилие пресса, а затем буква, которая показывает его модификацию в группе прессов данного вида.


Значения основного параметра (номинальное усилие пресса) в обозначениях прессов:

Таблиця 1. Обозначение основного параметра пресса

Обозн. пресса Усилие пресса, кН Обозн. пресса Усилие пресса, кН Обозн. пресса Усилие пресса, кН Обозн. пресса Усилие пресса, кН
14 25 кН 20 100 кН 30 1000 кН 40 10000 кН
15 31,5 кН 21 125 кН 31 1250 кН 41 12500 кН
16 40 кН 22 160 кН 32 1600 кН 42 16000 кН
18 63 кН 23 200 кН 33 2000 кН 43 20000 кН
24 250 кН 34 2500 кН 44 25000 кН
25 315 кН 35 3150 кН 45 31500 кН
26 400 кН 36 4000 кН 46 40000 кН
28 630 кН 38 6300 кН 48 63000 кН

Пример обозначения механических прессов:


Габаритные розміри робочого простору пресса К2130

К2130 Габаритные розміри робочого простору однокривошипного пресса К2130 открытого ненаклоняемого

Габаритные розміри робочого простору пресса К2130


К2130 Установчі розміри однокривошипного пресса К2130 открытого ненаклоняемого

Установчі розміри однокривошипного пресса К2130


Загальний вигляд однокривошипного пресса К2130

К2130 Загальний вигляд  кривошипного открытого ненаклоняемого пресса

Фото однокривошипного пресса К2130


Загальний вигляд однокривошипного пресса К2130

К2130 Загальний вигляд  кривошипного открытого ненаклоняемого пресса

Фото однокривошипного пресса К2130


Розташування органів керування однокривошипным прессом К-2130

К-2130 Органы керування однокривошипным прессом

Розташування органів керування прессом К-2130


Список кнопок керування однокривошипным прессом К-2130

  1. Двурукое увімкнення "Пуск"
  2. Пуск двигуна
  3. Загальний стоп
  4. Стоп непрерывного ходу

Режими роботи пресса К 2130

Штамповка штучных заготовок разрешается только при наличии защитного пристроя, исключающего нахождение рук в опасной зоне в период опускания ползуна. Ползун останавливается одновременно з прекращением нажима на кнопки і педаль.





Кінематична схема ненаклоняемого пресса К2130

К-2130 Кінематична схема однокривошипного открытого ненаклоняемого пресса

Кінематична схема однокривошипного пресса К2130

  1. ползун;
  2. вал главный ексцентриковый;
  3. тормоз муфты;
  4. електродвигатель;
  5. тормоз маховика;
  6. промежуточный вал;
  7. муфта;
  8. стол пресса;

Опис і регулировка основних вузлів однокривошипного пресса К2130

Станина отлита из чугуна. В верхней її частини расположены буксы головного вала, а на передньої частини — закреплены направляющие. Положение натравляющих і зазоры в них регулируются при помощи регулировочных болтов. Суммарный зазор должен быть в пределах 0,06..0,12 мм. Спереди, на боковых стенках крепятся упоры планки выталкивателя.

На рабочей плоскости стола закреплена подштамповая плита з вкладышем. Для крепления штампа на плите имеются Т-образные пазы. Внутри стола предусмотрено место для установки пневмоподушки.


Ползун однокривошипного пресса К2130

К2130 Ползун однокривошипного открытого ненаклоняемого пресса

Ползун однокривошипного пресса К2130

Ползун однокривошипного пресса К2130. Дивитись у збільшеному масштабі

Ползун пресса (рис. 7) коробчатой формы отлит из чугуна. На нижней плоскости ползуна имеются Т-образные пазы для крепления штампов.

В средней частини ползуна размещена планка выталкивателя. Наибольший ход планки — 45 мм. С головним валом ползун связан через шатун 3 і шток 7 з шаровой опорой. Необходимый зазор в шаровой опоре регулируется набором прокладок.

Опорой подпятника служит предохранительная шайба 8, рассчитанная на срез при перегрузках пресса.

Механізм регулировки позволяет изменять ход ползуна в пределах от 25 до 130 мм. При регулировке следует:

Регулировку штампового простору производить воротком при помощи храпового механізма 11. Стрелка на ручке указывает направление обертання штока. Для предотобертання самопроизвольного поворота механізма стрелку установить вертикально.

Шток фиксируется зажимами 10. Нижний предел регулировки ограничен фиксатором 9.


Привід однокривошипного пресса К2130

К2130 Привід однокривошипного открытого ненаклоняемого пресса

Привід однокривошипного пресса К2130

Привід (рис. 8) двухступенчатый з параллельным расположением валов. Рух от електродвигуна 4 к главному валу передається клиноременной передачей 10, зубчатой передачей 1 і муфтой увімкнення. Електродвигун установлен на салазках 9 на задньої частини станины.

Натяжение ремней регулируется гвинтами 5. Опори промежуточного вала 2, підшипники качения 3, установлены в станине.


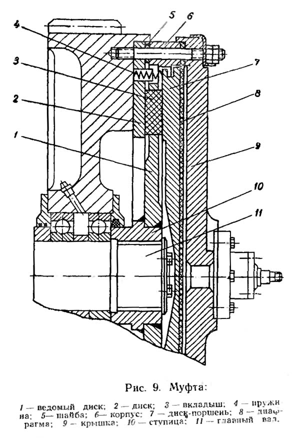
Муфта однокривошипного пресса К2130

К2130 Муфта однокривошипного открытого ненаклоняемого пресса

Муфта однокривошипного пресса К2130

Муфта (рис. 9) пневмофрикционная, однодискова.

Ведомый диск 1 з вкладышами 3 через ступицу 10 связан з головним валом 11. При включении муфты в полость между крышкой 9 і диафрагмой 8 подается сжатый воздух. Диафрагма нажимает на поршень 7, зацепленный зубьями з корпусом 6 і прижимает вкладыши 3 к диску 2, передавая рух на главный вал. При отключении полость муфты соединяется з атмосферой, давление падает: пружины 4 отжимают поршень от вкладышей і зубчатое колесо свободно вращается на валу.

Ход поршня должен быть в пределах 1,5..2,5 мм. Регулювання производится шайбами 5. Допустимый износ вкладышей 6..7 мм.


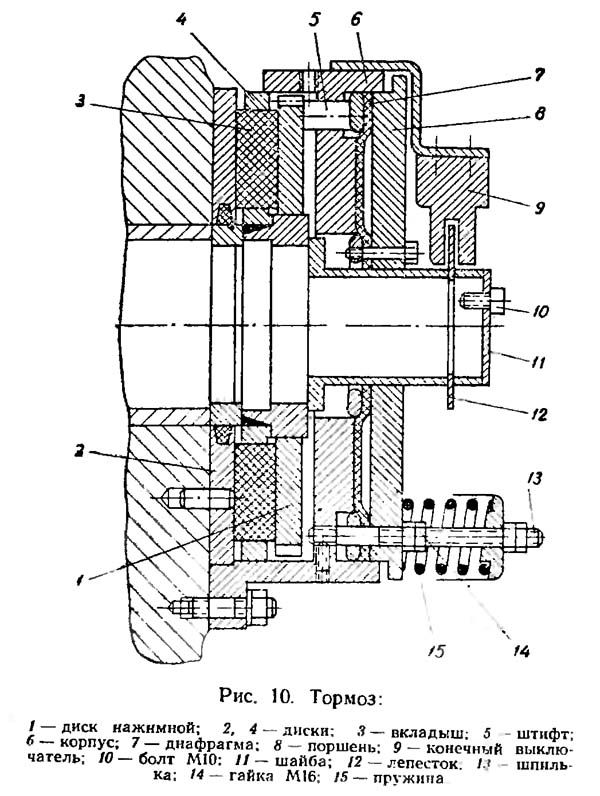
Тормоз однокривошипного пресса К2130

К2130 Тормоз однокривошипного открытого ненаклоняемого пресса

Тормоз однокривошипного пресса К2130

Тормоз (рис. 10) фрикционный, дисковый, з пневматическим растормаживанием.

Пружины 15 через поршень 8, штифты 5 і нажимной диск 1 прижимают фрикционные вкладыши 3 к диску 2, который прикреплен к станине. Вкладыши вставлены в диск 4, связанный з головним валом. При подаче сжатого воздуха в полость между поршнем і диафрагмой 7 происходит растормаживание.

Ход поршня 8 должен быть не более 1..1,5 мм. Регулювання осуществляется гайками 14, расположенными внутри пружин.

Момент остановки ползуна регулируется поворотом лепестка 12 (в зависимости от ходу ползуна) бесконтактного конечного выключателя 9.


Уравновешиватель ползуна

Уравновешиватель ползуна состоит из цилиндра, закрепленного на станине, і поршня, соединенного посредством штока з ползуном. Давление воздуха на поршень уравновешивает вес ползуна і выбирает зазоры в подвижных частях, что способствует надежной і долговечной работе машины

В случае неисправности тормоза исключена возможность опускания ползуна.


Воздухопровод

Воздухопровод (рис. 11). Из сети сжатый воздух поступает через вентиль В і фильтр Ф (влагоотделитель), из которого необходимо не реже одного раза в смену спускать воду. Вращением гвинта регулятора давления РДВ устанавливается необходимое рабочее давление в сети муфты і тормоза (4..4,5 кг/см2) і контролируется манометром ИД.

Предохранительный клапан КП отрегулирован на давление 6 кг/см2 і срабатывает при повышении давления.

Реле давления РД выключает пресс при падении давления ниже допустимого. Запас воздуха в ресивере Р компенсирует резкое падение давления при заполнении цилиндров муфты, тормоза і уравновешивателя. Через пробку П из ресивера необходимо периодически спускать конденсат.

Маслораспылитель МР в поступающий из ресивера воздух добавляет распыленное масло, которым смазывается распределитель воздуха РВ.

Распределитель воздуха РВ і воздухоподводящая головка Г создают следующую післядовательность роботи муфты і тормоза:


Тормоз маховика

Тормоз маховика (рис. 12) предназначен для быстрой остановки маховика при выключении електродвигуна. Используется при наладочных работах і в аварийных случаях.

При включении кнопкой Стоп воздушного клапана KB (рис. 11) воздух поступает в цилиндр 2 (рис. 12) тормоза маховика, вкладыш 3 прижимается к ободу маховика 4, затормаживая его вращение. Планка 1 ограничивает перемещение вкладыша.


Смазка

Смазка пресса производится в точках, указанных на рис. 13, согласно прилагаемой таблице.

Централизованная смазка производится от станції НРГ-М через дозирующие питатели.

Для подачі змазки к смазываемым точкам золотник станції НРГ-М ставят в одно из крайних положений (например, вдвигают до отказа. Качанием рычага смазку нагнетают в одну из магистралей.


Схема пневматическая однокривошипного пресса К2130

К2130 Схема пневматическая однокривошипного открытого ненаклоняемого пресса

Пневматическая схема однокривошипного пресса К2130

Схема пневматическая однокривошипного открытого ненаклоняемого пресса К2130. Дивитись у збільшеному масштабі


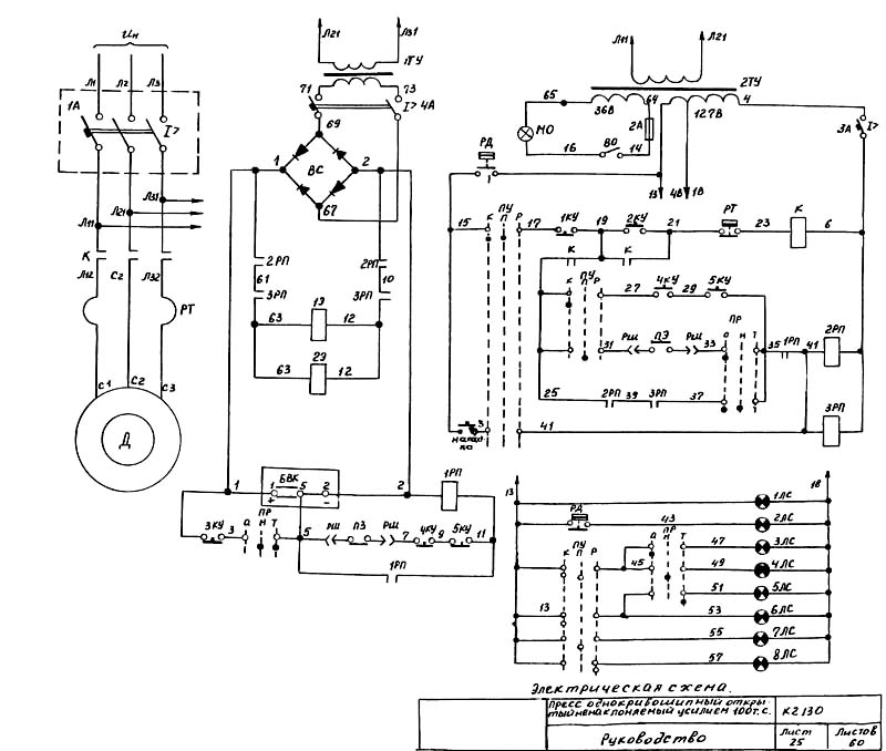
Схема електрична однокривошипного пресса К2130

К2130 Схема електрична однокривошипного открытого ненаклоняемого пресса

Електрична схема однокривошипного пресса К2130

Схема електрична однокривошипного открытого ненаклоняемого пресса К2130. Дивитись у збільшеному масштабі




К2130 Пресс однокривошипный открытый ненаклоняемый простого дії. Відеоролик.




Технічні характеристики пресса К2130Б, К2130В

Наименование параметра К2130 К2130Б К2130В КД2130
Основні параметри
Номинальное усилие пресса, кН (т) 1000 (100) 1000 (100) 1000 (100) 1000 (100)
Наибольший ход ползуна (штока), мм 25..130 10..130 10..130 10..130
Частота ходов ползуна непрерывных, 1/мин 80 100 72 72
Частота ходов ползуна одиночных от кнопки, 1/мин 45 45 45
Розміри стола, мм 850 х 560 850 х 560 850 х 560 850 х 560
Розміри отверстия в столе, мм 420 х 280 420 х 280 420 х 280 420 х 280
Диаметр отверстия в столе, мм 360 360 360 360
Наибольшее расстояние между столом і ползуном в его нижнем положении - закрытая высота пресса, мм 400 280..560 400 390
Расстояние от оси штока до станины (вылет), мм 320 320 320 320
Величина регулировки расстояния между столом і ползуном, мм 100 100 100 100
Расстояние между стойками станины в свету, мм 400 - 400 400
Расстояние между подштамповой плитой і ползуном при максимальном ходе в НМТ при верхнем регулировании ползуна, мм - 300 300
Толщина подштамповой плиты, мм 100 100 100 100
Величина робочого ходу ползуна до крайнего нижнего положения, на котором пресс развивает номинальное усилие при непрерывных ходух (Расстояние недохода ползуна до НМТ), мм 2,5 2,5 2,5
Величина робочого ходу ползуна до крайнего нижнего положения, на котором пресс развивает номинальное усилие при одиночных ходух (Расстояние недохода ползуна до НМТ), мм 5,0 5,0 5,0
Высота стола над уровнем пола, мм 700 700 700 700
Наибольший ход выталкивателя в ползуне, мм 40 40 40
Давление воздуха в сети пресса, минимальное-максимальное, МП 0,45..1,0 0,45..1,0 0,45..1,0
Расход сжатого воздуха (в режиме одиночный ход), литр/цикл 4,5 4,5 4,5
Технологическая работа, при непрерывных ходух, Дж 2200 2200 2200
Технологическая работа, при одиночных ходух, Дж 4500 4500 4500
Електроустаткування
Количество електродвигателей 2 2 2
Електродвигун головного привода, кВт (об/мин) 10 (1320) 11,8 11,8 11,8
Електродвигун гідронасоса выталкивателя, кВт - -
Габарити і масса пресса
Габарити пресса (длина ширина высота), мм 1910 х 1440 х 2650 1555 х 1850 х 2935 1555 х 1850 х 2725 1810 х 1860 х 2980
Масса пресса, кг 6645 9500 6800 7800

    Список литературы:

  1. Банкетов А.Н., Бочаров Ю.А., Добринский Н.С. і др. Кузнечно-прессовое обладнання, 1970
  2. Бочаров Ю.А., Прокофьев В, Н. Гідропривід кузнечно-прессовых машин, 1969
  3. Белов А.Ф., Розанов Б. В., Линц В. П. Объемная штамповка на гідравлических прессах, 1971
  4. Живов Л.И. Кузнечно-штамповочное обладнання, 2006
  5. Кузьминцев В.Н. Ковка на молотах і прессах, 1979
  6. Розанов Б.В. Гідравлические прессы, 1959
  7. Титов Ю.А. Обладнання кузнечно-прессовых цехов, 2001
  8. Щеглов В.Ф. Кузнечно-прессовые машины, 1989
  9. Берлет Разработка чертежей поковок, 2001
  10. Рудман Л.И. Справочник по оборудованию для листовой штамповки, 1989
  11. Романовский В.П. Справочник по холодной штамповке, 1965
  12. Охрименко Я.М. Технология кузнечно-штамповочного производства, 1966
  13. Кузьминцев В.Н. Ковка на молотах і прессах, 1979
  14. Мещерин В.Т. Листовая штамповка. Атлас схем, 1975









Опыт накапливается прямо пропорционально разрушенному оборудованию.

Закон Мерфи