metalinstryment.com
Довідник по металорізальних верстатів та пресовому обладнанні

5236п Верстат зубострогальный напівавтомат підвищеної точності
схеми, опис, характеристики

5236п Загальний вигляд  зубострогального верстата







Відомості про виробника зубострогального напівавтомату 5236п

Производитель зубострогального напівавтомату 5236п Саратовский завод зубострогальных верстатів, СЗЗС, основанный в 1934 году.





Продукция Саратовского завода зубострогальных верстатів


5236П Верстат зубострогальный напівавтомат. Назначение і область применения

Зубострогальный напівавтомат 5236П підвищеної точності предназначен для нарізання мелкомодульных конических колес з прямыми зубьями модулем до м = 2,5 мм і диаметром до 125 мм двумя качающимися в одной впадине резцами методом обкатки і комбинированным методом.

Верстат зубострогальный 5236П предназначен для нарізання конических колес в мелкосерийном і серийном производстве в отраслях приборостроения і точного машиностроения; може быть использован в других отраслях і видах производства при высоких требованиях к точності нарезаемых колес.

Принцип роботи і особливості конструкції верстата 5236П

Полуавтомат 5236П спроектирован на базе высокоточного зубострогального напівавтомату моделі 5Т23В взамен старой моделі 5П23БП і отличается от післяднего лучшими технологическими і експлуатационными качествами, увеличенной жесткостью базовых деталей і вузлів і наличием в конечных звеньях ланцюги высокоточных червячных передач з большим передаточным отношением, которые позволяют значительно снизить кинематические погрешности зубчатых передач ланцюгів верстата.

Нарезание зубьев осуществляется автоматически, что позволяет одновременно обслуживать несколько верстатів (зубчасті колеса з модулем меньше 0,5 мм нарезать на станке не рекомендуется).

В зубострогальных напівавтоматух применяют люльки двух принципиально различных конструкций.

Зубострогальный напівавтомат 5236П отличается от напівавтомату 5Т23В головним образом конструкцией люльки.

В напівавтоматух 5236П используют люльку типовой конструкций.

Полуавтоматы 5Т23В і 5М236В имеют люльку оригинальной конструкції, отличающуюся от типовой тем, что резцы при нарезании совершают не возвратно-поступательное, а качательное рух і всегда работают в одной впадине зуба. Кроме того, при обратном вспомогательном ходе люльки отводится не стол, а резцедержатели з зубострогальными резцами.

Другие механізмы і пристроя зубострогальных напівавтоматов аналогичны рассмотренным выше для напівавтомату 5С23П.

Высокая точность нарізання достигается благодаря наличию в конечных звеньях ланцюги деления і обкатки высокоточных червячных передач з большим передаточным отношением, а также за счет роботи резцов в одной впадине.

Специальный теплообменник гарантирует минимальные температурные деформации верстата.

Оригинальное кинематическое построение напівавтомату, удобное расположение органів керування і гітар сменных зубчатых колес, бесступенчатое регулювання скорости обкатки, гідрофикация зажиму і отжима заготовки, подвода і відведення бабки вироби создает значительное удобство обслуживания і повышения производительности обробки.

В условиях массового производства имеется возможность встраивания напівавтомату в автоматическую линию.

Верстат необходимо установить на опорах і тщательно выверить по уровню з точностью 0,02/1000 мм, устанавливая післядний на круговые направляющие стола. После выверки фундамент верстата подлить жидким цементом.

Основанием верстата може служить бетонный фундамент, глубина которого в зависимости от характера основного грунта должна быть 400—500 мм или общий бетонный пол цеха.

Запрещается устанавливать верстат вблизи машин, работающих з динамическими нагрузками (молоты, прессы, строгальные верстати і т.п.). В случае вибрации общего пола цеха верстат следует установить на отдельный фундамент, оградив его разделительными канавами, или установить на опори равночастотные типа ОВ-31. Рекомендуется установка верстата в термоконстантном помещении. Разработчики: Экспериментальный научно-исследовательский институт металлорежущих верстатів і Саратовский завод зубострогальных верстатів.

Класс точності напівавтомату П по ГОСТ 8-77.

Шероховатость обработанной поверхности Ra 1,25 мкм.

Категория качества — высшая. Полуавтомат изготовляется в рядовом і експортном исполнениях.

Средний уровень звука LA не должен превышать 77 дБА.

Корректированный уровень звуковой мощности LpA не должен превышать 93 дБА.


Основні технические данные зубострогального верстата 5236п:

Разработчик - ЭНИМС і Саратовский завод зубострогальных верстатів.

Изготовитель - Саратовский завод зубострогальных верстатів.






5236п Габарити робочого простору зубострогального напівавтомату

5236п Верстат зубострогальный. Габарити робочого простору

Габарити робочого простору напівавтомату 5236п


Посадочные і присоединительные базы инструмента зубострогального верстата 5236п

5236п Посадочные і присоединительные базы зубострогального напівавтомату 5236п

Посадочные і присоединительные базы верстата 5236п


5236п Загальний вигляд зубострогального верстата

5236п напівавтомат зубострогальный. Загальний вигляд

Фото зубострогального верстата 5236п


5236п напівавтомат зубострогальный. Загальний вигляд

Фото зубострогального верстата 5236п


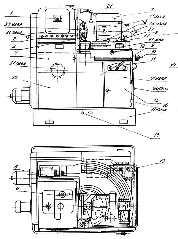
5236п Розташування складових частин зубострогального напівавтомату

5236п Розташування складових частин зубострогального напівавтомату 5236п

Розташування складових частин верстата 5236п. Рис. 3

Розташування складових частин зубострогального верстата напівавтомату 5236п. Дивитись у збільшеному масштабі



Специфікація складових частин зубострогального напівавтомату 5236п


Специфікація органів керування зубострогальным напівавтоматом 5236п

  1. Счетчик циклов
  2. Пульт керування
  3. Винт установки резцов по высоте
  4. Гітара обкатки
  5. Гідроцилиндр подвода стола
  6. Рукоятка охлаждения
  7. Гітара деления
  8. Гітара скорости
  9. Редукционный клапан для изменения зусилля зажиму вироби
  10. Лимб установки припуска на чистовую обработку при двухпроходной работе
  11. Рукоятка переміщення стола і зажиму вироби
  12. Внутренний шестигранник для ручного відведення і подвода стола




Общая компоновка зубострогального верстата 5236п (см.рис.З)

Слева от робочого места на станине (11 узел), смонтирована инструментальная стойка (узел 21), несущая люльку (узел 33), на правой частя станины смонтирован стол (узел 42), на котором установлена бабка вироби з плитой (41 узел).

С левой стороны, на торце станины расположены двигатели приводу головного руху і приводу подачі. На лицевой стороне инструментальной стойки установлен счетчик циклов (поз. 1). Механізми, связывающие ланцюг деления і обкатки, находятся внутри верстата. Пускорегулирующая аппаратура расположена в електрошкафу, вынесенном за пределы верстата. Керування верстатом осуществляется з пульта, который находится на лицевой частини инструментальной стойки (поз.2).


Принцип роботи і основні особливості зубострогального верстата 5236п

Верстат работает методом обкатки, при котором профиль зубьев, обрабатываемых колес, получается в результате согласованного относительного руху инструмента і вироби.

Это рух соответствует зацеплению обрабатываемого колеса з воображаемым плосковершинным производящим колесом, зуб которого воспроизводится инструментом - резцами.

Верстат работает з периодическим делением. Цикл обробки одного зуба включает в себя рабочий і холостой ход.

При рабочем ходе изделие і обкатная люлька вращаются согласованно в одну сторону, a стол з изделием подведен в рабочее положение.

По окончании обкатки профиля зуба стол з изделием быстро отводится назад, а люлька начинает на ускоренном ходу вращаться в обратную сторону причем изделие продолжает вращаться в ту же сторону, что і при рабочем ходе. По окончании обратного ходу люльки (холостого ходу) цикл повторяется, причем поскольку во время обратного ходу люльки изделие не изменяет направления обертання, к моменту начала следующего цикла будет пропущено определенное количество зубьев, не имеющего общего множителя з числом зубъев обрабатываемого колеса.

Поетому, при повторении цикла столько раз, сколько зубьев в обрабатываемом колесе, произойдет нарезание всех его зубьев.

На станке обрабатываются зубчасті колеса как з предварительно прорезанными впадинами, так і из целого материала.

При предварительно прорезанных шестернях m - 1,5 і выше необходимо пользоваться калибром для разделения припуска.

При нарезании конических колес з углом начального конуса от 70° до 85° в начале робочого цикла, до определенного момента, стол медленно подается вперед одновременно з обкаткой і происходит врезание инструмента.

Достигнув определенной глубины зуба, врезание прекращается і происходит профилирование зуба при нерухомому положении стола.

При серийном производстве робота на станке не требует високою квалификации, причем один рабочий може обслужить одновременно несколько верстатів.

Наладка верстата должна производиться квалифицированным наладчиком.





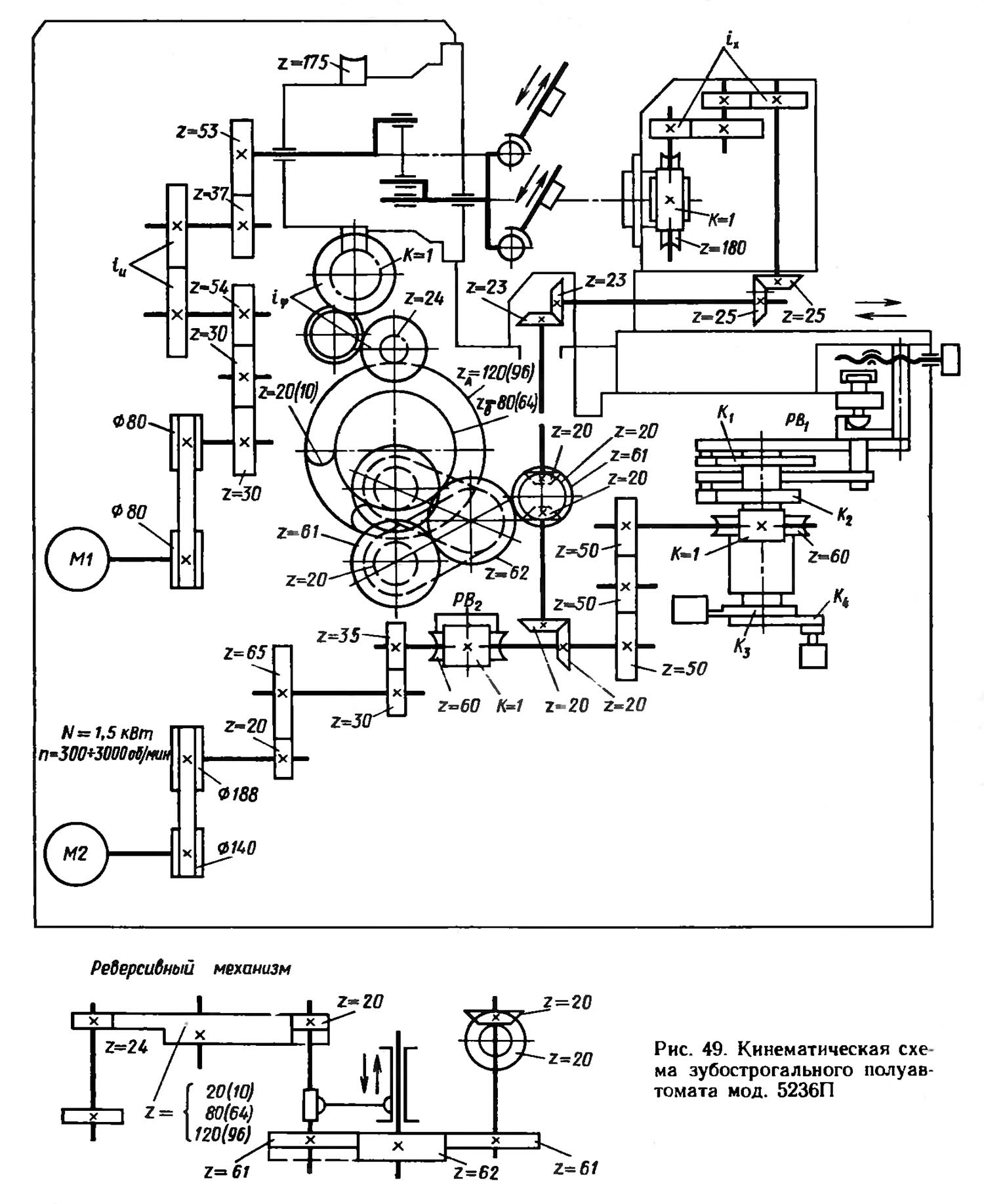
Схема кінематична зубострогального верстата 5236п

Схема кінематична зубострогального верстата 5236п

Кінематична схема зубострогального верстата 5236п. Рис 4, 5

1. Кінематична схема зубострогального верстата 5236п. Дивитись у збільшеному масштабі

2. Кінематична схема зубострогального верстата 5236п. Дивитись у збільшеному масштабі

3. Схема розположення підшибників зубострогального верстата 5236п. Дивитись у збільшеному масштабі



Опис кінематичної схеми зубострогального верстата 5236п


А. Привід головного руху зубострогального верстата 5236п

Рух заимствуется от головного електродвигуна мощностью 1,1 кВт, 920 об/мин, передається через клиноременную передачу, зубчасті колеса 1,2,3 на вал II; затем через сменные шестерни А і Б на вал III, через шестерни 4,5 на центральный вал люльки (см.рис.5). Далее вращательное рух вала преобразуется через шатунно-кривошипный механізм і возвратно-поступательное рух супортів.

Суппорта имеют 7 швидкостей от 160 до 630 двойных ходов/мин за счет установки сменных шестерен А і Б.


Б. Рух подачі зубострогального верстата 5236п

Рух подачі заимствуется от електродвигуна постоянного тока 2ПН90L і имеет бесступенчатое регулювання чисел оборотів от 300 - 3000 об/мин, которое определяет рабочее время цикла і устанавливается з помощью потенциометра по шкале таблицы на електрошкафу і через клиноременную передачу, зубчасті колеса 6, 7 ,8, 9, 13, 15, червячную пару 16, 17 передається распределительному валу, который делает один оборот за время нарізання одного зуба.

На распределительном валу находятся 4 кулачка. Один из них (верхний) К1 служит для відведення і подвода стола в соответствующие момента цикла, другой (нижний) К2 для врізання при комбинированном методе нарізання шестерен з углами начального конуса больше 70°.

Нижний кулачок К3 служит для переключения счетчика циклов, а самый нижний кулачок К4 действует на выключатель, дающий команду на рабочее і ускоренное число оборотів електродвигуна подач.


В. Ланцюг деления зубострогального верстата 5236п

Делительного механізма как такового верстат не имеет. Ланцюгю деления здесь называется кинетическая ланцюг, связывающая изделие. Кинематическая связь шпинделя вироби з распределительным валом осуществляется через червячную передачу 17,16 шестерни 15,14,13, конические шестерни 11,12 вала X, шестерни 18,19,20,29,30,31,32, гітару деления С, Д, E, F, і червячную передачу 33,34.


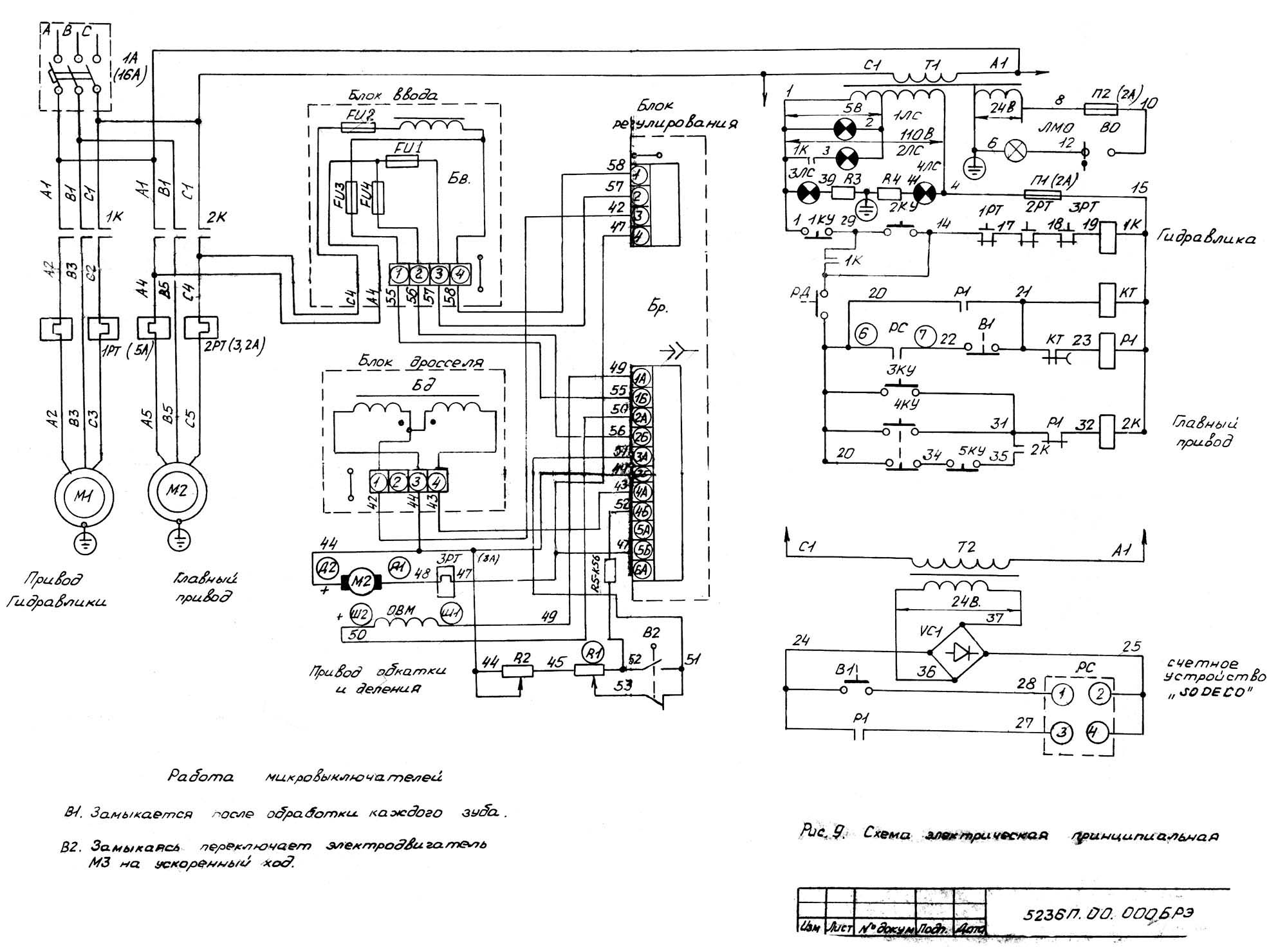
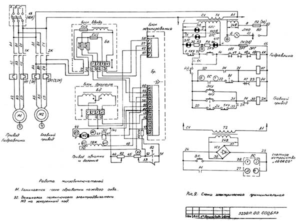
Електрична схема зубострогального верстата напівавтомату 5236п

5236п Електрична схема зубострогального верстата напівавтомату

Електрична схема зубострогального верстата 5236п. Рис. 9

Електрична схема зубострогального верстата напівавтомату 5236п. Дивитись у збільшеному масштабі




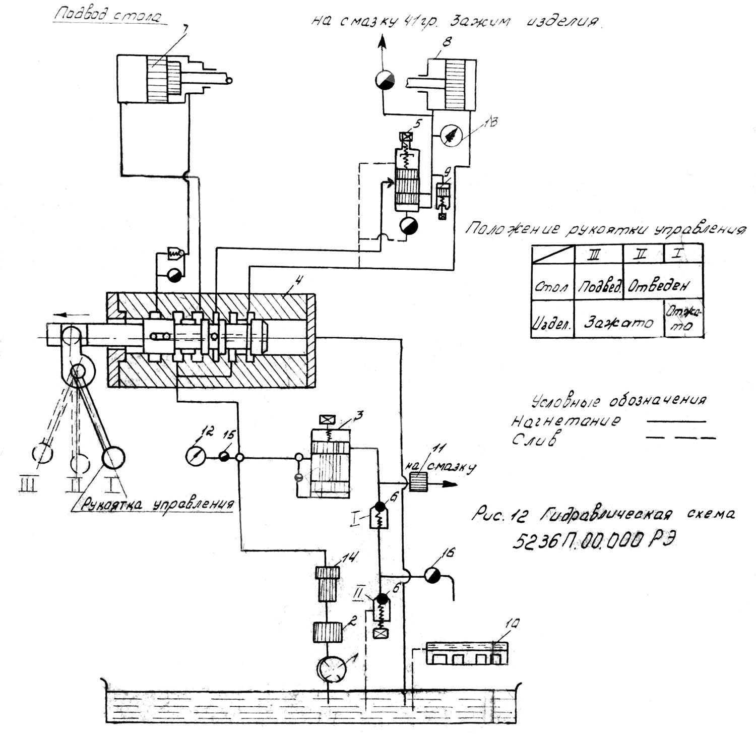
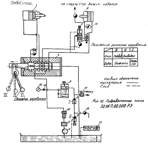
Гідравлічна схема зубострогального верстата напівавтомату 5236п

5236п Гідравлічна схема зубострогального верстата напівавтомату

Гідравлічна схема зубострогального верстата 5236п. Рис. 12

Гідравлічна схема зубострогального верстата напівавтомату 5236п. Дивитись у збільшеному масштабі




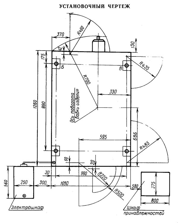
5236п Настановне креслення зубострогального напівавтомату

Настановне креслення зубострогального напівавтомату 5236п

Настановне креслення зубострогального напівавтомату 5236п




5236п Верстат зубострогальный напівавтомат. Відеоролик.



Технічні характеристики зубострогального верстата 5236п

Наименование параметра 5Т23в 5236п
Основні параметри верстата
Класс точності верстата по ГОСТ 8-82 і ГОСТ 659-78 В П
Наибольший окружной модуль нарезаемого колеса, мм 0,5..1,5 0,5..2,5
Внешнее конусное расстояние (длина образующей делительного конуса) обрабатываемых зубчатых колес, мм 5..63 7..63
Наибольший диаметр нарезаемых колес при передаточном отношении пары 10:1, мм 125 125
Наибольший диаметр нарезаемых колес при передаточном отношении пары 2:1, мм 110 110
Наибольший диаметр нарезаемых колес при передаточном отношении пары 1:1, мм 90 90
Наибольшая длина зуба нарезаемого колеса (Наибольшая ширина зубчатого венца), мм 12 20
Наибольшая высота нарезаемого зуба, мм 5,5
Наибольшее число нарезаемых зубьев 12..200 12..200
Рекомендуемое число нарезаемых зубьев 12..100 12..100
Наибольший угол установки супортів, град 2°30`
Расстояние от торца шпинделя бабки вироби до центра напівавтомату, мм 30..140 30..140
Угол делительного конуса нарезаемых зубчатых колес (установочный угол бабки вироби), град 5°..90° 5°..90°
Люлька
Наибольший угол качания люльки от центрального положения вверх і вниз, град 35° 35°
Поворот люльки при наладке, град 360° 360°
Цена деления окружной шкалы поворота люльки при наладке, град
Суппорты
Наибольший угол установки супортів, град
Поворот суппорта на одно деление шкалы линейки/ нониуса, мин 30`/ 2`
Наибольший ход резца при любом угле установки супортів, мм 20 28
Необходимый выход резца из вироби з тонкого кінця зуба, мм 3
Необходимый выход резца из вироби з толстого кінця зуба, мм 5
Тип зубострогальных резцов по ГОСТ 9392-75 Тип 1, исп 2
Число двойных ходов резца в минуту, мин-1 210, 260, 320, 410, 520, 660 160, 200, 250, 315, 400, 500, 630, 800
Скорость обкатки - время робочого ходу при нарезании одного зуба (бесступенчатое регулювання), с/зуб 5..53 4,5..68,5
Бабка вироби
Кінець шпинделя бабки вироби по ГОСТ 17547-72 Морзе 4 Морзе 4
Цилиндрическое отверстие шпинделя бабки вироби, мм Ø20 х 200 Ø20 х 200
Цена деления шкалы линейки/ нониуса установки расстояния от торца шпинделя до центра верстата, мм 1,0..0,02
Стол
Ход стола, мм 45
Наибольшее смещение стола от центрального положения, мм ±5
Счетчик циклов есть есть
Автоматическая остановка верстата есть есть
Привід і електрообладнання верстата
Количество електродвигателей, установленных на станке 3 3
Електродвигун головного привода, кВт 1,1 1,1
Електродвигун приводу подач, кВт 1,5 1,5
Електродвигун приводу гідронасоса, кВт 1,5 1,5
Суммарная мощность електродвигателей, кВт 4,1 4,1
Габаритные розміри і масса верстата
Габаритные розміри верстата (длина х ширина х высота), мм 1620 х 1050 х 1415 1410 х 1050 х 1415
Масса верстата з електрообладнанням і охолодженням, кг 3185 3250







Заказать

Кто владеет информацией - тот владеет миром.

Натан Ротшильд