metalinstryment.com
Довідник по металорізальних верстатів та пресовому обладнанні

Д-250 Верстат деревообрабатывающий комбинированный
Схеми, опис, характеристики

Д-250 Верстат комбинированный деревообрабатывающий







Производителем деревообрабатывающего комбинированного верстата Д-250 является компания Техснаб, ООО, г. Иваново. Адрес сайта: http://tehsnabstanki.ru

Компания "Техснаб" занимается разработкой і выпуском деревообрабатывающих верстатів з 1992 года.

Верстат Д-250(К) - выпускал Кировский станкостроительный завод, основанный в 1880 году. Адрес сайта: http://ksz.kirov.ru





Деревообрабатывающие верстати Компании Техснаб


Д-250 Верстат деревообрабатывающий комбинированный. Назначение, область применения

Полупромышленный пятиоперационный комбинированный деревообрабатывающий верстат Д-250 предназначен для комплексной обробки деталей из различных сортов дерева

Верстат Д-250 выполняет операции:

  1. Строгание (фугование) по плоскости і кромке поздовжньої, поперечної і под углом;
  2. Рейсмусование по плоскости;
  3. Пиление дисковий пилкою;
  4. Вертикальное фрезерование фасонными фрезами;
  5. Горизонтальное сверление і фрезерование кінцівыми фрезами.

При соответствующей наладке на станке Д-250 можно выполнять наступні виды обробки:

Верстат Д-250 при необходимости трансформируется на два независимых верстата:

  1. Строгально-рейсмусовый
  2. Круглопильный, фрезерный, сверлильно-фрезерный

Особливості конструкції багатофункціонального верстата Д-250

Верстат изготавливается в виконанні УХЛ (категория розміщення 4) по ГОСТ 15150.

Верстати должны експлуатироваться в следующих условиях:





Д-250 Загальний вигляд комбинированного верстата

Фото вигляд комбинированного верстата Д-250

Фото комбинированного верстата Д-250

Фото комбинированного верстата Д-250. Дивитись у збільшеному масштабі



Фото вигляд комбинированного верстата Д-250

Фото разделенного комбинированного верстата Д-250


Фото комбинированного верстата Д-250 з поднятыми столами в режиме рейсмуса

Фото комбинированного верстата Д-250. Строгально-рейсмусовый модуль

Фото комбинированного верстата Д-250 з поднятыми столами. Дивитись у збільшеному масштабі



Розташування органів керування комбинированным верстатом Д-250

Розташування органів керування комбинированным верстатом Д-250

Розташування органів керування комбинированным верстатом Д-250

Розташування органів керування комбинированным верстатом Д-250


Cклад оборудования верстата Д-250

  1. Станина - Д250.101.051
  2. Пристрій строгальное і рейсмус - Д250.200.001
  3. Пристрій круглопильное - Д250.401.001
  4. Пристрій фрезерное - Д250.402.001
  5. Пристрій шипорезное - Д250.403.001
  6. Пристрій сверлильно-пазовальное - Д250.405.001




Д-250 Верстат стационарный комбинированный. Опис вузлів


Пристрій строгально-рейсмусовое (Д250.201.001)

Маховик подъема рейсмусового стола комбинированного верстата Д-250

Маховик подъема Е2 і зажим С2 рейсмусового стола верстата Д-250

Пристрій рейсмусовое состоит из ножевого вала, механізма подачі, которые монтируются на двух чугунных щеках, установленных на станину, подъемный стол монтируется непосредственно на станине. На щеках также устанавливается пристрій, препятствующее выбросу обрабатываемой заготовки в сторону работающего.

Ножевой вал является режущим органом пристроя і представляет собой стальной цилиндр з укрепленными в его пазах тремя строгальными ножами.

Закрепление ножей осуществляется посредством зажимных болтов і клиньєв, прижимающих ножи к опорным плоскостям вала. Нижня кромка ножей опирается на пружины, что облегчает их выставку і регулировку. Ножевой вал вращается в двух шарикопідшипниках. Крутящий момент на ножевой вал передається от електродвигуна, посредством клиноременной передачи.

Подъемный стол монтируется в корпусе і устанавливается непосредственно на станине. Подъем осуществляется з помощью маховика.

Механізм подачі заготовки состоит из двух валов (подающего рифленого і принимающего гладкого), которые приводятся во вращение з помощью понижающей зубчато-цепной передачи з приводом от строгального вала з помощью фрикционного обрезиненного колеса Рис.7.

Противовыбрасывающее пристрій (упоры) смонтировано на одной из связей чугунных щек. Для установки подъемного стола по высоте на нужный размер обробки служит линейка з указателем.

Во время роботи на строгальном устройстве механізм подачі заготовки должен быть отключен.


Регулювання і наладка рейсмусового пристроя

Регулювання ножей в строгальном барабане верстата Д-250

Регулювання ножей в строгальном барабане верстата Д-250


Планка для калибровки ножей в баробане верстата Д-250

Планка для калибровки ножей в строгальном барабане верстата Д-250

Ножи необходимо устанавливать так, чтобы они выступали на 1 мм за габарити ножевого вала. При установці контролировать равномерную выставку ножей по всей длине вала.

Затяжку болтов, удерживающих ножи, начинать от середины клина (Рис.10), выставку ножей произвести по калиберной планке (Рис.11). Перед началом роботи обязательно проверить надежность крепления ножей. Включив фугувальне пристрій, убедиться в нормальной его работе. Необходимо следить за работой підшибників ножевого вала. В случае повышения температуры необходимо заменить підшипники.


Пристрій строгальное (Д250.202.001) Рис.12.

Режим фугования (строгания) на комбинированнм станке Д-250

Режим фугования (строгания) на комбинированнм станке Д-250

Пристрій строгальное состоит из ножевого вала, подающего (переднего) і приемного (заднего) фуговальных столов, направляющей линейки і защиты ножевого вала строгального пристроя. Столы смонтированы на верхних гранях щек рейсмусового пристроя. Столы имеют регулировку по высоте, что обеспечивает снятие з обрабатываемого материала стружки различной толщины. Задний стол выставляется заподлицо з верхней точкой траектории руху ножей ножевого вала з помощью линейки і в процессе роботи регулировке не подлежит.

Передний стол переставляется в зависимости от требуемой толщины снятия стружки. Подъем столов осуществляется за счет переміщення по резьбе осей, жестко связанных со столами.

Направляющая линейка служит для направления обрабатываемого материала і для строгания кромок под определенным углом (максимальный угол 45°). Линейка фиксируется зажимом. Ограждение ножевого вала регулируемое на ширину обрабатываемого материала. Электропривід единый для рейсмусового, і строгальных устройств.

Регулювання і наладка строгального пристроя

Следить за состоянием поверхностей столов. Задиры, выбоины необходимо устранить. Следить за надежностью крепежных елементів направляющей линейки.

Остальные требования по регулировке і наладке строгального пристроя аналогично п. 6.3.3. «Регулювання і наладка рейсмусового пристроя».


Пристрій круглопильное (Д250.401.001) Рис.13.

Поперечное пиление (торцевание) на станке Д-250

Поперечное пиление (торцевание) на станке Д-250 з использованием каретки

Пристрій круглопильное применяется для поздовжньої, поперечної і распиловки материала «под углом».

Приспособление состоит из робочого стола, торцовочной каретки і шпиндельного вузла з дисковий пилкою.

Пильный узел имеет возможность наклона от 0 до 45 градусов з помощью маховика Е4 Рис.1.

На шпинделе з одного кінця установлена дискова пила, которая закреплена между фланцев з помощью гайки, на другом кінці шпинделя установлен шкив, на который з помощью клинового ремня передається крутящий момент з електродвигуна.

Высота пропила регулируется з помощью маховика Е3 Рис.1. Рис.13. путем переміщення корпуса шпинделя по направляющим кронштейна і фиксации в нужном положении.

Круглопильный упор, установленный на столе, имеет возможность, перемещаться по направляющей для регулювання ширины отпила. Для отсчета ширины отпила на направляющей, установлена шкала.

Для поперечної распиловки і распиловки под углом используется торцовочная каретка, перемещающаяся по направляющим параллельно плоскости пилы. На каретке установлен угловой упор для базирования заготовки. Для распиловки под углом упор разворачивается і фиксируется в нужном положении.


Пристрій фрезерное (Д250.402.001).Рис.16.

Вертикальное фрезерование на комбинированном станке Д-250

Вертикальное фрезерование на станке Д-250 з использованием шипорезной каретки

Пристрій фрезерное (шипорезное) состоит из корпуса, прифланцованного к нижней поверхности стола круглопильного пристроя. Внутри корпуса перемещается пиноль, в підшипниках которой установлен фрезерный шпиндель. На кінці шпинделя устанавливаются фрезы различной толщины і профиля. Для установки фрез имеется комплект проставных втулок. Крепление инструмента на шпинделе производится з помощью гвинта і втулки.

Вырух шпинделя в рабочую позицию і регулировка по высоте осуществляется ручным приводом, состоящим из зубчатой пары і гвинта з помощью маховика Е1. В рабочем положении шпиндель фиксируется стопором С1 Рис.1.Рис.17.

Електродвигун приводу установлен на подмоторной плите. Натяжение ремня осуществляется переміщенням електродвигуна.

Шпиндель з установленными фрезами закрыт кожухом. Рис.18.

В задньої частини кожуха имеется патрубок для подсоединения отсасывающего пристроя удаления стружки. Глубина фрезерування регулируется переміщенням кожуха в направляючих пазах.

При работе на круглопильном устройстве шпиндель фрезерного (шипорезного) пристроя устанавливается в крайнее нижнее положение, а отверстие в столе закрывается специальной заглушкой.

При работе на фрезерном (шипорезном) устройстве дискова пила круглопильного пристроя должна быть установлена в крайнее нижнее положение і надежно зафиксирована, а її защитный кожух должен быть снят.


Регулювання і наладка фрезерного (шипорезного) пристроя

Опустить дисковую пилу круглопильного пристроя в крайнее нижнее положение і надежно зафиксировать.

  1. Переместить шпиндель в крайнее верхнее положение.
  2. Нажмите стопор F рис.1рис.17 слегка вращая шпиндель до положения стоп.
  3. Установите фрезерный барабан на шпиндель і закрепите з помощью гвинта.




Пристрій свердлильне (Д250.405.001)

Сверление і горизонтальное фрезерование на комбинированного станке Д-250

Узел сверления і горизонтального фрезерування на комбинированного станке Д-250

Пристрій свердлильне применяется для сверления отверстий і фрезерування пазов, выборок.

Пристрій свердлильне состоит из стола, смонтированного на кронштейне, жестко закрепленном на щеке рейсмусового пристроя.

Стол имеет возможность перемещаться: вертикально «вверх — вниз», горизонтально вдоль оси і перпендикулярно оси режущего инструмента.

Перемещение стола осуществляется: по высоте винтом з маховиком, в горизонтальной плоскости з помощью рычага (Рис.19.).

На столе устанавливается пристрій крепления заготовки.


Регулювання і наладка сверлильного пристроя

Сверлильный патрон установить на резьбовой конец ножевого вала, рейсмусового пристроя.

Установить режущий инструмент в патрон і зажать.

Внимание!!! Вращение инструмента против часовий стрелки. Необходимо использовать левосторонние фрезы і сверла.

Проверить радиальное биение инструмента. Если биение больше 0,1 мм, заменить инструмент.

Установить гвинтами глубину сверления і горизонтальный розміри паза.

Убедиться в надежности роботи зажиму заготовки.

По окончании роботи инструмент і патрон удалить.


Пильный узел з механізмом подъема верстата Д-250

Пильный узел верстата Д-250 з механізмом подъема


Вертикально-фрезерный узел з механізмом подъема верстата Д-250

Вертикально-фрезерный узел верстата Д-250 з механізмом подъема


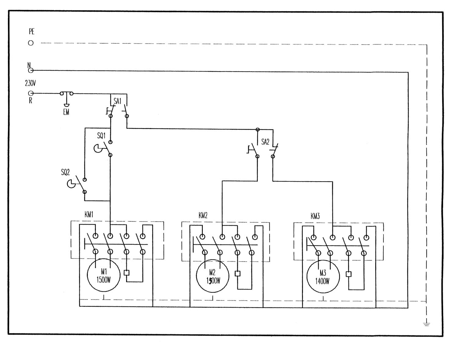
Схема електрична принципова деревообрабатывающего комбинированного верстата Д-250

Схема електрична комбинированного верстата Д-250

Електрична схема комбинированного верстата Д-250 на 220 В

Електрична схема комбинированного верстата Д-250. Дивитись у збільшеному масштабі



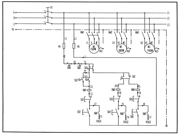
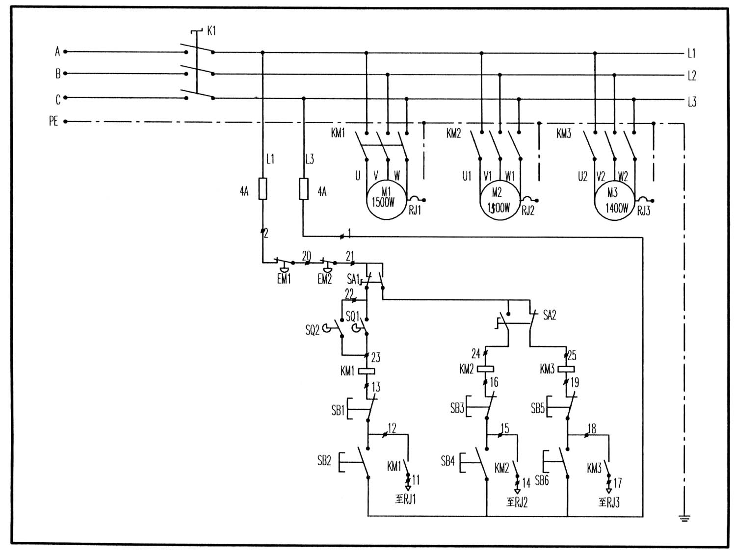
Схема електрична комбинированного верстата Д-250

Електрична схема комбинированного верстата Д-250 на 380 В

Електрична схема комбинированного верстата Д-250. Дивитись у збільшеному масштабі




Верстат деревообрабатывающий Д-250. Відеоролик





Технічні характеристики комбинированного верстата Д-250

Наименование параметра Д-250 Д300 Д400
Фугование (строгание)
Наибольшая ширина фугования (строгания), мм 250 320 410
Наибольшая глубина снимаемого слоя за один проход при строгании, мм 5 4,3 4,3
Диаметр режущей частини ножевого вала, мм 75 70 70
Частота обертання ножевого вала на холостом ходу, об/мин 4000 5600 5600
Розміри строгального ножа, мм
Количество строгальных ножей 3 3 3
Ширина строгальных столов, мм 250 320 410
Общая длина строгальных столов, мм 1100 1420 1420
Рейсмус
Максимальная і минимальная толщина заготовки при рейсмусовании, мм 190..5 180..5 180..5
Наименьшая длина обрабатываемой заготовки при рейсмусовании, мм 300 300 300
Скорость подачі заготовки в режиме рейсмуса, м/мин 6 10 10
Розміри рабочей поверхности рейсмусового стола, мм 252 х 600 320 х 550 400 х 650
Максимальная ширина рейсмусования, мм 248
Наибольшая толщина срезаемого слоя при рейсмусовании, мм 2,5
Высота подъема рейсмусового стола (максимальная высота заготовки), мм 195 180 180
Пиление. Пристрій круглопильное
Диапазон глубины пропила, мм 1..70 1..80 1..80
Наибольший диаметр пильного диска, мм Ø250 х 33 х 3 Ø250..Ø315 Ø250..Ø315
Посадочный диаметр пилы, мм 32 32, 50 32, 50
Толщина пилы, мм 3 2 2
Частота обертання пилы, об/мин 4500 3500 3500
Розміри рабочей поверхности пильного стола, мм 980 х 470 750 х 500 750 х 500
Розміри торцевой каретки, мм 400 х 250
Ход торцевой каретки, мм 1080
Вертикальное фрезерование. Пристрій фрезерное Вертикальное перемещение шпинделя (наибольшая толщина обрабатываемого материала), мм 80 80 80 Посадочный диаметр фрезерного шпинделя, мм 32 32 32 Наибольший диаметр фрезы, мм 144 180 180 Частота обертання фрезерного шпинделя, об/мин 4500 / 6500 6000 / 8000 6000 / 8000 Розміри рабочей поверхности стола, мм 980 х 470 750 х 500 750 х 500 Розміри рабочей поверхности шипорезной каретки, мм 250 х 400 335 х 450 335 х 450 Наибольший ход каретки, мм 1080 900 900 Сверление. Фрезерование кінцівой фрезой Наибольший диаметр сверла, фрезы, мм 16 16 16 Частота обертання сверла, фрезы, мин 4500 5600 5600 Розміри рабочей поверхности стола, мм 365 х 150 450 х 250 450 х 250 Глубина сверления, мм 100 150 150 Продольный ход стола, мм 150 150 150 Електроустаткування верстата Род тока питающей сети 220В / 380В 50Гц 380В 50Гц 380В 50Гц Количество електродвигателей на станке, шт 3 3 3 Електродвигун строгального, рейсмусового, сверлильного пристроя, кВт 1,5 2,2 2,2 Електродвигун круглопильного пристроя, кВт 1,5 3,0 3,0 Електродвигун вертикального фрезерного пристроя, кВт 1,4 3,0 3,0 Суммарная мощность електродвигателей, кВт 4,4 8,2 8,2 Габарит і масса верстата Габарит верстата (длна х ширина х высота), мм 1260 х 1140 х 970 1660 х 1500 х 1100 2050 х 1560 х 1100 Масса верстата, кг 304/355 650 750