Виробник токарного гідрокопіювального верстата моделі ЕМ-473 – Єйський верстатобудівний завод, ЕСЗ місто Єйськ Краснодарський край.
Основна продукція заводу - Верстати токарні гідрокопіювальні типу ЕМ-473 та ЕМ-477.
У 90-х через відсутність замовлень на гідрокопіювальні верстати Єйський верстатобудівний завод перейшов на випуск верстатів ІТ-1Е для потреб армії.
Токарні гідрокопіювальні верстати ЕМ-473 та ЕМ-477 призначені для чорнової та чистової токарної обробки в центрах деталей типу діаметром до 250 мм і довжиною до 710 мм «Вал» з прямолінійними і криволінійними утворюючими методом копіювання одним різцем по всьому профілю, багаторізцевим або багаторізцевим копіювальним способом. Верстат відрізняється високою продуктивністю, жорсткістю системи СНІД, надійністю, простотою обслуговування, отриманням якісної поверхні деталей, що обробляються (точність 0,05мм). При застосуванні групових налагодок зі швидкою зміною копірів (листових і у вигляді операційної деталі) стає можливим економічне застосування верстата - напівавтомата (автомата) так само в дрібносерійному виробництві (при партії деталей, що виготовляються, більше 50-ти штук), що дозволяє конкурувати йому зі верстатом з ЧПУ, враховуючи більш високу продуктивність та відсутність необхідності застосовувати дефіцитний висококваліфікований персонал.
Токарний напівавтомат ЕМ-473 може оснащуватись спеціальними наладками під конкретну деталь, вбудовуватись в автоматичну лінію.
Обробка основного профілю проводиться різцями копіювального супорта, канавка та торці обробляються різцями поперечного супорта.
Гідрокопіювальні токарні напівавтомати (ГТП), як і багаторізцеві та багаторізцево-копіювальні верстати, є типовими горизонтальними одношпиндельними напівавтоматами, призначеними для чорнової та чистової (однопрохідної або багатопрохідної) токарної обробки в центрах деталей типу валів з прямолінійними і криволінійними.
Завдяки можливості швидкого переналагодження ці напівавтомати ефективно застосовуються не тільки в масовому та великосерійному, а й у серійному виробництві. Вони легко вбудовуються у автоматичні лінії. Як приклад токарного гідрокопіювального напівавтомата розглянемо спеціальний верстат моделі ЕМ-473.
Даний верстат, що випускається Єйським верстатобудівним заводом, призначений для чорнової та чистової обробки деталей типу валів з прямолінійними та криволінійними утворюючими методом копіювання одним або декількома різцями, а також підрізування торців та проточування канавок.
Напівавтомат ЕМ-473 має один копіювальний та один підрізний супорти. Система копіювання однокоординатна.
Верстат ЕМ-473 має 14 швидкостей обертання шпинделя: 100, 125, 160, 200, 250, 315, 400, 500, 630, 800, 1000, 1250, 1600, 2000 об/ч.
В основу верстата покладено принцип однокоординатної гідрокопіювальної системи для позиційних переміщень.
Обертання шпинделя забезпечується електродвигуном через кінематичний ланцюг шпиндельної бабки, робочі та прискорені подачі копіювального супорта – гідроприводом. Також від гідроприводу працюють повзуни копіювального та поперечного супортів, задня бабка, зміна копірів, поворот різцевої головки Верстат має налагоджувальний та напівавтоматичний режими роботи.
Компонування верстата замкнуте, що утворює жорстку раму, прямокутного перерізу з направляючими на передній поверхні, якими переміщається каретка копіювального супорта, і направляючими на нижній поверхні, на яких базуються поперечний супорт і задня бабка. На верхній частинині станини розміщуються механізм установки копірів, командоапарат та жорсткий упор для каретки копіювального супорта. На лівому торці кріпиться гідроциліндр приводу каретки копіювального супорта.
Копіювальний супорт має хід каретки 825 мм, повзуна — 165 мм, межі робочих подач від 10 до 1250 мм/хв і дві подачі, що автоматично перемикаються Як і швидкості, вони потрібні для чорнової і чистової обробки. У поперечного супорта хід становить 125 мм, а подача від 10 до 630 мм/хв. Електродвигун асинхронний двошвидкісний 735/1470 об/хв та 17/25 кВт.

Фото токарного гідрокопіювального верстата ЕМ-473
Фото токарного гідрокопіювального верстата ЕМ-473. Дивитись у збільшеному масштабі

Фото токарного гідрокопіювального верстата ЕМ-473
Фото токарного гідрокопіювального верстата ЕМ-473. Дивитись у збільшеному масштабі

Фото токарного гідрокопіювального верстата ЕМ-473
Фото токарного гідрокопіювального верстата ЕМ-473. Дивитись у збільшеному масштабі

Фото токарного гідрокопіювального верстата ЕМ-473
Фото токарного гідрокопіювального верстата ЕМ-473. Дивитись у збільшеному масштабі

Фото токарного гідрокопіювального верстата ЕМ-473
Фото токарного гідрокопіювального верстата ЕМ-473. Дивитись у збільшеному масштабі

Мал. 1. Токарний гідрокопіювальний верстат ЕМ-473
Основними складовими частинами верстата є (рис. 1): основа 8, станина 5, бабка шпиндельна 1, бабка задня 7, супорт копіювальний 4, супорт поперечний 3, привід копіювального суппорта, механізм установки копиров, механізм щупа, командоаппарати копіювального 2, поперечного супортів і задньої бабки, гідрообладнання, електрообладнання, педаль 9, і привід патрона, охолодження, транспортер стружки 10, ограждение 6.
Шпиндель змонтований на підшипниках кочення 4-го та 5-го класів точності. Передньою опорою служать радіальний роликовий дворядний підшипник з конічним отвором і упорнорадіальний кульковий здвоєний підшипник, що сприймає осьове зусилля. Задня опора шпинделя – радіальний роликовий дворядний підшипник.
Копіювальний суппорт складається з каретки та повзуна. Каретка переміщається напрямними станини від гідроциліндра. Налаштування величин подач каретки копіювального супорта та повзуна поперечного супорта безступінчасте та виконується дроселями. Обмеження величини робочого ходу каретки копіювального супорта на кожному проході, автоматичне перемикання швидкостей та подач, увімкнення в роботу поперечного супорта здійснюються встановленням відповідних пелюстків керування на доріжках лінійки командоапарата (рис. 2). Повзун копіювального супорта переміщається до осі центрів верстата за допомогою гідроциліндра Поршень гідроциліндра через шток жорстко з'єднаний з кареткою, а корпус - з повзуном Переміщення повзуна до осі центрів за відсутності копіра обмежується упором.
Настроювальні переміщення чорнового та чистового копірів у горизонтальному та вертикальному напрямках задаються за допомогою гвинтових передач, відлік положення – по лімбах. Зміна копірів виконується плунжерами гідроциліндрів.
Механізм щупа кріпиться до гідроциліндра повзуна копіювального супорта із задньої сторони. Він складається з корпусу, в якому розміщений стежить золотник, і важеля з наконечником щупа. При русі наконечника щупа по копію руху важеля передаються через штовхач на стежить золотник, який розподіляє потік масла у відповідні порожнини гідроциліндра повзуна, забезпечуючи на виробі відтворення профілю копіра. Наконечник щупа, незалежно від ходу важеля, має додатковий регулювальний хід для точного настроювання різця на діаметральний розмір, що забезпечується за допомогою гвинтової та клинової передач.

Рис. 2. Командоаппарат копіювального суппорта гідрокопіювального верстата ЕМ-473
Командоапарат верстата виконаний восьмидоріжковим (див. рис. 2) і змонтований на верхній площині станини. Складається він із безконтактних вимикачів 3, укріплених на кронштейні, та тримачів з пелюстками 2 на лінійці, закріпленій на каретці копіювального супорта.
На замовлення верстат оснащується двопозиційною різцетримкою з різцевою головкою. Різцетримка призначена для автоматичної зміни інструменту при переході від чорнової обробки до чистової. Зміна проводиться гідравлічно поворотом шпинделя різцетримки від двох плунжерів.
Верстат оснащений охолодженням, що автоматично включається при підведених повзунах.
Поперек осі верстата в середній частині основи встановлено двошнековий транспортер для видалення стружки. Є централізована циркуляційна мастильна система, що складається зі станцій змащення шпиндельної бабки та станції змащення супортів.
Робота гідравлічного копіювального пристрою, що є основою верстату, базується на використанні так званих золотників, що стежать. Особливість цих золотників у тому, що їхнє переміщення викликає однакове за величиною і напрямком переміщення поршня гідроциліндра, пов'язаного з супортом. Профіль заготовки, затиснутою піноллю 10 гідроциліндра задньої бабки 9, обробляється одним різцем 5 (рис. 3). Різець встановлюють на копіювальному супорті 3, привідякого в поздовжньому і поперечному напрямках здійснюється гідравлічною системою стежіння 1 і 4, керованої за спеціальним копіром 8 або по еталонній деталі. Розміри копіра точно відповідають розмірам деталі.

Рис. 3. Схема роботи токарно-копіювального напівавтомату ЕМ-473
При поздовжній подачі каретки щуп 7 ковзає по копіру 8 і, залежно від його профілю, піднімається або опускається. Переміщуючись вгору, щуп пересуває золотник 6 керування копіювальним гідроциліндром у верхнє положення. При цьому масло надходить у верхню порожнину годроциліндра, а з нижньої зливається в бак. В результаті санки 2 і різець 5 піднімаються на таку ж висоту, на яку щуп 7 піднявся за шаблоном 8. Аналогічно відбувається рух різця вниз. Якщо ж щуп 7 рухається горизонтальною ділянкою шаблону 8, то золотник, перебуваючи в середньому положенні, перекриває надходження олії в циліндр і різець 5 не переміщається вертикально. Під час поздовжнього переміщення гідросупорта упори, розташовані на його командоапараті, послідовно натискають на кінцеві вимикачі, внаслідок чого виконуються швидкий прохід над необроблюваними ділянками деталі, швидке підведення та відведення, перемикання швидкостей, увімкнення поперечного супорту. Тут же встановлений і кінцевий вимикач, що відключає всі рухи на верстаті.
При обробці похилих поверхонь гідросупортом, коли складаються горизонтальна і вертикальна складові подачі, автоматичний регулятор налаштовує результуючу подачу приблизно рівної горизонтальної складової незалежно від кута нахилу профілю копіра. Переходи з прорізання канавок, зняття фасок, підрізування торців виконуються різцями, встановленими на поперечному супорті 12, який приводиться в рух за допомогою плоского копіра 15 з похилою поверхнею. Копір переміщається за допомогою гідроциліндра 11. На верстаті можлива обробка поверхні кілька проходів. Він може комплектуватися пристроєм активного контролю, що дозволяє обробляти поверхні з точністю до 0,04..0,06 мм.

Рис. 4. Схема следящего гідрокопіювального приводу ЕМ-473
На рис. 4 показано принципову схему гідравлічного приводу супорта токарно-копіювального напівавтомату Копіювальний суппорт 10, що має поперечне переміщення, жорстко пов'язаний з корпусом 7 слідкуючого золотника і зі штоком поршня нерухомого гідроциліндра 9 поперечної подачі. Поздовжня подача санок супорта здійснюється за допомогою гідроциліндра 4. Плунжер 8 слідкуючого золотника притискається пружиною до важеля 6, наконечник якого (щуп) знаходиться в контакті з нерухомим шаблоном або еталонною деталлю. Таким чином, важіль 6 утримує плунжер золотника у певному положенні щодо копіра. При переміщенні щупа вгору або вниз плунжер отримає таке ж переміщення.
Схема следящего гідрокопіювального привода
При зміщенні плунжера вгору масло від насоса 13 трасами X і II надходить у середню порожнину корпусу 7, а потім по трасі VII - в нижню порожнину циліндра 9, і поршень разом з супортом 10 отримає рух в тому ж напрямку, що і плунжер. Разом із супортом переміщатиметься і корпус 7 золотника, який в результаті займе початкове положення щодо плунжера (як показано на схемі). Подача олії через золотник припиниться, і суппорт зупиниться. Те саме відбудеться при переміщенні плунжера золотника за шаблоном вниз.
Таким чином, переміщення щупа, а разом з ним і плунжера вгору чи вниз викликає таке ж переміщення поршня гідроциліндра і пов'язаного з ним супорта 10 з різцем. Тому різець, повторюючи рух щупа, оброблятиме деталь за профілем копіра. Олія, що витісняється з верхньої порожнини циліндра 9 (при русі поршня вгору) або з нижньої порожнини (при русі вниз), йде по трасах VI або VII, потім через крайні виточення в корпусі золотника надходить в трасу V або IV, далі - в трасу III і через дросель 1 зливається у бак.
У процесі обробки каретці супорта, крім поперечного переміщення санок (стежка подача - одна координата), повідомляється і поздовжнє переміщення (подача, що задає, - інша координата). При цьому масло від насоса 13, пройшовши трасами X, II і VIII, через розподільне пристрій (на схемі не показано) подається в праву порожнину циліндра 4 і шток поршня переміщує каретку супорта вліво. Олія з лівої порожнини циліндра трасою IX через автоматичний регулятор швидкості 3 і дросель 2 зливається в бак. Таким чином, різець може отримувати рух подачі за двома координатами. Результуюча подача різця визначається за величиною прохідних перерізів дроселів 2 і 1, перший з яких регулює швидкість поздовжньої, а другий — поперечної подачі. Клапан 12 оберігає систему від навантаження і відводить надлишки олії в бак.

Рис. 5. Кінематична схема верстата ЕМ473
Кінематична схема верстата ЕМ473. Дивитись у збільшеному масштабі
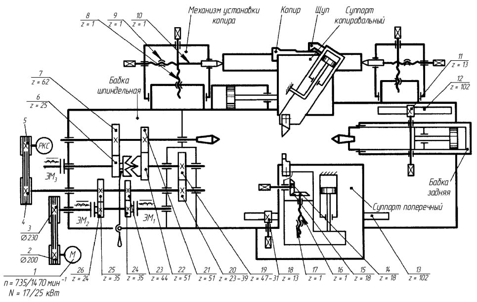
Cхема побудована широкому використанні гідравлічного приводу (рис. 5). Привід головного руху – чотиривалова коробка швидкостей – розташований у шпиндельній бабці.
Крутний момент від двигуна передається клинопасової передачею 200-230 на перший вал коробки швидкостей. Потім за допомогою електромагнітних муфт ЕМ1 та ЕМ2 через зубчасті колеса 24-23 та 26-25 - на другий вал. Змінні зубчасті колеса 20-19 пов'язують другий і третій вали. Увімкнення передач 6-7 та 22-21 здійснюється зубчастою муфтою. Від шківа другого вала обертання 4 передається реле контролю швидкості (РКС). Гальмування шпинделя виконується гальмівною муфтою (не показано). Рівняння кінематичного балансу головного приводу має такий вигляд:
nшп = 735(1470) • 200/230 • 0,985 • 24/35(35/44) × a/b • 25/62 (51/51) об/хв,
де а і b - Змінні колеса 20 і 19 відповідно.
Задня бабка має загальні напрямні з поперечним супортом. Переміщення пінолі здійснюється подачею олії під тиском у праву або ліву порожнину гідроциліндра, закріпленого на правому торці бабки. Шпиндель задньої бабки, як і шпиндель передньої бабки, змонтований на підшипниках кочення 4-го та 5-го класів точності. При затиснутій у центрах деталі гідравлічний підп'ятник, закріплений у шпинделі бабки, розвантажує підшипник від осьового навантаження, яке він сприймає за відсутності заготовки. На бабці змонтований командоапарат (кінцевий вимикач і регульований за положенням кулачок), що сигналізує про стиснуте положення. Установче переміщення задньої бабки здійснюється за допомогою вала-шестірні 11 і зубчастої рейки 12.
Кінематична схема верстата ЕМ473
Каретка поперечного супорта базується з нижньої сторони станини (як на стелі) на направляючих і виконує настановне переміщення вздовж осі шпинделя за допомогою рейкової передачі 18-13. Робоча подача повзуну супорта повідомляється гідроциліндром. Переведення з швидкого на робочий хід виконує золотник від кулачка, встановленого на повзуні. Крайні положення повзуна обмежуються кінцевими вимикачами і регульованим жорстким упором.
| Найменування параметру | ЕМ-473 | 1A730 | 1H713 |
|---|---|---|---|
| Основні параметри верстата | |||
| Рік початку серійного випуску | 1954 рік | 1972 рік | |
| Точність згідно з ГОСТ 8-82 | Н | Н | Н |
| Найбільший діаметр виробу, що обробляється над станиною, мм | 400 | 410 | 400 |
| Найбільший діаметр виробу, що обробляється над супортом, мм. | 250 | 320 | 250 |
| Найбільша довжина виробу, що обробляється (РМЦ), мм | 710, 1250 | 200..500 | 500 |
| Найбільша довжина обробки двома різцями, мм | 460 | ||
| Висота центрів, мм | 200 | ||
| Найбільша вага виробу оброблюваного в центрах, кг | 180 | ||
| Висота центрів над поздовжнім супортом, мм | 55 | ||
| Висота центрів над поперечним супортом, мм | 60 | ||
| Висота перерізу різців, що встановлюються, мм | 25..32 | ||
| Шпиндель | |||
| Кількість робочих швидкостей шпинделя | 14 | 12 | 14 |
| Пределы чисел оборотів прямого обертання шпинделя, об/мин (Число ступеней) | 100..2000 | 56..710 (12) | 50..1000 (14) |
| Найбільший момент, що крутить, на шпинделі не менше, кНм (кгс*м) | (310) | ||
| Діаметр отвору в шпинделі, мм | 70 | 52 | 60 |
| Конус у шпинделі | 80-АТ7 | Морзе 5 | |
| Кінець шпинделя по ГОСТ 12595-72 | фланцевий 1-8 | M80 | |
| Поздовжній супорт | |||
| Кількість подач поздовжнього супорта | 13 | ||
| Найбільше поперечне настановне переміщення супорта, мм | 90 | ||
| Найбільше поперечне робоче переміщення супорта, мм | 30 | ||
| Найбільше поздовжнє настановне переміщення супорта, мм | 325 | 385 | |
| Найбільше поздовжнє робоче переміщення супорта, мм | 250 | 325 | |
| Ціна поділу лімба, мм | 0,025 | ||
| Діапазон швидкостей поздовжніх подач револьверного супорта, мм/хв. | 25..400 | ||
| Допустиме тягове зусилля на ходовому гвинті, кгс | 1200 | ||
| Швидкість швидких переміщень поздовжнього супорта, мм/хв. | 3500 | ||
| Кількість проходів у циклі | |||
| Кількість змінних копірів | |||
| Поперечний супорт | |||
| Кількість подач поперечного супорта | 12 | ||
| Найбільше поперечне настановне переміщення супорта, мм | 225 | 200 | |
| Найбільше поперечне робоче переміщення супорта, мм | 135 | 200 | |
| Ціна поділу лімба, мм | 0,05 | ||
| Діапазон швидкостей поздовжніх подач револьверного супорта, мм/хв. | 25..315 | ||
| Швидкість швидких переміщень поперечного супорта, мм/хв. | 2250 | ||
| Допустиме тягове зусилля на ходовому гвинті, кгс | 1200 | ||
| Задня бабка | |||
| Конус пінолі | Морзе 5АТ7 | Морзе 4 | Морзе 5 |
| Найбільше переміщення пінолі, мм | 155 | 160 | |
| Найбільша швидкість переміщення пінолі підведення/відведення, м/хв. | 4/5,2 | ||
| Електроустаткування верстата | |||
| Кількість електродвигунів на верстаті, кВт | |||
| Електродвигун головного привода, кВт (об/мин) | 13/18 | 14 (1460) | 17 |
| Електродвигун приводу швидких і робочих подач поздовжнього супорта, кВт (об/хв) | 1,0 (1410) | 1,5 | |
| Електродвигун приводу быстрых і рабочих подач поперечного суппорта, кВт | 1,5 | ||
| Електродвигун приводу насоса циркуляционной змазки, кВт | |||
| Електродвигун гідростанції, кВт | |||
| Електродвигун насоса охолодження, кВт | 0,15 | ||
| Електродвигун транспортера стружки, кВт | |||
| Сумарна потужність електродвигунів на верстаті, кВт | |||
| Габарити і масса верстата | |||
| Габаритні розміри верстата (довжина, ширина, висота), мм | 2990 х 1530 х 2200 | 2335 х 1800 х 1300 | 2435 х 1250 х 1985 |
| Маса верстата, кг | 6400 | 3740 | 4700 |