Універсальні токарно-гвинторізні верстати ІТ-1М випускалися на підприємстві Іванівський верстатобудівний завод у селищі Іванівка Луганської області (колишньої Ворошиловоградської) в Україні.
Верстат токарно-гвинторізний ІТ-1М замінив у виробництві застарілу модель ЛТ-10, ЛТ-11 .
Спеціалізовані токарно-гвинторізні верстати полегшеного типу моделей ІТ-1М, ІТ-1ГМ призначені для виконання різноманітних токарних та гвинторізних робіт у патроні, на план шайбі та в центрах.
На верстаті здійснюються обточування, розточування, торцювання, свердління і нарізання метричної, дюймової, модульної та різьби.
За наявності спеціальних пристроїв на верстатах можна проводити фрезерування площин, шпонкових та інших пазів, розточування невеликих корпусних деталей, зовнішнє та внутрішнє шліфування.
Модель ІТ-1М - призначена для використання у рухомих ремонтних майстернях.
Модель ІТ-1ГМ - верстат стаціонарного виконання.
Верстати поставляються з міжцентровими відстанями 1000 та 1400 мм.
Напруга живлення на верстат ІТ-1М подається від генератора, який приводиться в дію від двигуна автомобіля через трансмісію.
Клас точності верстатів - Н за ГОСТ 8-82Е.
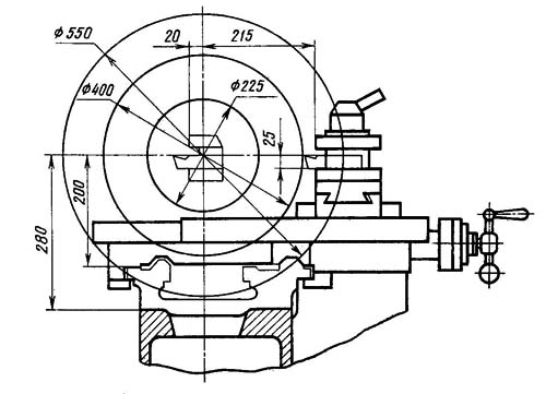
Станина верстата литої конструкції, коробчастої форми з поперечними ребрами. Для можливості обробки виробів діаметром до 550 мм у станині є виїмка з вставленим у неї місточком.
Дві призматичні та дві плоскі напрямні піддані термообробці з подальшим шліфуванням.
У передній бабці розміщений шпиндельний вузол, ланка збільшення кроку, реверс різьблення та подачі, а також привід руху змінних зубчастиних коліс та коробки подач.
В опорах шпинделя застосовані: у передній – дворядний роликопідшипник з регульованим радіальним зазором, у задній – радіальний шарикопідшипник.
Шпиндель має дванадцять частот обертання.
Кінець шпинделя фланцевий з коротким конусом, що центрує, під поворотну шайбу за ГОСТ 12593. Умовний розмір кінця шпинделя 6 (D = 106,375 мм).
Коробка подач - уніфікований вузол 16Б20п.070 отримує рух від передньої бабки верстата через змінні зубчасті колеса та забезпечує нарізання метричних, дюймових, модульних та різьб.
Фартух верстата 16Б20п.061 також уніфікований.
Бабка задня переміщається напрямними станини.
Для обточування конічних поверхонь з малою конусністю корпус задньої бабки зміщується в поперечному напрямку щодо осі верстата в обидві сторони по напрямному зубу.
Огородження патрона використовується під час роботи з висуванням кулачків межі зовнішнього діаметра патрона.
На верстаті ІТ-1М передбачено притиск, яким закріплюється огорожа при прохідному положенні.
Мастило верстата проводиться за допомогою плунжерного насоса, встановленого на корпусі передньої бабки.

ІТ-1М Габаритні розміри робочого простору

Шпіндель ІТ-1М. Посадкові та приєднувальні бази

Фото токарно-гвинторізного верстата ИТ-1М
Фото токарно-гвинторізного верстата ІТ-1М. Завантажити у збільшеному масштабі

Фото токарно-гвинторізного верстата ИТ-1М
Фото токарно-гвинторізного верстата ІТ-1М. Завантажити у збільшеному масштабі

Фото токарно-гвинторізного верстата ИТ-1М
Фото токарно-гвинторізного верстата ІТ-1М. Завантажити у збільшеному масштабі

Фото токарно-гвинторізного верстата ИТ-1М
Фото токарно-гвинторізного верстата ІТ-1М. Завантажити у збільшеному масштабі

Фото токарно-гвинторізного верстата ИТ-1М
Фото токарно-гвинторізного верстата ІТ-1М. Завантажити у збільшеному масштабі

Розташування складових частинин токарного верстата ІТ-1М
* Для верстата з відстанню між центрами 1400 мм.
** Для верстата стаціонарного виконання моделі ІТ-1ГМ.

Розташування органів керування токарним верстатом ІТ-1м

Графічні символы токарно-гвинторізного верстата ИТ-1м

Таблиця різьб токарно-гвинторізного верстата ИТ-1м
Таблиця різьб токарно-гвинторізного верстата ИТ-1М. Скачать в увеличенном масштабе

Таблиця різьб токарно-гвинторізного верстата ИТ-1м
Таблиця різьб токарно-гвинторізного верстата ИТ-1М. Скачать в увеличенном масштабе

Вариант таблицы різьб токарно-гвинторізного верстата ИТ-1м
Таблиця різьб токарно-гвинторізного верстата ИТ-1М. Скачать в увеличенном масштабе

Кінематична схема токарно-гвинторізного верстата ИТ-1м
Схема кінематична токарно-гвинторізного верстата ИТ-1М. Скачать в увеличенном масштабе

Схема установки підшибників токарно-гвинторізного на станке ИТ-1М
Схема установки підшибників токарно-гвинторізного на станке ИТ-1М. Скачать в увеличенном масштабе

Список підшибників токарно-гвинторізного верстата ИТ-1м
Список підшибників токарно-гвинторізного верстата ИТ-1М. Скачать в увеличенном масштабе

Передня опора шпинделя токарно-гвинторізного верстата ИТ-1м
Шпиндель верстата ИТ-1М смонтирован на 4-х підшипниках:
Подшипник 3182116 - ето двухрядный роликовый радиальный подшипник, з короткими цилиндрическими роликами, з безбортовым наружным кольцом, з коническим посадочным отверстием (1:12), канавкой і отверстиями для внесения смазочного материала. Комплект тел качения з внутренним кольцом способны перемещаться относительно наружного. Этот типоразмер, как і большинство роликопідшибників етой серии производится в настоящее время только высокоточным, (ранее выпускался 5-ым і 6-ым классами точності), поскольку основная область применения — верстати, при работе которых недопустимо высокое биение, возникающее вследствие даже небольших отклонений от заданных размеров.
Основным производителем підшибників подобной конструкції всегда считался московский ГПЗ-1, сейчас же его производство переводят в город Волжский, на филиал Завода Авиационных Подшипников при 15 ГПЗ (все заводы объединены под егидой Европейской Подшипниковой Корпорации). В настоящее время изготавливается две модификации - 4-3182116К і 4-3182116КЕ, отличающиеся материалом сепаратора (латунь і полиамид), цена на них одинакова. Раньше же их было значительно больше, прежде всего по классу точності. Старые підшипники, массово реализуемые в фирмах соответствующего профиля могут мати точность 2, 5 і 6. Купить підшипники з гарантией качества, не опасаясь контрафакта или того, что вам продадут бывший в употреблении подшипник, можно только у официальных представителей ЕПК (ориентировочная цена — около 4700 рублей), торгующих напрямую з завода.
Импортные підшипники етого типоразмера имеют обозначение NN3016K (наличие буквы К в номере обязательно, так как она указывает на коническую посадку). В России наиболее распространена продукция следующих производителей — FAG, SKF, IBC. Есть і дешевый варіант покупки импортных підшибників етого типа — продукция восточно-европейских производителей — ZKL (Чехия) і FLT (Польша), однако чаще всего она реализуется неликвидного качества, производства 80-ых годов прошлого века, когда они поставлялись в страну для нужд уже развалившихся промышленных предприятий. Она отличается большим разнообразием модификаций, так что иногда ето единственный варіант для ремонта оборудования.
Ориентировочная цена наиболее качественных і дорогих импортных підшибників етого типа составляет около 310 евро при покупке без посредников.

Схема підшипника 3182116 двухрядного роликового радиального
В процессе експлуатации верстата возникает необходимость в регулировании окремих складових частин верстата з целью восстановления их нормальной роботи.
Регулювання радиального зазору двухрядного роликового підшипника передньої опори шпинделя (рис. 23) осуществляется в такой післядовательности:
где В — толщина снятых полуколец до шлифовки, мм;
δ — величина необходимого смещения внутреннего кольца 8 підшипника относительно посадочной шейки шпинделя.
Величина смещения определяется по формуле:
δ = 15 (Δ0 - Δ +0,010) мм.
где Δ0 — начальный радиальный зазор (до регулировки), мм;
Δ — требуемый радиальный зазор підшипника, мм (токарно-винторезные верстати ИТ-1М і ИТ-1ГМ поставляются з радиальным зазором Δ = 0,008—0,010 мм);
Регулювання осьового зазору підшибників шпинделя. Осевой зазор підшибників шпинделя выбирается за счет подшлифовки компенсаторных колец 7, расположенных под передними полуфланцами.
Регулювання натяжения ремней головного приводу (см. рис. 10) производится переміщенням редуктора з електродвигуном в вертикальном направлении.
До натяжения ремней следует при необходимости освободить тормоз ослаблением гайки 5 і гвинта 6, а затем снова отрегулировать тормоз. Крепится редуктор при помощи четырех винтов 15.
Для проверки величины натяжения ремней следует снять кожух передньої бабки, прикрывающий ременную передачу.
Тонкая регулировка затяжки тормозной ленты производится при помощи гвинта 6, з післядующим стопорением гайкой 5.
При выборе всего ходу тонкой регулировки (винт з гайкой 5 упирается в край паза планки 4) дополнительный ход для затяжки ленты можно получить при возврате гвинта з гайкой 5 в исходное положение з затяжкой ленты при помощи квадрата 13.
Для возможности затяжки ленты квадратом 13 необходимо предварительно ослабить гайку 7 і выбить клиновый штифт з післядующей затяжкой після регулировки.
Регулировать затяжку ленты следует при установці рукоятки 12 в среднее положение т. е. ролик должен находиться во впадине втулки. Регулювання производится за счет клинового штифта з гайкой. Проверка часу торможения осуществляется, при обработке в патроне детали среднего размера при небольших частотах обертання шпинделя.
Регулювання центробежной муфты. При уменьшении крутящего момента на шпинделе, після длительной експлуатации верстата, вследствие износа колодок 14 центробежной муфты, их следует заменить запасным комплектом, поставляемым со верстатом.
При недостаточном зажиме задньої бабки на станине необходимо отпустить гайку 2 (см. рис. 8), отвернуть контргайку 4, закрутить на полоборота гайку 5, закрутить контргайку 4. После етого прижать гайкой 2 заднюю бабку к станине.
Величина зусилля, создаваемого механізмом подач регулируется поворотом гайки 5 (см. рис. 12). Тяговое усилие суппорта должно быть 180—200 кг.
Зазор в направляючих верхних і поперечных салазок суппорта выбирается клиньями, которые регулируются гвинтами. После регулировки салазки должны легко без рывков і качки перемещаться по своим направляющим.
Зазор в гайке поперечных салазок суппорта выбирается за счет смещения в осевом направлении подвижной частини 6 (см.рис. 13) гайки 7 гвинта 2 поперечної подачі при помощи гаек 4. Для доступа к месту регулировки необходимо снять крышку 5 на поперечных салазках.
Станина 9 (см. рис. 3) верстата литой конструкції, коробчатой формы з поперечными ребрами. Для возможности обробки изделий диаметром до 550 мм в станине имеется выемка со вставленным в нее мостиком.
Две призматические і две плоские направляющие подвергнуты термообработке з післядующей шлифовкой.
Станина устанавливается на двух пустотелых тумбах.
Тумбы 1 Верстата литые, облегченной конструкції. В левой тумбе размещен редуктор з тормозом силовой передачи і агрегат змазки верстата. В правой тумбе размещен бак для охлаждающей жидкости з насосом ПА-22.
Бак легко выдвигается из тумбы без отключения електродвигуна насоса охлаждения от електроланцюги верстата.
Бак имеет два патрубка. Верхний патрубок служит для предупреждения переполнения бака охлаждающей жидкостью.
При наполнении бака пробка верхнего патрубка откручивается, і лишняя жидкость сливается. Нижний патрубок дает возможность полностью слить жидкость из бака.

Передня бабка токарно-гвинторізного верстата ИТ-1м
Передня бабка токарно-гвинторізного верстата ИТ-1М. Скачать в увеличенном масштабе
В передньої бабке размещен шпиндельный узел — главный елемент верстата, звено увеличения шага, реверс різьби і подачі, а также привід руху сменных зубчатых колес коробки подач.
В опорах шпинделя применены: в передньої — двухрядный роликоподшипник 12 (рис. 7) з регулируемым радиальным зазором, в задньої — радиальный шарикоподшипник 5.
Ведомый шкив 7 размещен между опорами шпинделя на окремих підшипниках 6 і 8.
Шпиндель 13 получает шесть частот обертання от ведомого шкива 7 напрямую, т. е. через зубчатую муфту 10, і шесть частот обертання через переборную группу зубчатых колес 9 і 11. Всего шпиндель имеет двенадцать частот обертання.
Механізм увеличения шага выполнен двумя переключаемыми зубчатыми колесами 2 і 3, которые получают рух или от зубчатого колеса 4 или от зубчатого колеса 14.
Реверсирование руху на подачу і нарезание різьб осуществляется включением паразитной шестерни 1. Шпиндель имеет фланцевый конец, выполненный по ГОСТ 12593—72.
Бабка задня перемещается по направляющим станины і в нужном положении фиксируется гайкой 2 (рис. 8).
Для обточки конических поверхностей з малой конусностью корпус задньої бабки смещается в поперечном направлении относительно оси верстата в обе стороны по направляющему зубу 1 гвинтами 6. Перемещение выдвижной пиноли 3 осуществляется вращением маховика, а величина выруху контролируется по миллиметровой шкале, нанесенной на пиноли.

Редуктор токарно-гвинторізного верстата ИТ-1м
Редуктор токарно-гвинторізного верстата ИТ-1М. Скачать в увеличенном масштабе
Редуктор верстата шестеренчатый, рассчитанный на получение вместе з перебором передньої бабки двенадцати частот обертання шпинделя.
Рух от електродвигуна 6 (рис.9) через центробежную муфту 5 передається на первый вал 8 редуктора, на котором находится тройной блок шестерен 4. На валу 2 находится подвижной двойной блок шестерен 3, а на кінці вала укреплен трехручьевой шкив 1.
В нижней частини корпуса редуктора имеется отверстие для периодического слива масла из отделения тормоза і муфты, в которое ввернут винт 7.
Крепится редуктор на левой тумбе четырьмя специальными болтами.

Тормоз шпинделя токарно-гвинторізного верстата ИТ-1м
Тормоз шпинделя токарно-гвинторізного верстата ИТ-1М. Скачать в увеличенном масштабе
Обойма центробежной муфты одновременно является і тормозным барабаном.
Торможение шпинделя производится ленточным тормозом, лента 1 (рис. 10) которого охватывает обойму центробежной муфты.
Для отключения обертання шпинделя верстата рукоятка 12 устанавливается в нейтральное положение, при етом ролик 11, смонтированный в рычаге 8, утопает в лунке диска 10, сидящего на валике керування 9. Рычаг 8 через тягу 4 дает возможность разжаться пружине 2, которая через рычаг 3 затягивает ленту тормоза. При включении обертання шпинделя поворотом рукоятки 12 ролик выжимается из лунки, поворачивает рычаг 8 і сжимает пружину, освобождая тормозную ленту.
Коробка подач является унифицированным узлом 16Б20п.070, применяемым на мноких токарных верстатах, в том числе 16к20.
Коробка подач получает рух от передньої бабки верстата через сменные зубчасті колеса і обеспечивает получение метрических, дюймовых, модульных і питчевых резьб, а также продольных і поперечных подач в пределах технической характеристики верстата з использованием сменных зубчатых колес коробки передач.
Механізм коробки подач отключается при включении муфт 1 (рис. 11) і 2, і ходовой винт получает рух непосредственно от передньої бабки через сменные зубчасті колеса коробки передач.

Графічні символы і условные обозначения на коробке подач верстата ИТ-1М
Керування коробкой подач осуществляется плоскими кулачками, зубчатыми колесами і системой рычагов.
При ремонтi риски на зубчатых колесах керування необходимо совместить во избежание нарушения порядка переключения.
Рукоятки керування расположены на лицевой стороне коробки подач.
Механізм фартука, который также является унифицированным узлом 16Б20п.061, сообщает рух суппорту в продольном і поперечном направлениях. В ланцюги, передающей вращение реечной шестерне 2 (рис. 12) і винту 3 поперечної подачі, расположены реверсивный механізм подачі і перегрузочная муфта 1.
При включении ходового гвинта блокируется рукоятка ходового вала, что устраняет одновременное увімкнення гвинта і вала. При механической подаче маховик 34 (см. рис. 4) може быть отключен кнопкой 33. Продольная і поперечная подачі включаются одной рукояткой 4 (см. рис. 12). Отсчет продольных перемещений производится лимбом. Конструкція фартука обеспечивает проход неподвижных щитков защиты ходового гвинта і ходового вала.
Суппорт состоит из продольных 1 (рис. 13) і поперечных салазок 3, верхней каретки 9 і поворотного резцедержателя 10 (рис. 14). Поворот і фиксация резцедержателя осуществляется одной рукояткой 8. На винте 2 поперечної подачі і на винте 11 верхней каретки установлены лимбы з ценой деления 0,1 мм на диаметр заготовки.
Ограждение патрона (см. рис. 3) используется при работе з выдвижением кулачков за пределы наружного диаметра патрона.
На станке ИТ-1М предусмотрен прижим, которым закрепляется ограждение при походном положении.
На станке ИТ-1ГМ имеется блокировка, разрешающая пуск верстата только в закрытом положении ограждения патрона.
Агрегат змазки состоит из масляного шестеренного насоса 4 (рис. 15) АГ11-11А,масляного резервуара 2, фильтра 3 і магнитного патрона, который вставлен в стакан сливного отверстия 1.
Масляный насос работает как при правом вращении, так і при левом і получает рух от первого вала редуктора.
На верстатах ИТ-1М і ИТ-1ГМ установлены два трехфазных короткозамкнутых асинхронных електродвигуна:
На станке ИТ-1М применяются наступні величины переменного тока:
На станке ИТ-1ГМ применяются наступні величины переменного тока:
На рис. 16 показана схема електрична принципова, на рис. 17 — схема електрических з'єднань, а на рис. 18 — схема електрична переключателей і их диаграммы.

Електрична схема токарно-гвинторізного верстата ИТ-1М
Схема електрична принципова токарно-гвинторізного верстата ИТ-1М. Скачать в увеличенном масштабе
На станке ИТ-1М в левой тумбе находится ввод питающих проводов. Ввод выполняется проводами марки ПВГ сечением 2,5 мм². Здесь же находится вывод проводов на електродвигатель головного руху і колодка ШР32Г18ЭГ2 штепсельного разъема для подключения шлифовального приспособления.
Сверху к передньої бабке крепится пульт керування, на лицевой стороне которого расположены ручки керування:
С задньої стороны верстата установлена коробка з пакетно-кулачковым переключателем SA1 для увімкнення і реверсирования електродвигуна головного руху.
Выключатель SA5 местного освещения установлен на светильнике з гибкой стойкой.
На рис. 19 показана схема електрична принципова верстата моделі ИТ-1ГМ, а в таблице 5 дан перечень елементів к ней.
Схема електрична з'єднань показана на рис. 20.
На рис. 21 показано расположение електроаппаратов в шкафу керування, а на рис. 22 — схема електрична і диаграмма переключателя SA2.
На левой тумбе верстата ИТ-1ГМ вывод проводов на електродвигатель головного руху і колодка ШР32П8ЭГ2 штепсельного разъема для подключения шлифовального приспособления.
Ввод питающих проводов находится в нижней частини електрошафи, закрепленного на задньої стороне верстата.
В електрошкафу установлены:
С задньої стороны к передньої бабке крепится пульт керування, на лицевой стороне которого расположены ручки керування:
Захист елементів електроустаткування верстата от токов коротких замыканий осуществляется плавкими предохранителями і автоматическим выключателем. Защиту електродвигателей от перегрузки обеспечивают тепловые реле. Нулевая защита достигается катушкой пускателя КА.
При уходе за електрообладнанням необходимо периодически проверять состояние пусковой і релейной апаратури. При осмотрах релейной апаратури особое внимание следует обращать на надежное замыкание і размыкание контактных мостиков.
Во время експлуатации електродвигателей систематически производить их технические осмотры і профилактические ремонты.
Периодичность технических осмотров устанавливается в зависимости от производственных условий, но не реже одного раза в два месяца. При профилактических ремонтах должна производиться разборка електродвигуна, внутренняя і наружная чистка і замена змазки підшибників.
Замену змазки підшибників при нормальных условиях роботи следует производить через 4000 часов роботи, но при работе електродвигуна в пыльной і влажной среде її следует производить чаше, по мере необходимости.
Перед набивкой свежей змазки підшипники должны быть тщательно промыты бензином А-72 ГОСТ 2084—67. Камеры заполнять смазкой на 2/3 її объема.
Рекомендуемая смазка підшибників приведена в табл. 6.
При первоначальном пуске верстата необходимо прежде всего проверить надежность заземления і качество монтажа електроустаткування внешним осмотром.
Переключатели SA2 і SA3 на станке ИТ-1М установить на напряжение 380 или 220 В (в зависимости от напряжения в ланцюги живлення).
Увімкненням автомата QF подается напряжение на верстат.
На станке ИТ-1ГМ включением автомата QF подается напряжение на рабочие ланцюги і ланцюги керування, при етом загорается сигнальная лампочка HL.
При помощи кнопок і переключателей проверить четкость срабатывания магнитных пускачів і реле.
Таблиця 5
В связи з тем, что електрообладнання верстата ИТ-1М предназначено для роботи как от сети напряжением 220 В, так і от сети напряжением 380 В, перед началом роботи переключатели SA2 і SA3 на пульті керування ставятся в положение, соответствующее напряжению в питающей ланцюги. Керування електродвигуном Ml головного руху осуществляется переключателем SA1.
Електродвигун М2 насоса охлаждения включается выключателем SA4.
Местное освещение включается выключателем SA5, расположенным на светильнике.
Внимание ! При исчезновении напряжения в питающей ланцюги вводный автомат QF, переключатель SA1 і выключатель SA4 немедленно поставить в отключенное положение.
Выключателем автомата QF верстата ИТ-1ГМ подается напряжение на рабочие ланцюги і ланцюги керування, при етом загорается сигнальная лампочка HL, указывающая наличие напряжения в сети верстата.
Переключатель SA2, управляющий електродвигуном Ml, не имеет самовозврата і для осуществления нулевой защиты в среднем положении переключателя в точках 6 і 7 включается ланцюг пускателя КА, который ставится на самопитание і подает напряжение на остальную часть ланцюги керування.
Поворотом переключателя SA2 вправо или влево получают питание либо пускатель КМ1 в точках 9 і 10, либо пускатель КМ2 в точках 9 і 12, что обеспечивает вращение електродвигуна Ml вправо или влево.
Переключателем SA3 включается пускатель КМ3, подающий напряжение на електродвигатель М2 насоса охлаждения.
При установці верстат должен быть надежно заземлен і подключен к общей системе заземления. Для етой цели на левой тумбе верстата имеется болт заземления.
Схема змазки верстата показана на рис. 19. В таблице 7 дан перечень її елементів.

Схема змазки токарно-гвинторізного верстата ИТ-1М
Схема змазки токарно-гвинторізного верстата ИТ-1М. Скачать в увеличенном масштабе
Марка смазочного материала
Передня бабка, коробка подач і редуктор имеют циркуляционную систему змазки.
Эта система включает в себя резервуар масляный 1, насос шестеренный 2, фильтр сетчатый 4, фильтр сливной сетчатый 16 з магнитным патроном 17, маслоуказатель 18 і контрольный глазок 9 — указатель роботи насоса.
Насос системы приводится в рух зубчатыми колесами от первого вала редуктора. Для подачі масла при правом і левом вращении насоса установлена клапанная коробка з регулировочной иглой 3 расхода масла.
Масло от насоса поступает в клапанную коробку, откуда избыток сливается в масляный резервуар, а остальное проходит через сетчатый фильтр в маслопровод 5 і используется для змазки механізмов коробки подач 6, передньої бабки 8 і редуктора.
Часть маслау пройдя через смазываемые частини коробки подач, собирается на дне корпуса і по сливному маслопроводу 13 через сливной фильтр возвращается в масляный резервуар.
Остальная часть масла по маслопроводу подается для змазки заднего підшипника 7 шпинделя, а также для змазки зубчатых колес передньої бабки 8.
Для етого маслопровод проходит в верхней частини корпуса передньої бабки і упирается в контрольный глазок. Из кінця маслопровода масло попадает на контрольный глазок, указывая о работе насоса, і стекает в распределительную ванну 10, откуда фитилем подается на передний подшипник 11 шпинделя і передний подшипник вала перебора.
Пройдя через смазываемые частини передньої бабки, масло собирается на дне корпуса і через сливной маслопровод 12 попадает в редуктор. В редукторе, попадая на вращающиеся частини, масло разбрызгивается, смазывая трущиеся поверхности, і собирается на дне корпуса, откуда по маслопроводу 15 сливается в масляный резервуар через сливной фильтр.
Контроль за уровнем масла в резервуаре производится визуально при помощи маслоуказателя.
В фартуке применена циркуляционно-проточная система змазки.
Эта система включает в себя плунжерный насос 20, маслоуказатель 21.
Плунжерный насос приводится в действие от ексцентрика. Подаваемое насосом масло поступает в распределительную ванну, откуда распределяется для змазки деталей фартука. Ходовой винт і ходовой валик смазываются фитильной смазкой.
Кроме того, смазка деталей производится разбрызгиванием, что обеспечивается наличием масла в корпусе фартука. Уровень масла должен быть до средины маслоуказателя, а контроль проводится визуально.
Задние опори ходового гвинта 25, ходового вала 26 і вала керування 27 смазываются фитильной системой.
Масло заливается через заливное отверстие 23 в распределительную ванну 24 (корпус заднего кронштейна) і оттуда фитилями смазываются задние опори.
Точка змазки 29 підшибників зубчатого колеса приклона смазывается консистентной смазкой ЦИАТИМ-201.
Остальные точки змазки периодически смазываются через пресс-масленки 28 ручным способом.
Точки змазки пресс-масленками:
Перед пуском верстата необходимо через заливные отверстия заполнить масляный резервуар, масляную ванну в корпусе фартука і масляную ванну в заднем кронштейне маслом соответствующего сорта в количестве, указанном в табл. 7. Масло заливать через лейку з фильтровальной сеткой: сетка 24 ГОСТ 3187—65.
В масляный резервуар заливку производить через заливное отверстие, предварительно вынув магнитный патрон, который після заливки установить на место.
В фартук масло заливается через заливное отверстие, расположенное на левой стороне корпуса, при етом необходимо повернуть круглую задвижку против часовий стрелки. Масло заливать до уровня середины маслоуказателя.
Отвернув пробку на крышке заднего кронштейна, залить масло.
Смазать точки 29—36 при помощи шприца.
Все трущиеся пары, смазка которых специально не оговорена, смазать консистентной смазкой.
При первоначальном пуске верстата, сразу же після увімкнення електродвигуна головного руху, проверить работу масляного насоса поступлением масла в контрольный глазок, і після десяти минут роботи долить в масляный резервуар масло до уровня середины контрольного глазка. В процессе роботи необходимо постоянно следить за подачей масла.
Если при первоначальном пуске верстата масляный насос не подает масло, то необходимо отсоединить клапанную коробку от насоса, і в полость насоса залить масло, після чего поставить коробку на место.
Если в процессе роботи прекратилась подача масла — проверить уровень масла в резервуаре, очистить фильтр, вынув его из горловины масляного резервуара.
Медленно возвращается масло в резервуар — очистить сетку сливного фильтра, для чего необходимо отсоединить стакан сливного фильтра от резервуара і вынуть его, а также очистить магнитный патрон, для чего необходимо вынуть магнитный сердечник из пластмассового корпуса, а корпус промыть.
Масло не поступает в коробку подач — отсоединить маслопровод коробки подач от тройника і прочистить в нем дроссельное отверстие.
Масло не поступает в задний подшипник шпинделя — отсоединить от тройника маслопроводы, вывернуть тройник из корпуса передньої бабки і прочистить в нем дроссельное отверстие.
Регулировочная игла расхода в клапанной коробке отрегулирована на заводе-изготовителе, і регулировать иглой подачу масла только в случае необходимости. Для етого нужно отвернуть гайку, отпустить контргайку і отверткой поворачивать иглу.
Список применяемых смазочных материалов дан в таблице 9.
Налаштування необходимой частоти обертання шпинделя і данные для налаштування различных подач при точении і нарезании різьб приведены в разделе «Паспорт», а также в таблице, укрепленной на передньої бабке. В таблице приведен і набор сменных шестерен при нарезке резьб.
Смещение задньої бабки на заданную величину (при обработке конусной поверхности в центрах) производится гвинтами 6 з внутренним шестигранником (см. рис. 8), расположенными з двух сторон основания бабки.
Замер величины смещения бабки относительно основания осуществляется штангенциркулем по боковым платикам корпуса бабки і основания.
Нулевое положение бабки устанавливается совмещением боковых платиков в вертикальной плоскости. *
Для обробки деталей (рис. 25) диаметром до 550 мм необходимо снять со станины мостик. Для етого нужно отвернуть винты 2 крепления мостика і удалить штифты 1.
Перед установкой мостика на станину необходимо тщательно протереть установочные места станины і мостика і убедиться в отсутствии забоин на них. Установить мостик на штифты 1 і поочередно постепенно затянуть винты во избежание перекоса мостика.
Для налаштування верстата набором сменных зубчатых колес необходимо снять кожух, закрывающий коробку передач, і отвернуть на один оборот гайку 1 і ось 4 (рис. 28) в конічний прижим 5, при етом промежуточное зубчатое колесо 3 можно будет легко передвинуть по пазу приклона.
Отвернуть болты 2 і снять зубчасті колеса. Поставить другие согласно таблице для налаштування і закрепить их. Подведя промежуточное зубчатое колесо к колесу коробки подач, закрепить его на приклоне, заворачивая ось в прижим, повернуть приклон, подсоединить к другому колесу. Необходимо следить, чтобы между зубьями колес имелся гарантированный боковой зазор. После чего закрутить гайку 1.
В процессе експлуатации верстата возникает необходимость в регулировании окремих складових частин верстата з целью восстановления их нормальной роботи.
Регулювання натяжения ремней головного приводу (см. рис. 10) производится переміщенням редуктора з електродвигуном в вертикальном направлении.
До натяжения ремней следует при необходимости освободить тормоз ослаблением гайки 5 і гвинта 6, а затем снова отрегулировать тормоз. Крепится редуктор при помощи четырех болтов 15.
Для проверки величины натяжения ремней следует снять кожух передньої бабки, прикрывающий ременную передачу.
Тонкая регулировка затяжки тормозной ленты производится при помощи гвинта 6 з післядующим стопорением гайкой 5.
При выборе всего ходу тонкой регулировки (винт з гайкой 5 упирается в край паза планки 4) дополнительный ход для затяжки ленты можно получить при возврате гвинта з гайкой 5 в исходное положение з затяжкой ленты при помощи квадрата 13.
Для возможности затяжки ленты квадратом 13 необходимо предварительно ослабить гайку 7 і выбить клиповый штифт з післядующей затяжкой після регулировки.
Регулювання затяжки ленты должна производиться при установці рукоятки 12 в среднее положение, т. е. ролик должен находиться во впадине втулки. Регулювання производится за счет клинового штифта з гайкой. Проверка часу торможения осуществляется при обработке в патроне детали среднего размера при небольших частотах обертання шпинделя.
При уменьшении крутящего момента на шпинделе, після длительной експлуатации верстата, вследствие износа колодок 14 центробежной муфты, их следует заменить запасным комплектом, поставляемым со верстатом.
Регулювання радиального зазору двухрядного роликового підшипника передньої опори шпинделя (рис. 27) осуществляется в такой післядовательности:
δ = 15 (Д0 — Д +0,010) мм,
Осевой зазор підшибників шпинделя выбирается за счет подшлифовки компенсаторных колец 7, расположенных под передними полуфланцами.
При недостаточном зажиме задньої бабки на станине необходимо отпустить гайку 2 (см. рис. 8), отвернуть контргайку 4, закрутить на пол-оборота гайку 5, закрутить контргайку 4. После етого прижать гайкой 2 заднюю бабку к станине.
Величина зусилля, создаваемого механізмом подач, регулируется поворотом гайки 5 (см. рис. 12). Тяговое усилие суппорта должно быть 180 — 200 кг.
Зазор в направляючих верхних і поперечных салазок суппорта выбирается клиньями, которые регулируются гвинтами.
После регулировки салазки должны легко без рывков і качки перемещаться по своим направляющим.
Зазор в гайке поперечных салазок суппорта выбирается за счет смещения в осевом направлении подвижной частини 6 (см.рис. 13) гайки 7 гвинта 2 поперечної подачі при помощи гаек 4.
Для доступа к месту регулировки необходимо снять крышку 5 на поперечных салазках.
| Наименование параметра | ИТ-1Е | ИТ-1М | ИТ-1ГМ |
|---|---|---|---|
| Основні параметри верстата | |||
| Класс точності по ГОСТ 8-82 | Н | Н | Н |
| Наибольший диаметр заготовки над станиной, мм | 400 | 400 | 400 |
| Наибольший диаметр заготовки над суппортом, мм | 225 | 225 | 225 |
| Наибольший диаметр заготовки над выемкой в станине, мм | 550 | 550 | 550 |
| Наибольшая длина заготовки (РМЦ), мм | 1000 | 1000, 1400 | 1000, 1400 |
| Шпиндель | |||
| Диаметр сквозного отверстия в шпинделе, мм | 38 | 38 | 38 |
| Наибольший диаметр прутка, мм | 36 | 36 | 36 |
| Число ступеней частот прямого обертання шпинделя | 14 | 12 | 12 |
| Частота прямого обертання шпинделя, об/мин (швидкостей шпинделя) | 20..1800 (14) | 18..1250 (12) | 18..1250 (12) |
| Размер внутреннего конуса в шпинделе по ГОСТ 13214-67 | Морзе 5АТ8 | Морзе 5 | Морзе 5 |
| Кінець шпинделя по ГОСТ 12593-72 | 6к | 6к | 6к |
| Торможение шпинделя | есть | есть | есть |
| Блокировка рукояток от одновременного увімкнення шпинделя | |||
| Подачи | |||
| Наибольшая длина ходу каретки от руки, мм | 900, 1300 | 900, 1300 | |
| Наибольший поперечний ход суппорта, мм | 235 | 235 | |
| Перемещение суппорта на одно деление лимба при продольном движении, мм | |||
| Перемещение суппорта на одно деление лимба при поперечном движении, мм | 0,05 | 0,05 | |
| Найбільший хід верхнього супорта (різцеві санки), мм | 135 | 135 | |
| Переміщення різцевих санок на один поділ лімба, мм | 0,05 | 0,05 | |
| Число ступенів поздовжніх подач | 50 | 50 | 50 |
| Межі робочих подач поздовжніх, мм/об (кількість ступенів) | 0,05..6 (50) | 0,05..6 (50) | 0,05..6 (50) |
| Число ступенів поперечних подач | 50 | 50 | 50 |
| Межі робочих подач поперечних, мм/об (кількість ступенів) | 0,025..3 (50) | 0,025..3 (50) | 0,025..3 (50) |
| Швидкість швидких переміщень супорту, м/хв | ні | ні | ні |
| Кількість нарізних різьблень метричних | |||
| Межі кроків різьб метричних, що нарізаються, мм | 0,25..112 | 0,25..112 | 0,25..112 |
| Межі кроків різьблення дюймових | 56..1 | 56..1 | 56..1 |
| Межі кроків різьблення модульних | 0,25..56 | 0,25..56 | 0,25..56 |
| Межі кроків різьблення питних | 56..1 | 56..1 | 56..1 |
| Вимикаючі упори при поздовжньому русі | ні | ні | ні |
| Вимикаючі упори при поперечному русі | ні | ні | ні |
| Захист від перевантаження при поздовжньому русі | є | є | є |
| Блокування рукояток від одночасного увімкнення | є | є | є |
| Задня бабка | |||
| Найбільше переміщення пінолі, мм | 90 | 90 | 90 |
| Переміщення бабки поперек осі центрів, мм | ± 10 | ± 10 | ± 10 |
| Внутрішній конус, мм | Морзе №4 | Морзе №4 | Морзе №4 |
| Електроустаткування | |||
| Кількість електродвигунів на верстаті | 2 | 2 | 2 |
| Електродвигун головного приводу М1, кВт | 3 | 3 | 3 |
| Електродвигун насоса охолодження М2, кВт | 0,12 | 0,12 | 0,12 |
| Габарити та маса верстата | |||
| Габарити верстата (довжина ширина висота) (РМЦ = 1000), мм | 2200 х 1000 х 1300 | 2165 х 960 х 1500 | 2165 х 960 х 1500 |
| Маса верстата, кг | 1380 рік | 1140 | 1190 |
Продавці, пропозиції, ціни База даних