metalinstryment.com
Довідник по металорізальних верстатів та пресовому обладнанні

МВ-412 молот ковочный пневматический кузнечный
Схеми, опис, характеристики

МВ-412 молот ковочный пневматический кузнечный







Відомості про виробника молота ковочного пневматического кузнечного МВ-412

Производитель молота ковочного пневматического кузнечного МВ-412 - Воронежский завод кузнечно-прессового оборудования им. М.И. Калинина, основанный в 1899 году.

Другим производителем кузнечного молота МВ-412 был Хмельницкий завод кузнечно-прессового оборудования им. В.В. Куйбышева, основанный в 1898 г.

В настоящее время кузнечный молот МВ-412 производит ООО СО "ПРЕССМАШ", г. Москва





Верстати выпускаемые Воронежским заводом КПО им. М.И. Калинина ВЗКПО


МВ-412 молот ковочный пневматический. Назначение, область применения

Молот ковочный пневматический МВ412 з массой падающих частин 250 кг предназначен для разнообразных работ, выполняемых методом свободной ковки на плоских і фасонных бойках, как-то: протяжка, осадка, прошивка отверстий, горячая рубка материала, кузнечная сварка, гибка, кручение і штамповка в подкладных открытых штампах.

Молот пневматический ковочный МВ412 не рекомендуется применять для штамповки в закрытых штампах, так как жесткие і ексцентричные удары при штамповке приводят к поломке бабы, буксы или станины молота.

Главными достоинствами молота МВ412:

Особливості конструкції

Рабочий і компрессорный циліндри молота связаны между собой каналами. Взаимосвязь между цилиндрами і цилиндров з атмосферой достигается з помощью кранов, положение которых устанавливается рукояткой керування.

Молот МВ412 управляется при помощи педали или, при необходимости, рукояткой керування.

Возвратно-поступательное рух сообщается поршню компрессора кривошипно-шатунным механізмом, получающим рух от асинхронного короткозамкнутого електродвигуна через клиноременную передачу.


Загальний вигляд ковочного молота МВ-412

Загальний вигляд  ковочного молота МВ-412

Загальний вигляд ковочного молота МВ-412


Установчі розміри і крепление бойков молота МВ-412

МВ-412 Установчі розміри і крепление бойков молота МВ-412

Установчі розміри і крепление бойков молота МВ-412


Загальний вигляд ковочного молота МВ-412

Загальний вигляд  ковочного молота МВ-412

Фото ковочного молота МВ-412


Фото ковочного молота МВ-412

Фото ковочного молота МВ-412


Фото ковочного молота МВ-412

Фото ковочного молота МВ-412


МВ-412 Розташування складових частин ковочного молота

Розташування складових частин ковочного молота МВ-412

Розташування складових частин ковочного молота МВ-412


Список складових частин ковочного молота МВ-412:





Схема кінематична ковочного молота МВ-412

МВ-412 Схема кінематична ковочного молота

Кінематична схема ковочного молота МВ-412


Первоначальный пуск ковочного молота МВ-412

Перед первоначальным пуском молота должны быть выполнены ранее изложенные указания, относящиеся к первоначальному пуску (см разделы «Подготовка к первоначальному пуску» і «Смазка молота»). Необходимо проверить надежность клиновых з'єднань верхнего і нижнего бойков і подушки (фиг. 5, 6, 7).

Перед включением молота следует обязательно провернуть вручную кривошипный вал за приводной шкив з тем, чтобы убедиться в отсутствии причин, мешающих свободному вращению кривошипного вала. Проверить надежность соединения нижней головки шатуна з шатуном.

Для предварительного детального ознакомления з молотом рекомендуется обкатать его на холостом ходу, усвоить назначение і действие органів керування (см. фиг. 14).

Опробовать все режими молота, а также проверить поступление змазки.

Произвести пробную ковку горячего металла, в процессе которой устранить все выявленные недоделки монтажа.


Смазка пневматического молота МВ-412

Смазка робочого і компрессорного цилиндров осуществляется принудительным способом з помощью лубрикатора, установленного сбоку станины на кронштейне і приводимого в действие от звездочки, которая сидит на коленчатом валу, через велосипедную ланцюг.

Смазка пальца шатуна (фиг. 12) производится избытком масла в компрессорном цилиндре, которое улавливается горизонтальным отверстием пальца і через вертикальное сверление смазывает бронзовую втулку шатуна.

Смазка підшибників коленчатого вала обеспечивается закладкой в них один раз в два месяца густой змазки через масленки, установленные в крышках.


Буферное пристрій ковочного молота МВ-412

МВ-412 Буферное пристрій ковочного молота

Буферное пристрій ковочного молота МВ-412


Для предотобертання ударов бабы о верхнюю крышку робочого цилиндра предусмотрено буферное пристрій.

При подъеме бабы до кромки «О» канала «А» оставшийся между поршнем бабы і крышкой воздух в полости «В» образует буфер, препятствующий удару бабы о крышку і способствующий ускорению возврата бабы из верхнего крайнего положения.

Обратный шариковый клапан препятствует выходу воздуха в канал «А» при образовании буфера, но немедленно открывается, если давление воздуха в полости «В» станет ниже, чем в канале «А», соединенном з ВПКЦ (верхняя полость компрессорного цилиндра), чем предупреждается зависание бабы в верхнем крайнем положении і перегруз компрессора.


Воздухопополнение компрессорного цилиндра ковочного молота МВ-412

МВ-412 Воздухопополнение компрессорного цилиндра ковочного молота МВ-412

Воздухопополнение компрессорного цилиндра ковочного молота МВ-412


Воздухопополнение компрессорного цилиндра (фиг. 10).

Воздухопополнение происходит знизу: через внутреннюю полость поршня компрессора, через окно «Д» в поршне компрессора, отверстие «Е» в штоке поршня і отверстие «К» в цилиндре компрессора, которое, совмещаясь в крайних верхнем і нижнем положениях поршня, післядовательно сообщает верхнюю і нижнюю полости компрессора з атмосферой.


Букса бабы компрессора молота МВ-412

МВ-412 Букса бабы компрессора молота МВ-412

Букса бабы компрессора молота МВ-412


Баба предохраняется от обертання планками «П», вмонтированными в буксу бабы.

Для уплотнения штока бабы і штока поршня компрессора в буксах сделаны кольцевые выточки, в которые встроены чугунные сегменты, стягиваемые пружинами. По мере износа бабы і сегментов, зазоры «3» з течением часу уменьшаются, но могут быть восстановлены запиловкой торцов сегментов на 0,5—1,5 мм.

Букса бабы служит направляющей для бабы, а также нижней крышкой робочого цилиндра, а букса компрессора - направляющей поршня і нижней крышкой компрессорного цилиндра.


Крепление пальца шатуна молота МВ-412

МВ-412 Крепление пальца шатуна молота

Крепление пальца шатуна молота МВ-412


Осевое перемещение пальца «А» предупреждается пружинными кольцами «Б».

Штифт «В», посаженный в палец, выступающим концом входит в прорезь поршня Г і предохраняет палец от обертання.





Керування молотом МВ-412

МВ-412 Керування молотом МВ-412

Керування молотом МВ-412

Керування молотом МВ-412. Скачать в увеличенном масштабе



МВ-412 Керування молотом МВ-412

Керування молотом МВ-412


Молот имеет наступні режими роботи:

  1. Холостой ход
  2. Держание бабы на весу
  3. Автоматический удар
  4. Единичные удары как частные случаи автоматических ударов
  5. Прижим. Положение рукоятки керування «А» і крана при различных режимах роботи молота на фиг. 14

Холостой ход

Нижня і верхняя полости компрессора работают на выхлоп в атмосферу, при етом рукоятка керування занимает вертикальное положение, а рычаг атмосферного крана в положении «Открыт», т. е. повернут в сторону буквы «О», отлитой на крышке крана.

Холостым ходом пользуются при пуске молота і в кратковременные периоды ожидания нагретых заготовок.

Держание бабы на весу

Является переходным циклом от цикла «Холостой ход» і достигается поворотом рычага атмосферного крана на 180° в сторону буквы «3». При етом атмосферный кран перекрывает выхлопное отверстие «М» НПКЦ (нижняя полость компрессорного цилиндра, фиг. 14), из которой через окно 11 нижнего золотника воздух нагнетается в камеру «К» обратного клапана, отжимает клапан, по вертикальному каналу «Л» идет в НПРЦ (нижняя полость робочого цилиндра) і поднимает бабу.

По достижении полного подъема бабы в НПРЦ устанавливается постоянное давление. Компрессор, продолжая работать нижней полостью, нагнетает воздух в камеру обратного клапана «К». Частично етот воздух расходуется на пополнение утечек в рабочем цилиндре, а оставшийся объем воздуха в камере «К» всасывается в НПКЦ при ходе поршня вверх. Недостающий объем воздуха для полного заполнения компрессорного цилиндра поступает через систему каналов для воздухопополнения компрессорного цилиндра (фиг. 10).

Длительная, свыше 1 минуты, робота на цикле «Держание бабы на весу» приводит к перегреву молота і к излишней затрате енергии.

Автоматический удар

Цикл достигается поворотом рычага керування «А» вправо, при етом молот делает повторяющиеся удары различной силы, зависящей от угла поворота рычага керування «А». Атмосферный кран закрыт. При етом цикле поворотом верхнего і нижнего золотників через окна 1, 2, 9 і 10 напрямую соединяются верхние і нижние полости компрессорного і робочого цилиндров. Таким образом, при ходе поршня компрессора вниз из НПКЦ нагнетается воздух в НПРЦ для подъема бабы.

В то же время в ВПКЦ (верхняя полость компрессорного цилиндра) і ВПРЦ (верхняя полость робочого цилиндра) создается разряжение, также способствующее подъему бабы вверх. При ходе поршня компрессора вверх получается обратное явление. Число ударов бабы равно числу ходов поршня компрессора, т. е. числу оборотів кривошипного вала.

Единичные удары как частные случаи автоматических ударов

Исходным циклом является цикл «Держание бабы па весу» (рычаг керування «А» в вертикальном положении). Для нанесения единичного удара рычаг «А» резким движением отводится вправо до упора і быстро возвращается в исходное вертикальное положение. При етом получается максимальной силы удар. Меньшему углу поворота рычага «А» соответствует меньшей силы единичный удар. Если рычаг «А» будет задержан в отклоненном положении, то баба нанесет несколько ударов, поетому от работающего на молоте требуется некоторая сноровка.

Прижим. Положение рукоятки керування «А» і крана при различных режимах роботи молота

Прижим достигается поворотом рычага «А» при закрытом атмосферном кране. При етом воздух из НПКЦ через окна 9 і 11 поступает в камеру «К», отжимает обратный клапан, проходит в канал «Л», оттуда через окна 4 і 5 поступает в ВПРЦ і производит давление на бабу, ВПКЦ і НПРЦ соединены з атмосферой через окна 1, 3. Режим применяется при закручивании или загибе поковок.





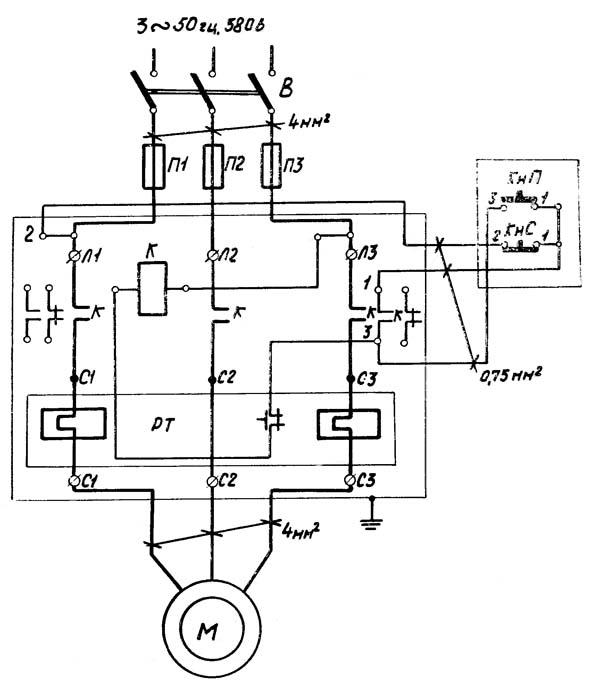
Схема електрична принципова молота МВ-412

МВ-412 Схема електрична принципова молота МВ-412

Електрична схема ковочного молота МВ-412


Електроустаткування молота МВ-412

Молот данной конструкції приводится в действие от индивидуального електродвигуна трехфазного тока з короткозамкнутым ротором (см. паспорт) на напряжение сети 220/380 В.

Керування пуском двигуна осуществляется з помощью кнопочного поста на две кнопки «Пуск» і «Стоп» (см. рис. 15) і магнитного пускателя.

Нажатием кнопки «Пуск» КнП устанавливается ланцюг: линейный провод Л1—провод 2 — кнопка КнС — нажатая кнопка КнП — провод 3 — катушка пускателя К — линейный провод ЛЗ.

Замыкание главных рабочих контактов «К» подключает двигатель к сети; замыкание блокировочного контакта «К» шунтирует кнопку «Пуск», вследствие чего ланцюг катушки «К» магнитного пускателя не прерывается після того, как кнопка «Пуск» вернется в нормальное положение. При нажатии кнопки «Стоп» ланцюг прерывается, катушка «К» обесточивается, і магнитный пускатель отключает двигатель от сети.

Для защиты двигуна от перегрузок применяется тепловое реле «РТ», смонтированное в магнитном пускателе. Для защиты от коротких замыканий в ланцюги до пускателя необходимо установить на цеховом распределительном щите плавкие предохранители.

Катушка пускателя рассчитана для роботи при напряжении от 85 до 110% от номинального. При напряжении до 50—60% от номинального замкнутый пускатель надежно удерживается во включенном положении. При меньшем напряжении контактор автоматически выключается, чем осуществляется нулевая защита двигуна.

Магнитный пускатель устанавливается при монтаже молота на отдельной стойке, стене, колонне.

На станине молота магнитный пускатель устанавливать не рекомендуется в связи з тем, что при работе молот подвержен значительным сотрясениям.

При монтаже молота на месте его, експлуатации должна быть предусмотрена возможность заземления всего електроустаткування.

Наличие незащищенных участков електропроводки не допускается. Сопротивление изоляции електропроводки должно быть не менее 0,4 Мом.




Изготовление плотницкого топора на молоте



Работа на 3-х тонном молоте




Технічні характеристики ковочного молота МВ412

Наименование параметра МА4132 МВ-412
Основні параметри молота
Энергия удара, не менее, кДж (кГс*м) 3,3 (330) 2,5 (250)
Номинальная масса падающих частин, кг 160 150
Частота ударов, 1/мин 210 190
Расстояние от оси бабы до станины (вылет), мм 340 350
Расстояние от зеркала нижнего бойка до нижней кромки буксы бабы (высота рабочей зоны в свету), мм 360 370
Розміри зеркала верхнего бойка, мм 75 х 190 85 х 200
Расстояние от зеркала нижнего бойка до уровня пола, мм 800 800
Наибольший ход бабы, мм 460 390
Оптимальное сечение квадратной заготовки, мм 80 х 80 120 х 120
Оптимальный диаметр круглой заготовки, мм 90 135
Електродвигун, кВт 15 10
Габарит і масса молота
Габарит молота (длна х ширина х высота), мм 930 х 1860 х 2160 2290 х 1040 х 2075
Масса молота з шаботом, кг 3540 4430

    Список литературы:

  1. Банкетов А.Н., Бочаров Ю.А., Добринский Н.С. і др. Кузнечно-прессовое обладнання, 1970
  2. Бочаров Ю.А., Прокофьев В, Н. Гідропривід кузнечно-прессовых машин, 1969
  3. Белов А.Ф., Розанов Б. В., Линц В. П. Объемная штамповка на гідравлических прессах, 1971
  4. Живов Л.И. Кузнечно-штамповочное обладнання, 2006
  5. Кузьминцев В.Н. Ковка на молотах і прессах, 1979
  6. Розанов Б.В. Гідравлические прессы, 1959
  7. Титов Ю.А. Обладнання кузнечно-прессовых цехов, 2001
  8. Щеглов В.Ф. Кузнечно-прессовые машины, 1989
  9. Берлет Разработка чертежей поковок, 2001
  10. Рудман Л.И. Справочник по оборудованию для листовой штамповки, 1989
  11. Романовский В.П. Справочник по холодной штамповке, 1965
  12. Охрименко Я.М. Технология кузнечно-штамповочного производства, 1966
  13. Кузьминцев В.Н. Ковка на молотах і прессах, 1979
  14. Мещерин В.Т. Листовая штамповка. Атлас схем, 1975