metalinstryment.com
Довідник по металорізальних верстатів та пресовому обладнанні

СР-6-9 Верстат деревообрабатывающий рейсмусовый
Схеми, опис, характеристики

СР-6-9 Верстат деревообрабатывающий рейсмусовый







Відомості про виробника рейсмусового верстата СР-6-9

Производителем рейсмусового деревообрабатывающего верстата СР 6-9 является Ставропольский Станкостроительный завод Красный Металлист, - который з 1932 года специализировался на производстве деревообрабатывающих верстатів. Завод был основан в 1902 году і расположен в городе Ставрополь.





Верстати, выпускаемые Ставропольским станкостроительным заводом Красный Металлист


СР 6-9 Верстат рейсмусовый односторонний. Назначение, область применения

Рейсмусовый верстат СР-6-9 принадлежит модельнову ряду рейсмусовых верстатів, выпущенных заводом "Красный Металлист" в середине восьмидесятых, а именно: СР3-6 (300 мм), СР6-9 (600 мм), СР8-1 (800 мм).

Рейсмусовый односторонний верстат СР-6-9 предназначен для продольного, одностороннего строгания в размер по толщине от 5 до 200 мм поверхностей плоских заготовок шириной до 630 мм, из древесины хвойных і лиственных пород з влажностью не более 15%. Верстат СР-6-9 относится к универсальному оборудованию і применяется в серийном і мелкосерийном производстве столярных изделий в строительной отрасли, мебельной, судостроении, вагоностроении.

Рейсмусовый верстат СР-6-9 служит для плоского строгания (фрезерування) досок, брусьев или щитов в размер по толщине. Применяется на предприятиях і в цехах по производству столярно-строительных изделий, клееных щитов, производствк мебели, деревянного домостроения і в др. деревообрабатывающих производствах.

Обработка заготовок производится 4- ножевым валом цилиндрической формы з клиновым закреплением ножей в корпусе вала. Перед ножевым валом установлен спеціальний прижим для подпора волокон древесины в зоне різання і устранения заколов на обрабатываемой поверхности.

Стол, по которому подаются заготовки, литой жёсткой конструкції, оборудован поддерживающими вальцами для уменьшения трения при перемещении обрабатываемого материала.

Подъем і опускание стола по высоте в зависимости от толщины обрабатываемого материала производится механически от отдельного електродвигуна или вручную маховиком з післядующей фиксацией, исключающей самопроизвольное опускание стола.

Нижня (базовая) поверхность заготовки должна быть обработана на фуговальном станке. Отклонение базовой пласти заготовки не должно превышать 0,15 мм на длине 1000 мм.

Подача заготовки - механическая. Пристрій подачі приводится в рух от двигуна через редуктор.

Помещение, где устанавливается верстат, должно соответствовать требованиям класса П-IIа по ПУЭ-98.

Климатическое виконання і категория розміщення верстата - УХЛ4.2, категория условий хранения - 2 по ГОСТ15150-69.


Отличительные особливості рейсмусового верстата СР 6-9:


СР-6-9 Загальний вигляд рейсмусового верстата

Фото рейсмуса СР-6-9

Фото рейсмусового верстата СР 6-9


Фото рейсмуса СР-6-9

Фото рейсмусового верстата СР 6-9


Фото рейсмуса СР-6-9

Фото рейсмусового верстата СР 6-9


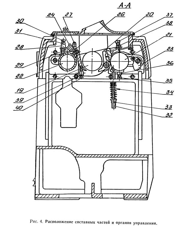
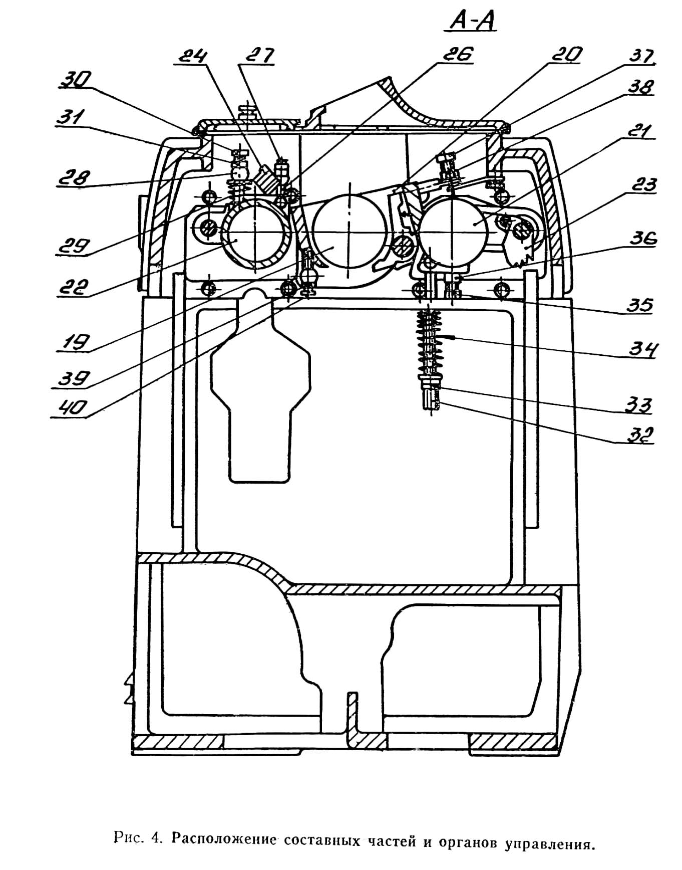
Розташування складових частин і органів керування рейсмусовым верстатом СР-6-9

Розташування складових частин і органів керування рейсмусовым верстатом СР-6-9

Розташування складових частин верстата СР 6-9. Рис. 3

Розташування складових частин і органів керування верстатом СР-6-9. Дивитись у збільшеному масштабі



Розташування складових частин і органів керування рейсмусовым верстатом СР-6-9

Розташування органів керування верстатом СР 6-9. Рис. 4

Розташування складових частин і органів керування верстатом СР-6-9. Дивитись у збільшеному масштабі



Розташування складових частин і органів керування рейсмусовым верстатом СР-6-9

Розташування органів керування верстатом СР 6-9. Рис. 5


Розташування складових частин і органів керування рейсмусовым верстатом СР-6-9

Розташування органів керування верстатом СР 6-9. Рис. 6

Розташування складових частин і органів керування верстатом СР-6-9. Дивитись у збільшеному масштабі



Розташування складових частин рейсмусового верстата СР 6-9


Розташування органів керування рейсмусовым верстатом СР 6-9

  1. Указатель нагрузки
  2. Световой указатель о наличии напряжения
  3. Кнопка «Пуск» ножевого вала
  4. Кнопка «Вверх» переміщення стола
  5. Кнопка «Вниз» переміщення стола
  6. Кнопка «Пуск» подачі
  7. Кнопка «Стоп» загальна
  8. Кнопка «Стоп» загальна
  9. Выключатель местного освещения
  10. Вводный выключатель
  11. Маховичок ручного переміщення стола
  12. Маховичок регулировки скорости подачі
  13. Рукоятка механического зажиму стола
  14. Рукоятка переміщення вальцов стола




Схема кінематична рейсмусового верстата СР-6-9

Схема кінематична рейсмусового верстата СР-6-9

Кинематическая cхема рейсмусового верстата СР 6-9

Схема кінематична рейсмусового верстата СР-6-9. Дивитись у збільшеному масштабі

Кинематические ланцюги верстата осуществляют наступні руху:

  1. Вращение ножевого вала
  2. Вращение подающих вальцов
  3. Механическое і ручное перемещение стола вверх-вниз
  4. Ручная налаштування скорости подачі
  5. Ручной зажим стола

На рисунке изображена кінематична схема одностороннего рейсмусового верстата СР 6-9. Ножевой вал 35 приводится во вращение от електродвигуна 1 через клиноременную передачу со шкивами 2 і 3. Торможение вала осуществляется тормозом 36.

Механізм подачі — трехвальцовый. Привід верхних подающих вальцов 37 і 39 і заднего нижнего вальца 42 осуществляется от двухскоростного електродвигуна 4, соединительной муфты і редуктора, смонтированных на одной плите. В редукторе расположены две електромагнітні муфты 40 і 41, з помощью которых включаются ступени редуктора з разным передаточным отношением.

При включении муфты 40 вращение на вальцы поступает через зубчасті передачи 5—7, 9—10, 11—12, 13—14, 15—16 і цепную передачу со звездочками 17—21. При включении муфты 41 вращение передається через шестерни 6—8, а далее по той же кінематичної ланцюги.

Установка необходимой скорости подачі производится двумя переключателями (для муфт і двигуна) по таблице налаштування, где для каждой скорости указано соответствующее положение переключателей. Четыре значения скорости подачі в диапазоне 8... 24 м/мин вполне удовлетворяют потребителей, а упрощение кінематичної ланцюги приводу подачі повышает надежность верстата.

Стол 38 Верстата имеет настроечное вертикальное перемещение по направляющим. Вращение от електродвигуна 34 через ременную передачу 28—29, червячный редуктор 30, цепную передачу 31—32, конические зубчасті передачи 23—24 і 26—27 поступает на две винтовые пары 22 і 25. Стол движется вверх і вниз только при непрерывном нажиме на кнопку. Для предотобертання поломки механізма подъема служит предохранительная муфта 33. Ручное перемещение стола осуществляется маховичком 43 через зубчатую муфту 44.

Фиксация стола в заданном положении производится вручную поворотом рукоятки, которая через ексцентрик і шток зажимает направляющую стола.


Общая компановка рейсмусового верстата СР-6-9. Опис основних сборочных единиц

Станина верстата СР-6-9. См. рис. 3, 4, 5, 6

Станина 1 Верстата представляет жесткую цельнолитую коробку. Внутри станины, в центральной нише передньої частини верстата, установлен бесступенчатый привід подающих вальцов і переміщення стола 2.

Регулювання скорости подачі осуществляется при помощи маховичка 16, расположенного в левой частини станины. В левой нише станины расположен електрошкаф. В правой нише станины размещены цепная передача 41 приводу подающих вальцов і клиноременная передача 46 приводу ножевого вала.

Верхний блок верстата

Верхня часть верстата 4 (см. рис. 3) выполнена блочной конструкцией, в которой размещены (см. рис. 4): когтевая защита 23, вальцы подающие — передний 21 і задний 22, вал ножевой 19, прижимы 20, траверса 24 фуговального приспособления. В левой передньої нише блока размещено електрообладнання пульта керування верстатом. В левой боковой нише блока размещено тормозное пристрій ножевого вала, в правой нише — цепная передача верхних подающих вальцов і клиноременная передача приводу ножевого вала.


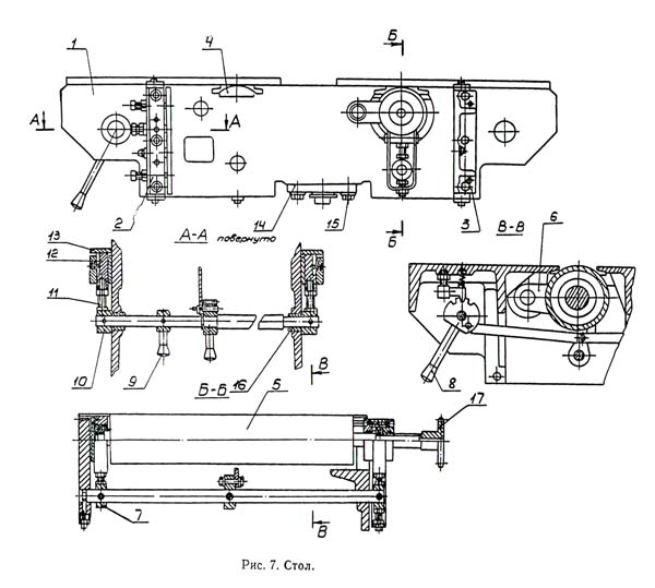
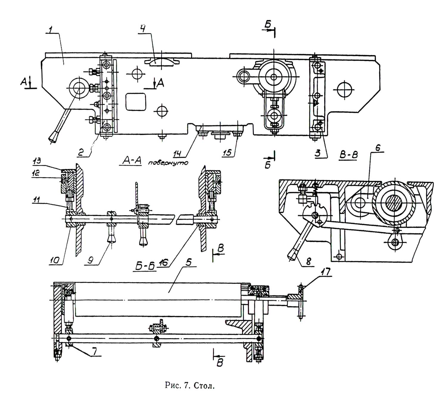
Стол рейсмусового верстата СР-6-9

Стол рейсмусового верстата СР-6-9

Стол рейсмусового верстата СР 6-9. Рис. 7

Стол рейсмусового верстата СР-6-9. Дивитись у збільшеному масштабі



Стол 1 — чугунный, прямоугольной формы з направляющими 2 і 3. В столе расположены два гладких вальца 4 і 5. Валец 5 — приводной. Вальцы смонтированы на качающихся кронштейнах 6. Выставка вальцов по высоте относительно рабочей поверхности стола производится ексцентриковым механізмом 7, поворотом рукоятки 8.

Фиксация стола в заданном положении производится ексцентриковым зажимом поворотом рукоятки 9.

Механізм переміщення стола

Механізм механического переміщення стола состоит из приводу 3 (см. рис. 3), цепной передачи 44 (рис. 5), распределительного вала IX (см. рис. 2), конических передач 23—24, 26—27 передач винт. — гайка X—25, XI—28.

Ручное перемещение стола осуществляется маховичком 15 (см. рис. 3), через кулачковую муфту 60 (см. рис. 6), цепную передачу 59. Для увімкнення муфты необходимо нажать на маховичок в осевом направлении.

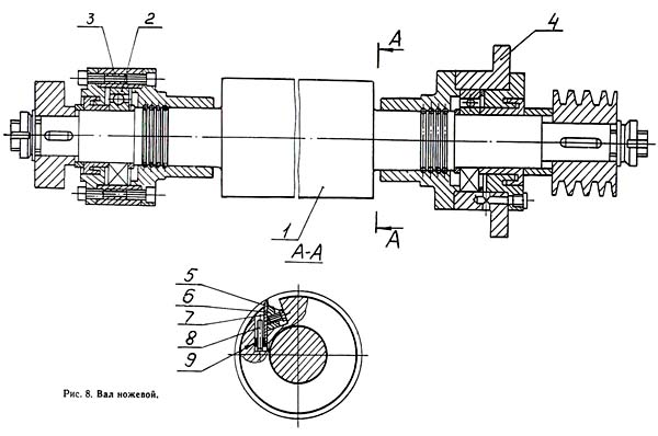
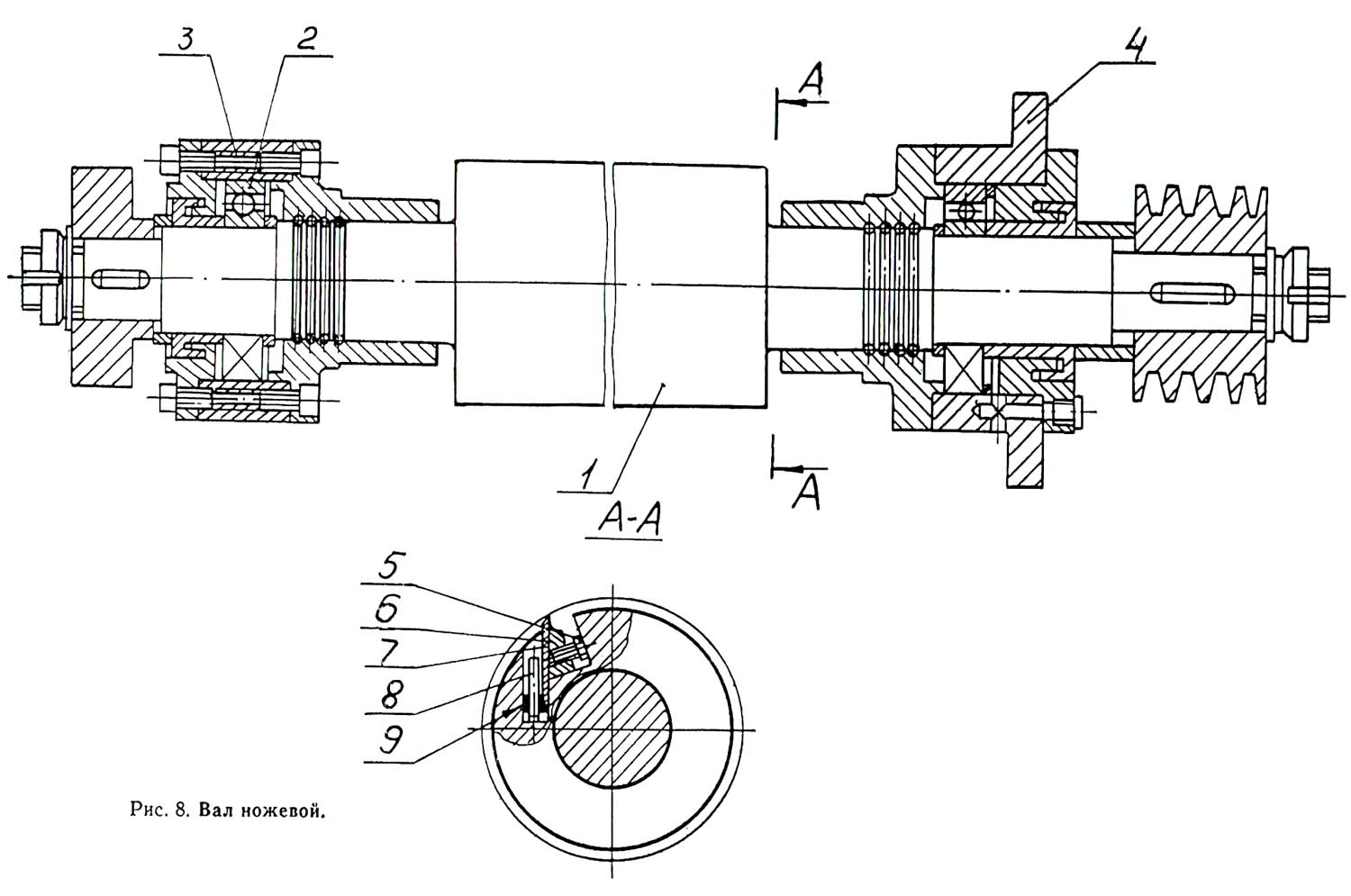
Вал ножевой рейсмусового верстата СР-6-9

Вал ножевой рейсмусового верстата СР-6-9

Вал ножевой рейсмусового верстата СР-6-9. Рис. 8

Вал ножевой рейсмусового верстата СР-6-9. Дивитись у збільшеному масштабі



Корпус ножевого вала 1 цилиндрической формы имеет четыре паза, размещенные параллельно оси вала, в которые устанавливаются прямые ножи - 7. Крепление ножей производится клиньями 6 і гвинтами 5. Выставка ножей осуществляется гвинтами 8 через гайки 9. Корпус ножевого вала монтируется на шарикопідшипниках 2, размещенных в цилиндрических опорах 3 і 4. На станке ножевой вал устанавливается в расточках блока 4 (см. рис. 3). Вращение ножевого вала осуществляется от електродвигуна 47 (см. рис. 5) клиноременной передачей 46. Електродвигун установлен на качающейся плите 49.

Прижимы і схема установки по высоте подающих вальцов, прижимов і когтевой защиты рейсмусового верстата СР-6-9

Прижимы і схема установки по высоте подающих вальцов, прижимов і когтевой защиты рейсмусового верстата СР-6-9

Прижимы рейсмусового верстата СР 6-9. Рис. 9


Передний прижим 1 служит для создания подпора волокон древесины в месте выхода ножа из материала і предупреждения заколов.

Передний прижим — секционный. Прижимная губка переднего прижима состоит из узких секций. Давление каждой секции осуществляется пружиной 3. Все секции размещаются на оси 4.

Задний прижим представляет собой сплошную балку. Передний і задний, прижимы монтируются на щеках 5 і 6 і имеют возможность поворачиваться на фланцах ножевого вала относительно его оси.

Механізм подачі рейсмусового верстата СР-6-9

Валец подающий передний рейсмусового верстата СР-6-9

Валец подающий передний рейсмусового верстата СР 6-9. Рис. 10

Валец подающий передний рейсмусового верстата СР 6-9. Дивитись у збільшеному масштабі



Механізм подачі верстата — вальцовый. Верхние подающие вальцы размещены в блоке верстата і состоят из переднего секционного 21 і заднего гладкого 22 вальцов (см. рис. 4).

Нижние вальцы — гладкие і установлены в столе (см. рис. 7).

Секции 1 (рис. 10) переднего подающего вальца монтируются на валу 2. Вал 2 вращается на шарикопідшипниках 3, установленных в кронштейнах 4 і 5. Кронштейн 4 качается на промежуточной втулке 6, установленной в блоке верстата, кронштейн 5 — на втулке 7, смонтированной в щеке 8. На валу 2 имеются продольные прорези — канавки, в которых размещаются упорные планки секционных колец 1.

Когтевая защита 10 установлена на оси 11. Подъем когтевой защиты производится поворотом оси 11. Пружина 12 возвращает когтевую защиту 10 в рабочее положение.

Валец подающий задниий рейсмусового верстата СР 6-9

Валец подающий задниий рейсмусового верстата СР 6-9. Рис. 11

Валец подающий задниий рейсмусового верстата СР 6-9. Дивитись у збільшеному масштабі



Задний подающий валец I (см. рис. 11) выполнен гладким і вращается на шарикопідшипниках 2, установленных в кронштейнах 3 і 4. Кронштейн 4 жестко связан з осью 5, которая одним концом опирается" во втулке 6, установленной в щеке 7, другим — во втулке 8, установленной в блоке верстата.

Прижим верхних подающих вальцов к заготовке осуществляется тягами 27 і 32 (см. рис. 4), усилие прижима регулируется винтом 30 і гайками 33, сжимающие пружины 29 і 34.

Вращение подающих вальцов і перемещение стола вверх і вниз осуществляется от бесступінчастого приводу подачі 3 (см. рис. 3), через цепные передачи 41 і 44 (см. рис. 5).

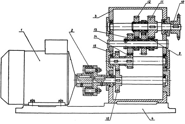
Привід подачі рейсмусового верстата СР-6-9

Привід подачі рейсмусового верстата СР-6

Привід подачі рейсмусового верстата СР-6-10. Рис. 12

Привід подачі рейсмусового верстата СР-6. Дивитись у збільшеному масштабі



Бесступенчатый привід подачі состоит из електродвигуна 1, механического варіатора 2, редуктора 3, смонтированных на одной плите 23.

От електродвигуна 1 через муфту 24, конусный диск 4 вращение передається валу 5. Далее через зубчасті передачи 6, 7, 8, 9 і 12 вращение передається валу 10 і от звездочки 13 — цепной передаче 41. При включении електромагнітних муфт 14 или 18 вращение от вала 16 і звездочки 17 передається цепной передаче 44 — происходит перемещение стола вверх или вниз. Изменение частоти обертання приводу (т. е. получение, необходимой скорости подачі) достигается переміщенням конусного диска 4 относительно контактного кольца 20. Перемещение осуществляется маховичком 16 (см. рис. 3).

Завеса звукопоглощающая рейсмусового верстата СР-6-9

Для снижения уровня звука спереди і сзади верстата устанавливается звукопоглощающая завеса, передняя і задня подвижные стенки.

Завесы крепятся к блоку гвинтами 1. В передньої завесе установлены подвижные секторы. Внутренние стенки завесы облицованы звукопоглощающим материалом. В задньої завесе установлена штора из звукопоглощающего материала.

Передние і задние подвижные стенки крепятся к столу гвинтами 2.

Принадлежности к верстату

В комплект поставки верстата входят:

Фиксатор

Приспособление предназначено для стопорения ножевого вала при смене ножей (см.рис. 14). Приспособление состоит из корпуса 1, гвинта 2, штока 3, пружины 4. Смена ножей производится только при зафиксированном ножевом вале. Для етого пристрій устанавливается на правой щеке переднего прижима, і крепится винтом 2. После закрепления фиксатора на щеке прижима, осторожно поворачивая ножевой вал, опустить стопор 4 фиксатора в один из четырех пазов ножевого вала. Смена ножей производится післядовательно при зафиксированном ножевом вале.

После смены ножей фиксатор необходимо снять со верстата.

Приспособление заточное

Для заточки ножей, установленных на ножевом вале верстата, служит заточное пристрій. Все вопросы, касающиеся его експлуатации і роботи, см. в руководстве по експлуатации заточного приспособления.

Приспособление фугувальне

Приспособление фугувальне предназначено для доводки лезвий заточных ножей мелкозернистым абразивом з целью повышения качества режущей поверхности.

При вращении головки нониусного пристроя 6 по часовий стрелке или против часовий стрелки происходит перемещение пиноли 2 со шлифовальным бруском 5 относительно корпуса 1. Величина переміщення фиксируется делением нониусного пристроя. Цена деления 0,1 мм.


Приспособление контрольное рейсмусового верстата СР-6-9

Приспособление контрольное рейсмусового верстата СР-6-9

Приспособление контрольное рейсмусового верстата СР-6-9

Приспособление контрольное предназначено для установки режущих кромок ножей относительно оси обертання ножевого вала на диаметр різання 128 ± 0,05 мм.

Приспособление состоит из корпуса (1), индикатора часового типа (2) і наконечника (3).

При установці приспособления на корпус ножевого вала происходит контакт наконечника з лезвием ножа. Разность показаний индикатора в крайних точках не должна превышать 0,05 мм.


Електроустаткування верстата рейсмусового одностороннего СР-6-9

Розташування електроустаткування на рейсмусовом станке СР 6-9

Розташування електроустаткування на рейсмусовом станке СР 6-9 Рис. 16


Електроустаткування верстата. Загальні відомості

Електроустаткування одностороннего рейсмусового верстата СР6-9 (рис. 16) содержит:

На станке применяются наступні величины напряжений:




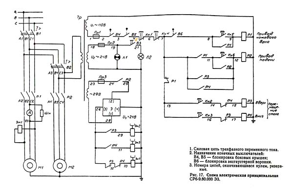
Схема електрична принципова СР-6-9

Схема електрична принципова рейсмусового верстата СР 6-9 Рис. 17

Схема електрична принципова СР-6-9. Дивитись у збільшеному масштабі



Опис роботи електросхеми

Список елементів к електросхеме (см. табл. 6). Перед включением верстата необходимо открыть дверь електрошафи і проверить состояние выключателя В2 і предохранителей Пр1...Пр3, після чего закрыть дверь електрошафи.

Напряжение на силовые ланцюги і ланцюги керування подается включением вводного выключателя В1. При етом на пульті керування должна загореться сигнальная лампа Л1 молочного цвета. Увімкнення приводу ножевого вала осуществляется кнопкой Кн5. При етом включается магнитный пускатель Р1, замыкая свои контакты в ланцюги живлення електродвигуна ножевого вала. Отключается привід ножевого вала кнопкой Кн4 или Кн1.

Привід ножевого вала невозможно включить при открытой ексгаустерной воронке или открытой боковой крышке (правой і левой). Блокировка осуществляется микровыключателями В4, В5, В6.

Привід подачі включается кнопкой Кн6 при включенном приводе ножевого вала. При етом включается магнитный пускатель Р2, замыкая свои контакты в ланцюги живлення електродвигуна М2. Привід подачі нельзя включить, если не включен привід ножевого вала, благодаря наличию замыкающих контактов пускателя Р1 в ланцюги живлення катушки пускателя Р2.

Перемещение стола производится включением кнопки Кн2 или Кн3 в толчковом режиме при отключенном приводе ножевого вала. При включенном приводе ножевого вала привід переміщення стола не включится, так как в его ланцюги имеется размыкающий контакт магнитного пускателя Р1.

Кнопкой Кн2 включается реле Р3, которое замыкает свой контакт в ланцюги живлення електромагнитной муфты Эм2 і включает перемещение стола вверх.

Кнопкой Кн3 включается реле Р4, которое замыкает свой контакт в ланцюги живлення електромагнитной муфты Эм3 і включает привід переміщення стола вниз.

Для фиксации стола в заданном положении "применяется тормозная муфта Эм4.

Переключатель В3 служит для увімкнення лампы местного освещения Л2.

Кнопка Кн4, расположенная на пульті керування, і кнопка Кн1, расположенная на станине верстата, служат для аварийного отключения верстата.

Захист електроустаткування от токов короткого замыкания і перегрузок осуществляется вводным выключателем В1, выключателем В2 і предохранителями Пр1...ПрЗ.

Нулевая защита осуществляется магнитными пускателями.

Подготовка електроустаткування верстата к первоначальному пуску і первоначальный пуск.

При первоначальном пуске верстата необходимо прежде всего проверить надежность заземления і качество монтажа електроустаткування внешним осмотром. После осмотра в електрошкафе на блоках зажимов отключить провода живлення двигателей Ml і М2. Включить вводный выключатель B1. При помощи кнопок, находящихся на пульті керування, проверить четкость срабатывания пускачів. После чего восстановить схему в исходное положение і проверить правильность направления обертання електродвигателей.





СР-6-9 Верстат деревообрабатывающий рейсмусовый. Відеоролик



Технічні характеристики рейсмусового верстата СР-6-9

Наименование параметра СР-6-9 СР-6-10 СР-8-2
Основні параметри
Максимальная ширина строгания, мм 630 630 800
Диапазон толщины обрабатываемых заготовок, мм 5..200 5..250 5..250
Скорость механической подачі заготовки, м/мин 8-24 8; 16 8; 16
Минимальная длина обрабатываемой заготовки, мм 400 450 450
Наибольшая толщина снимаемого слоя за один проход, мм 5 8 8
Частота обертання строгального вала (на холостом ходу), об/мин. 4570 4570 4570
Количество строгальных ножей на строгальном валу 4 4 4
Диаметр строгального вала, мм 125 128 128
Размер ножа: Длина, ширина, толщина, мм
Длина рейсмусового стола, мм
Номинальный диаметр присоединительного патрубка ексгаустерной воронки, мм 180
Максимальная разность толщины одновременно подаваемого материала, мм 4 4
Електроустаткування верстата
Род тока питающей сети 380В 50Гц 380В 50Гц 380В 50Гц
Количество електродвигателей на станке, шт 1 3 3
Електродвигун приводу ножевого вала, кВт 7,5 5,5 11,0
Електродвигун приводу подачі, кВт 1,1 1/ 1,7 1/ 1,7
Електродвигун приводу переміщення стола, кВт - 0,37 0,37
Суммарная мощность всех ел. двигателей верстата, кВт 8,6 13,07
Габарит і масса верстата
Габарит верстата (длина х ширина х высота), мм 1130 х 1360 х 1260 1120 х 1315 х 1340 1120 х 1480 х 1340
Масса верстата, кг 1680 1440 1600