Виробник координатно-шліфувального верстата 32К84СФ4 - Куйбишевський завод координатно-розточувальних верстатів , заснований у 1963 році.
Свою історію Куйбишевський завод координатно-розточувальних верстатів веде з 1963 року, коли було запроваджено першу чергу цього підприємства. Молодий колектив заводу за короткий термін освоїв виробництво верстатів високої точності і вже 1966 року випустив їх кілька сотень.
Завод припинив своє існування у 1991 році, і на його виробничих площах відкрилося кілька верстатобудівних підприємств, які продовжують випускати координатно-розточувальні верстати, займаються їх ремонтом та модернізацією. Завод координатно-розточувальних верстатів «Стан-Самара» ЗАТ, Самарське НВП координатно-розточувальних верстатів, ЗАТ, «Станкосервіс» ТОВ та ін.
Координатно-шліфувальний верстат 32К84СФ4 призначений для шліфування з високою точністю деталей складної конфігурації (штампи, прессформи тощо), для обробки отворів, як циліндричних, так і конічних з точним розташуванням осей, шліфування пазів із застосуванням спеціальних пристроїв.
Верстат 32К84СФ4 застосовується в умовах серійного, дрібносерійного та одиничного виробництва.
Верстат 32К84СФ4 має одностоєчне компонування з поздовжньо-рухомим столом, поперечно-рухомою шпиндельною бабкою, з вертикально-рухомим шпинделем, що несе на собі каретку з електрошпинделем (або пневмошпинделем).
Шпиндельна бабка оснащена приводом планетарного обертання, приводом врізання, пристроєм для шліфування конічних отворів, приводом зворотно-поступального руху гільзи.
Всі рухомі вузли верстата переміщаються напрямними ковзаннями (фторлон по чавуну).
Як приводи подач столу, санок і шпиндельної бабки застосовані кулько-гвинтові передачі, з'єднані безпосередньо з електродвигунами постійного струму.
Координатно-шліфувальний верстат 32К84СФ4 оснащений пристроєм ЧПУ TNC-151. Відлік переміщень рухомих органів здійснюється фотоімпульсними датчиками лінійних переміщень.
Верстат 32К84СФ4 - єдина вітчизняна модель серед аналогічного типу верстатів виконана за класом "С".
Розробник верстата 32К84СФ4 - Куйбишевське СПО.

Фото координатно-шліфувального верстата 32К84СФ4

Фото координатно-шліфувального верстата 32К84СФ4

Розташування основних вузлів координатно-шліфувального верстата 32К84СФ4
Розташування основних вузлів координатно-шліфувального верстата. Дивитись у збільшеному масштабі

Пристрій ЧПУ TNC 151 Верстата 32К84СФ4

Пристрій ЧПУ TNC 151 Верстата 32К84СФ4

Пристрій ЧПУ TNC 151 Верстата 32К84СФ4
Система Heidenhain TNC 151 має пам'ять близько 70 Кбайт для зберігання кількох програм.
У стандартному варіанті покадровий режим відпрацювання керуючої програми в міру її введення з перфострічки не передбачено, проте може бути реалізований на індивідуальне замовлення.

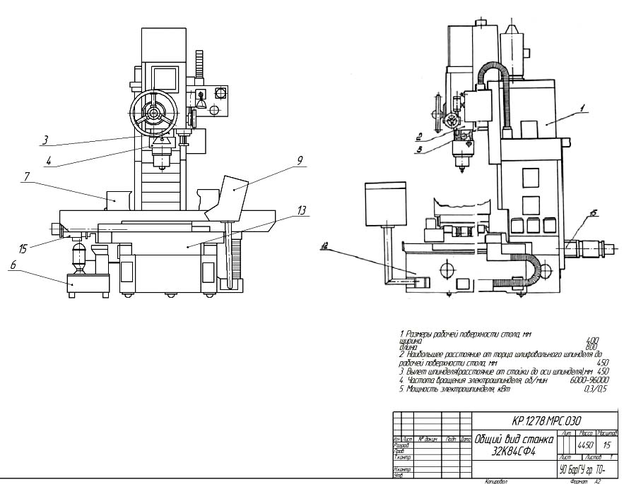
Установче креслення координатно-шліфувального верстата 32К84СФ4
| Найменування параметру | 32K84SF4 | |
|---|---|---|
| Основні параметри | ||
| Клас точності за ГОСТ 8-82 (Н, П, В, А, С) | С | |
| Робоча поверхня столу (ширина х довжина), мм | 400 x 800 | |
| Найменша відстань від торця шпинделя до столу, мм | 500 | |
| Відстань від осі шпинделя до стійки (виліт шпинделя), мм | 450 | |
| Найбільший діаметр отвору, що шліфується, мм | 300 | |
| Найбільша маса оброблюваної деталі, мм | 400 | |
| Найбільший діаметр шліфувального круга, мм | 50 | |
| Найбільший кут конічного отвору, що шліфується, град | 10° | |
| Шпиндельна бабка | ||
| Частота обертання електрошпинделя, об/хв | 12000..96000 | |
| Частота обертання пневмошпинделя, об/хв. | 100 000..250 000 | |
| Межі робочих подач гільзи шпинделя, мм/хв. | 15..6000 | |
| Прискорене переміщення гільзи шпинделя, мм/хв. | 6000 | |
| Найбільше вертикальне переміщення шпинделя (хід) (ручне, механічне), мм | 150 | |
| Найбільше вертикальне переміщення шпиндельної бабки (настановне від руки), мм | 500 | |
| Прискорене переміщення шпиндельної бабки, мм/хв. | 6000 | |
| Внутрішній конус шпинделя (внутрішній конус) спеціальний | ||
| Найбільший конус інструменту, що закріплюється. | ||
| Закріплення шпиндельної коробки на направляючих | ||
| Робочий стіл | ||
| Найбільше переміщення столу (подовжнє/поперечне), мм | 630 / 400 | |
| Число Т-подібних пазів на столі | ||
| Величина прискореного переміщення столу та санок, мм/хв. | 6000 | |
| Межі робочих подач столу та санок при фрезеруванні, мм/хв. | 1..6000 | |
| Система ЧПУ | ||
| Модель | Heidenhain TNC 151 | |
| Режим керування | Контурно-позиційний | |
| Введення інформації | Вручну із магн. стрічки | |
| Перетворювач вимірювальний за координатами X, Y, Z | ФотоІмпульсний | |
| Дискретність відліку, мм | 0,001 | |
| Точність верстата | ||
| Дискретність по осях координат, мм | 0,001 | |
| Точність встановлення координат столу, мм | ±0,003 | |
| Точність встановлення координат шпиндельної бабки, мм | ±0,0075 | |
| Точність відстаней між осями отворів, що розточуються на верстаті, мм | ±0,0025 | |
| Точність діаметра, що розточується (постійність діаметра), мм | ±0,003 | |
| Запобігання перевантаженню механізму подач | ||
| Привід та електроустаткування верстата | ||
| Кількість електродвигунів на верстаті | ||
| Електродвигун електрошпинделя шліфувальної бабки, кВт | 0,5 | |
| Електродвигун насоса гідросистеми, кВт | ||
| Електродвигун насоса системи охолодження, кВт | ||
| Електродвигун магнітного сепаратора, кВт | ||
| Загальна потужність електродвигунів, кВт | 9,11 | |
| Габаритні розміри та маса верстата | ||
| Габаритні розміри верстата (довжина x ширина x висота), мм | 2950 х 3500 х 2930 | |
| Маса верстата з електрообладнанням та охолодженням, кг | 4450 |