metalinstryment.com
Довідник по металорізальних верстатів та пресовому обладнанні

5М150 Верстат зубодолбежный вертикальний напівавтомат
схеми, опис, характеристики

5М150 Загальний вигляд зубодолбежного верстата







Відомості про виробника зубодолбежного напівавтомату 5М150

Производитель вертикального зубодолбежного напівавтомату 5М150, 5М150П Клинский станкостроительный завод, КСЗ, основанный в 1897 году.





Верстати, выпускаемые Клинским станкостроительным заводом, КСЗ


5М150 Верстат вертикальний зубодолбежный універсальний напівавтомат. Назначение і область применения

Зубодолбежный верстат 5М150 заменил в производстве модель 5В150.

Універсальный зубодолбежный верстат напівавтомат 5М150 предназначен для нарізання зубьев на цилиндрических шестернях внутреннего і наружного зацепления диаметром до 800 мм і модулем до 12 мм как з открытыми, так і закрытыми венцами (блок-шестерни) в условиях единичного і серийного производства.

Нарезаемое колесо крепится на горизонтальной планшайбе стола верстата при помощи специального приспособления. Для выверки биения заготовки планшайба може вращаться ускоренно от отдельного привода. Стол може перемещаться по горизонтальным направляющим станины; ускоренно от отдельного приводу для ориентировочной установки в исходное положение; замедленно от руки для точной установки в исходное положение і для врізання долбяка в заготовку; механически (радиальная подача) для врізання долбяка в заготовку на заданную глубину.

Зубодолбежный верстат 5М150 работает по замкнутому автоматическому циклу, причем після пуска верстата начинается одновременное рух долбяка, обкат і радиальная подача. По достижении долбяком заданной глубины процесс врізання автоматически прекращается, після чего планшайба стола делает один полный оборот.

Верстат 5М150 може работать как по однопроходному, так і по двухпроходному циклу, причем в зависимости от налаштування верстата во время перехода на второй проход скорость різання і подача могут изменяться автоматически, что значительно повышает производительность верстата, стойкость инструмента і точность нарізання.

На станке можно нарезать косозубые колеса при помощи специально изготовляемого приспособления, которое монтируется на суппорте верстата.

Стол зубодолбежного верстата 5М150 може перемещаться по горизонтальным направляющим станины, осуществляя при етом:

Обработка зубьев производится зуборезным долбяком, закрепленным на шпинделе і совершающим возвратно-поступательное движение, одновременно обкатываясь з нарезаемым колесом, как пара колес, находящихся в зацеплении.

Полуавтомат работает по следующему циклу:

При установці на суппорте специальных винтовых направляючих, изготовляемых по техническому заданию заказчика, напівавтомат може обрабатывать косозубые колеса. По согласованию з заказчиком напівавтомат може комплектоваться пристрійм для закрепления детали подъемником для установки крупных деталей.

Класс точності напівавтомату — Н по ГОСТ 8—77. Шероховатость обработанной поверхности три чистовом проходе Ra 1,6 мкм.

Категория качества — высшая.

При надлежащем уходе і регулировке верстат обеспечивает нарезание зубчатых колес по ГОСТ 1643—72 не ниже 7-й степени точності.


Нарезание цилиндрических колес на зубодолбежных верстатах

Образование профиля зубьев при нарезании долбяком

Обработку колес на зубодолбежных верстатах осуществляют режущим инструментом, выполненным в виде зубчатого колеса — долбяком, у которого одна торцовая плоскость служит для опори при закреплении на станке, а на второй имеются режущие кромки.

Обкатка профиля зубьев колеса профилями зубьев долбяка

Обкатка профиля зубьев колеса профилями зубьев долбяка

  1. профиль зуба долбяка
  2. профиль нарезаемого зуба колеса
  3. срезаемый слой металла за один ход долбяка

Зубья колеса нарезают долбяком по методу обкатки, профили зубьев долбяка не совпадают з профилями нарезаемых зубьев, хотя их і выполняют по евольвенте. Поетому одним і тем же долбяком данного модуля можно нарезать колеса з разными числами зубьев. Обкатка осуществляется при післядовательном положении профилей зубьев долбяка относительно профилей нарезаемых зубьев колеса в процессе их зацепления, пока они находятся в контакте. При обкатке долбяк і заготовка должны вращаться вокруг своих осей, как два зубчатых колеса в зацеплении. При нарезании колес з внешними зубьями они вращаются в разные стороны; при нарезании внутренних зубьев — в одну сторону. Передаточное отношение чисел оборотів долбяка і колеса в зависимости от числа зубьев их выражается отношением:


nд/ nз = zз /zд


Для прорізання зубьев в заготовке долбяк, кроме вращательного руху в зацеплении з заготовкой, должен совершать і поступательное движение, параллельное оси заготовки, тогда передние режущие кромки долбяка будут вырезать (долбить) впадины между зубьями заготовки і одновременно выполнять обкатку.

Для нарізання зубьев колеса на необходимую глубину нужно, чтобы зубья долбяка в процессе різання проходили между зубьями заготовки на етой глубине. Сразу установить долбяк на требуемую глубину нельзя, поетому вначале происходит врезание при вращении заготовки і долбяка з постепенной радиальной подачей долбяка в направлении глубины зубьев (пока зубья его не врежутся на необходимую глубину).

После робочого ходу долбяк поступательно возвращается в исходное положение. Чтобы зубья долбяка не терлись об обработанные поверхности, заготовка вместе со столом отодвигается от долбяка, а в начале следующего робочого ходу опять придвигается.

В некоторых верстатах отодвигается долбяк, а заготовка не изменяет своего положения.


Принципиальная схема механізма обертання заготовки і руху долбяка

Принципиальная схема механізма обертання заготовки і руху долбяка

Таким образом, в процессе зубодолбления верстат должен мати наступні руху (указаны стрелками):

  1. возвратно-поступательное рух х і р в вертикальном направлении параллельно оси заготовки (главное рух різання)
  2. согласованные обертання v долбяка і стола, осуществляющие обкатку
  3. рух s врізання долбяка на глубину нарезаемых зубьев — радиальная подача
  4. колебательное рух sk стола — для відведення стола от долбяка і подвода к нему




Габарити робочого простору зубодолбежного напівавтомату 5М150

5М150 Габарити робочого простору зубодолбежного напівавтомату

Габаритные розміри робочого простору верстата 5м150


Посадочные і присоединительные базы. Креслення кінця шпинделя зубодолбежного напівавтомату 5М150

5М150 Посадочные і присоединительные базы. Креслення кінця шпинделя зубодолбежного напівавтомату 5М150

Посадочные і присоединительные базы верстата 5м150


Загальний вигляд і общее пристрій верстата 5М150

5М150 напівавтомат зубодолбежный. Загальний вигляд

Фото зубодолбежного верстата 5м150


5М150 напівавтомат зубодолбежный. Загальний вигляд

Фото зубодолбежного верстата 5м150


5М150 напівавтомат зубодолбежный. Загальний вигляд

Фото зубодолбежного верстата 5м150


Кинематическая структура зубодолбежного верстата 5м150

Кинематическая структура зубодолбежного верстата 5В150

Кинематическая структура зубодолбежного верстата 5м150


Механізми напівавтомату осуществляют наступні формообразующие руху:


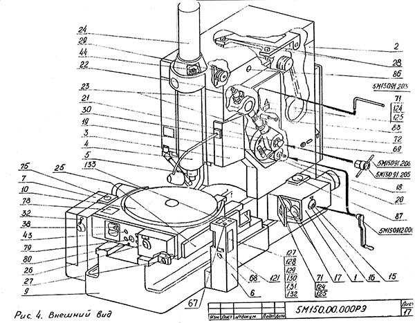
Розташування основних вузлів зубодолбежного верстата 5м150

Розташування основних вузлів зубодолбежного верстата 5м150

Розташування основних вузлів зубодолбежного верстата 5м150

Розташування основних вузлів зубодолбежного верстата 5м150. Дивитись у збільшеному масштабі



Розташування основних вузлів зубодолбежного верстата 5м150

Розташування основних вузлів зубодолбежного верстата 5м150

Розташування основних вузлів зубодолбежного верстата 5м150. Дивитись у збільшеному масштабі



Специфікація складових частин зубофрезерного напівавтомату 53А20


Розташування підшибників зубодолбежного верстата 5м150

Розташування підшибників зубодолбежного верстата 5м150

Розташування підшибників зубодолбежного верстата 5м150

Розташування підшибників зубодолбежного верстата 5м150. Дивитись у збільшеному масштабі





Кінематична схема зубодолбежного верстата 5м150

Кінематична схема зубодолбежного верстата 5В150

Кінематична схема зубодолбежного верстата 5м150

Кінематична схема зубодолбежного верстата 5м150. Дивитись у збільшеному масштабі



Механізми напівавтомату осуществляют наступні руху: рабочие формообразующие, вспомогательные і наладочные.

Рабочие формообразующие руху:

Основным способом роботи на станке является обработка вироби в напівавтоматическом цикле, который може включать:

При работе верстата в напівавтоматическом цикле имеются електрические блокировки, предохраняющее верстат от поломок при аварийных ситуациях (подробное опис см. раздел 7, руководства).

Вспомогательные руху:

Наладочные руху:

Обработка изделий в наладочном режиме осуществляется оператором з включением і отключением приводов всех необходимых движений не автоматически, і без автоматичного контроля глубины врізання і направления обката.

Вращение шпинделя з долбяком


Гідросхема зубодолбежного верстата 5м150

Гідросхема зубодолбежного верстата 5В150

Гідросхема зубодолбежного верстата 5м150

Гідросхема зубодолбежного верстата 5м150. Дивитись у збільшеному масштабі




Електроустаткування верстата

Відомості о системе живлення електроустаткування і указания по используемым в електрооборудовании напряжениям

Питание електроустаткування напівавтомату осуществляется от трехфазной сети переменного тока з частотой 50±1 Гц. или 60±1 Гц і одним из напряжений Uн = 220, 230, 240, 380, 400, 415, 440 В. з допустимым отклонением от 0,85 UH ДО 1,1 UH. Выбор одного из указанных напряжений производит завод-изготовитель в соответствии з заказ-нарядом или договором.

Питание ланцюгів, керування постоянного тока осуществляется от понижающего трансформатора через селеновый выпрямитель. Ланцюги керування переменного тока, освещения і сигнализации питаются от понижающего трансформатора

Электронное обладнання верстата пригодно для роботи на высоте над уровнем моря не более 1000 м.

Первоначальный пуск напівавтомату 5м150

После установки напівавтомату его необходимо заземлить. Болты заземления находятся на станине напівавтомату (рис.5 поз. 70). Провода питающей сети сечением медной жилы 6 кв. мм (10 кв. мм) при Uc = 220, 230, 240 В) присоединить к зажимам А; В; С; N вводного клеммного набора XT14.

ВНИМАНИЕ! АВТОМАТИЧЕСКИЕ ВЫКЛЮЧАТЕЛИ В МЕСТЕ ПОДКЮЧЕНИЯ ПОЛУАВТОМАТА ДОЛЖНЫ ОБЕСПЕЧИВАТЬ ТОК КОРОТКОГО ЗАМЫКАНИЯ НА КОРПУС ИЛИ НУЛЕВОЙ ПРОВОД НЕ МЕНЕЕ 650А,ПЛАВКИЕ ВСТАВКИ - НЕ МЕНЕЕ 100А ПРИ Uc = 220 В И 70А при Uc = 380 В. Проверку і увімкнення електроустаткування напівавтомату должен осуществлять електрик 4-го разряда і выше.

Провести внешний осмотр електроустаткування з целью выявления і устранения возможных поломок при транспортировке, хранении і монтаже.

Проверить наличие заземления напівавтомату.

Проверить соответствие таблице (черт. 5М150.00.000ЭЗ лист 1) нагревателей тепловых реле і плавких вставок предохранителей.

ЗАПРЕЩАЕТСЯ ПРИ ВКЛЮЧЕННОМ ВВОДНОМ АВТОМАТИЧЕСКОМ ВЫКЛЮЧАТЕЛЕ ПРОИЗВОДИТЬ РЕМОНТНЫЕ РАБОТЫ !!!

Включить вводной автоматический выключатель FA1. При етом на пульті керування загорается сигнальная лампа HL1.

Включить електродвигатель гідравлики кнопкой SB2. Проверить наличие давления в гідросистеме. При отсутствии показания манометра необходимо перефазировать провода питающей сети.

Опис режимов роботи електрической схеми

При изучении етого раздела необходимо пользоваться схемой електрической принципиальной напівавтомату 5М150.00.000.ЭЗ. Схема розположення електроустаткування, органів керування на пульті показаны на рис.6;10. Назначение символів - раздел 5 таблицы 4.

Подключение напівавтомату к електросети осуществляется вводным автоматическим выключателем FA1.

Нажать кнопку SB2. При етом включится контактор КМ1 і електродвигатель гідравлики М5. По достижении необходимого давления срабатывает реле давления SP1 і КА1. Реле КА1 подготавливает к включению ланцюги керування. После етого електросхема готова к работе в любом режиме.

Полуавтомат имеет наступні режими роботи:

Полуавтоматический режим:

Режим налагодження:

Режим роботи, кроме режима "ускоренное перемещение стола", выбирается переключателем SA4.


Настановне креслення зубодолбежного напівавтомату 5М150

5М150 Настановне креслення зубодолбежного напівавтомату 5М150

Настановне креслення зубодолбежного напівавтомату 5м150




5в150 Верстат зубодолбежный вертикальний напівавтомат. Відеоролик.





Технічні характеристики зубодолбежного верстата 5М150

Наименование параметра 5В150 5М150 5М161
Основні параметри верстата
Наибольший модуль нарезаемого колеса, мм 1..12 1..12 1..12
Наибольший диаметр нарезаемых цилиндрических прямозубых колес 800 800 1250
Наибольший диаметр нарезаемого зубчатого венца наружного зацепления, мм 800 800 1000
Наибольшая ширина нарезаемого венца (длина нарезки), мм 160 160
Диаметр делительного колеса суппорта, мм 360
Наибольшее расстояние от оси долбяка (шпинделя) до оси стола, мм 0..700 0..700 50..700
Расстояние от зеркала стола (планшайби) до торца шпинделя, мм 155..355 140..340
Расстояние от пола до планшайби, мм 870 870
Шпиндель долбяка
Наибольший ход долбяка (шпинделя), мм 200 200 200
Наибольший диаметр устанавливаемого долбяка, мм 200 200 200
Пределы чисел двойных ходов долбяка в минуту 33..188 33..188 33..212
Скорость швидкого обертання долбяка, об/мин 3 3 3 Диаметр оправки под долбяк, мм 44,443 44,443 44,443 Кінець шпинделя для крепления инструмента Морзе 5 Морзе 5 Морзе 5 Рабочий стол (план-шайба) Диаметр робочого стола (планшайби), мм 800 800 1000 Диаметр отверстия в столе, мм 120 120 120 Диаметр делительного колеса, мм 872 Пределы круговых подач стола на один двойной ход долбяка (при диаметре долбяка 100 мм), мм 0,2..1,5 0,2..1,5 0,2..1,5 Пределы радиальных подач стола на один двойной ход долбяка, мм 1..5,4 2,07..5,4 0,5..5,0 Скорость швидкого обертання стола, об/мин 1,7 1,7 1,7 Скорость швидкого переміщення стола, мм/мин 137 137 205 Привід і електрообладнання верстата Количество електродвигателей на станке Електродвигун головного приводу - поступательное рух долбяка, кВт (об/мин) 7,5 7,5 5/ 6,3/ 10 (735/ 980/ 1450) Електродвигун швидкого обертання долбяка, кВт (об/мин) 0,8 0,8 0,75 (1390) Електродвигун обертання стола (план-шайбы), кВт (об/мин) 1,1 1,1 1,1 (920) Електродвигун радиальной подачі стола, кВт (об/мин) 2,2 2,2 2,2 (1425) Електродвигун відведення шпинделя в верхнее положение, кВт (об/мин) 1,1 (1425) Електродвигун насоса змазки, кВт (об/мин) 0,25 Електродвигун насоса гідропривода, кВт (об/мин) 0,2 (1430) Електродвигун насоса охлаждения, кВт< (об/мин)/td> 0,12 0,12 0,12 Суммарная мощность електродвигателей, кВт Габаритные розміри і масса верстата Габаритные розміри верстата (длина х ширина х высота), мм 3100 x 1800 x 3500 4200 х 1800 х 3300 3260 х 1850 х 3300 Масса верстата з електрообладнанням і охолодженням, кг 10200 10800 10650

    Список литературы

  1. Полуавтоматы зубодолбежные 5М150, 5М150П, 5М161. Руководство по експлуатации 5М150.00.000 РЭ, 1981

  2. Аврутин Р.Д. Справочник по гідроприводам металлорежущих верстатів,1965
  3. Гинсбург Е.Г. Производство зубчатых колес, 1978
  4. Калашников А.С. Технология изготовления зубчатых колес, 2004
  5. Копылов Р.Б. Работа на строгальных і долбежных верстатах, 1975
  6. Мильштейн М.З. Нарезание зубчатых колес, 1972.
  7. Овумян Г.Г., Адам А.И. Справочник зубореза, 1983.
  8. Петруха П.Г. Резание конструкционных материалов, режущие инструменты і верстати, 1974
  9. Сильвестров Б.Н., Захаров И.Д. Конструкція і наладка зуборезных і резьбофрезерных верстатів, 1979.
  10. Шавлюга Н.И. Расчет і примеры наладок зубофрезерных і зубодолбежных верстатів, 1978.
  11. Яковцев А.Д. Работа на строгальных і долбёжных верстатах, 1966









Заказать

Кто владеет информацией - тот владеет миром.

Натан Ротшильд