metalinstryment.com
Довідник по металорізальних верстатів та пресовому обладнанні

675П Верстат фрезерный універсальний підвищеної точності
схеми, опис, характеристики

675П Верстат фрезерный універсальний підвищеної точності







Відомості про виробника фрезерного універсального верстата 675п

Фрезерный універсальний верстат моделі 675п выпускался предприятием Одесский завод фрезерных верстатів им. С.М.Кирова, ОЗФС, основанный в 1944 году, который разрабатывал і производил фрезерные верстати универсальных моделей.

Верстат моделі 675П выпускался, также, Ереванским заводом фрезерных верстатів, в настоящее время ЕрФрез, ОАО.





Верстати, выпускаемые Одесским заводом фрезерных верстатів


675П Верстат фрезерный універсальний підвищеної точності. Назначение і область применения

Инструментальный універсальний верстат 675П выпускался Одесским заводом фрезерных верстатів в 60-х годах прошлого века і заменил устаревшие моделі верстатів 678М (1948 год) і 679 (1959 год).

В свою очередь верстат моделі 675П был заменен более продвинутой моделью - 6а75п і 6А75в.

Инструментальный універсальний фрезерный верстат підвищеної точності моделі 675п предназначен для фрезерування деталей цилиндрическими, дисковыми і фасонными фрезами при помощи горизонтального шпинделя, і торцовыми, кінцівыми і шпоночными фрезами при помощи поворотного вертикального шпинделя, который при необходимости може быть повернут под углом.

Принцип роботи і особливості конструкції верстата

Обрабатываемая деталь може быть установлена на основном столе з вертикальной рабочей плоскостью или на угловом столе з горизонтальной рабочей плоскостью. Для обробки наклонных поверхностей деталь може устанавливаться на универсальном столе.

Для обробки деталей, требующих деления, могут быть использованы круглый стол либо делительная головка.

Используя резцовую, быстроходную, долбежную головки і комплект вспомогательного инструмента, можно выполнять на станке расточные, сверлильные і долбежные роботи. Подробное опис етих устройств приводится ниже.

К верстату 675П прилагается удобный для пользования инструментальный шкаф, а также комплект пристосувань і инструмента.

Технологические возможности верстата 675П могут быть значительно расширены применением приладдя і пристосувань, поставляемых за особую плату.

На станке можно выполнять ряд фрезерных і расточных работ з високою точностью, которая може быть достигнута, если верстат установлен в помещении з постоянной температурой 20±2°С і влажностью 65±5%, если вблизи верстата нет источников тепла і вибрации. На станке можно выполнять, также, сверление і рассверливание, долбление, центрование, цекование, зенкерование, развертывание, растачивание.

Наличие двух шпинделей горизонтального і поворотного вертикального, а также большого количества приладдя к верстату, делает его широкоуниверсальным і удобным для роботи в инструментальных цехах машиностроительных заводов при изготовлении пристосувань, инструмента, рельефных штампов і прочих изделий.

Широкий диапазон оборотів шпинделя і подач, наличие механических подач і быстрых перемещений обеспечивают економичную обработку различных деталей в оптимальных режимах.

Верстат применяется в единичном і мелкосерийном производстве в инструментальных і механических цехах машиностроительных предприятий.

Класс точності верстата П.

Преимущества использования універсального фрезерного верстата 675П:


Основні характеристики фрезерного універсального верстата 675п

Производитель: Одесский завод фрезерных верстатів им. С.М.Кирова.


Аналоги універсального фрезерного верстата 675П


Габаритные розміри робочого простору і присоединительные базы верстата 675П

Габаритные розміри робочого простору і присоединительные базы верстата 675П

Габаритные розміри робочого простору верстата 675П

Посадочные і присоединительные базы верстата:


Загальний вигляд універсального фрезерного верстата 675П

Загальний вигляд універсального фрезерного верстата 675П

Фото фрезерного універсального верстата 675П


Загальний вигляд універсального фрезерного верстата 675П

Фото фрезерного універсального верстата 675П

Фото фрезерного універсального верстата 675П. Дивитись у збільшеному масштабі



Загальний вигляд універсального фрезерного верстата 675П

Фото фрезерного універсального верстата 675П

Фото фрезерного універсального верстата 675П. Дивитись у збільшеному масштабі



Загальний вигляд універсального фрезерного верстата 675П

Фото фрезерного універсального верстата 675П



Загальний вигляд універсального фрезерного верстата 675П

Фото фрезерного універсального верстата 675П

Фото фрезерного універсального верстата 675П. Дивитись у збільшеному масштабі



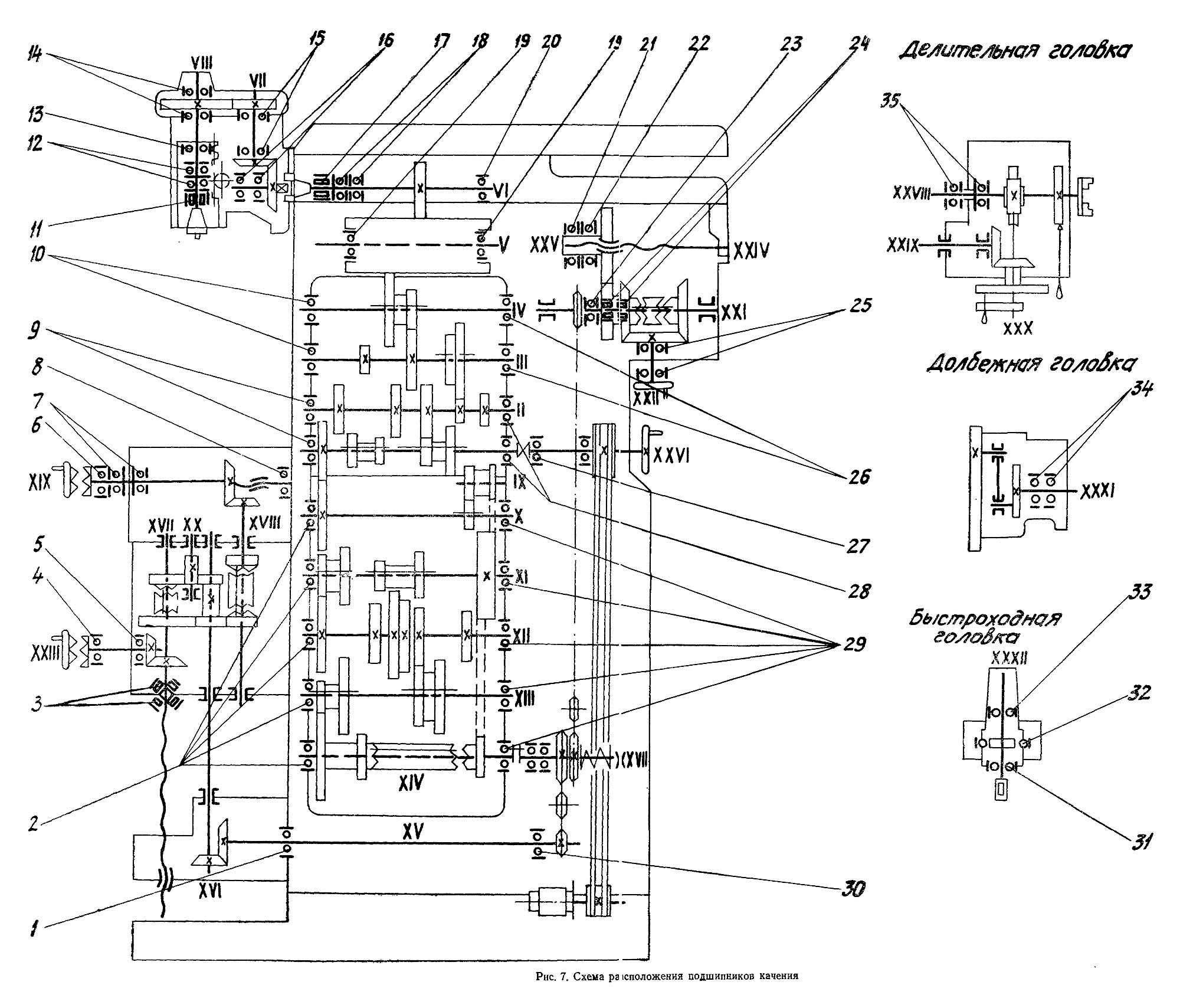
Розташування складових частин верстата 675П

Розташування складових частин верстата 675П

Розташування складових частин фрезерного верстата 675П


Список складових частин універсального фрезерного верстата 675П

  1. вертикальная головка
  2. коробка швидкостей
  3. шпиндельна бабка
  4. коробка подач
  5. угловой горизонтальный стол
  6. суппорт
  7. станина
  8. електрообладнання
  9. основной вертикальний стол

Розташування органів керування консольно-фрезерным верстатом 675П

Схема органів керування фрезерного верстата 675П

Розташування органів керування фрезерным верстатом 675П

Розташування органів керування консольно-фрезерным верстатом 675П. Дивитись у збільшеному масштабі



Список органів керування консольно-фрезерным верстатом 675П

  1. Рукоятка набора швидкостей
  2. Рукоятка увімкнення швидкостей
  3. Рукоятка набора подач
  4. Рукоятка увімкнення подач
  5. Рукоятка ускоренного ходу суппорта і шпиндельной бабки
  6. Маховик ручного переміщення стола в вертикальном направлении
  7. Маховик ручного переміщення стола в продольном направлении
  8. Рукоятка зажиму суппорта в вертикальном направлении
  9. Рукоятка увімкнення поздовжньої і вертикальной механической подачі стола
  10. Рукоятка зажиму в горизонтальном направлении
  11. Маховик ручного переміщення шпиндельной бабки
  12. Рукоятка увімкнення механической подачі шпиндельной бабки
  13. Рукоятка ручного переміщення вертикального шпинделяи
  14. Рукоятка зажиму шпиндельной бабк
  15. Зажим гильзы вертикального шпинделя
  16. Гайка крепления вертикального шпинделя
  17. Упор величины переміщення вертикального шпинделя
  18. Винт установки вертикального шпинделя в вертикальное положение
  19. Зажим инструмента (патрона)
  20. Зажим хобота горизонтальной бабки
  21. Маховик ручного обертання шпинделя
  22. Реверс оборотів шпинделя
  23. Пуск і зупинка головного двигуна
  24. Увімкнення верстата в сеть
  25. Выключатель насоса охлаждения
  26. Выключатель освещения
  27. Упоры отключения механической поздовжньої подачі
  28. Упоры отключения механической вертикальной подачі
  29. Упоры отключения механической поперечної подачі
  30. Лубрикатор для жидкой змазки С17—12

Список графических символів на табличках універсального фрезерного верстата 675П

Список графических символів на табличках верстата 675П







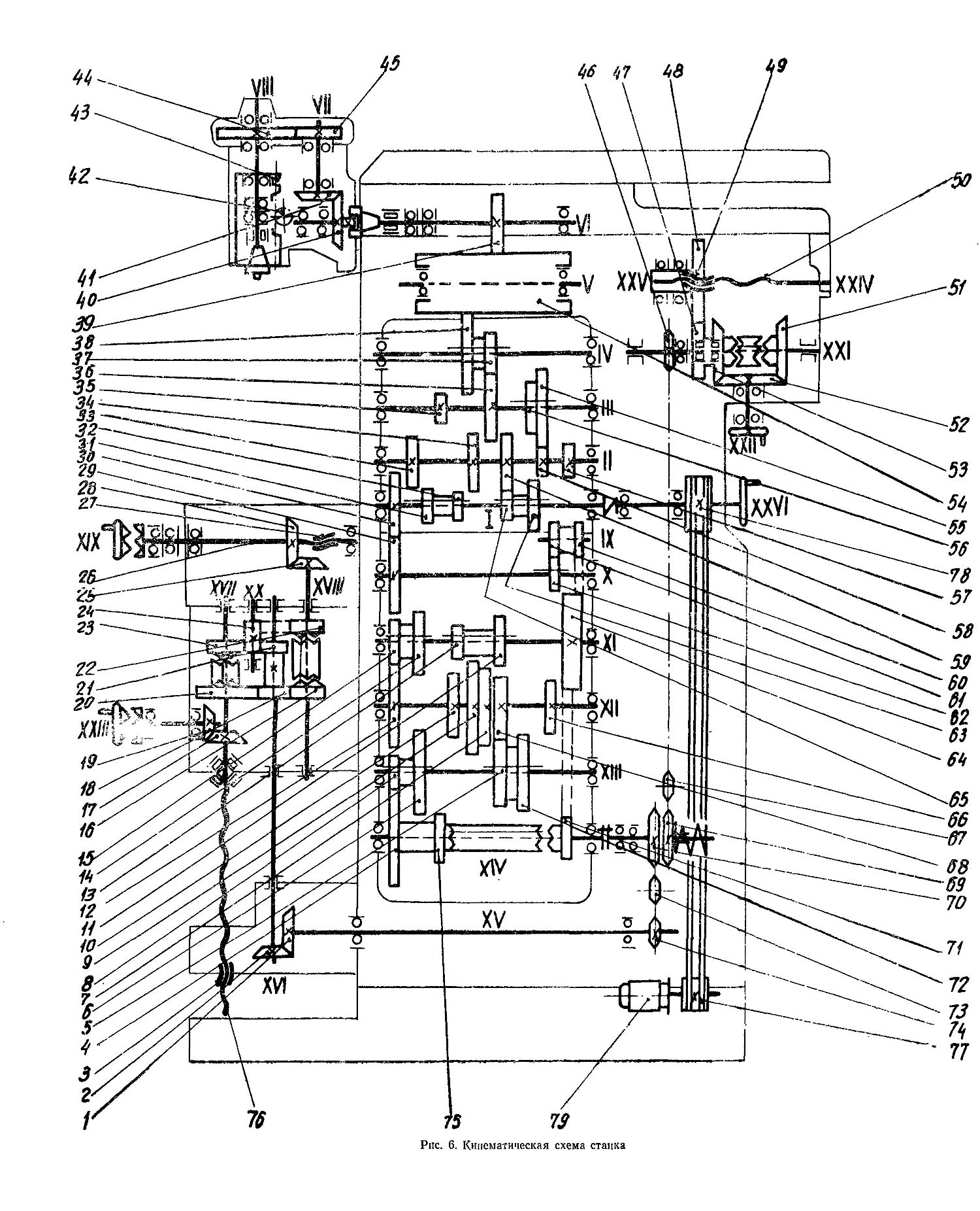
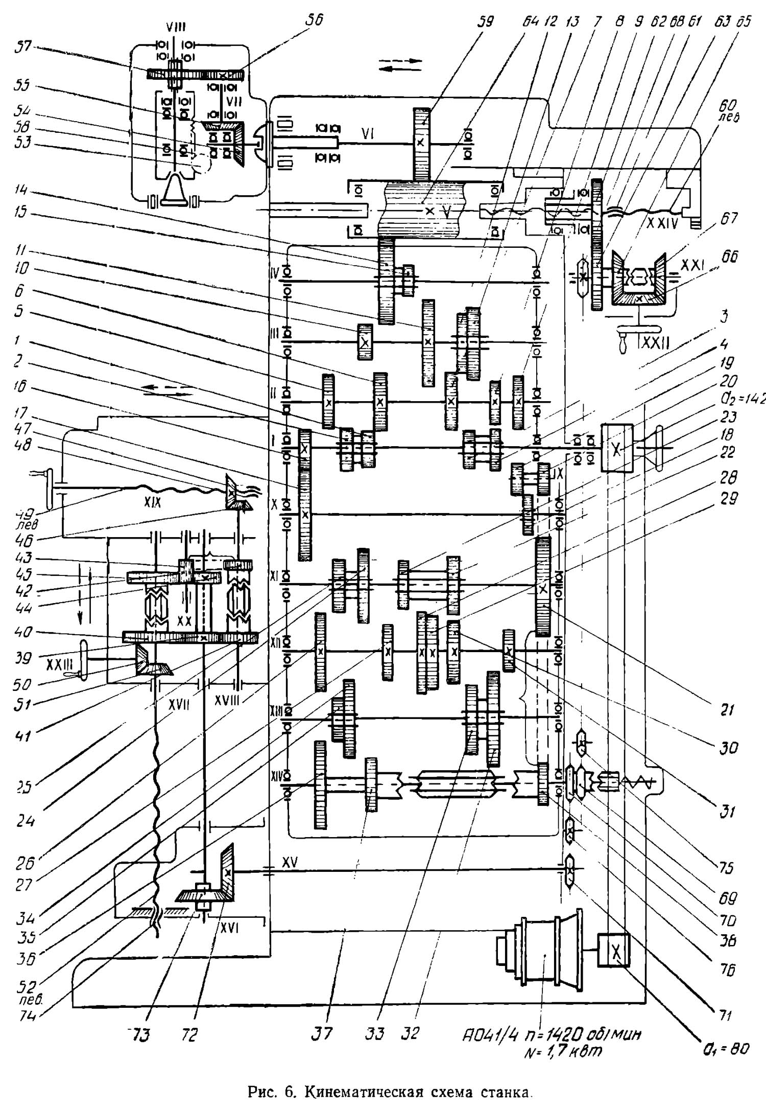
Схема кінематична універсального фрезерного верстата 675П

Схема кінематична універсального фрезерного верстата 675П

Кінематична схема універсального фрезерного верстата 675П



Опис кінематичної схеми універсального фрезерного верстата 675П

Кінематична схема состоит из двух ланцюгів: ланцюги головного руху і ланцюги подач.

Ланцюг головного руху

От електродвигуна мощностью 1,5 кВт рух передається на вал 1 при помощи клиноременной передачи. От вала 1 через коробку швидкостей вращение передається барабанной шестерне 54, затем через шестерню 39 горизонтальному шпинделю VI.

Вертикальный шпиндель VIII получает вращение от горизонтального шпинделя через коническую пару 40, 41 і цилиндрическую 45, 44.

Различные положения блоков шестерен коробки швидкостей (31-32, 65-63, 56-55, 38-37) позволяют сообщить 16 различных швидкостей горизонтальному і вертикальному шпинделям.

Ланцюг подач

Ланцюг подач сообщает рух трем рабочим органам: суппорту по вертикали, салазкам в продольном направлении і шпиндельной бабке в поперечном направлении. Все переміщення осуществляются вручную или механически.

Диапазон швидкостей механических перемещений всех рабочих органів обеспечивает осуществление ускоренных ходов — 935 мм/мин і 16 различных подач — от 12,5 до 400 мм/мин.

Механізм подач имеет общий з механізмом головного руху електропривод.

Коробка подач получает вращение от коробки швидкостей через зубчасті колеса 30, 29.

Ускоренные переміщення сообщаются рабочим органам по ланцюги 29-62-61-60-64-71 і далее при помощи цепной передачи 70-74 суппорту или салазкам, а з помощью цепной передачи 69-46—шпиндельной бабке.

При реверсировании електродвигуна вал меняет направление обертання, но при етом колесо 62 автоматически входит в зацепление з колесом 64, минуя блок 61-60, который теперь вращается вхолостую, а все понаступні передачи продолжают вращаться в том же направлении.

Во время ускоренных перемещений муфта на валу XIV находится в зацеплении з колесом 71.


Конструктивные особливості окремих вузлів фрезерного верстата 675П

Коробка швидкостей

Коробка швидкостей фрезерного універсального верстата 675П

Коробка швидкостей фрезерного універсального верстата 675П

Коробка швидкостей фрезерного універсального верстата 675П. Дивитись у збільшеному масштабі



Коробка швидкостей (рис. 8) собрана в отдельном корпусе 10, который крепится фланцем к боковой стенке станины.

Вращение на механізм коробки швидкостей передається от двигуна посредством клиноременной передачи.

Коробка швидкостей передает вращение шпинделю, обеспечивая шестнадцать различных швидкостей.

Изменение швидкостей производится механізмом переключения следующим образом:

Увімкнення скорости происходит в результате поворота рукоятки 6 в исходное положение. При етом диски сводятся, поворачивая пальцы 9 і связанные з ними рычаги. Поворотом рычагов осуществляется перемещение блоков зубчатых колес.

При переключении возможны случаи несовпадения торцов зубьев зацепляемых колес, в результате чего диски не сводятся. В етом случае необходимо повернуть маховичок ручного обертання шпинделя 19.

Коробка подач

Коробка подач фрезерного універсального верстата 675П

Коробка подач фрезерного верстата 675П

Коробка подач фрезерного універсального верстата 675П. Дивитись у збільшеному масштабі



Коробка подач собрана в отдельном корпусе, который крепится фланцем к боковой стенке станины ниже коробки швидкостей.

Вращение на механізм коробки подач передається от двигуна, а из коробки подач рух передається рабочим органам в соответствии з описм ланцюги подач кінематичної схеми верстата.

Изменение подач производится так же, как і в, коробке швидкостей.

Ускоренные переміщення осуществляются при нажатии на рукоятку 7, при етом муфта на валу XIV перемещается вправо, отключает вал от ланцюги рабочих перемещений і включает в ланцюг ускоренных перемещений. Рукоятка 7 должна быть нажата в течение всего часу ускоренного ходу. После того как рукоятка отпущена, подача, ранее отключенная, вновь включается автоматически.

При переключении подач необходимо следить за тем, чтобы крестовая рукоятка находилась в нейтральном положении.

Для змазки шестерен коробки швидкостей, коробки подач і Шпиндельной бабки служит плунжерный насос 4. Работа насоса контролируется через прозрачный глазок, изображенный на схеме змазки. Насос приводится в возвратно-поступательное рух ексцентриком 6, сидящим на валу X. На етом же валу сидит шестерня 2, имеющая спиральный паз, в который входит штифт 3.

При реверсе шпинделя шестерню 2 притормаживает пружинный фиксатор 8, і штифт 3 перемещает її до зацепления з шестерней 1. При етом, как было указано в описании ланцюги подач, все понаступні валы коробки подач не меняют направления обертання.

Суппорт

Суппорт фрезерного універсального верстата 675П

Суппорт фрезерного універсального верстата 675П

Суппорт фрезерного універсального верстата 675П. Дивитись у збільшеному масштабі



Суппорт, через механізм которого передається, продольное или вертикальное перемещение стола, служит для сообщения подачі обрабатываемой детали.

Механическая подача стола осуществляется ходовыми гвинтами 1 і 8 посредством приводного вала 24.

Направление механической подачі вправо или влево, вверх или вниз осуществляется крестовой рукояткой 16, при етом рух стола совпадает з направлением переміщення крестовой рукоятки.

Механические подачі в крайних положениях суппорта отключаются автоматически упорами, расположенными на станине, а в крайних положениях салазок упорами 6 і 15, расположенными на корпусе суппорта.

Отсчет перемещений стола, в зависимости от требуемой точності, може производиться тремя предусмотренными на станке пристроями: миллиметровыми линейками, лимбами 12 і 20 з ценой деления 0,05 мм і з помощью индикатора і мерных плиток-

Смазка трущихся поверхностей производится лубрикатором 25.

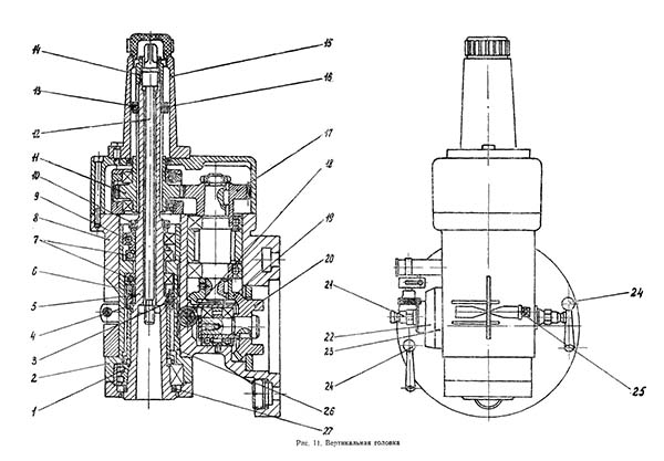
Вертикальная головка

Вертикальная головка фрезерного універсального верстата 675П

Вертикальная головка фрезерного верстата 675П

Вертикальная головка фрезерного універсального верстата 675П. Дивитись у збільшеному масштабі



Вертикальная головка является съемным узлом, з помощью которого верстат переналаживается из горизонтального в вертикальний.

Вертикальная головка крепится к шпиндельной бабке двумя гвинтами, при етом головка своей выточкой в корпусе устанавливается на фланец 2 (рис. 12) шпиндельной бабки і тем самым центрируется соосно горизонтальному шпинделю.

Вертикальная головка може поворачиваться на 90° в обе стороны, для етого на фланце корпуса нанесены деления в градусах, а на шпиндельной бабке з правой стороны выгравирован отсчетный индекс. Вертикальное положение головки фиксируется двумя штифтами 24. При необходимости повернуть головку штифты 24 должны быть сняты.

Гильза 2, в которой смонтирован шпиндель 5, може перемещаться от рукоятки, сидящей на шестигранном кінці 21 зубчатого вала 18, при етом вес подвижной частини уравновешивается пружиной.

Гильза шпинделя, установленная в определенном положении, може быть зафиксирована винтом 25.

Для обробки партии деталей па определенную величину гильза 2 подается до регулируемого упора 16.

Упор 16 фиксируется в нужном положении на шпинделе винтом 13.

Шпиндель вертикальной головки смонтирован на двух радиальных опорах 1 я 9.

Осевые нагрузки воспринимаются підшипниками 7.

Шпиндель головки приводится во вращение от горизонтального шпинделя через конические шестерни 20, 19 і цилиндрические 17, 11.

Режущий или вспомогательный инструмент закрепляется в отверстии шпинделя з помощью шомпола 12.

Шпиндельная бабка

Шпиндельная бабка предназначена для осуществления головного руху верстата — обертання инструмента.

Шпиндельной бабке, з установленным в її шпинделе режущим инструментом, сообщается поперечная подача.

Шпиндель получает вращение от коробки швидкостей через промежуточное зубчатое колесо, установленное в верхней частини станины. С етим колесом зацепляется шестерня 7, смонтированная на шпинделе бабки,

Шпиндель бабки смонтирован на двух радиальных опорах 3 і 8.

Осевые нагрузки воспринимаются упорными підшипниками 4.

Инструмент, установленный в конус Морзе 4 шпинделя, затягивается шомполом 11.

При работе цилиндрической насадной фрезой оправка поддерживается серьгой 16, которая фиксируется в любом месте консольной частини хобота 10.

Хобот з серьгой може перемещаться вдоль верхних направляючих бабки, перемещение осуществляется вручную.

Установка хобота в необходимом месте фиксируется прижимами 19.

Механическая или ручная подача шпиндельной бабки осуществляется винтом 12 і сопряженной з ним вращающейся гайкой (см. опис кінематичної схеми). Гайка расположена в станине на одной оси з промежуточной шестерней.

Перемещение бабки ограничивается упорами 14.

Отсчет перемещений бабки выполнен по аналогии з суппортом тремя вышеописанными пристроями: миллиметровой линейкой, лимбами і плиткодержателем з применением мерных плиток і индикатора 18.

На корпусе бабки сбоку предусмотрено пристрій 15 для установки і зажиму трубки, подводящей охлаждающую жидкость. Для змазки опор шпинделя используется расположенная в станине емкость з минеральным маслом.





Електроустаткування фрезерного верстата 675П

Схема електрична фрезерного верстата 675П

Електрична схема універсального фрезерного верстата 675П


Опис принципиальной електросхеми фрезерного верстата 675П

Електроустаткування верстата содержит:

  1. електродвигатель приводу обертання шпинделя Д1
  2. електронасос охлаждения Д2
  3. пусковую і защитную аппаратуру, размещенную в нише верстата
  4. местное освещение

Електроустаткування верстата подключается к трехфазной сети переменного тока з напряжением 380 В і частотой 50 Гц.

Увімкнення верстата в електросеть осуществляется вводным автоматическим выключателем АВ.

Внимание! При осмотре или ремонтi електроапаратури вводный автомат АВ обязательно должен быть установлен в положение «Отключено».

Питание местного освещения МО осуществляется от понижающего трансформатора Т.

При нажатии па кнопку КУ1 «Пуск» срабатывает контактор К і становится на самопитание - електродвигатели Д1 і Д2 получают питание. Відключення ланцюгів керування і остановка електродвигателей осуществляются кнопкой КУ2 «Стоп».

Переключателем ПШ задается направление обертання електродвигуна Д1.

При необходимости електронасос Д2 може быть отключен от сети выключателем ВН.

При переключении швидкостей (рукоятка переключения швидкостей поднята вверх) ланцюг живлення катушки контактора К разрывается контактами микропереключателя ВП—електродвигатели Д1 і Д2 обесточиваются.

Увімкнення електродвигателей після переключения скорости осуществляется кнопкой КУ1 «Пуск».


Подготовка верстата к первоначальному пуску і первоначальный пуск

При упаковке верстата все наружные обработанные поверхности предохраняются антикоррозийным покрытием.

Антикоррозийное покрытие не следует удалять до установки верстата на фундамент.

Применяемое заводом при консервации покрытие (смазка УНЗ) удаляется хлопчатобумажными салфетками, увлажненными уайт-спиритом.

Категорически запрещается применять для очистки жиро-растворители нитроглифталевых емалей і другие материалы, разрушающие окрашенные поверхности верстата!

Очистив верстат от антикоррозийного покрытия і пыли, необходимо тщательно протереть всю его поверхность і смазать все обработанные неокрашенные частини верстата тонким слоем машинного масла.

В связи з тем, что очистка стыков подвижных з'єднань затруднительна, її следует повторить після подсоединения верстата к електросети і смещения подвижных частин со своих мест.

Очищенный от антикоррозийного покрытия верстат готов для заземления і подсоединения к електросети.

Во время подсоединения верстата к електросети выключатели 26 і 25 (рис. 3) должны быть в положении «выключено», переключатель 1 — в нейтральном положении і клиновые ремни сняты со шкива електродвигуна. При етом необходимо проверить соответствие обертання вала електродвигуна выбранному направлению обертання шпинделя.

Правому вращению шпинделя соответствует вращение вала електродвигуна против часовий стрелки, если смотреть на вал со стороны шкива.

В пояснении к табличке «Переключення направления обертання шпинделя» (см, условные обозначения на табличках) правое вращение шпинделя отмечено цифрой I, левое — цифрой II.

После подключения верстата необходимо надеть клиновые ремни і выполнить указания раздела «Смазка верстата». Затем следует вручную проверить действие органів верстата (см. схему розположення органів керування) в такой післядовательности:

  1. Освободить зажимы 3, 4, 8.
  2. Проверить вращение шпинделей от маховика 19.
  3. Проверить перемещение шпиндельной бабки от маховика 17.
  4. Проверить перемещение салазок от маховика 23.
  5. Проверить перемещение суппорта от маховика 24.

Все переміщення должны быть головними, без заклиниваний і заеданий.

Первоначальный пуск начинают з увімкнення верстата в сеть выключателем 26.

Переключатель направление обертання шпинделя 1 устанавливают в положение «Правое вращение».

Грибком 6 набирают, а рукояткой 5 включают обороты шпинделя в интервале 50 .. 100.

Нажатием черной кнопки 7 осуществляется пуск верстата.

ВНИМАНИЕ!

Не допускается переключение швидкостей на ходу во избежание поломки механізма коробки швидкостей.

В круг работ, связанных з первоначальным пуском, входит опробование всех механических движений:

Во время опробования механических движений проверяется подача масла плунжерным насосом і подача охлаждающей жидкости електронасосом.

В первую неделю роботи верстата не рекомендуется работать непрерывно более 40-50 минут на высоких оборотах шпинделя, не рекомендуется также работать на режимах, при которых возникают большие зусилля різання.


Налаштування і наладка верстата 675П

Порядок установки требуемой скорости і подачі подробно приведен в описании коробки швидкостей і коробки подач.

В зависимости от требуемой точності отсчет перемещений каждого робочого органа — суппорта, салазок і шпиндельной бабки може производиться тремя видами устройств: миллиметровыми линейками, лимбами з ценой деления — 0,05 мм, з помощью индикатора і мерных плиток.

Остановку каждого из рабочих органів можно производить настраиваемыми упорами.

Наладка верстата заключается в установці поставляемых со верстатом пристосувань і приладдя: углового или універсального стола; тисков, круглого стола или делительной головки; вертикальной или долбежной головки; центроискателя быстроходной головки, резцедержателя или цангового патрона; фрезерных оправок или переходных втулок. Наладка верстата включает в себя также установку і крепление режущего инструмента.

В описаннях приладдя указаны назначение, использование их для выполнения различных операций і технічна характеристика, кроме того, для делительной головки приведены налагодження на различные виды деления і нарізання спиралей.





Регулювання верстата

Конструкція верстата передбачає возможность регулювання окремих вузлів, детали которых изнашиваются в процессе експлуатации.

Коробка швидкостей

Четкость роботи микропереключателя 1 (Рис. 8) обеспечивается регулировкой его гвинта 2. Для етого нужно снять крышку 7, отжать гайку 11 і повернуть винт до тех пор, пока не будет слышен щелчок. Затем винт 2 снова застопорить гайкой.

Регулювання микропереключателя производится при отключенной скорости (рукоятка 6 находится в верхнем положении).

Четкость переключения грибка набора швидкостей 3 достигается регулировкой пружины 4 шарика-фиксатора 5.

Коробка подач

Четкость переключения грибка набора подач 10 (рис. 9) достигается регулировкой пружины 11 шарика-фиксатора 12.

Четкость увімкнення ускоренной подачі достигается регулировкой пружины 13 винтом 9.

В случае неисправности роботи плунжерного насоса (отсутствие масла) необходимо проверить работу клапанов насоса, обратив особое внимание на регулировку пружины всасывающего клапана.

Чтобы устранить неисправности в насосе, нужно снять крышку з контрольным глазком на станине.

Для нормальной роботи насоса нужно периодически промывать фильтр і доливать масло до необходимого уровня.

Суппорт

Осевой зазор между витками гайки і ходового гвинта продольного переміщення салазок регулируется поворотом гайки 7 (рис. 10). Для етого нужно снять крышку 10 і переместить стол до совпадения гайки з окном в суппорте, снять фиксатор 9 (рис. 10) і при помощи специального ключа 7580130 повернуть гайку до получения необходимого зазору.

После етого гайка стопорится фиксатором.

Зазоры в продольных і вертикальних направляючих регулируются при помощи клиньєв 5 і 23.

Положение клина 5 определяется винтом 4 і втулкой 3. При регулировке зазору предварительно нужно отпустить винт 4 і снять втулку. Затем следует затянуть винт до получения нужного зазору в направляючих, замерить расстояние между торцами гвинта і суппорта і прошлифовать втулку до етого размера. После шлифовки втулка ставится на свое место і прижимается винтом.

Аналогично регулируется зазор при помощи клина 23. Для етого нужно переместить супорт вверх і снять кожух 2.

Четкость фиксации крестовой рукоятки 16 в двух направлениях достигается регулировкой пружины 19 і пружины 22.

Осевой зазор в упорных підшипниках 14 регулируется гайкой 13 при снятом маховике і лимбе.

Вертикальная головка

Регулювання вертикальной головки должна обеспечить нормальные зазоры в підшипниках шпинделя по мере их износа.

Радиальный зазор регулируется в двухрядном роликовом подшипнике з внутренним коническим кольцом (рис. 11).

Для регулировки необходимо вынуть шпиндель 5 в сборе з гильзой 2 из корпуса 8, предварительно сняв колпак 15, гайку 14 і кольцо 16, стопорящееся винтом 13, а затем лимб 22, крышку 23 і зубчатый валик 18.

Непосредственно перед регулировкой нужно снять гайки 10 і извлечь шпиндель из гильзы. Со шпинделя снимаются упорный подшипник 7 і кольцо 6.

Определяется радиальный зазор в роликовом подшипнике і в зависимости от величины зазору — необходимое перемещение внутреннего кольца. При етом нужно учесть следующее:

  1. Для уменьшения радиального зазору на 0,01 мм следует переместить внутреннее кольцо підшипника на 0,12 мм. На ету же величину необходимо уменьшить толщину компенсационного кольца 27.
  2. Собранный подшипник со шпинделем після регулировки должен мати суммарный зазор, равный 0,004..0,005 мм.

После определения радиального зазору снимаются кольцо 6, гайка 5, распорная втулка 26, подшипник 1 і компенсационное кольцо 27.

Узел вновь собирается в порядке, обратном вышеописанному, при етом устанавливается кольцо 27, прошлифованное до нужного размера.

Усунення осьового люфта шпинделя достигается регулировкой натяга упорных підшибників. 7 гайками 10.

Шпиндельная бабка

Регулювання шпиндельной бабки должна обеспечить нормальные зазоры в підшипниках шпинделя по мере их износа.

Радиальный зазор регулируется в двухрядном роликовом подшипнике з внутренним коническим кольцом.

Для регулировки (рис. 12) шпиндель 6 должен быть вынут из корпуса бабки 9, для чего предварительно снимается фланец 2.

В процессе разборки снимаются шомпол 11, детали задньої опори і шестерня 7.

Непосредственно перед регулировкой определяется радиальный зазор в роликовом подшипнике і в зависимости от его величины — необходимое осевое перемещение внутреннего кольца. При етом следует учесть следующее:

  1. Для уменьшения радиального зазору на 0,01 мм следует переместить внутреннее кольцо підшипника на 0,12 мм. На ету же величину необходимо уменьшить толщину компенсационного кольца 1.
  2. Собранный подшипник со шпинделем должен мати суммарный зазор, равный 0,004..0,005 мм.

После определения радиального зазору детали передньої опори разбираются, компенсационное кольцо шлифуется по толщине до необходимого размера і узел вновь собирается в порядке, обратном вышеописанному.

Усунення осьового люфта шпинделя достигается шлифовкой торцов распорной втулки.

Станина

Регулювання направляючих переміщення шпиндельной бабки (рис. 13) производится осевым переміщенням клина 1. Для етого нужно освободить гайку 2, при помощи гайки 3 подтянуть клин до нужного зазору і зажать гайкой 2.

Натяжение ремней осуществляется поворотом кронштейна 17 вокруг его оси. После достижения необходимого натяга ремней кронштейн зажимается винтом 18.

Для подтяжки ланцюгів і регулировки предохранительной муфты нужно снять маховик 7 і задний щит 6.

Ланцюги натягиваются звездочками 12, після чего планки 13 плотно закрепляются гвинтами 14.

Усилие пружины 10 предохранительной муфты 9 регулируется гайками 11.

Муфта должна срабатывать, когда на столе при его продольном перемещении возникает усилие різання примерно 500 кг.

Внимание!

В целях сохранения точності і увеличения срока службы верстата следует помнить, что після длительного простоя, когда масло стекло з мест змазки или загустело при низкой температуре, не рекомендуется включать верстат под нагрузку. В етих случаях робота на холостом ходу в течение некоторого часу предотвратит повышенный износ или возможные задиры направляючих.

При переходе от обробки стали з охолодженням к обработке чугуна без охлаждения і наоборот нужно тщательно вытереть верстат, так как пыль от чугунной стружки, смешиваясь з емульсией, образует грязную смесь, способствующую интенсивному износу трущихся поверхностей верстата.

Эмульсию следует менять по мере загрязнения, но не реже одного раза в декаду.

Периодически, один раз в 3 месяца, нужно производить плановую промывку верстата з післядующей смазкой трущихся частин.

Уход за електрообладнанням і системой змазки изложен в соответствующих разделах.

ЗАПРЕЩАЕТСЯ ОСТАВЛЯТЬ СТАНОК ВО ВРЕМЯ РАБОТЫ БЕЗ НАДЗОРА!





Вказівки по разборке верстата

Периодически, в соответствии з графиком планово-предупредительных ремонтов, верстат необходимо разбирать для текущего, среднего і капитального ремонтов.

Порядок разборки:

  1. Отключить верстат от електросети;
  2. Снять принадлежности (вертикальную головку, стол і др.);
  3. Снять хобот шпиндельной бабки;
  4. Вывести шпиндельную бабку из своих направляючих, для чего необходимо (см. рис. 12):
  5. Снять маховик 7, а затем задний кожух 6, приводные клиновые ремни, ланцюги, освободив для етого натяжные звездочки 12;
  6. Произвести демонтаж вала приводу коробки швидкостей, создавая етим возможность для свободного снятия коробки швидкостей, а затем вала, связанного з коробкой подач;
  7. Извлечь из станины коробку швидкостей, сняв предварительно винты і штифты крепления фланца коробки;
  8. Снять крышку на станине со стороны, противоположной стороне крепления коробки подач, отделить насос от корпуса коробки, а затем, освободив крепежные винты і штифты, вынуть коробку подач;
  9. Разобрать основной рабочий стол (рис. 10);
  10. Снять супорт со станины, освободив клин 23 вращением маховика 18, поднять супорт вверх до выхода гвинта 1 из ходовой гайки. Суппорт снимается со станины подъемником;
  11. Систему охлаждения і електроустаткування снимать по мере надобности.

Дальнейшая разборка вузлів должна производиться пo чертежам общих видов вузлів, приведенным в настоящем руководстве.

При сборке нужно обратить внимание на регулювання підшибників качения (избегать излишних натягов, способных вызвать перегрев підшибників). При капитальных ремонтах, шлифовании или шабровке направляючих следует помнить, что правильные положения ходовых винтов определяются компенсаторами, толщина которых устанавливается в процессе сборки.




675П Верстат фрезерный універсальний підвищеної точності. Відеоролик.




Технічні характеристики фрезерного верстата 675П

Наименование параметра 675п 6А75в 6Б75в
Основні параметри верстата
Класс точності по ГОСТ 8-82 Н, П В В
Розміри вертикального стола (основного), мм 200 х 500 200 х 500 200 х 500
Розміри горизонтального (углового) стола, мм 200 х 630 200 х 630 200 х 630
Расстояние от оси горизонтального шпинделя до рабочей поверхности горизонтального стола, мм 80..380 80..450 80..450
Расстояние от торца вертикального шпинделя до рабочей поверхности горизонтального стола, мм 0..300 35..405 90..460
Наибольший продольный ход стола (X), мм 320 320 320
Наибольший вертикальний ход стола (Z), мм 300 320 320
Наибольший ход шпиндельной бабки (Y), мм 300 200 200
Цена деления лимбов, мм 0,05 0,02 0,01
Горизонтальный і вертикальний шпиндели верстата
Частота обертання горизонтального шпинделя, об/мин 50..1600 40..2000
40..2240
Частота обертання вертикального шпинделя, об/мин 63..2000 40..2000
40..2240
Количество швидкостей шпинделей 16 Б/с 32
Наибольший допустимый крутящий момент на горизонтальном шпинделе, Нм 214
Наибольший допустимый крутящий момент на вертикальном шпинделе, Нм 155 110
Наибольшее осевое перемещение вертикального шпинделя, мм 60 60 60
Наибольший угол поворота вертикальной головки в вертикальной плоскости, градус ±90° ±90° ±90°
Конус горизонтального і вертикального шпинделей Морзе 4 Морзе 4 Морзе 4
Стол
Пределы продольных і вертикальних подач стола (X, Z), мм/мин 12,5..400 8..400 10..600
Ускоренный ход стола, мм/мин 935 935 1200
Количество подач стола 16 Б/с Б/с
Наибольшее усилие подач стола, кН 5
Шпиндельная бабка
Пределы поперечных подач шпиндельной бабки (Y), мм/мин 12,5..400 8..400 10..600
Количество подач шпиндельной бабки 16 Б/с Б/с
Наибольшее усилие подач шпиндельной бабки, Н 5000
Електроустаткування і привід верстата
Количество електродвигателей на станке, кВт 3 3
Електродвигун головного привода, кВт (об/мин) 1,5 1,5 (1420) 1,5 (1500)
Електродвигун приводу подач, кВт (об/мин) 0,5 (1410) 0,37 (3000)
Електродвигун приводу насоса охлаждения, кВт 0,12 0,12 0,12
Суммарная мощность електродвигателей, кВт 1,62 2,12 1,99
Габарит і масса верстата
Габарити верстата (длина х ширина х высота), мм 1110 х 1170 х 1650 1280 х 1170 х 1750 1520 х 1250 х 1695
Масса верстата, кг 1100 1431 1452

    Список литературы:

  1. Инструментальный універсальний фрезерный верстат 675П. Руководство, г. Одесса,
  2. Инструментальный універсальний фрезерный верстат 675П. Руководство по експлуатации, Моква, 1980
  3. Верстат фрезерный инструментальный універсальний 675П. Материалы по быстроизнашивающимся деталям. СССР, Станкоимпорт, Москва
  4. Инструментальный універсальний фрезерный верстат підвищеної точності 675п. Руководство. Саратов, 1964

  5. Аврутин С.В. Основы фрезерного дела, 1962
  6. Аврутин С.В. Фрезерне дело, 1963
  7. Ачеркан Н.С. Металлорежущие верстати, Том 1, 1965
  8. Барбашов Ф.А. Фрезерне дело 1973, с.141
  9. Барбашов Ф.А. Фрезерные роботи (Профтехобразование), 1986
  10. Блюмберг В.А. Справочник фрезеровщика, 1984
  11. Григорьев С.П. Практика координатно-расточных і фрезерных работ, 1980
  12. Копылов Р.Б. Работа на фрезерных верстатах,1971
  13. Косовский В.Л. Справочник молодого фрезеровщика, 1992, с.180
  14. Кувшинский В.В. Фрезерование,1977
  15. Ничков А.Г. Фрезерные верстати (Библиотека станочника), 1977
  16. Пикус М.Ю. Справочник слесаря по ремонту металлорежущих верстатів, 1987
  17. Плотицын В.Г. Расчёты настроек і наладок фрезерных верстатів, 1969
  18. Плотицын В.Г. Наладка фрезерных верстатів,1975
  19. Рябов С.А. Современные фрезерные верстати і их оснастка, 2006
  20. Схиртладзе А.Г., Новиков В.Ю. Технологическое обладнання машиностроительных производств, 1980
  21. Тепинкичиев В.К. Металлорежущие верстати, 1973
  22. Чернов Н.Н. Металлорежущие верстати, 1988
  23. Френкель С.Ш. Справочник молодого фрезеровщика (3-е изд.) (Профтехобразование), 1978








Заказать