metalinstryment.com
Довідник по металорізальних верстатів та пресовому обладнанні

6В75 Верстат фрезерный широкоуніверсальний
схеми, опис, характеристики

Загальний вигляд  фрезерного верстата 6В75 широкоуніверсального







Відомості про виробника фрезерного широкоуніверсального верстата 6В75

Верстат моделі 6В75 выпускался предприятием Ереванский завод фрезерных верстатів, основанный в 1957 году.





Верстати, выпускаемые Ереванским заводом фрезерных верстатів, ЕрФрез


6В75 Верстат фрезерный широкоуніверсальний инструментальный. Назначение і область применения

Фрезерный верстат моделі 6В75 предназначен для фрезерування деталей цилиндрическими, дисковыми і фасонными фрезами при помощи горизонтального шпинделя, і торцовыми, кінцівыми і шпоночными фрезами при помощи поворотного вертикального шпинделя, который при необходимости може быть повернут под углом.

Обрабатываемая деталь може быть установлена на основном столе з вертикальной рабочей плоскостью или на угловом столе з горизонтальной рабочей плоскостью. Для обробки наклонных поверхностей деталь може устанавливаться на универсальном столе.

Верстат 6В75 применяется в единичном і мелкосерийном производстве в инструментальных і механических цехах машиностроительных предприятий.

Принцип роботи і особливості конструкції верстата

Для обробки деталей, требующих деления, могут быть использованы круглый стол либо делительная головка.

Используя резцовую, быстроходную, долбежную головки і комплект вспомогательного инструмента, можно выполнять на станке расточные, сверлильные і долбежные роботи. Подробное опис етих устройств приводится ниже.

К верстату 6В75 прилагается удобный для пользования инструментальный шкаф, а также комплект пристосувань і инструмента.

Технологические возможности верстата могут быть значительно расширены применением приладдя і пристосувань, поставляемых за особую плату.

На станке можно выполнять ряд фрезерных і расточных работ з високою точностью, которая може быть достигнута, если верстат установлен в помещении з постоянной температурой 20±2°С і влажностью 65±5%, если вблизи верстата нет источников тепла і вибрации. На станке можно выполнять, также, сверление і рассверливание, долбление, центрование, цекование, зенкерование, развертывание, растачивание.

Наличие двух шпинделей горизонтального і поворотного вертикального, а также большого количества приладдя к верстату, делает его широкоуниверсальным і удобным для роботи в инструментальных цехах машиностроительных заводов при изготовлении пристосувань, инструмента, рельефных штампов і прочих изделий.

Широкий диапазон оборотів шпинделя і подач, наличие механических подач і быстрых перемещений обеспечивают економичную обработку различных деталей в оптимальных режимах.

Преимущества использования широкоуніверсального фрезерного верстата 6В75:


Основні характеристики фрезерного широкоуніверсального верстата 6В75

Производитель: Ереванский завод фрезерных верстатів.



Габаритные розміри робочого простору і присоединительные базы верстата 6В75

Габаритные розміри робочого простору і присоединительные базы верстата 6В75

Габаритные розміри робочого простору верстата 6в75

Посадочные і присоединительные базы верстата:


Загальний вигляд широкоуніверсального фрезерного верстата 6В75

Загальний вигляд  широкоуніверсального фрезерного верстата 6В75

Фото широкоуніверсального фрезерного верстата 6в75


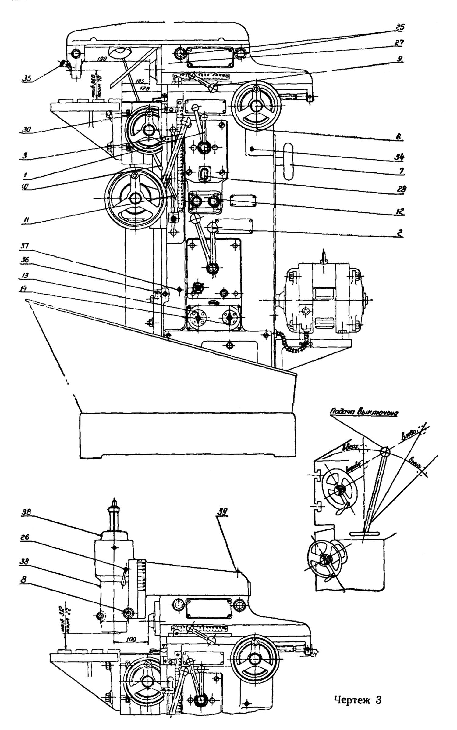
Розташування органів керування фрезерным верстатом 6В75

Розташування органів керування фрезерным верстатом 6В75

Розташування органів керування фрезерным верстатом 6в75

Розташування органів керування фрезерным верстатом 6В75. Дивитись у збільшеному масштабі



Список органів керування фрезерным верстатом 6В75

  1. Рукоятки для установки числа оборотів шпинделей
  2. Рукоятки для установки подач
  3. Рукоятка увімкнення і переключения направления руху стола і суппорта
  4. Маховичок ручной подачі стола в горизонтальной плоскости
  5. Маховичок ручной подачі стола в вертикальной плоскости
  6. Маховичок ручной подачі бабки горизонтального шпинделя
  7. Маховичок ручного обертання шестерен коробки швидкостей
  8. Квадрат для рукоятки подачі гильзы вертикального шпинделя
  9. Рукоятка зажиму бабки
  10. Рукоятка зажиму стола на горизонтальных направляючих суппорта
  11. Рукоятка зажиму суппорта на вертикальних направляючих станины
  12. Кнопочная станція для пуска і останова верстата
  13. Выключатель пакетный сети
  14. Выключатель пакетный насоса охлаждения

Розташування складових частин фрезерного верстата 6В75

Розташування складових частин фрезерного верстата 6В75

Розташування складових частин фрезерного верстата 6в75


Список складових частин широкоуніверсального фрезерного верстата 6В75





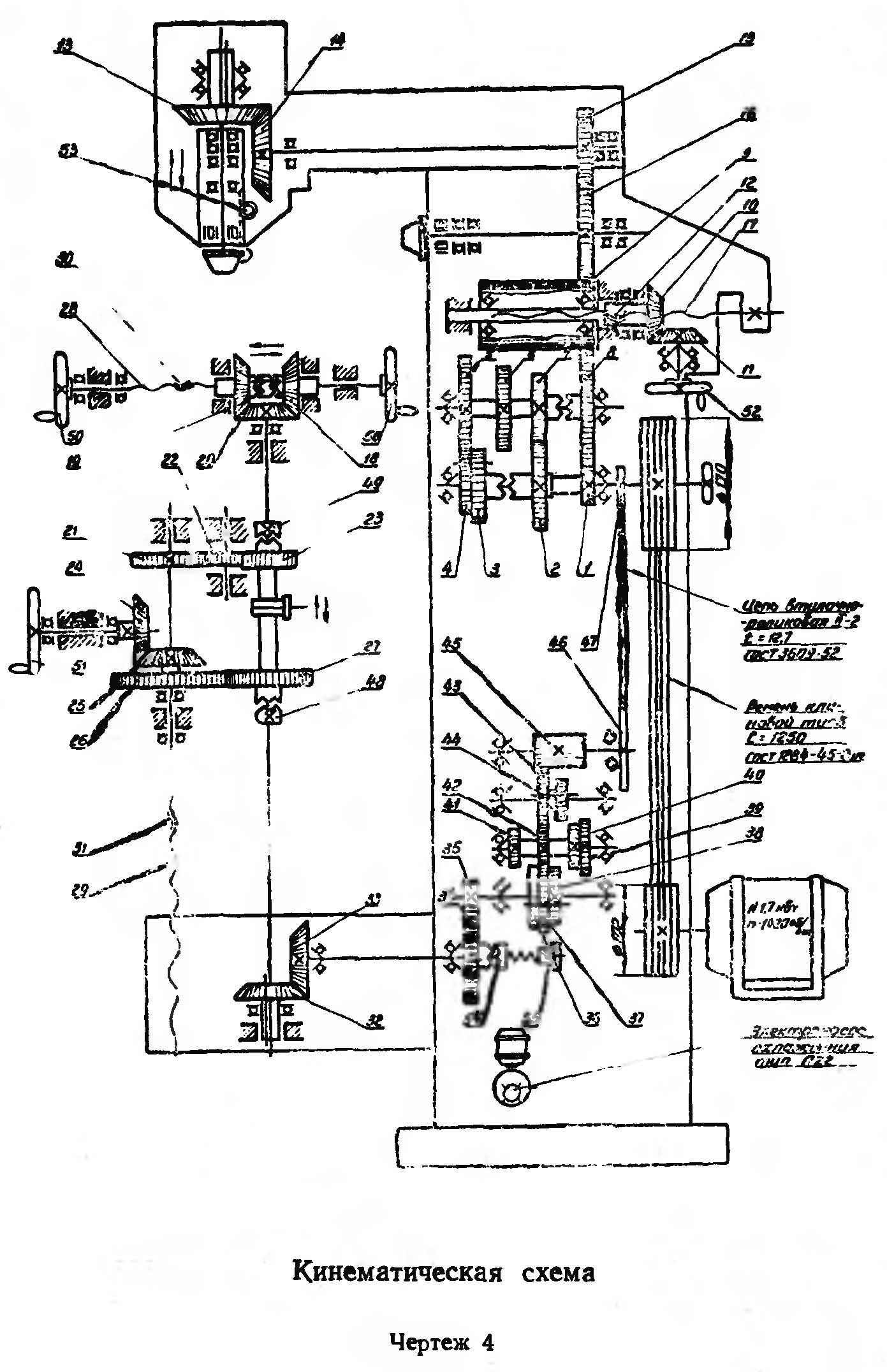
Схема кінематична універсального фрезерного верстата 6В75

Схема кінематична універсального фрезерного верстата 6В75

Кінематична схема фрезерного верстата 6в75

Схема кінематична універсального фрезерного верстата 6В75. Дивитись у збільшеному масштабі



Опис кінематичної схеми універсального фрезерного верстата 6В75

Привід верстата осуществляется от електродвигуна типа А41-4 мощностью N=1,7 кВт і числом оборотів n = 1420 об/мин.

Рух от електродвигуна передається при помощи клиноременной передачи на приемный вал коробки швидкостей.

Отсюда рух передається в двух направлениях:

  1. на горизонтальный і вертикальний шпиндели
  2. на коробку подач і дальше на супорт і горизонтальные салазки

Различные скорости обертання горизонтального і вертикального шпинделей получаются при следующих положениях шестерен коробки швидкостей:

Вращение вертикальному шпинделю передається от шестерни — 16 горизонтального шпинделя через шестерни (15, 14, 13).

Следовательно, вертикальний шпиндель имеет также шесть различных чисел оборотів (указаны в «Механике верстата»).

От ведущей звездочки 47, сидящей на приемном валу коробки швидкостей, рух при помощи втулочно-роликовой ланцюги передається на ведомую звездочку 46, сидящую на приемном валу коробки подач.

Различные подачі, передаваемые на супорт і горизонтальные салазки, получаются при следующих положениях шестерен коробки подач:

На горизонтальные салазки:

Примечание: При включении шестерни 18 направление подачі меняется.

На суппорт

От ходового валика, на котором сидит на шпонке шестерня 32, і дальше через шестерни (27—26) на ходовой винт 29. (При етом полумуфта шестерни 27 сцеплена з полумуфтой 48).

При перемещении суппорта в обратную сторону рух от ходового валика передається через шестерни—(23—22—21) на ходовой винт 29 (при етом полумуфта шестерни 23 сцеплена з полумуфтой 49).

Величина подач суппорта указана в разделе «Механізм подач». Ручная подача горизонтальных салазок осуществляется при помощи маховичков 50, а в суппорте — при помощи маховичка 51.

Перемещение бабки горизонтального шпинделя осуществляется при помощи маховичка 52.

Перемещение пиноли вертикального шпинделя в корпусе вертикальной головки производятся специальным ключом, который одевается на квадрат 53 валика-шестерни, а післядняя зацепляется з рейкой, нарезанной на пиноли.

Предохранение механізма подач от поломок обеспечивает предохранительное пристрій шарикового типа (муфта шестерни 34 і муфта 54).

Регулювання предохранительного пристроя осуществляется з помощью гайки 55.





Разрез універсального фрезерного верстата 6В75

Разрез універсального фрезерного верстата 6В75

Разрез універсального фрезерного верстата 6в75

Разрез універсального фрезерного верстата 6В75. Дивитись у збільшеному масштабі



Опис окремих вузлів і приладдя фрезерного верстата 6В75


Станина

Станина верстата состоит из двух основних частин: постамента 1 і станины 2.

Постамент верстата пустотелый, одновременно служит резервуаром для охлаждающей жидкости.

Станина верстата имеет коробчатое сечение. В верхней внутренней частини станины смонтирована коробка швидкостей 3, которая позволяет сообщать горизонтальному і вертикальному шпинделям по 6 различных чисел оборотів.

В нижней внутренней частини помещена коробка подач 4, которая позволяет сообщать суппорту 5 і горизонтальным салазкам 6 также по 6 различных подач.

На валу 7 смонтировано предохранительное пристрій шарикового типа, которое предохраняет ланцюг подач от перегрузки.

Регулювання поджатая пружины предохранительного пристроя производится з помощью гайки 8.

В самом низу станины 2, в специальной нише, расположено електрообладнання верстата.

На верхней частини станины в горизонтальных направляючих перемещается бабка 9 горизонтального шпинделя 10.

По вертикальным направляющим станины перемещается супорт 5.

На задньої частини станины внизу крепится кронштейн 11, на котором устанавливается електродвигатель приводу верстата.


Суппорт верстата

Суппорт служит для продольного і вертикального переміщення обрабатываемых изделий как вручную, так і механическим путем.

Ручная подача осуществляется непосредственно маховичками 12 і 13.

Механическая подача осуществляется от вала 7, получающего вращение от коробки подач.

Величина механической подачі устанавливается з помощью рукояток 2 (черт. 3), а керування суппортом і горизонтальными салазками производится рукояткой 3 (черт. 3).

Для автоматичного отключения поздовжньої механической подачі предусмотрены конечные упоры 15 (черт. 3) і передвижные упоры 16 (черт. 3), з помощью которых можно регулировать величину ходу салазок.

Для автоматичного отключения вертикальной подачі также предусмотрены конечные упоры 17 (черт. 3) і передвижные упоры 18 (черт. 3), з помощью которых можно регулировать величину ходу суппорта.

Точное перемещение суппорта і салазок производится соответственно з помощью лимбов 19 і 20 (черт.З).

Для особо точных работ используются индикатор і мерительные плитки.

Для установки индикатора предусмотрен спеціальний зажим 21 (черт. 3).

Мерительные плитки устанавливаются на специальную полочку 22 (черт. 3), ограниченную упором 23 (черт. 3).

При появлении осьового люфта в маточной гайке 18 післядний може компенсироваться, по мере надобности, специальной гайкой 19.





Горизонтальный шпиндель

В корпусе бабки 9 смонтирован на підшипниках качения горизонтальный шпиндель 10.

Передней опорой шпинделя служит двухрядный роликовый подшипник № 3182110 кл. «А» з регулируемым радиальным зазором.

Задней опорой шпинделя є два радиальных шарикопідшипника № 207 кл. «В».

Осевые нагрузки воспринимаются двумя упорными підшипниками №8111 кл. «В».

Поперечная подача горизонтальной бабки осуществляется вручную маховичком 6 (черт. 3).

В верхней частини бабки имеются направляющие для хобота вертикального шпинделя.

Крепление бабки в направляючих станины производится рукояткой 9 (черт. 3).


Вертикальный шпиндель

Головка 14 вертикального шпинделя 15 является съемной частью верстата. Она монтируется на специальном хоботе 17, фиксируемом в верхних направляючих горизонтальной бабки двумя сухарями, которые затягиваются болтами 25 (черт. 3).

Конструкція хобота позволяет осуществлять поворот головки вертикального шпинделя на угол 45° в обе стороны.

Шпиндель 15 смонтирован в гильзе 16, которая може перемещаться в корпусе головки. Перемещение гильзы со шпинделем осуществляется вручную посредством съемной рукоятки, которая одевается на квадрат 8 (черт. 3).

Шпиндель головки смонтирован на підшипниках качения. Передней опорой шпинделя служит роликовый двухрядный подшипник № 3182109 кл. «А», задньої опорой—два радиальных шарикопідшипника № 7000106 кл. «П».

Осевые зусилля воспринимаются двумя упорными шарикопідшипниками № 8107 кл. «В».

Вертикальное положение оси шпинделя фиксируется рукояткой 26 (черт. 3) посредством конусного фиксатора.

В связи з быстроходностью шестерен приводу шпинделя вертикальной головки особое внимание необходимо уделить их смазке.

Смазку шестерен производить 1 раз в смену перед началом роботи. Несвоевременная смазка шестерен може привести к преждевременному износу их зубьев.


Угловой універсальний стол

Угловой універсальний стол служит для обробки деталей, обрабатываемые поверхности которых расположены наклонно относительно их базовой плоскости.

Угловой універсальний стол состоит из плиты 1, на которую крепится угольник 2, на угольник крепится консоль 3, а на консоль—стол рабочий 4.

Конструкція стола позволяет производить:

Установка стола в различных положениях, а также поворот его осуществляется вручную при ослабленных болтах 5, 6, 7.

Отсчет угла наклона стола относительно горизонтальной плоскости определяется что шкалам, нанесенным на основании стола і угольнике.





Круглый стол

Круглый стол применяется во всех (случаях, когда требуется выполнение работ, связанных з делением или обработкой поверхностей по определенным радиусам.

На основании 1 устанавливается стол 2, который крепится на основании з помощью червячной шестерни 3 і винтов 4.

Вращение стола производится (рукояткой 5, которая насажена на конец червяка 6.

Крепление стола на основании производится двумя рукоятками 7.

Отсчет угла поворота стола производится по шкале стола з помощью указателя 8.

Для более точного отсчета величины угла поворота стола имеется лимб 9, цена одного деления которого равна 1 минуте, і нониус на ексцентриковой втулке 10, цена одного деления которого равна 5 секундам.

Крепление ексцентриковой втулки в основании производится з помощью гвинта 11.

Для предохранения лимба от проворачивания служит винт 12.


Тиски параллельные

Для крепления мелких деталей на станке в качестве універсального (приспособления применяются параллельные тиски.

Они состоят из круга поворотного 1, на который устанавливается основа 2.

Зажим вироби производится между нерухомою губкой 3 і подвижной губкой 4 з помощью гвинта 5 і маточной гайки 6, укрепленной в основании губки.

Поворотный круг позволяет производить поворот основания на 360°.

Отсчет поворота основания производится по шкале, нанесенной на цилиндрической частини поворотного круга.

При работах, не связанных з поворотом вироби, для придания тискам большей жесткости рекомендуется тиски устанавливать без поворотного круга. В етом случае крепление основания к верстату производится з помощью двух болтов, которые вводятся в прорези 7.


Ділильна головка

Ділильна головка предназначена:

При непосредственном делении червяк 4 должен быть выведен из зацепления з шестерней 5. Вывод червяка из зацепления осуществляется поворотом ексцентриковой втулки за гайку 6.

При косвенном делении червяк должен быть включен і закреплен рукояткой 7. Деление производится вращением рукоятки 8, а отсчет деления осуществляется по гнездам дисков фиксатором 9.

После каждого поворота шпинделя в процессе деления, он должен быть закреплен в корпусе головки рукояткой 10. Регулювання осьового зазору между червяком і втулкой осуществляется гайками 11. При етом необходимо предварительно снять рукоятку 8 і отвернуть гайку 6.

Осевой і радиальный зазоры шпинделя регулируются гайками 12.

К верстату прикладывается делительная головка новой конструкції.





Элктрообладнання фрезерного верстата 6В75

Схема електрична фрезерного верстата 6В75

Електрична схема фрезерного верстата 6в75


Електроустаткування верстата рассчитано для подключения к сети 3-фазного переменного тока напряжением 380 вольт, частотой 50 периодов в секунду.

Верстат приводится в рух от електродвигуна типа А41-4; N=1,7 кВт; n=1420 об/мин; 220/380 Вольт.

Электросхемой предусмотрено:

Панель електроустаткування расположена в специальной нише в нижней частини станины.


Опис електрической схеми фрезерного верстата 6В75

Питание от сети подается на вводной пакетный выключатель «ВП1». При включении выключателя «ВП1» напряжение подается на контакты «К» магнитного пускателя і на трансформатор «ТР», при етом загорается сигнальная лампа «ЛС» — сеть включена.

Нажатием кнопки «Пуск» через контакты «К» магнитного пускателя включается в работу електродвигатель «1M». При етом катушка пускателя получает питание по ланцюги: «Лз2»—«К»—«6», «СТОП»— «5»—«ПУСК»—«Л12».

Когда кнопка «ПУСК» отпущена, катушка пускателя продолжает получать питание через свой блокконтакт, который шунтирует пусковую кнопку.

Увімкнення електродвигуна «2М» возможно только після пуска електродвигуна «1М» з помощью пакетного выключателя «ВП2».

Останов верстата осуществляется нажатием кнопки «СТОП».

Электродвигатели «1М» і «2М» защищены от токов короткого замыкания плавкими предохранителями «1П».

Питание на светильник местного освещения подается от трансформатора посредством увімкнення выключателя «В».

Трансформатор защищен от токов короткого замыкания плавким предохранителем «2П».





6В75 Верстат фрезерный широкоуніверсальний. Відеоролик.



Технічні характеристики фрезерного верстата 6В75

Наименование параметра 6Е75ПФ1 675П 6В75
Основні параметри верстата
Класс точності по ГОСТ 8-82 П П Н
Розміри горизонтального (углового) стола, мм 200 х 630 200 х 630 200 х 630
Розміри вертикального стола, мм 200 х 500 200 х 500 195 х 550
Максимальная масса обрабатываемой детали, кг 200
Наибольшие розміри обрабатываемой з одной установки детали (длина х ширина х высота), кг 300 х 230 х 280
Расстояние от оси горизонтального шпинделя до рабочей поверхности горизонтального стола, мм 90..390 80..380 70..360
Расстояние от торца вертикального шпинделя до рабочей поверхности горизонтального стола, мм 0..290 0..300 22..312
Наибольший вылет оси вертикального шпинделя, мм 130..330
Наибольший продольный ход стола (X), мм 320 320 250
Наибольший вертикальний ход стола (Z), мм 290 300 290
Наибольший поперечний ход шпиндельной бабки (Y), мм 200 200 150
Цена деления лимбов, мм 0,05 0,025
Горизонтальный і вертикальний шпиндели верстата
Частота обертання горизонтального шпинделя, об/мин 40..2000 50..1600
95..1650
Частота обертання вертикального шпинделя, об/мин 40..2000 63..2000
110..1860
Количество швидкостей шпинделей 18 16 6
Наибольший допустимый крутящий момент на горизонтальном шпинделе, Нм 214
Наибольший допустимый крутящий момент на вертикальном шпинделе, Нм 155
Наибольшее осевое перемещение вертикального шпинделя, мм 60 60
Наибольший угол поворота вертикальной головки в вертикальной плоскости, градус ±90° ±90° ±45°
Конус горизонтального і вертикального шпинделей 40АТ5 Морзе 4 Морзе 4
Стол
Пределы продольных і вертикальних подач стола (X, Z), мм/мин 10..1000 12,5..400 17,5..178
Ускоренный ход стола, мм/мин 1800 935 нет
Количество подач стола Б/с 16 6
Наибольшее усилие подач стола, Н 4000 5000
Шпиндельная бабка
Пределы поперечных подач шпиндельной бабки (Y), мм/мин 10..1000 12,5..400 нет
Количество подач шпиндельной бабки Б/с 16 -
Наибольшее усилие подач шпиндельной бабки, Н 4000 5000
Ускоренный ход шпиндельной бабки, мм/мин 1800
Електроустаткування і привід верстата
Количество електродвигателей на станке 4 2
Електродвигун головного привода, кВт 1,5 1,5 1,7
Електродвигун приводу подач, кВт 1,1 нет
Електродвигун насоса гідравлики, кВт 0,06 нет
Електродвигун приводу насоса охлаждения, кВт 0,12 0,12 0,12
Суммарная мощность електродвигателей, кВт 2,78 1,62 1,82
Габарит і масса верстата
Габарити верстата (длина х ширина х высота), мм 1350 х 1400 х 1750 1110 х 1170 х 1650 1150 х 1100 х 1600
Масса верстата, кг 810 1100 855

    Список литературы:

  1. Руководство по експлуатации і обслуговування универсально-фрезерных верстатів 6В75 і 6В75П, 1966

  2. Аврутин С.В. Основы фрезерного дела, 1962
  3. Аврутин С.В. Фрезерне дело, 1963
  4. Ачеркан Н.С. Металлорежущие верстати, Том 1, 1965
  5. Барбашов Ф.А. Фрезерне дело 1973, с.141
  6. Барбашов Ф.А. Фрезерные роботи (Профтехобразование), 1986
  7. Блюмберг В.А. Справочник фрезеровщика, 1984
  8. Григорьев С.П. Практика координатно-расточных і фрезерных работ, 1980
  9. Копылов Р.Б. Работа на фрезерных верстатах,1971
  10. Косовский В.Л. Справочник молодого фрезеровщика, 1992, с.180
  11. Кувшинский В.В. Фрезерование,1977
  12. Ничков А.Г. Фрезерные верстати (Библиотека станочника), 1977
  13. Пикус М.Ю. Справочник слесаря по ремонту металлорежущих верстатів, 1987
  14. Плотицын В.Г. Расчёты настроек і наладок фрезерных верстатів, 1969
  15. Плотицын В.Г. Наладка фрезерных верстатів,1975
  16. Рябов С.А. Современные фрезерные верстати і их оснастка, 2006
  17. Схиртладзе А.Г., Новиков В.Ю. Технологическое обладнання машиностроительных производств, 1980
  18. Тепинкичиев В.К. Металлорежущие верстати, 1973
  19. Чернов Н.Н. Металлорежущие верстати, 1988
  20. Френкель С.Ш. Справочник молодого фрезеровщика (3-е изд.) (Профтехобразование), 1978









Заказать