metalinstryment.com
Довідник по металорізальних верстатів та пресовому обладнанні

ФСШ-1А Верстат фрезерный деревообрабатывающий з шипорезной кареткой
Схеми, опис, характеристики

ФСШ-1А Верстат фрезерный деревообрабатывающий з шипорезной кареткой







Відомості про виробника фрезерного деревообрабатывающего верстата ФСШ-1А

Производителем фрезерного деревообрабатывающего верстата ФСШ-1А(К) является является Кировский станкостроительный завод, основанный в 1880 году. Основная специализация завода - производство верстатів для заточки і подготовки дереворежущего инструмента к работе.

Другим производителем фрезерного деревообрабатывающего ФСШ-1А является Курганский завод деревообрабатывающих верстатів, который производит обладнання для мебельных і строительно-столярных производств.

Производителем фрезерного верстата ФС-1, ФСШ-1, ФСШ-1А(Д) является, также, Днепропетровский станкостроительный завод ДСПО в настоящее время ООО "Станкостроитель".

В СССР Днепропетровский станкостроительный завод специализировался на верстатах фрезерной группы на протяжении всего своего существования. Однако в мае 1999 года ето крупнейшее на Украине производство верстатів было реструктуризировано, і в результате появилось шесть самостоятельных предприятий, одно из которых - ООО "Станкостроитель".





Верстати, выпускаемые Кировским станкостроительным заводом, КСЗ


ФСШ-1А Верстат фрезерный деревообрабатывающий з шипорезной кареткой. Назначение, область применения

Верстат фрезерный деревообрабатывающий ФСШ-1А з подвижной шипорезной кареткой моделі ФСШ-1А предназначен для выполнения разнообразных фрезерных работ по дереву з ручной подачей, зарезки простых шипов глубиной до 100 мм з помощью шипорезной каретки, криволинейного фрезерування по шаблону з ручной подачей.

Верстат без шипорезной каретки имеет обозачение - ФС-1.

Фрезерный верстат ФСШ-1А предназначен для выполнения разнообразных фрезерных работ по дереву по направляющим линейкам з ручной подачей (изготовление вагонки, половой доски, плинтуса, наличника, филенки і других погонажных изделий), зарезки простых шипов з помощью шипорезной каретки і криволинейного фрезерування по шаблону з ручной подачей.

Принцип роботи і особливості конструкції верстата ФСШ-1А

Верстат ФСШ-1А собран на цельно литой виброустойчивой чугунной станине, внутри которой установлен высокоскоростной шпиндельный узел з механізмом подъёма і приводом от двухскоростного електродвигуна.

На станине установлен литой чугунный стол з шипорезной кареткой. На столе крепятся верхняя опора шпинделя, ограждение фрезы з регулируемыми направляющими линейками і патрубком для стружкоотсоса.

Шипорезная каретка имеет поворотную линейку з ексцентриковым прижимом. Дополнительно верстат може комплектоваться автоматическим подающим пристрійм (автоподатчиком), который легко монтируется на стол верстата.

В післядние годы, з развитием производства корпусной мебели, в нашей стране фрезерные верстати основном используют для фрезерування криволинейных кромок ДСП. Обработка ведется преимущественно двумя способами.

  1. Первый способ: на шпиндель устанавливается шлифовальная головка з закрепленной на ней шлифовальной лентой, при етом ДСП просто шлифуется, т.е. фрезерный верстат превращается в шлифовальный.
  2. Второй способ: фрезерование з использованием специальной фрезы з твердосплавными сменными пластинами.

Причем для фрезерування можно использовать только фрезы со сменными пластинами, і ето непременное условие, т.к. при обработке ДСП твердосплавные пластины достаточно быстро тупятся. Причина етого - достаточно высокая твердость ДСП і її неоднородная структура.

Помещение, где устанавливается верстат, должно соответствовать требованиям класса П-II по ПУЭ.

Верстат може експлуатироваться в диапазоне температур от +10 до +35°С, при средней относительной влажности воздуха не более 80%, в невзрывоопасной среде, при отсутствии прямого воздействия атмосферных осадков.

Вид климатического исполнения і категория розміщення верстата – УХЛ4.2, категория условий хранения – 2 по ГОСТ15150-69.

Требования к заготовкам, поступающим на верстат.

Заготовки должны отвечать требованиям ГОСТ8486-86 і ГОСТ2695-83:


Загальний вигляд фрезерного верстата ФСШ-1А

Загальний вигляд  фрезерного верстата ФСШ-1А

Фото фрезерного верстата ФСШ-1А


ФСШ-1А Розташування складових частин фрезерного верстата

Розташування складових частин фрезерного верстата ФСШ-1А

Розташування складових частин фрезерного верстата ФСШ-1А

Список складових частин фрезерного верстата ФСШ-1А:

  1. Прижим з линейкой - ФСШ-1А(К)20.000
  2. Каретка - ФСШ-1А(К)40.000
  3. Станина - ФСШ-Л.10.000
  4. Ограждение инструмента - ФСШ-Л.30.000
  5. Бабка шпиндельна - ФСШ-Л.40.000
  6. Кронштейн шпинделя - ФСШ-Л.50.000
  7. Захист инструмента - ФСШ-Л.60.000
  8. Механізм подъема - ФСШ-Л.70.000
  9. Електроустаткування - ФСШ-Л.80.000

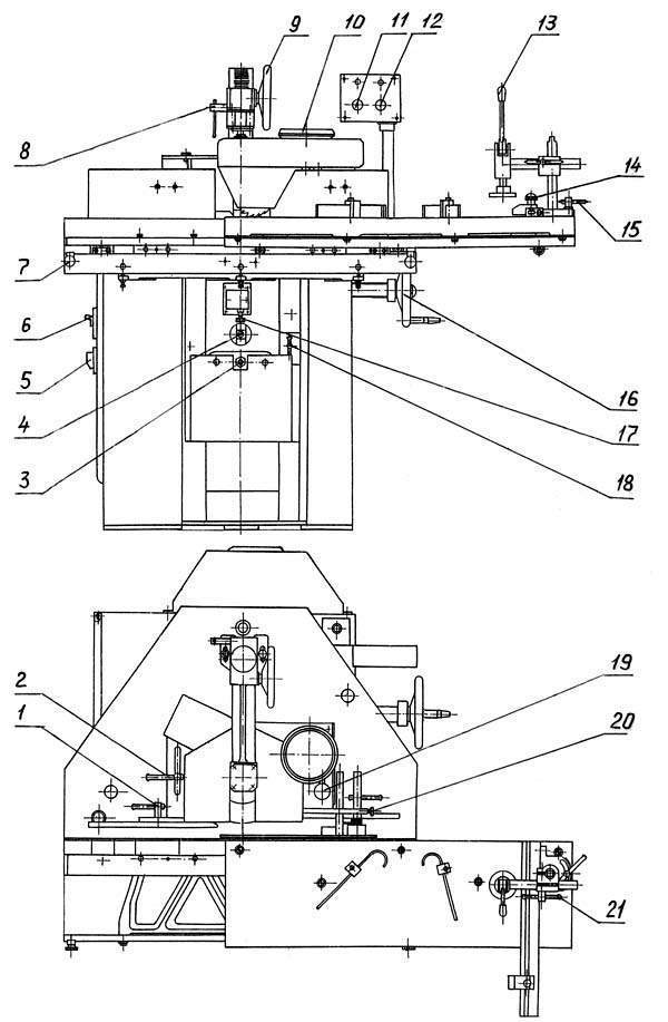
ФСШ-1А Розташування органів керування фрезерным верстатом

Розташування органів керування фрезерным верстатом ФСШ-1А

Розташування органів керування фрезерным верстатом ФСШ-1А

Список органів керування фрезерного верстата ФСШ-1А:

  1. Рукоятки крепления линеек;
  2. Рукоятки крепления корпуса защиты инструмента;
  3. Винт натяжения ремня;
  4. Фиксатор стопорения шпинделя;
  5. Переключатель выбора швидкостей шпинделя;
  6. Выключатель вводной, автоматический;
  7. Кнопки фиксации длины ходу каретки;
  8. Рукоятка зажиму кронштейна шпинделя;
  9. Маховичок переміщення кронштейна шпинделя;
  10. Маховичок переміщення защиты инструмента;
  11. Кнопка аварийного і робочого виключення верстата – «Стоп»
  12. Кнопка увімкнення верстата – «Пуск»
  13. Рукоятка зажиму вироби;
  14. Кнопка фиксации упора направляющей линейки;
  15. Рукоятка фиксации прижима з линейкой;
  16. Маховичок переміщення бабки шпиндельной;
  17. Кнопка крепления фиксатора стопорения шпинделя;
  18. Рукоятка зажиму бабки шпиндельной;
  19. Кнопка фиксации кронштейна линейки;
  20. Кнопка фиксации ограждения инструмента;
  21. Рукоятка фиксации прижима по высоте.




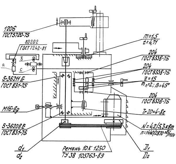
Схема кінематична фрезерного верстата ФСШ-1А

ФСШ-1А Схема кінематична фрезерного верстата

Кінематична схема фрезерного верстата ФСШ-1А

Движения в станке:


Пристрій і опис складових частин верстата

Станина

Станина фрезерного верстата ФСШ-1А представляет собой жесткую литую коробчатую конструкції, накрываемую плоским столом из чугуна. Внутри станины закрепляются направляющие для монтажа приводу головного руху. В нише станины монтируется електрообладнання верстата. Допускается сварной варіант станины.

Стол

Стол – чугунная отливка, усиленная ребрами жесткости. Стол жестко закреплен на станине.

При работе з помощью шаблона на столе устанавливается нижнее кольцо набега 8 (см. рисунок 4).

Возможно применение кольца набега з диаметром бурта отличным от поставляемого в комплекте верстата.

Привід головного руху фрезерного верстата ФСШ-1А

Привід головного руху состоит:

Натяжение ремня осуществляется винтом 3 (рисунок 2).

Шпиндельная бабка состоит из чугунного корпуса 4 коробчатого сечения, в котором на підшипниках качения смонтирован шпиндель 1. Предварительный натяг підшибників осуществляется комплектом пружин 2.

В верхнем торце вала шпинделя 1 выполнено конусное отверстие (Конус Морзе № 4) для установки оправки 11, которая закрепляется диференціальной гайкой 12. Вал шпинделя стопорится от обертання фиксатором 5, который посредством гвинта 6 і выключателя 7 сблокирован з приводом.

Бабка шпинделя з електродвигуном имеет вертикальное настроечное перемещение до 100 мм посредством шестеренчатой 13, 14 і винтовой 16, 17 передач с фиксацией в требуемом положении.

Крепление режущего инструмента на оправке посредством набора проставочных колец 9 осуществляется гайкой 10.

Очень важным елементом верстата является шпиндельные насадка (Оправка). На станке ФСШ-1А Оправка предусмотрена съемная. Особого внимания заслуживает крепления оправки к шпинделя з помощью диференціальной гайки. С учетом разного шага різьби на оправке і шпинделе, при креплении диференціальной гайкой происходит сближение і осевое затягивание конусов. Рекомендуем без особой необходимости не снимать оправку. Ну а если Вы все же решили снять оправку, то для етого необходим спеціальний ключ (верстат етим ключом не комплектуется), і не забывайте застопорить вал шпинделя фиксатором. Особенно важное значение для роботи верстата имеет применение оригинальных дистанционных колец на оправке. Настоятельно рекомендуем использовать только "родные" кольца. Эти кольца изготовлены з особой точностью, а посадочные места (торцевая часть) отшлифованы. Использование не заводских колец (типичная ошибка), как правило, приводит к искривлению оправки після зажатия гайкой фрез. Это искривление, возможно, не заметно на глаз, но при вращении даже на 3000 об/мин возникает довольно сильное биение, вибрация. Это очень распространенная ошибка.

Каретка подвижная шипорезная фрезерного верстата ФСШ-1А

Подвижная шипорезная каретка включает:

Плита каретки подвижна вдоль направляючих линеек, закрепленных на столе верстата;

Подвижное крепление каретки выполнено на підшипниках качения. Посредством упоров устанавливается величина ходу і его расположение относительно шпинделя верстата;

В плите каретки имеются отверстия для крепления прижима з линейкой і упорных прижимов в различных положениях.





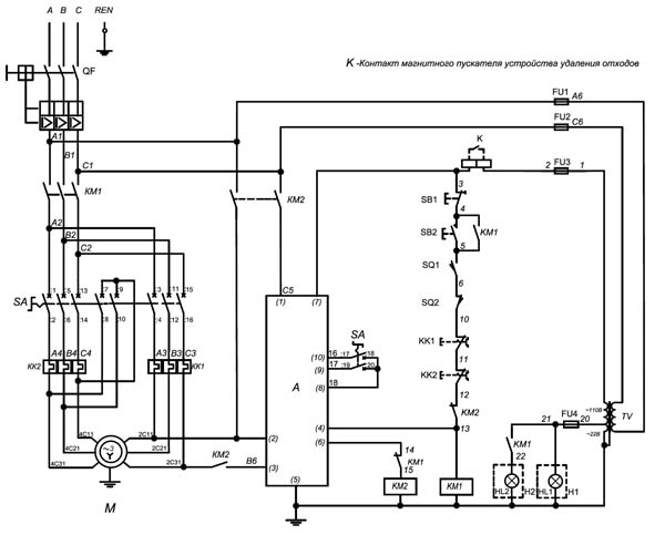
Схема електрична принципова фрезерного верстата ФСШ-1А

Схема електрична фрезерного верстата ФСШ-1А

Електрична схема фрезерного верстата ФСШ-1А

Схема електрична принципова фрезерного верстата ФСШ-1А. Дивитись у збільшеному масштабі



Електроустаткування верстата ФСШ-1А

Загальні відомості

В состав електроустаткування верстата ФСШ-1А(К) входит двухскоростной асинхронный електродвигатель з короткозамкнутым ротором в качестве приводу шпинделя.

Електроустаткування верстата рассчитано на наступні величины переменного тока:

Електроустаткування обеспечивает возможность его експлуатации в пожарных зонах класса П-II в соответствии з классификацией «Правил пристроя електроустановок» ПУЭ, Електроустаткування верстата ФСШ-1А(К) представлено на схеме електрической принципиальной (рисунок 7) і схеме електрической з'єднань (рисунок 8). Список елементів к схеме приведен в таблице 7.1. Захист силових ланцюгів от токов короткого замыкания осуществляется автоматическим выключателем QF, ланцюгів керування і сигнализации предохранителями FU1, FU2, FU3, от длительных перегрузок електродвигуна тепловыми реле KK1 і KK2.

На пульті керування установлены сигнальные лампы, кнопки керування приводом верстата.

Керування работой верстата осуществляется от кнопок SB1 і SB2. Электроаппаратура керування размещается в нише, находящейся непосредственно на самом станке.

Схемой предусмотрено електродинамическое торможение двигуна М після его виключення (електродинамический тормоз). Двигатель должен затормаживаться не более чем за 6 секунд. Допустимая частота торможения верстата не более 10 торможений в час.

Необходимый темп (скорость) замедления устанавливается регулятором, расположенным на блоке А, раздельно на каждую выбранную частоту обертання електродвигуна М.

Принцип дії електродинамического торможения основан на протекании обратного тока по обмоткам статора двигуна. Время протекания регулируется з помощью реле часу. Необходимо правильно использовать реле часу, неправильная налаштування часу торможения може привести к поломке електродвигуна. Реле часу необходимо периодически перенастраивать в зависимости от режимов різання, от используемого инструмента (его размеров), частоти обертання шпинделя і т.д. Если торможение двигуна не принципиальный в работе і без него можно обойтись, то лучше реле часу выключить вообще, избавившись лишней роботи.

Выбор скорости обертання шпинделя осуществляется переключателем SA, через дополнительные контакты 16, 17, 18 блока А.

Верстат ФСШ-1А имеет четыре скорости обертання шпинделя: 3000, 4500, 6000, 9000 об/мин. Главный привід использует двухскоростной асинхронный електродвигатель. Переключателем устанавливается первая или вторая скорость обертання. При переключении выбирается одна из двух схем соединения обмоток двигуна:

Скорость обертання фрезерного шпинделя выбираются, также, переміщенням приводного ремня по двум ступеням шкива:

Пуск фрезерного верстата ФСШ-1А в работу

Перед пуском верстата необходимо внешним осмотром проверить качество монтажа і надежность ланцюгів заземления. Включить автоматический выключатель QF, при етом загорается 11 лампа HL1, сигнализирующая о подаче напряжения в схему верстата.

Нажатием на кнопку SB2 (4-5) включить вращение електродвигуна М, одновременно загорается лампа HL2, сигнализирующая о включении приводу обертання фрезы. Останов з торможением происходит от нажатия на кнопку SB1 (3-4).

Блокировка

Електросхема верстата обеспечивает наступні блокировки: пуск верстата сблокирован з ограждением режущего инструмента (SQ1), фиксатором шпинделя (SQ2).

Блокировка достигается введением контактов SQ1, SQ2 в ланцюг живлення катушки КМ1.

Нулевая защита осуществляется блок контактами магнитного пускателя КМ1 (4-5).

Невозможность включить електродвигатель М во время торможения. Это достигается введением в ланцюг увімкнення катушки КМ1 размыкающего контакта – пускателя КМ2 (12-13).

Схемой предусмотрена блокировка з цеховой ексгаутерной установкой.

Заземление

При установці верстат должен быть надежно заземлен согласно действующим правилам і нормам. Для етого контактный зажим наружного защитного контура необходимо соединить з цеховым заземляющим контуром.

ВНИМАНИЕ: Запрещается нажимать стоповую кнопку SB1 при первоначальном запуске верстата і его фазировке, если електродвигатель не набрал полных оборотів.





ФСШ-1А Верстат фрезерный деревообрабатывающий з шипорезной кареткой. Відеоролик.




Технічні характеристики фрезерного верстата ФСШ-1А(К)

Наименование параметра ФСШ-1А(К)
Основні параметри верстата
Наибольшая толщина обрабатываемой заготовки (наибольшая глубина фрезерування), мм 100
Номинальные розміри стола, мм: 325 x 1000
Наибольшее вертикальное относительное перемещение шпинделя, мм 100
Внутренний конус Морзе шпинделя №4
Наибольшая ширина заготовки, устанавливаемой на каретке при глубине шипа 100 мм, мм 700
Номинальный диаметр шпиндельной насадки, мм 32
Наибольший диаметр режущего инструмента, мм 250
Наибольший ход шипорезной каретки, мм 926
Высота стола от пола, не менее, мм 860
Оптимальный диаметр круглой заготовки, мм 90
Номинальная частота обертання шпинделя при номинальной мощности електродвигуна, об/мин 3000, 4500, 6000, 9000
Електроустаткування верстата
Род тока питающей сети 380В 50Гц
Количество електродвигателей на станке, шт 1
Електродвигун - номинальная мощность, кВт 4,0/ 4,75
Електродвигун - номинальная частота обертання електродвигуна, об/мин 1420/ 2820
Номинальное напряжение ланцюгів керування, В 110
Габарит і масса верстата
Габарит верстата (длна х ширина х высота), мм 1000 х 1110 х 1270
Масса верстата, кг 810

    Список литературы:

  1. Верстати фрезерные одношпиндельные з шипорезной кареткой ФСШ-1А(К). Руководство по експлуатации ФСШ-1А(К).00.000 РЭ, Киров, 2005
  2. Верстати фрезерные одношпиндельные з шипорезной кареткой ФСШ-1А. Руководство по експлуатации ФСШ-1А.00.000-00 РЭ, Днепропетровск, 2005

  3. Амалицкий В.В. Деревообрабатывающие верстати і инструменты, 2002
  4. Афанасьев А.Ф. Резьба по дереву, Техника, Инструменты, Изделия, 2014
  5. Бобиков П.Д. Мебель своими руками, 2004
  6. Борисов И.Б. Обработка дерева, 1999
  7. Джексон А., Дей Д. Библия работ по дереву, 2015
  8. Золотая книга работ по дереву для владельца загородного участка, 2015
  9. Ильяев М.Д. Резьба по дереву, Уроки мастера, 2015
  10. Комаров Г.А. Четырехсторонние продольно-фрезерные верстати для обробки древесины, 1983
  11. Кондратьев Ю.Н., Питухин А.В... Технология изделий из древесины, Конструирование изделий і расчет материалов, 2014
  12. Коротков В. И. Деревообрабатывающие верстати, 2007
  13. Лявданская О.А., Любчич В.А., Бастаева Г.Т. Основы деревообробки, 2011
  14. Любченко В.И. Рейсмусовые верстати для обробки древесины, 1983
  15. Манжос Ф.М. Дереворежущие верстати, 1974
  16. Расев А.И., Косарин А.А. Гідротермическая обработка і консервирование древесины, учебное пособие, 2010
  17. Рыженко В.И. Полная енциклопедия художественных работ по дереву, 2010
  18. Рыкунин С.Н., Кандалина Л.Н. Технология деревообробки, 2005
  19. Симонов М.Н., Торговников Г.И. Окорочные верстати, 1990
  20. Соловьев А.А., Коротков В.И. Наладка деревообрабатывающего оборудования, 1987
  21. Суханов В.Г. Круглопильные верстати для распиловки древесины, 1984
  22. Фокин С.В., Шпортько О.Н. Деревообработка, Технологии і обладнання, 2017
  23. Хилтон Билл Работы по дереву, Полное руководство по изготовлению стильной мебели для дома, 2017