metalinstryment.com
Довідник по металорізальних верстатів та пресовому обладнанні

СР-4 (К) Верстат деревообрабатывающий рейсмусовый
Схеми, опис, характеристики

СР-4 Верстат деревообрабатывающий рейсмусовый







Відомості про виробника рейсмусового верстата СР-4 (К)

Производителем рейсмусового деревообрабатывающего верстата СР-4 (К) является Кировский станкостроительный завод.





Верстати, выпускаемые Кировским станкостроительным заводом, КСЗ


СР-4 Верстат рейсмусовый односторонний стационарный. Назначение, область применения

Рейсмусовый односторонний верстат СР-4 предназначен для продольного, одностороннего строгания в размер по толщине от 10 до 200 мм поверхностей плоских заготовок шириной до 400 мм, из древесины хвойных і лиственных пород з влажностью не более 15%. Верстат Ср-4 относится к универсальному оборудованию і применяется в серийном і мелкосерийном производстве столярных изделий в строительной отрасли, мебельной, судостроении, вагоностроении.

Обработка заготовок производится 4- ножевым валом цилиндрической формы з клиновым закреплением ножей в корпусе вала. Перед ножевым валом установлен спеціальний прижим для подпора волокон древесины в зоне різання і устранения заколов на обрабатываемой поверхности.

Стол верстата СР-4, по которому подаются заготовки, литой жёсткой конструкції, оборудован поддерживающими вальцами для уменьшения трения при перемещении обрабатываемого материала.

Подъем і опускание стола по высоте в зависимости от толщины обрабатываемого материала производится вручную маховиком з післядующей фиксацией, исключающей самопроизвольное опускание стола.

Нижня (базовая) поверхность заготовки должна быть обработана на фуговальном станке. Отклонение базовой пласти заготовки не должно превышать 0,15 мм на длине 1000 мм.

Подача заготовки - механическая. Пристрій подачі приводится в рух от двигуна через редуктор.

Помещение, где устанавливается верстат СР-4, должно соответствовать требованиям класса П-IIа по ПУЭ-98.

Климатическое виконання і категория розміщення верстата - УХЛ4.2, категория условий хранения - 2 по ГОСТ15150-69.


Отличительные особливості рейсмусового верстата СР-4:


Комплект поставки рейсмусового верстата СР-4


СР-4 Загальний вигляд рейсмусового верстата

Фото рейсмуса СР-4

Фото рейсмусового верстата СР-4





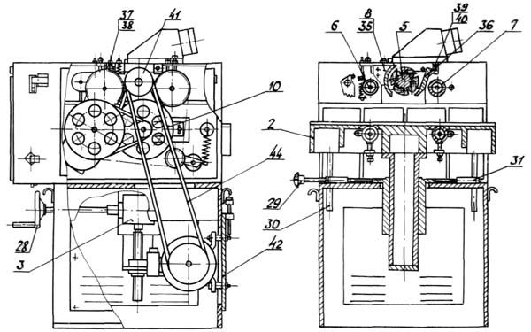
Розташування складових частин і органів керування рейсмусовым верстатом СР-4

Загальний вигляд  рейсмусового верстата СР-4

Загальний вигляд рейсмусового верстата СР-4

  1. Станина СР4(К).10.000
  2. Стол СР4(К).15.000
  3. Механізм переміщення стола СР4(К).20.000
  4. -
  5. Вал ножевой СР4(К).30.000
  6. Валец подающий передний СР4(К).35.000
  7. Валец подающий задний СР4(К).40.000
  8. Прижим СР4(К).45.000
  9. -
  10. Редуктор приводу подачі СР4(К).55.000
  11. Кожух СР4(К).60.000
  1. Електроустаткування СР4(К).80.000

Розташування складових частин і органів керування рейсмусовым верстатом СР-4

Розташування складових частин рейсмусового верстата СР-4

  1. Вводный выключатель
  2. Кнопка «Пуск» увімкнення ножевого вала і подачі
  3. Кнопка «Стоп» виключення ножевого вала і подачі
  4. Световой указатель наличия напряжения
  1. Маховичок ручного переміщення стола
  2. Рукоятки механического зажиму стола




Схема кінематична і розположення підшибників рейсмусового верстата СР-4

Схема кінематична рейсмусового верстата СР-4

Кинематическая cхема рейсмусового верстата СР-4

Кинематические ланцюги верстата осуществляют наступні руху:

  1. Вращение ножевого вала;
  2. Вращение подающих вальцов;
  3. Ручное перемещение стола вверх-вниз;
  4. Ручной зажим стола.

Ввиду простоты кінематичної схеми її опис не приводится.


Общая компановка рейсмусового верстата СР-4





Станина

Станина верстата СР-4 представляет собой жесткую литую коробку. Внутри станины в центральной частини расположен механізм переміщення стола. Електродвигун ножевого вала і приводу подачі крепится к плите, перемещающейся по пазам для натяжки ремней.

В нише станины размещен електрошкаф верстата і редуктор приводу подачі з клиноременной передачей приводу ножевого вала.

В верхней частини станины крепятся: на опорах передний валец, ножевой вал, прижимы, задний валец, кожух.

На станине верстата установлено запирающее пристрій вводного автомата, к которому прилагается спеціальний ключ.


Стол рейсмусового верстата СР-4

Стол рейсмусового верстата СР-4

Стол рейсмусового верстата СР-4. Рис. 4

Стол (1) чугунный прямоугольной формы. В столе расположены два поддерживающих гладких вальца (3).

Вальцы смонтированы на підшипниках качения, расположенные в качающихся кронштейнах (4, 5). Выставка вальцов по высоте относительно рабочей поверхности стола производится з помощью двух винтов (6) і гаек (7).


Механізм переміщення стола (рисунок 5)

Он предназначен для осуществления переміщення рейсмусового стола на заданный размер.

Механізм переміщення стола состоит из гильзы (1), которая крепится к столу і стакана (2), который крепится к станине. На гильзе в нижней частини жестко смонтирована гайка (3) через плиту (4). На стакане смонтирован корпус (5) з винтозубой передачей (6, 7). При вращении маховичка (8) рух через винтозубую пару (6, 7) передається на винт (9), связанный з гайкой (3), которая перемещает гильзу (1) со столом.


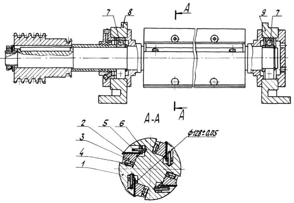
Вал ножевой рейсмусового верстата СР-4

Вал ножевой рейсмусового верстата СР-4

Вал ножевой рейсмусового верстата СР-4. Рис. 6

Корпус ножевого вала (1) цилиндрической формы имеет четыре паза, размещенные параллельно оси вала, в которые устанавливаются прямые ножи (2). Крепление ножей производится клиньями (3) і гвинтами (4). Выставка ножей осуществляется гвинтами (5) і гайками 8.

Корпус ножевого вала монтируется на шарикопідшипниках (7), размещенных в опорах (8, 9).

Опори крепятся к станине. Вращение ножевого вала осуществляется от електродвигуна клиноременной передачей.





Валец подающий передний (рисунок 7)

Валец подающий передний (1) - цельный, рифленый. Он устанавливается на двух шарикопідшипниках (2, 3), размещенных в качающихся кронштейнах (4, 5). Кронштейны устанавливаются на оси (6), закрепленные в корпусах (7, 8) через втулки (9, 10). Прижим вальца осуществляется пружинами (11) через тяги (12). Перед подающим вальцом установлена когтевая защита (13). Подъем когтевой защиты производится поворотом її оси за квадратный торец (14).

Возврат защиты в рабочее пололожение происходит под действием собственной массы когтей.


Валец подающий задний (рисунок 8)

Валец подающий задний (1) - цельный, гладкий. Он устанавливается на двух шарикопідшипниках (2, 3), размещенных в качающихся кронштейнах (4, 5). Кронштейны устанавливаются на осях (6, 7), закреплённых в корпусах (8, 9). Прижим вальца осуществляется пружинами (10), расположенными сверху кронштейнов. Регулювання зусилля прижатия осуществляется винтом (11).


Прижим рейсмусового верстата СР-4

Прижим рейсмусового верстата СР-4

Прижимы рейсмусового верстата СР-4. Рис. 9

К прижимам верстата относятся передний і задний прижимы. Передний прижим служит для создания подпора волокон древесины в месте выхода ножа из материала і предупреждения сколов. По конструкції передний прижим (1) - цельный, в виде сплошной балки. Прижим имеет возможность качаться на оси (4). Прижим смонтирован з осями на двух щеках (3). Для регулювання зусилля давления на обрабатываемое изделие передний прижим подпружинен.

Задний прижим (2) выполнен в виде сплошной балки, смонтирован на двух щеках (5) і имеет возможность поворачиваться на фланцах ножевого вала относительно его оси.





Налаштування рейсмусового верстата СР-4

Налаштування одностороннего рейсмусового верстата СР-4 заключается в установці опорных і прижимных елементів і нижнего стола, а также регулювання давления на заготовку прижимными і подающими елементами верстата.

Для налаштування рейсмусового верстата необходимо выполнить следующее:

  1. Опустить опорные ролики (3 рис.4) ниже уровня стола (1 рис.4);
  2. Стол рейсмуса опускается так, что бы прямоугольный строганный деревянный брусок, уложенный на него свободно проходил под строгальным ножевым валом;
  3. Стол рейсмуса з уложенным на него деревянным бруском поднимается до момента касания ножевого вала (при етом строгальный вал медленно двигается вперед-назад);
  4. При касании верхней гранью бруска ножевого вала фиксируется значение высоты стола (0 мм - первоначальное положение стола);

  5. Стол опускается на 0,5 мм (0,5 мм от первоначального положения стола). Мерный брусок перемещается за строгальный вал под задний прижим (2). Высота прижима устанавливается регулировочными гвинтами до касания бруска;
  6. Стол опускается на 0,5 мм (1 мм от первоначального положения стола) і мерный брусок перемещается под передний прижим. Регулировочными гвинтами настраивается высота переднего прижима до касания бруска;
  7. Мерным бруском настраивается высота (1 мм от первоначального положения стола) рифленого входного подающего вальца;
  8. Затем стол опускается на 0,5 мм (1,5 мм от первоначального положения стола) і производиться налаштування заднего прижимного вальца до касания бруска;
  9. Стол опускается еще на 0,5 мм (2,0 мм от первоначального положения стола) і мерный брусок перемещается под когтевую защиту. Настраивается її высота до касания мерного бруска;
  10. Затем устанавливается выход опорных роликов над поверхностью стола. При работе з хвойными породами высота устанавливается около 0,3 мм з лиственными породами около 0,1 мм.

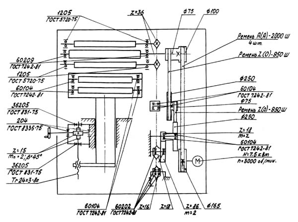
Редуктор приводу подачі рейсмусового верстата СР-4

Редуктор приводу подачі рейсмусового верстата СР-4

Редуктор приводу подачі рейсмусового верстата СР-4. Рис. 10

Отбор мощности на механическую подачу обрабатываемого материала осуществляется при помощи клиноременной передачи (1, 2). Для понижения числа оборотів применяется цепная (3) і зубчатая передача (4). Натяжение ремней осуществляется при помощи переміщення шкивов (5, 6), натяжение ланцюги - переміщенням натяжной звездочки (7).


Кожух верстата СР-4

Верхня часть верстата закрывается кожухом, на котором имеется заборник для удаления стружки из зоны різання. Заборник може соединятся з цеховой или другой вентиляцией.


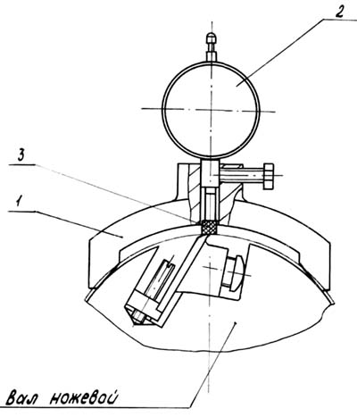
Приспособление контрольное рейсмусового верстата СР-4

Приспособление контрольное рейсмусового верстата СР-4

Приспособление контрольное рейсмусового верстата СР-4

Приспособление контрольное предназначено для установки режущих кромок ножей относительно оси обертання ножевого вала на диаметр різання 128 ± 0,05 мм.

Приспособление состоит из корпуса (1), индикатора часового типа (2) і наконечника (3).

При установці приспособления на корпус ножевого вала происходит контакт наконечника з лезвием ножа. Разность показаний индикатора в крайних точках не должна превышать 0,05 мм.





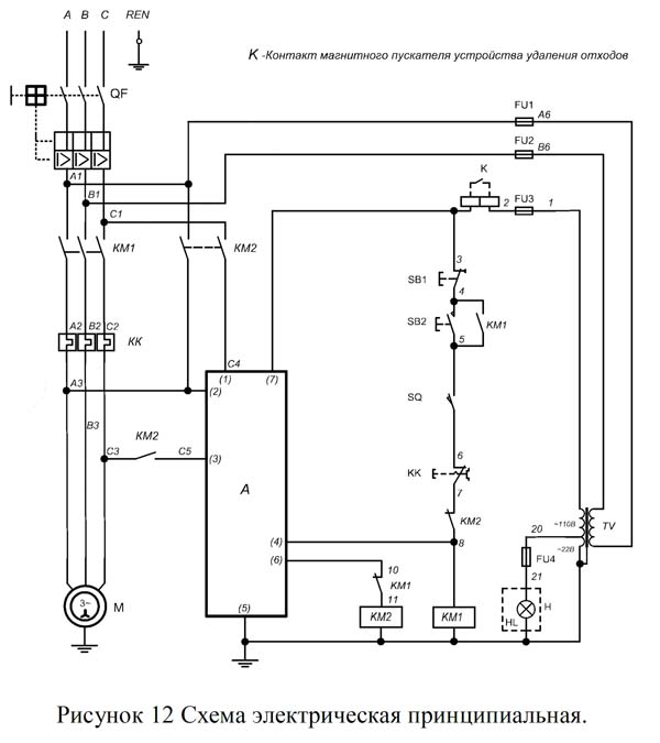
Електроустаткування верстата рейсмусового одностороннего СР-4 (К)

Схема електрична принципова СР-4

Схема електрична принципова рейсмусового верстата СР-4 (К)

Схема електрична принципова СР-4. Дивитись у збільшеному масштабі


Електроустаткування верстата. Загальні відомості

Електроустаткування верстата рейсмусового одностороннего (далее верстата) мод. СР4(К) представлено на схеме електрической принципиальной на рисунке 12, перечень применённой електроапаратури приведён в таблице 7.1, схема електрична з'єднань - на рисунке 13, место ввода внешних питающих проводов - на рисунке 15.

Краткая характеристика електродвигуна:


Відомості о системе живлення верстата

Верстат подключается к трехфазной четырехпроводной сети переменного тока, напряжение і частота которого должны соответствовать напряжению і частоте установленного на станке електроустаткування.

Ланцюги керування напряжением 110В і ланцюгів сигнализации 24В переменного тока питаются от понижающего трансформатора. Питающие провода подводятся к вводному блоку зажимов, расположенному на панелі в елсктрошкафу і состоящему из трех фазных і одной заземляющей клемм. Сечение питающих проводов должно быть не более 6 мм². На станине верстата предусмотрено место (болт) для подключения к местному контуру заземления.





Первоначальный пуск і робота верстата

Перед первоначальным пуском проверьте надежность заземления і качество монтажа електроустаткування. При помощи автоматичного выключателя QF верстат подключите к цеховой електросети. Проверьте действие блокирующих устройств. При помощи кнопок керування проверьте четкость срабатывания магнитного пускателя КМ.

Подсоединить замыкающий контакт пускателя местной ексгаустерной системы к клеммам 3 і 4 клеммника ХТ2.

Електродвигун включается кнопкой SB2. При етом запитывается катушка магнитного пускателя КМ, силовые контакты пускателя, замыкаясь, включают електродвигатель М.

Включив вводный выключатель, проверить работу електродвигуна на холостом ходу, убедиться в правильности направления его обертання. При необходимости произвести переключение двигуна.

Останов електродвигуна осуществляется нажатием кнопки SB1 «Стоп». При етом отключается пускатель КМ1 і включается магнитный пускатель КМ2, который своими контактами С1-С4 і В1-С5 подключает тормозной блок А. Происходит динамическое торможение електродвигуна М. При протекании постоянного тока, електродвигатель создает тормозной момент і обеспечивает остановку ножевого вала за время не более 6 сек. По окончании выдержки часу (реле часу встроено в блок А), отключается магнитный пускатель КМ2 і блок А13 отключается от сети. Настройку режима темпа замедления необходимо начинать з минимального тока. Не допускается резкое затормаживание ножевого вала.

ВНИМАНИЕ: Режим роботи динамического торможения повторно-кратковременный з числом тормозных циклов не более 10 раз/час. В случае несрабатывания реле часу і неотключения пускателя КМ2 (отсутствие характерного щелчка) в течении 6 сек, необходимо обесточить верстат вводным выключателем QF.


Блокировки, сигналізація і защита

Невозможно включить верстат при открытом кожухе ексгаустерной системы. Блокировка осуществляется конечным выключателем SQ.

Електрична схема верстата передбачає блокировку, непозволяющую включать верстат при неработающей местной вытяжной вентиляции.

Наличие напряжения на електрооборудовании верстата контролируется сигнальной лампой HL.

Захист електродвигуна М от токов короткого замыкания осуществляется автоматически выключателями QF, от длительных перегрузок - тепловым реле КК.

Захист ланцюги керування осуществляется предохранителем FU.






Технічні характеристики рейсмусового верстата СР-4(К)

Наименование параметра СР-4(К)
Основні параметри
Максимальная ширина строгания, мм 400
Диапазон толщины обрабатываемых заготовок, мм 10..200
Скорость механической подачі заготовки, м/мин 12
Минимальная длина обрабатываемой заготовки, мм 300
Наибольшая толщина снимаемого слоя за один проход, мм 4,5
Частота обертання строгального вала (на холостом ходу), об/мин. 4775
Количество строгальных ножей на строгальном валу 4
Диаметр строгального вала, мм 128
Размер ножа: Длина, ширина, толщина, мм 410 х 40 х 3
Длина рейсмусового стола, мм
Номинальный диаметр присоединительного патрубка ексгаустерной воронки, мм 100
Електроустаткування верстата
Род тока питающей сети 380В 50Гц
Количество електродвигателей на станке, шт 1
Електродвигун - номинальная мощность, кВт 7,5
Рабочий ток, А
Тип електродвигуна Асинхронный
Габарит і масса верстата
Габарит верстата (длина х ширина х высота), мм 950 х 990 х 1250
Масса верстата, кг 800

    Список литературы:

  1. Амалицкий В.В. Деревообрабатывающие верстати і инструменты, 2002
  2. Афанасьев А.Ф. Резьба по дереву, Техника, Инструменты, Изделия, 2014
  3. Бобиков П.Д. Мебель своими руками, 2004
  4. Борисов И.Б. Обработка дерева, 1999
  5. Джексон А., Дей Д. Библия работ по дереву, 2015
  6. Золотая книга работ по дереву для владельца загородного участка, 2015
  7. Ильяев М.Д. Резьба по дереву, Уроки мастера, 2015
  8. Комаров Г.А. Четырехсторонние продольно-фрезерные верстати для обробки древесины, 1983
  9. Кондратьев Ю.Н., Питухин А.В... Технология изделий из древесины, Конструирование изделий і расчет материалов, 2014
  10. Коротков В. И. Деревообрабатывающие верстати, 2007
  11. Лявданская О.А., Любчич В.А., Бастаева Г.Т. Основы деревообробки, 2011
  12. Любченко В.И. Рейсмусовые верстати для обробки древесины, 1983
  13. Манжос Ф.М. Дереворежущие верстати, 1974
  14. Расев А.И., Косарин А.А. Гідротермическая обработка і консервирование древесины, учебное пособие, 2010
  15. Рыженко В.И. Полная енциклопедия художественных работ по дереву, 2010
  16. Рыкунин С.Н., Кандалина Л.Н. Технология деревообробки, 2005
  17. Симонов М.Н., Торговников Г.И. Окорочные верстати, 1990
  18. Соловьев А.А., Коротков В.И. Наладка деревообрабатывающего оборудования, 1987
  19. Суханов В.Г. Круглопильные верстати для распиловки древесины, 1984
  20. Фокин С.В., Шпортько О.Н. Деревообработка, Технологии і обладнання, 2017
  21. Хилтон Билл Работы по дереву, Полное руководство по изготовлению стильной мебели для дома, 2017