metalinstryment.com
Довідник по металорізальних верстатів та пресовому обладнанні

Могилев 2.4 Верстат комбинированный деревообрабатывающий
Схеми, опис, характеристики

Могилев 2.4 Верстат комбинированный деревообрабатывающий







Производителем комбинированного деревообрабатывающего верстата Могилев 2.4 является Завод Белмаш ООО, г. Могилёв. Завод запущен в 2012 году. Адрес сайта: http://belmash.by/





Могилев 2.4 Верстат комбинированный деревообрабатывающий. Назначение, область применения

Верстат деревообрабатывающий Могилев 2.4 - упрощенная бюджетная модель - представляет собой компактное настольное пристрій для обробки пиломатериалов хвойных і лиственных пород пилением, фугованием з ручной подачей заготовки, з целью придания им необходимых форм і размереров.

Конструкція верстата позволяет удобно перемещать его вручную, также транспортировать, в том числе легковым автомобилем

При соответствующей наладке на станке можно выполнять наступні операции механической обробки древесины:

Особливості конструкції деревообрабатывающего верстата Могилев 2.4

Верстат имеет два окремих вала: вал для пильного диска і ножевой вал для строгания.Валы пильный і ножевой независимы і не работают одновременно, что гарантирует безопасную работу на станке.

Частота обертання вала для распиловки і строгания разные, оптимальны для каждой из операций.

Налаштування з операции строгания на операцию распиловки выполняется легко за счет перекидывания ремня.

Для точного положения линейки на рабочем столе предусмотрены шкалы.

Питание верстата осуществляется от однофазной сети переменного тока номинальным напряжением 230 В частотой 50 Гц з защитным (заземляющим) проводом; качество источника електрической енергии по ГОСТ 13109; источник

Вид двигуна - асинхронный, однофазный, з рабочим конденсатором, перемежающимся режимом роботи - S6-40%.

Верстат имеет встроенное пристрій отключения от источника живлення при перегреве асинхронного двигуна. Повторное увімкнення верстата производится після того, как електродвигатель остынет до температуры окружающей среды.

Для подключения внешних вытяжных устройств з целью сбора пыли і отходов різання верстат имеет патрубок диаметром 28 мм на ограждении пильного диска.

Средний срок службы верстата не менее пяти лет.

Сертификат соответствия ТС RU C-BY.AB24.B.02289

Верстат мощный, простой, з большой единой рабочей поверхностью.

Верстат деревообрабатывающий бытовой выпускается в следующих модификациях:


Клacc верстата по СТБ МЭК 61029-1, ГОСТ МЭК 61029-1 - первый.

Верстат должен использоваться в закрытых бытовых помещениях, кpoме жилых.

Виконання по степени защиты влаги - незащищенное.

Верстат може работать в следующих условиях.

Комплект поставки деревообрабатывающего верстата Могилев 2.4

  1. Верстат деревообрабатывающий многофункциональный - 1
  2. Ограждение - 1 шт
  3. Кожух - 1 шт
  4. Приспособление для поперечної распиловки под углом - 1 шт
  5. Ручка - 3 шт
  6. Скоба - 1 шт
  7. Линейка - 1 шт
  8. Накладка - 1 шт
  9. Фиксатор - 1 шт
  10. Ось - 1 шт
  11. Вставка - 1 шт
  12. Планка - 2 шт

Дополнительные приспособления к верстату Могилев 2.4





Могилев 2.4 Загальний вигляд комбинированного деревообрабатывающего верстата

Фото вигляд комбинированного верстата Могилев 2.4

Фото вигляд комбинированного верстата Могилев 2.4


Cклад комбинированного верстата Могилев 2.4

Cклад комбинированного верстата Могилев 2.4

  1. стол
  2. вал ножевой
  3. стол пильный
  4. линейка
  5. кожух защитный
  6. нож расклинивающий
  7. ручка
  8. выключатель
  9. ручка
  10. пристрій для поперечної распиловки под углом

Конструкція приводу валов комбинированного верстата Могилев 2.4

Конструкція приводу валов комбинированного верстата Могилев 2.4

Конструкція верстата Могилев 2.4 имеет два вала, не зависимых друг от друга, пильный і ножевой. Это необходимо для того, чтобы исключить возможность производить одновременно операции пиления і строгания. Для перехода з одной операции на другую достаточно переустановить ремень з одного вала на другой. Вращение от двигуна к ножевому і пильному валам передається з помощью поликлиноременной передачи. Натяжение ремня осуществляется


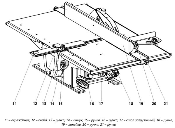
Загальний вигляд верстата Могилев 2.4 при операции строгания (фугования)

Загальний вигляд  верстата при операции строгания (фугования) комбинированного верстата Могилев 2.4

  1. ограждение
  2. скоба
  3. ручка
  4. кожух
  5. ручка
  6. ручка
  7. стол загрузочный
  8. ручка
  9. линейка
  10. ручка
  11. ручка

Для ориентации заготовки относительно режущего инструмента (пильного диска) і обеспечения її прямолинейного руху верстат оснащен направляющей линейкой 4 і пристрійм для поперечної распиловки под углом 10. Линейка 4 имеет возможность наклона под углом.

С целью предотобертання заклинивания пильного диска во время реза в конструкції верстата предусмотрен расклинивающий нож 6 з защитным кожухом 5.

Верстат оборудован мерными шкалами, указывающими ширину распиливаемой заготовки і глубину строгания.

В режиме строгания загрузочный стол 1 имеет возможность опускаться ниже уровня пильного стола 3 з помощью ручки 7, вращая которую можно обеспечить точную установку необходимой глубины строгания. При необходимости на верстат устанавливается линейка 4 і защитный кожух ножевого вала 2.


Налаштування верстата Могилев 2.4 на операцию строгания

Для налаштування верстата на операцию строгания необходимо, выкрутить ручку 15, фиксирующую кожух шкивов 14 і отвернуть в сторону. Потянуть вверх за ручку 16, тем самым ослабить натяжение ремня. Установить ремень на шкив ножевого вала.


Установка глубины строгания

Для установки глубины строгания необходимо вращая ручку 18, находящуюся под загрузочным столом 17, переместить стол на заданную глубину строгания (0..3 мм) по линейке.


Установка ограждения

Ограждение 11 предназначено для защиты вращающегося во время роботи ножевого вала. Оно перемещается в скобе 12 і фиксируется ручкой 13.

Если ширина строгания меньше 200 мм, то ограждение 11 должно закрывать нерабочую часть вращающегося ножевого вала.





Схема сборки верстата Могилев 2.4 для операции пиления

Схема сборки верстата Могилев 2.4 на операцию пиления

  1. линейка
  2. накладка
  3. винты
  4. фиксатор
  5. кожух
  6. ось
  7. гайка
  8. нож расклинивающий
  9. винты
  10. вставка
  11. ручка
  12. планка прижимная
  13. фланец
  14. стержни резьбовые
  15. шайбы
  16. гайки
  17. диск пильный
  18. шайба опорная
  19. шайба
  20. болт
  21. кожух

Загальний вигляд ножевого вала і регулировка ножей на комбинированном станке Могилев 2.4

Загальний вигляд  ножевого вала і регулировка ножей на комбинированном станке Могилев 2.4


Схема електрична принципова комбинированного деревообрабатывающего верстата Могилев 2.4

Схема електрична комбинированного верстата Могилев 2.4

Тип електродвигуна - Асинхронный однофазный з рабочими і пусковыми конденсаторами.





Могилев 2.4. Відеоролик




Технічні характеристики комбинированного верстата Могилев 2.4

Наименование параметра СДМ-2000 СДМ-2200 СДМ-2500 Могилев 2.4
Фугование (строгание). Основні параметри верстата
Наибольшая ширина фугования (строгания), мм 230 250 270 270
Наибольшая глубина снимаемого слоя за один проход при строгании, мм 3 3 3 3
Частота обертання пильного диска і дисковий фрезы на холостом ходу, об/мин 2850 2850 2850 2850
Частота обертання ножевого вала і кінцівой фрезы на холостом ходу, об/мин 7700 7700 7700 7700
Максимальная толщина заготовки, прижимаемая прижимным пристрійм, не более, мм 65 65 65 65
Максимальные розміри заготовки, Д×Ш×В (толщина), мм 2000 × 230 × 85 2000 × 250 × 100 2000 × 270 × 117 2000 × 270 × 97
Розміри строгального ножа, мм
Количество строгальных ножей 2 2 2 2
Пиление. Основні параметри верстата
Диапазон глубины пропила, мм 0..85 0..100 0..117 0..97
Наибольший диаметр пильного диска, мм 250 280 315 Ø250 х Ø32 х 3,2 z=24
Наибольший диаметр дисковий фрезы, мм 125 125 125 -
Фрезерование кінцівой фрезой
Наибольший диаметр кінцівой фрезы, мм 6..12 6..12 6..12 -
Електроустаткування верстата
Род тока питающей сети 220В 50Гц 220В 50Гц 220В 50Гц 220В 50Гц
Количество електродвигателей на станке, шт 1 1 1 1
Електродвигун - номинальная мощность, кВт 2,0 2,2 2,5 2,4
Тип електродвигуна при 220 В Асинхронный з короткозамкнутым ротором Асинхронный з короткозамкнутым ротором Асинхронный з короткозамкнутым ротором Асинхронный з короткозамкнутым ротором
Габарит і масса верстата
Габарит верстата (длна х ширина х высота), мм 806 × 793 × 445 876 × 829 × 460 949 × 849 × 512 995 х 630 х 353
Масса верстата, кг 50 53 58 45