metalinstryment.com
Довідник по металорізальних верстатів та пресовому обладнанні

Універсал-2500Е Верстат комбинированный деревообрабатывающий
Схеми, опис, характеристики

Універсал-2500Е Верстат комбинированный деревообрабатывающий







Производителем комбинированного деревообрабатывающего верстата Універсал-2500Е является Завод Белмаш ООО, г. Могилёв. Завод запущен в 2012 году. Адрес сайта: http://belmash.by/





Універсал-2500Е Верстат деревообрабатывающий многофункциональный. Назначение, область применения

Верстат деревообрабатывающий Універсал-2500Е - бюджетная модель - представляет собой компактное настольное пристрій для обробки пиломатериалов хвойных і лиственных пород (фанеры, древесно-стружечных плит і т.п) пилением, фугованием з ручной подачей заготовки, з целью придания им необходимых форм і размереров.

Конструкція верстата Універсал-2500Е позволяет удобно перемещать его вручную, также транспортировать, в том числе легковым автомобилем

При соответствующей наладке на станке можно выполнять наступні операции механической обробки древесины:

Особливості конструкції деревообрабатывающего верстата Універсал-2500Е

Конструкція верстата Універсал-2500Е более проста чем конструкция верстатів базовой серии СДМ. Верстат имеет только один вал как для пиления так і для строгания.

Для точного положения линейки на рабочем столе предусмотрены шкалы.

Верстат мощный, простой, з большой единой рабочей поверхностью.

Питание верстата осуществляется от однофазной сети переменного тока номинальным напряжением 230 В частотой 50 Гц з защитным (заземляющим) проводом; качество источника електрической енергии по ГОСТ 13109; источник

Вид двигуна - асинхронный, однофазный, з рабочим конденсатором, перемежающимся режимом роботи - S6-40%.

Верстат имеет встроенное пристрій отключения от источника живлення при перегреве асинхронного двигуна. Повторное увімкнення верстата производится після того, как електродвигатель остынет до температуры окружающей среды.

Для подключения внешних вытяжных устройств з целью сбора пыли і отходов різання верстат имеет патрубок диаметром 28 мм на ограждении пильного диска.

Средний срок службы верстата не менее пяти лет.

Сертификат соответствия ТС RU C-BY.AB24.B.02289




Верстат деревообрабатывающий бытовой выпускается в следующих модификациях:


Клacc верстата по СТБ МЭК 61029-1, ГОСТ МЭК 61029-1 - первый.

Верстат должен использоваться в закрытых бытовых помещениях, кpoме жилых.

Виконання по степени защиты влаги - незащищенное.

Верстат може работать в следующих условиях.

Комплект поставки деревообрабатывающего верстата Універсал-2500Е

Дополнительные приспособления к верстату Універсал-2500Е


Універсал-2500Е Загальний вигляд комбинированного деревообрабатывающего верстата

Фото вигляд комбинированного верстата Універсал-2500Е

Фото вигляд комбинированного верстата Універсал-2500Е

Фото комбинированного верстата Універсал-2500Е. Дивитись у збільшеному масштабі


Фото вигляд комбинированного верстата Універсал-2500Е

Фото комбинированного верстата Універсал-2500Е. Дивитись у збільшеному масштабі


Фото вигляд комбинированного верстата Універсал-2500Е

Фото комбинированного верстата Універсал-2500Е. Дивитись у збільшеному масштабі


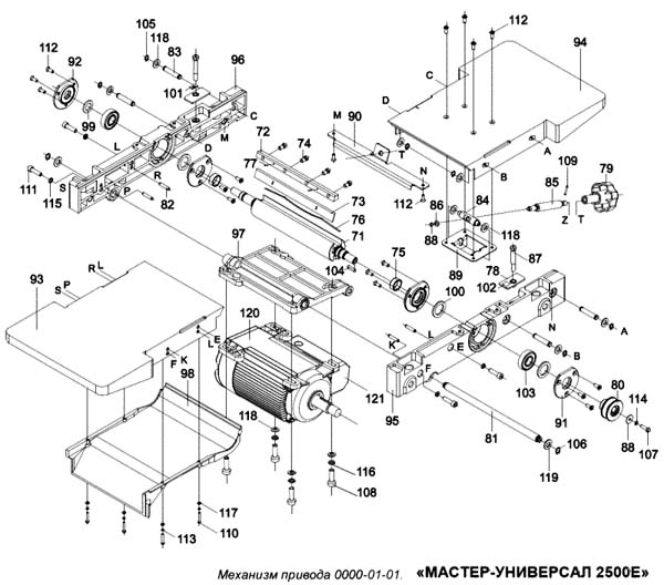
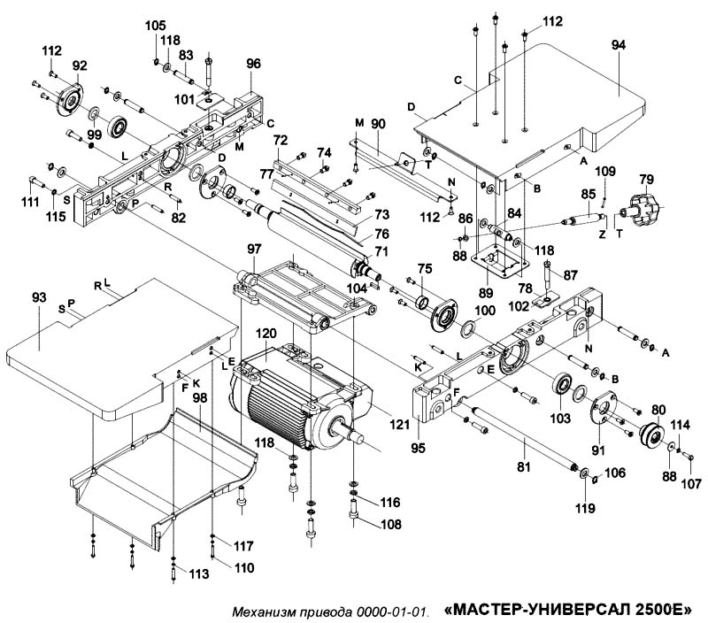
Механізм приводу верстата Універсал-2500Е

Механізм приводу верстата Універсал-2500Е

Механізм приводу верстата Універсал-2500Е. Дивитись у збільшеному масштабі


Загальний вигляд комбинированного верстата Універсал-2500Е в режиме пиления

Фото вигляд комбинированного верстата Універсал-2500Е


Загальний вигляд  комбинированного верстата Універсал-2500Е в режиме пиления

  1. выключатель
  2. линейка
  3. кожух
  4. диск пильный
    4а – пристрій для распиловки под углом
  5. расклинивающий нож
  6. пильный стол

Верстат представляет собой електромеханическое пристрій. В качестве приводу используется асинхронный електродвигатель. Вращение от двигуна к ножевому валу передається з помощью поликлиноременной передачи. Ремень охватывает ведущий і ведомый шкивы. Натяжение ремня осуществляется автоматически под действием веса електродвигуна і тяговой пружины.

В режиме пиления пильный стол 6 имеет функцию подъема по высоте.

Выключатель 1 Верстата имеет специальную защиту от непроизвольного увімкнення.

Для ориентации заготовки относительно режущего инструмента (пильного диска или дисковий фрезы) і обеспечения її прямолинейного руху верстат оснащен направляющей линейкой 2.

С целью предотобертання заклинивания пильного диска 4 во время реза в конструкції верстата предусмотрен расклинивающий нож 5 з защитным кожухом 3.

Верстат оснащен пристрійм для поперечної распиловки под углом 4а.

В режиме строгания (рис. 2) загрузочный стол 14 имеет возможность опускаться ниже уровня приемного стола 7 з помощью ручки 13, вращая которую можно обеспечить установку необходимой глубины строгания. На верстат устанавливается линейка 15 і защитный кожух ножевого вала 8.


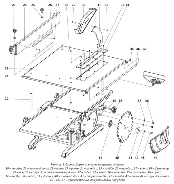
Схема сборки верстата Універсал-2500Е для операции пиления

Схема сборки верстата Універсал-2500Е на операцию пиления

Схема сборки верстата Універсал-2500Е на операцию пиления. Дивитись у збільшеному масштабі


  1. стойка
  2. пильный стол
  3. винт
  4. ручка
  5. линейка
  6. шайба
  7. наладка
  8. винт
  9. фиксатор
  10. ось
  11. кожух
  12. расклинивающий нож
  13. гайка
  14. винт
  15. вставка
  16. стержень
  17. ручка
  18. шайба
  19. гайка
  20. фланец
  21. пильный диск
  22. опорная шайба
  23. шайба
  24. болт
  25. кожух
  26. винт
  27. ось
  28. пристрій для распиловки под углом

Загальний вигляд верстата Універсал-2500Е в режиме строгания

Загальний вигляд  верстата Універсал-2500Е в режиме строгания


Налаштування верстата Універсал-2500Е на операцию строгания

Для налаштування верстата на операцию строгания необходимо, выкрутить ручку 15, фиксирующую кожух шкивов 14 і отвернуть в сторону. Потянуть вверх за ручку 16, тем самым ослабить натяжение ремня. Установить ремень на шкив ножевого вала.


Установка глубины строгания

Для установки глубины строгания необходимо вращая ручку 18, находящуюся под загрузочным столом 17, переместить стол на заданную глубину строгания (0..3 мм) по линейке.


Установка ограждения

Ограждение 11 предназначено для защиты вращающегося во время роботи ножевого вала. Оно перемещается в скобе 12 і фиксируется ручкой 13.

Если ширина строгания меньше 200 мм, то ограждение 11 должно закрывать нерабочую часть вращающегося ножевого вала.





Загальний вигляд верстата Універсал-2500Е в режиме фрезерування дисковий фрезой

Загальний вигляд  верстата Універсал-2500Е в режиме фрезерування дисковий фрезой

Фото вигляд комбинированного верстата Універсал-2500Е


Конструкція верстата Універсал-2500Е в режиме фрезерування кінцівыми фрезами

Конструкція верстата Універсал-2500Е в режиме фрезерування кінцівыми фрезами


Загальний вигляд ножевого вала і регулировка ножей на комбинированном станке Універсал-2500Е

Загальний вигляд  ножевого вала і регулировка ножей на комбинированном станке Універсал-2500Е


Схема електрична принципова комбинированного деревообрабатывающего верстата Універсал-2500Е

Схема електрична комбинированного верстата Універсал-2500Е

Тип електродвигуна - Асинхронный однофазный з рабочими і пусковыми конденсаторами.




Універсал-2500Е. Відеоролик






Технічні характеристики комбинированного верстата Універсал-2500Е

Наименование параметра СДМ-2000 СДМ-2200 СДМ-2500 Універсал-2500Е
Фугование (строгание). Основні параметри верстата
Наибольшая ширина фугования (строгания), мм 230 250 270 270
Наибольшая глубина снимаемого слоя за один проход при строгании, мм 3 3 3 3
Частота обертання пильного диска і дисковий фрезы на холостом ходу, об/мин 2850 2850 2850 5200
Частота обертання ножевого вала і кінцівой фрезы на холостом ходу, об/мин 7700 7700 7700 5200
Максимальная толщина заготовки, прижимаемая прижимным пристрійм, не более, мм 65 65 65 65
Максимальные розміри заготовки, Д×Ш×В (толщина), мм 2000 × 230 × 85 2000 × 250 × 100 2000 × 270 × 117 2000 × 270 × 88
Розміри строгального ножа, мм
Количество строгальных ножей 2 2 2 2
Пиление. Основні параметри верстата
Диапазон глубины пропила, мм 0..85 0..100 0..117 0..88
Наибольший диаметр пильного диска, мм 250 280 315 Ø250 х Ø32 х 3,2 z=24
Наибольший диаметр дисковий фрезы, мм 125 125 125 125
Фрезерование кінцівой фрезой
Наибольший диаметр кінцівой фрезы, мм 6..12 6..12 6..12 6..12
Електроустаткування верстата
Род тока питающей сети 220В 50Гц 220В 50Гц 220В 50Гц 220В 50Гц
Количество електродвигателей на станке, шт 1 1 1 1
Електродвигун - номинальная мощность, кВт 2,0 2,2 2,5 2,5
Тип електродвигуна при 220 В Асинхронный з короткозамкнутым ротором Асинхронный з короткозамкнутым ротором Асинхронный з короткозамкнутым ротором Асинхронный з короткозамкнутым ротором
Габарит і масса верстата
Габарит верстата (длна х ширина х высота), мм 806 × 793 × 445 876 × 829 × 460 949 × 849 × 512 955 × 561 × 225
Масса верстата, кг 50 53 58 47