metalinstryment.com
Довідник по металорізальних верстатів та пресовому обладнанні

Белмаш СДМ-2200 Верстат комбинированный деревообрабатывающий
Схеми, опис, характеристики

СДМ-2200 Верстат комбинированный деревообрабатывающий







Производителем комбинированного деревообрабатывающего верстата СДМ-2200 (Мастер-практик 2200) является Завод Белмаш СООО, г. Могилёв. Завод запущен в 2012 году. Адрес сайта: http://belmash.by/





Верстати, выпускаемые заводом Белмаш, г. Могилёв


Белмаш СДМ-2200 Верстат комбинированный деревообрабатывающий. Назначение, область применения

Верстат деревообрабатывающий СДМ-2200 производства завода БелМаш універсальний і наиболее оснащенный ранее был известен как Мастер-практик 2200.

СДМ-2200 Верстат деревообрабатывающий представляет собой компактное настольное пристрій для обробки пиломатериалов хвойных і лиственных пород. Верстат относится к оборудованию для бытового применения, индивидуального пользования. Конструкція верстата позволяет удобно перемещать его вручную, а также транспортировать, в том числе легковым автомобилем.

Верстат предназначен для обробки древесины пилением, строганием (фугованием), фрезерованием з ручной подачей заготовки.

При соответствующей наладке на станке можно выполнять наступні виды обробки:




Особливості конструкції багатофункціонального верстата СДМ-2200

Верстат имеет два окремих вала: вал для пильного диска і ножевой вал для строгания. Оба вала соединены з валом двигуна поликлиновым ремнем і вращаются з разной скоростью.

Частота обертання вала для распиловки і строгания разные, оптимальны для каждой из операций.

Верстат СДМ-2200 имеет уникальную конструкцию робочого стола. Это универсальная рабочая поверхность. Она состоит из трёх основних частин: пильного стола, загрузочного і приёмного строгальных столов.

Для каждой операции верстат Белмаш СДМ-2200 имеет свой рабочий стол:

  1. Пильный стол - для пиления (распиловки) дисковий пилкою.
  2. Строгальный стол - для строгания (фугования) древесины з помощью ножевого вала.
    Строгальный стол состоит из двух частин: загрузочный стол і приемный стол, которые регулируются по высоте
  3. Фрезерный стол - для операций сверления і фрезерування древесины. Стол регулируется по высоте

При распиловке строгальные столы закрыты. При етом образуется единая рабочая площадка.

При строгании достаточно опустить пильный диск в крайнее нижнее положение, раскрыть строгальные столы і настроить глубину строгания.

Для повышения безопасности верстат имеет механізм блокировки, который не позволяет открыть строгальные столы пока пильный диск не опущен.

С помощью механізма изменения глубины пропила высота пильного диска над столом легко настраивается з помощью ручки регулювання глубины пропила і фиксируется гайкой-барашком.

Выключатель расположен на поворотном кронштейне, который позволяет разворачивать его на 135° і фиксировать в удобном пользователю положении.

Питание верстата осуществляется от однофазной сети переменного тока номинальным напряжением 230 В частотой 50 Гц з защитным (заземляющим) проводом; качество источника електрической енергии по ГОСТ 13109; источник

Вид двигуна - асинхронный, однофазный, з рабочим конденсатором, перемежающимся режимом роботи - S6-40%.

Верстат имеет встроенное пристрій отключения от источника живлення при перегреве асинхронного двигуна. Повторное увімкнення верстата производится після того, как електродвигатель остынет до температуры окружающей среды.

Средний срок службы верстата не менее пяти лет.

Верстат деревообрабатывающий бытовой выпускается в следующих модификациях:


Условия експлуатации – на открытых площадках, под навесом, в закрытых помещениях, кроме жилых помещений.

Верстати должны експлуатироваться в следующих условиях:

Класс верстата по СТБ МЭК 61029-1, ГОСТ МЭК 61029-1 - первый.

Климатическое виконання верстата УХЛ, категория розміщення 3.1 по ГОСТ 15150.

Виконання по степени защиты от влаги - незащищенное.

Комплект поставки к верстату СДМ-2200

  1. Верстат деревообрабатывающий переносной, многофункциональны
  2. Ограждение пильного диска і дисковий фрезы з расклинивающим ножом
  3. Линейка
  4. Ручка (винт-барашек) - 3 шт
  5. Приспособление для поперечної распиловки под углом
  6. Держатель вертикальний
  7. Ключ кольцевой
  8. Ограждение ножевого вала
  9. Кронштейн
  10. Стол фрезерный
  11. Ограждение фрезы кінцівой
  12. Фреза 3202-0114 ГОСТ 11290, дискова, Ø125 мм
  13. Фреза 3260-0064 ГОСТ 8994, кінцівая
  14. Патрон сверлильный 13-М12×1,25 ГОСТ 22993
  15. Ключ рожковый
  16. Толкатель
  17. Поз. 33, рис. 1 Кожух
  18. Поз. 32, рис. 1 Диск пильный Ø280×3,2/2,2×32мм 24Т
  19. Ключ 7812-0372 Х9 ГОСТ 11737-93, шестигранный
  20. Руководство по експлуатации

Дополнительные приспособления к верстату СДМ-2200


СДМ-2200 Загальний вигляд комбинированного деревообрабатывающего верстата

Фото вигляд комбинированного верстата СДМ-2200

Фото вигляд комбинированного верстата СДМ-2200

Фото вигляд комбинированного верстата СДМ-2200

Фото вигляд комбинированного верстата СДМ-2200


Cклад комбинированного верстата СДМ-2200

Cклад комбинированного верстата СДМ-2200

Cклад комбинированного верстата СДМ-2200. Дивитись у збільшеному масштабі

  1. корпус верстата
  2. ограждение диска пильного; 2а - нож расклинивающий
  3. линейка
  1. пристрій для поперечної распиловки под углом
  1. ключ кольцевой
  1. фреза дискова
  1. ключ рожковый
  2. толкатель
  1. ручка регулювання глубины пропила
  2. стол пильный
  1. накладка пластиковая диска пильного
  2. гайки з шайбами
  3. диск пильный
  4. кожух для удаления стружки при строгании*
  1. выключатель
  1. винт-барашек регулировки глубины пропила
  1. кожух диска пильного; 57а – вкладыш для фрезерування; 57б – винты крепления передньої частини кожуха пильного диска
  1. шкала глубины пропила
  2. шкала глубины фрезерування

Cклад комбинированного верстата СДМ-2200

Cклад комбинированного верстата СДМ-2200. Дивитись у збільшеному масштабі

  1. корпус верстата
  2. ограждение диска пильного
  1. винты-барашки
  1. вертикальний держатель
  1. ограждение ножевого вала
  2. кронштейн ограждения ножевого вала
  3. стол фрезерный
  4. ограждение фрезы кінцівой
  1. фреза кінцівая
  2. патрон сверлильный
  1. стол пильный
  2. стол строгальный приёмный
  3. стол строгальный загрузочный
  4. гайка-барашек
  5. ограждение кінця вала
  6. скоба замковая
  7. винт-барашек
  1. винты-барашки
  2. ось крепления кронштейна поз.9
  3. шайба
  4. кольцо стопорное
  5. прижим
  6. винт-барашек
  7. болты
  8. винт-барашек
  9. крышка выключателя
  10. гайка-барашек
  11. ручка-рычаг загрузочного стола
  12. визир глубины строгания
  13. шкала глубины строгания
  14. ручка-рычаг приёмного стола
  15. выключатель
  16. шкала угла наклона линейки
  17. винты
  18. пазы основания линейки
  19. места крепления линейки
  20. пазы основания линейки
  21. винт
  22. скоба вертикального держателя
  23. поворотный пульт керування




Пристрій комбинированного верстата СДМ-2200

Верстат представляет собой електромеханическое пристрій. В качестве приводу используется асинхронный електродвигатель. Вращение от двигуна к ножевому валу (выходному концу вала) і пильному диску передається з помощью поликлиноременной передачи. Ремень охватывает ведущий і два ведомых шкива. Первый из ведомых шкивов обеспечивает вращение пильному диску, второй – строгальному ножевому валу і кінцівой фрезе. Натяжение ремня осуществляется автоматически под действием веса електродвигуна і тяговой пружины.

В конструкції верстата предусмотрены блокировочные пристроя, позволяющие выполнять только один вигляд обробки: пиление/фрезерование дисковий фрезой или строгание/ фрезерование кінцівой фрезой.

Верстат имеет фиксированный стол для пиления і два (приемный і загрузочный) перемещаемых стола для строгания (рис. 2). Строгальные столы в режиме пиления є дополнением к пильному столу.

В режиме строгания приемный і загрузочный столы устанавливаются на уровне реза строгальных ножей, причем, передний стол имеет возможность опускаться ниже уровня реза строгальных ножей, что обеспечивает установку необходимой глубины строгания.

В режиме пиления строгальные столы устанавливаются на уровень стола для пиления, образуя полную плоскость пильного стола. При етом, строгальные столы закрывают вращающийся ножевой вал, обеспечивая безопасную работу. Перемещение столов осуществляется з помощью встроенных ручек-рычагов. Такая конструкция позволяет быстро і легко переналаживать верстат на необходимый вигляд обробки.

Выключатель верстата имеет специальную защиту от непроизвольного увімкнення верстата і установлен на подвижном кронштейне, поворачивающемся так, чтобы обеспечить доступное і безопасное включение/вимкнення верстата.

Для ориентации заготовки относительно режущего инструмента і обеспечения її поступательного, прямолинейного, продольного руху верстат оснащен направляющей линейкой і пристрійм для поперечної распиловки под углом.

С целью предотобертання заклинивания пильного диска во время реза в конструкції верстата предусмотрен расклинивающий нож.

Для предотобертання доступа к вращающимся частям верстата в конструкції предусмотрены защитные пристроя.

Верстат оборудован мерными шкалами, указывающими глубину пропила, фрезерування дисковий фрезой і глубину строгания.


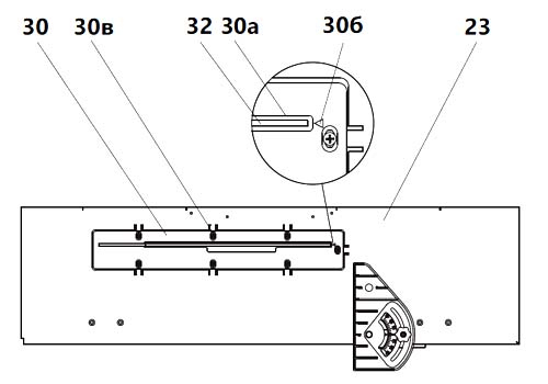
Регулювання накладки пильного диска

Регулювання накладки пильного диска

Накладку пильного диска необходимо отрегулировать так, чтобы метка «Δ» 30б (рис. 4) совпадала з центром пильного диска 32, а паз 30а был параллелен плоскости пильного диска 32. Для етого необходимо отпустить винты 32б, отрегулировать накладку 30 і снова закрепить.


Установка і налаштування ножей на комбинированном станке СДМ-2200

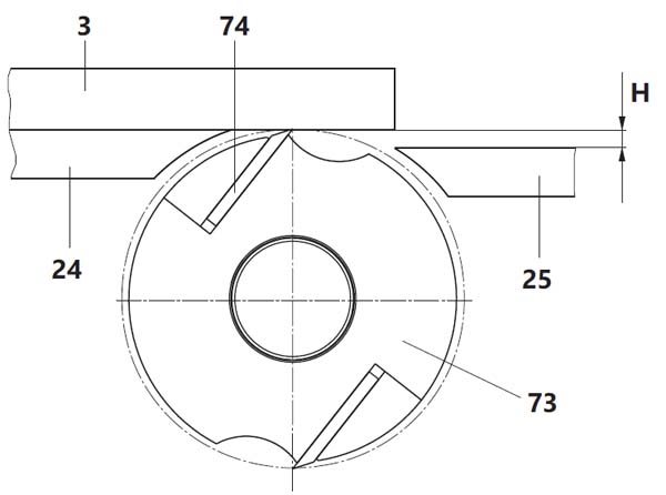
Конструкція ножевого вала на комбинированном станке СДМ-2200

Налаштування ножей обеспечивается післядовательной установкой каждого ножа. Предварительно необходимо освободить нож, отвинтив п'ять зажимных винтов 76 до состояния свободного переміщення (рис. 7).

Закручиванием/выкручиванием винтов 77 отрегулировать ножи 74 так, чтобы острие ножа касалось линейки 3, установленной на приёмном столе 24 (рис. 10).

Закрепите нож, закручивая зажимные винты 76. После окончательной затяжки винтов необходимо проверить правильность установки ножа, если необходимо, установку ножа повторить.

Правильно установленные ножи при повороте ножевого вала должны режущей кромкой слегка (до 0,1 мм) касаться нижней грани линейки.


Крепление ножей на комбинированном станке СДМ-2200

Крепление ножей на комбинированном станке СДМ-2200





Регулировочное пристрій ножей на комбинированном станке СДМ-2200

Регулировочное пристрій ножей на комбинированном станке СДМ-2200


Схема регулювання ножей на комбинированном станке СДМ-2200

Схема регулювання ножей на комбинированном станке СДМ-2200


Установка строгальных столов на комбинированный верстат СДМ-2200

Установка строгальных столов на комбинированный верстат СДМ-2200

Загрузочный 25 і приемный 24 строгальные столы необходимо установить на уровень реза строгальных ножей (рис. 11).

Для етого:


Установка глубины строгания

Для установки глубины строгания необходимо (рис. 11):


Использование линейки при строгании на комбинированном станке СДМ-2200

Использование линейки при строгании на комбинированномй станке СДМ-2200

Линейка предназначена для ориентирования обрабатываемой заготовки относительно ножевого вала і обеспечивает її прямолинейное перемещение і выполнение операций строгания под углом к кромке заготовки.

Линейка крепится двумя гвинтами-барашками 4 к пильному столу. Она може быть установлена как перпендикулярно к столу, так і под углом (рис. 13).

Для установки линейки под углом необходимо ослабить крепление двух винтов-барашков 36, установить линейку по шкале 51 на необходимый угол, затянуть винты-барашки 36.

Линейка должна прилегать к приёмному столу (при любом угле поворота). Для етого необходимо отвернуть винты-барашки 4, переместить линейку по пазам 53 основания линейки на необходимую величину, затянуть винты з гайками 52.


Распиловка вдоль і поперек волокон

Перед началом роботи следует произвести подготовку і наладку верстата.

Подготовка і наладка включает:


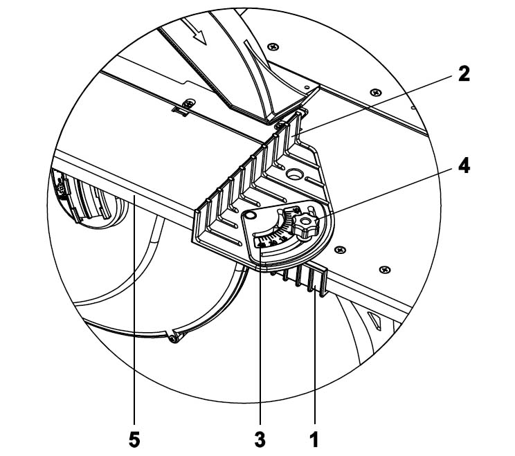
Установка стола пильного на комбинированный верстат СДМ-2200

Установка стола пильного на комбинированный верстат СДМ-2200

Положение кронштейна з ограждением под загрузочным столом.


Установка стола пильного

Для установки стола при пилении необходимо:


Установка глубины пропила на комбинированном станке СДМ-2200

Установка глубины пропила на комбинированном станке СДМ-2200


Установка глубины пропила

Установка глубины пропила осуществляется следующим образом (рис. 15):


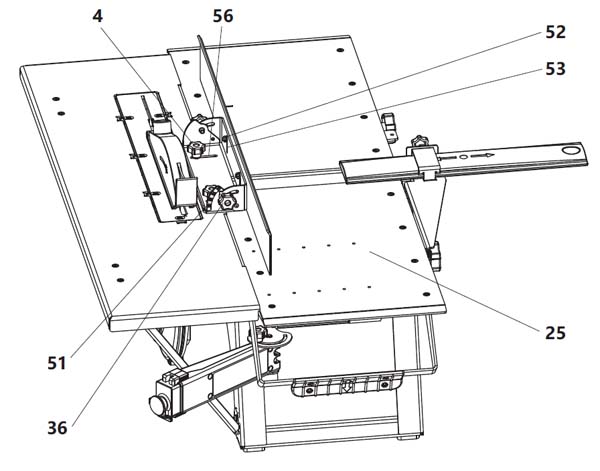
Распиловка вдоль волокон под углом з помощью линейки

Линейка 3 (рис. 1, 2) при распиловке крепится на строгальном загрузочном столе 25, з помощью винтов-барашков 4.

Расстояние от пильного диска 32 до линейки можно изменять переміщенням в пазах 56 основания линейки і перестановкой в отверстиях 55 стола 25. Таким образом може быть установлена любая ширина распила.

Линейка устанавливается как перпендикулярно к столу, так і под углом (п.п. 8.1.4), і должна прилегать к столу при любом угле поворота.


Конструкція приспособления для поперечної распиловки под углом на комбинированном станке СДМ-2200

Конструкція приспособления для поперечної распиловки под углом на комбинированном станке СДМ-2200

Для установки приспособления необходимо завести основа 1 (рис. 16) через открытый край стола так, чтобы имеющийся зацеп на основании охватил направляющую кромку стола 5.

Упор 2 можно поворачивать относительно основания 1 устанавливая і фиксируя его перпендикулярно резу пильного диска, или под углом от –45° до +45° для выполнения косого реза. Установите нужный угол распиловки, поворачивая упор 2 і фиксируя его винтом-барашком 4.

Прижимая заготовку к упору 2, перемещайте пристрій по направляющей 5 в сторону пильного диска.


Фрезерование кінцівыми фрезами на комбинированном станке СДМ-2200

Перед началом роботи следует произвести подготовку і наладку верстата:


Установка кінцівой фрезы или сверла на комбинированный верстат СДМ-2200

Установка кінцівой фрезы или сверла на комбинированный верстат СДМ-2200

Конструкція верстата в режиме фрезерування кінцівыми фрезами


Установка кінцівой фрезы или сверла

Чтобы установить кінцівую фрезу, либо сверло, необходимо:

Защитное ограждение кінцівой фрезы (в стандартный комплект поставки не входит, комплектуется по дополнительному согласованию з оптовыми заказчиками) имеет подпружиненный защитный колпачок 11в (рис. 17), который перемещается внутрь корпуса 11а при нажатии заготовкой на колпачок в осевом направлении, открывая рабочую часть кінцівой фрезы.


Регулювання фрезерного стола

Отрегулируйте стол 10 (рис. 17) по высоте относительно фрезы 12 (рис. 1). Для етого опустите винты-барашки 78.

Перемещением ручки-рычага 77 вверх/вниз установите необходимую высоту і затяните винты-барашки 78.


Установка линейки

Подача обрабатываемого материала по столу 10 (рис. 17) осуществляется вручную. Для параллельного переміщення заготовки используйте линейку 3. Линейка 3 крепится гвинтами 4 к столу 10 через имеющиеся резьбовые отверстия в столе.





Фрезерование дисковыми фрезами на комбинированном станке СДМ-2200

Перед началом роботи следует произвести подготовку і наладку верстата (рис. 18):


Конструкція верстата СДМ-2200 в режиме фрезерування дисковий фрезой

Конструкція верстата СДМ-2200 в режиме фрезерування дисковий фрезой


Установка дисковий фрезы

Чтобы установить дисковую фрезу 12 (рис. 18), необходимо:


Установка глубины фрезерування

Глубина фрезерування дисковий фрезой устанавливается аналогично установці глубины пропила пильным диском (п.п. 8.2.2).

Шкала глубины фрезерування 61 расположена справа на кожухе 57 пильного диска (рис. 1).


Схема електрична принципова комбинированного деревообрабатывающего верстата СДМ-2200

Схема електрична комбинированного верстата СДМ-2200

Тип електродвигуна - Асинхронный однофазный з рабочими і пусковыми конденсаторами.

  1. шнур живлення со штепсельной вилкой
  2. выключатель
  3. шнур живлення
  4. асинхронный електродвигатель
  5. колодка з'єднань
  6. термодатчик




СДМ-2200. Відеоролик



Верстат Белмаш СДМ-2200 в работе





Распил сырой березы на станке СДМ-2200




Технічні характеристики комбинированного верстата СДМ-2200

Наименование параметра СДМ-2000 СДМ-2200 СДМ-2500 Могилев 2.4
Фугование (строгание). Основні параметри верстата
Наибольшая ширина фугования (строгания), мм 230 250 270 270
Наибольшая глубина снимаемого слоя за один проход при строгании, мм 3 3 3 3
Частота обертання пильного диска і дисковий фрезы на холостом ходу, об/мин 2850 2850 2850 2850
Частота обертання ножевого вала і кінцівой фрезы на холостом ходу, об/мин 7700 7700 7700 7700
Максимальная толщина заготовки, прижимаемая прижимным пристрійм, не более, мм 65 65 65 97
Максимальные розміри заготовки, Д×Ш×В (толщина), мм 2000 × 230 × 85 2000 × 250 × 100 2000 × 270 × 117 2000 × 270 × 88
Розміри строгального ножа, мм
Количество строгальных ножей 2 2 2 2
Пиление. Основні параметри верстата
Диапазон глубины пропила, мм 0..85 0..100 0..117 0..97
Наибольший диаметр пильного диска, мм 250 280 315 Ø250 х Ø32 х 3,2 z=24
Наибольший диаметр дисковий фрезы, мм 125 125 125 -
Фрезерование кінцівой фрезой
Наибольший диаметр кінцівой фрезы, мм 6..12 6..12 6..12 -
Електроустаткування верстата
Род тока питающей сети 220В 50Гц 220В 50Гц 220В 50Гц 220В 50Гц
Количество електродвигателей на станке, шт 1 1 1 1
Електродвигун - номинальная мощность, кВт 2,0 2,2 2,5 2,4
Тип електродвигуна при 220 В Асинхронный з короткозамкнутым ротором Асинхронный з короткозамкнутым ротором Асинхронный з короткозамкнутым ротором Асинхронный з короткозамкнутым ротором
Габарит і масса верстата
Габарит верстата (длна х ширина х высота), мм 806 × 793 × 445 876 × 829 × 460 949 × 849 × 512 995 х 630 х 353
Масса верстата, кг 50 53 58 45