Розробник та виробник токарно-гвинторізного верстата 16Д20 - Алма-Атинський верстатобудівний завод , заснований у 1932 році як чавуноливарний завод №1 обласного відділу легкої промисловості.
З квітня 1942 року після об'єднання з ливарно-механічним заводом "20 років Жовтня", евакуйованим з Луганська, став називатись Алма-Атинським механічним заводом N21 ім. 20-річчя Жовтня Наркомату середнього машинобудування СРСР.
У 1945 році перейменований на Алма-Атинський верстатобудівний завод ім. 20-річчя Жовтня.
Завод выпускал верстати токарно-винторезные: 16Д20, 16Д20П, 16Д20ПФ1, ТВ16, 16Д25, 1Д95, 1Е95, 1М95.
Токарно-гвинторізні верстати 16Д20 , 16Д20П, 16Д20Г, 16Д25, 16Д25Г можуть застосовуватися в різних галузях промисловості на всіляких операціях для обробки різних матеріалів. Обслуговування верстатів слід здійснювати з урахуванням специфіки їхньої експлуатації.
Верстат призначений для виконання різних токарних робіт і нарізування метричної, модульної, дюймової та різьб. Оброблювані деталі встановлюються у центрах чи патроні.
Клас точності верстата Н, П. При чистовій обробці деталей з конструкційних сталей шорсткість обробленої поверхні V6б.
Відхилення від циліндричності 7 мкм, конусності 20 мкм на довжині 300 мм, відхилення від прямолінійності торцевої поверхні діаметром 300 мм — 16 мкм.
Верстат 16Д20 замінює модель 1К62. За всіма якісними показниками (продуктивності, точності, довговічності, надійності, зручності обслуговування, безпеки роботи тощо) перевершує верстат моделі 1К62. Жорстка коробчата форми станина з гартованими шліфованими напрямними встановлена на монолітній основі.
Шпиндель змонтований на прецизійних підшипниках кочення. На супорті є масштабні лінійки з візирами для зручності визначення величини переміщення різцевих та поперечних санок у процесі роботи. Нова конструкція різцетримача покращує стабільність фіксації. Фартух верстата забезпечений оригінальним механізмом вимикання подачі супорта, що забезпечує високу точність зупинки на жорсткому упорі. Комплекс огороджувальних та блокувальних пристроїв гарантує безпеку роботи на верстаті.
Найбільш доцільно використовувати верстат в інструментальних та ремонтних службах в умовах дрібносерійного та одиничного виробництва на чистових та напівчистових роботах.
Відмінності у технічних характеристиках відображені у розділі основних даних верстатів.
Токарно-гвинторізний верстат підвищеної точності 16Д20П не слід використовувати для чорнової обробки.
Верстати 16Д20 повинні експлуатуватися в закритих опалювальних приміщеннях, кліматичні умови УXЛ4 для країн з помірним кліматом та 04 для країн з тропічним кліматом за ГОСТ 15150-69.
Верстати 16Д20П, 16Д20Г, 16Д25, 16Д25Г виконані на базі основної 16Д20 з максимальною уніфікацією, мають однакові кінематичні схеми та уніфіковану конструкцію:

Габарити робочого простору токарного верстата 16д20

Фото токарно-гвинторізного верстата 16д20
Фото токарно-гвинторізного верстата 16д20. Дивитись у збільшеному масштабі

Фото токарно-гвинторізного верстата 16д20
Фото токарно-гвинторізного верстата 16д20. Дивитись у збільшеному масштабі

Фото токарно-гвинторізного верстата 16д20
Фото токарно-гвинторізного верстата 16д20. Дивитись у збільшеному масштабі

Автоматична коробка швидкостей АКП309-16 токарно-гвинторізного верстата 16д20

Привід токарно-гвинторізного верстата 16д20

Розташування основних вузлів токарно-гвинторізного верстата 16д20

Розташування основних вузлів токарно-гвинторізного верстата 16д20
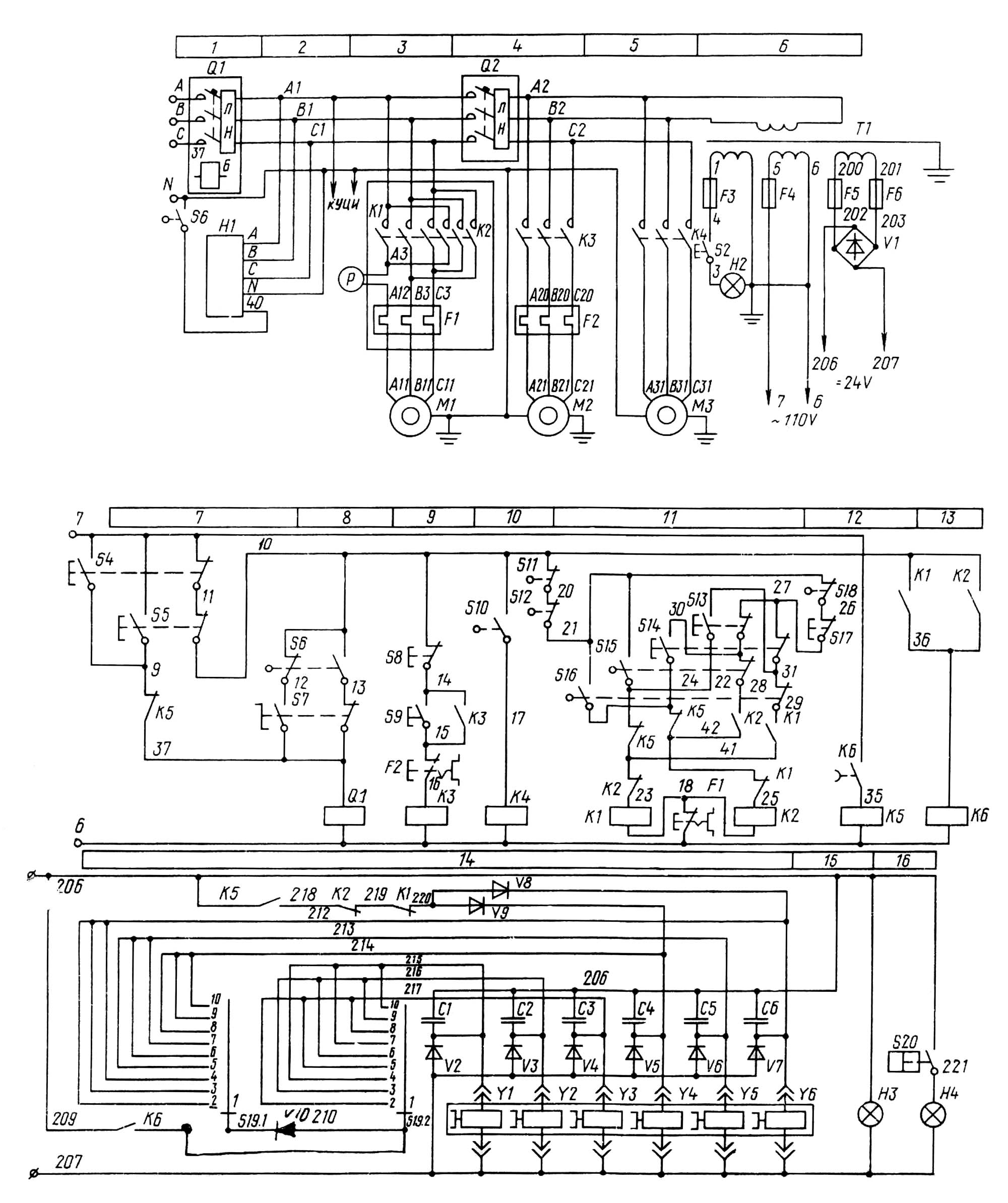
Питание ланцюгів електроустаткування осуществляется следующими напряжениями:
Питание верстата осуществляется от сети трехфазного переменного тока напряжением 380 В, частотой 50 Гц.
На станке установлено 3 трехфазных асинхронных короткозамкнутых електродвигуна:
Суммарная мощность всех електродвигателей - 11,85 кВт

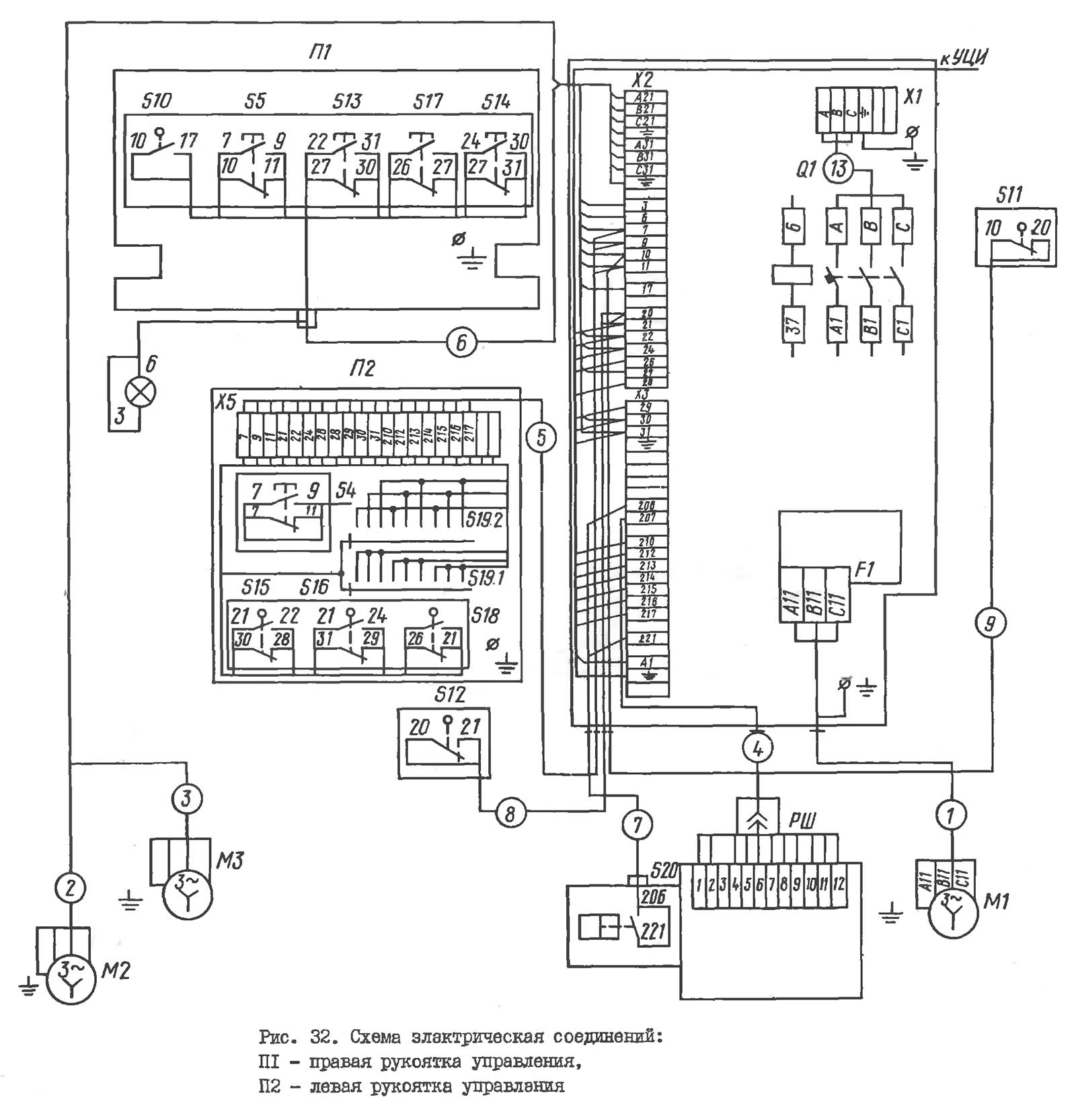
Електрична схема токарно-гвинторізного верстата 16д20
Схема електрична токарно-гвинторізного верстата 16Д20. Скачать в увеличенном масштабе
Рабочее место освещается смонтированным на каретке светильником з гибкой стойкой з лампой на 40 Вт.
В рукоятку фартука, встроен выключатель для керування електродвигуном быстрых перемещений. На шпиндельной бабке і каретке расположены пульты керування електродвигуном головного привода.
Шкаф керування установлен на кронштейнах над автоматичною коробкой швидкостей. Ввод питающих проводов осуществляется через отверстие шкафа керування проводом сечением 4 мм2 (черный цвет - для линейных проводов і зелено-желтый -для проводов заземления).
На лицевой стороне шкафа керування имеются наступні органы керування верстата:
На каретке расположен пульт со следующими органами керування:
На коробке швидкостей расположен пульт керування со следующими органами керування:
Електросхема имеет блокировку, отключающую главный вводный автомат при открывании дверей шкафа керування.
Блокировкой предусмотрен также останов електродвигуна головного приводу при открывании кожуха защиты патрона или двери ограждения ременной передачи і сменных зубчатых колес.
Для осмотра і ремонта електроапаратури под напряжением в схеме предусмотрен деблокирующий переключатель S7, которым пользуются только електрики, допущенные к производству таких работ.
При етом переключатель устанавливается в положение "Дверца открыта", після чего можно включить вводный автоматический выключатель QI і приступить к ремонтным работам.
По окончании осмотра или ремонтных работ переключатель должен быть поставлен в прежнее положение "Дверца закрыта", иначе закрывание дверей шкафа будет сопровождаться самопроизвольным отключением вводного автомата.
Для контроля наличия напряжения между любым из трех линейных проводов і шиной заземления служит мигающий индикатор напряжения H1, установленный в шкафу керування. Он работает только при открытой дверце шкафа керування і показывает включенное состояние вводного автомата, а также контролирует состояние главных контактов при его отключении. Пульсирующее мигание индикатора (красный цвет) обращает внимание обслуживающего персонала на наличие напряжения хотя бы в одной из фаз.
При первоначальном пуске внешним осмотром проверить надежность заземления і качество монтажа електроустаткування. Посла осмотра на клеммных наборах в шкафу керування отключить провода живлення всех електродвигателей. Подключить верстат к цеховой сети вводным автоматическим выключателем QI. Проверить действие блокирующих устройств, С помощью кнопок і рукояток керування проверить четкость срабатывания магнитных пускачів. После етого провода живлення електродвигателей подключить на свои месте. Проверить правильность обертання електродвигателей. При правильном подключении верстата к питающей сети після увімкнення насоса охлаждения охлаждающая жидкость вытекает из сопла системы.
Убедившись в правильности обертання електродвигателей, можно приступить к опробованию верстата в работе.
Перед началом роботи убедитесь, что дверца шкафа керування закрыта (нормальное положение выключателя S6). Это значит, что деблокирующий переключатель S7 находится в положении символа "Дверца закрыта".
Увімкнення вводного автоматичного выключателя возможно только при величии напряжения в сети, в увімкнення електродвигуна головного приводу - только при закрытой дверце електрошафи.
Нажатием на кнопку S9 через контактор К3 включается насос охлаждения М2.
Переключателем S19 установить необходимую частоту обертання шпинделя в выбранном диапазоне.
Включить електродвигатель головного приводу рукоятками не каретке или шпиндельной бабке. Увімкнення обертання шпинделя осуществляется при помощи микровыключателей S14, S16 по часовий стрелке і S15, S13 - против часовий стрелки. Одновременно происходит увімкнення двух електромагнітних муфт выбранной частоти обертання шпинделя.
Відключення обертання електродвигуна головного приводу осуществляется легким нажатием руки на ту или другую рукоятки керування з выполнением торможения муфтами Y4, Y6 автоматичною коробки швидкостей.
При нажатии на одну из кнопок аварийного останова происходит торможение електродвигуна головного приводу з післядующим отключением верстата от питающей сети (кнопки S5 і S4).
Захист електродвигателей, насоса охлаждения і трансформаторов от токов коротких замыканий производится автоматическими выключателями і плавкими предохранителями.
Захист електродвигуна головного приводу і насосе охлаждения от длительных перегрузок осуществляется тепловыми реле.
При установці верстат должен быть надежно заземлен і подключен к общей системе заземления. Для етого в шкафу керування имеются клеммы, а в нижней частини правой тумбы - болт заземления.
При ремонтi і перерывах в работе вводный автоматический выключатель должен быть обязательно отключен і заперт специальным пристрійм, предусмотренным конструкцией шкафа з електрообладнанням.
ВНИМАНИЕ!
ПРИ ОТКЛЮЧЕННОМ ВВОДНОМ ВЫКЛЮЧАТЕЛЕ В ШКАФУ С ЭЛЕКТРООБОРУДОВАНИЕМ ОСТАЮТСЯ ПОД ОПАСНЫМ НАПРЯЖЕНИЕМ ВВОДНЫЕ КЛЕММЫ СТАНКЕ И КЛЕММЫ АВТОМАТИЧЕСКОГО ВЫКЛЮЧАТЕЛЯ.
На шпиндельной бабке і каретке установлена кнопка "Аварийный стоп" з грибовидным толкателем красного цвета, которая обеспечивает відключення всего електроустаткування станке независимо от режима его роботи.
Действие кнопки "Аварийный стоп" должно проверяться при первоначальном пуске верстата.
Категорически запрещается работать на станке при неисправной електрической ланцюги дистанционного отключения вводного выключателя от кнопки "Аварийный стоп".
Для обеспечения безопасной роботи, предупреждения поломок механізмов на станке предусмотрены електрические блокировки:
- Блокировка между вводным выключателем і дверцей шкафа з електрообладнанням;
- Блокировка, предусматривающая останов електродвигуна головного приводе при открывании кожуха защиты патрона или кожуха сменных зубчатых колес.
Действие всех електрических блокировок должно проверяться на холостом ходу і под нагрузкой при первоначальном пуске верстата, а также при профилактических осмотрах і ремонтах.
Категорически запрещается работать на верстата при обнаружении неисправностей в робота електрических блокировок безопасности
Продолжать работу на станке разрешается только після устранения причин, вызвавших ети неисправности.
Для предупреждения о наличии напряжения на панелі шкафа установлено мигающее светосигнальное пристрій.
При проведении работ по демонтажу електроустаткування перед отправкой станке потребителю, монтажу і первоначальному пуску стенка на месте експлуатации, при обслуживании і ремонтi електроустаткування стенка следует также руководствоваться указаниями мер безопасности, которые содержатся в следующих разделах настоящего руководства: "Порядок установки", "Порядок роботи".
Пневмообладнання служит для создания воздушной подушки, облегчающей перемещение задньої бабки по станине і предотвращает износ направляючих.
Пневмоаппараты смонтированы з задньої стороны верстата. Пневмообладнання нужно подключить к сети сжатого воздуха (давление 4..6 атмосфер, расход воздуха соответственно 10..14 л/мин), для чего на правой стойке имеется труба з наружной резьбой 3/8" труб.
Подача воздуха на направляющие производится при нажатии кулачка, укрепленного на рукоятке 4 (см.рис.18), на толкатель клапана I (рис.34) (при перемещении рукоятки на робочого). По окончании роботи следует салфеткой удалить влагу з направляючих і покрыть их тонким слоем масла.
Ежедневно перед началом роботи необходимо спустить влагу из фильтра 3 посредством поворота воротка, установленного в его нижней частини.
Регулярно, один рез в 2-3 месяца, по мере поднятия конденсата до уровня заслонки, фильтр 3 нужно снимать для очистки і промывки. В маслораспылитель 2, по мере необходимости следует заливать масло "Индустриальное И-20А" ГОСТ 20799-75".

Размещение електроустаткування на токарно-винторезном станке 16Д20
Размещение електроустаткування на токарно-винторезном станке 16Д20. Дивитись у збільшеному масштабі

Специфікація електроустаткування токарно-гвинторізного верстата 16Д20

Схема з'єднань електроустаткування токарно-гвинторізного верстата 16Д20
| Наименование параметра | 16К20 | 16Д20 | 16Д25 |
|---|---|---|---|
| Основні параметри верстата согласно ГОСТ 440-81 | |||
| Наибольший диаметр заготовки обрабатываемой над станиной, мм | 400 | 400 | 500 |
| Наибольший диаметр заготовки обрабатываемой над суппортом, мм | 220 | 220 | 290 |
| Наибольший диаметр заготовки обрабатываемой над выемкой (обозначение Г), мм | 310 | 630 | 700 |
| Наибольшая длина устанавливаемой детали РМЦ, мм | 710, 1000, 1400, 2000 | 750, 1000, 1500 | 1000, 1500, 2000 |
| Наибольшая масса обрабатываемого вироби в центрах, кг | 1300 | ||
| Шпиндель | |||
| Диаметр отверстия в шпинделе, мм | 52 | 63 | 63 |
| Инструментальный конус шпинделя, мм | Морзе 6 | М80 | М80 |
| Фланец шпинделя, мм | 6К | 6М | 6М |
| Мощность приводу головного руху, кВт | 10 | 11 | 11 |
| Частота обертання шпинделя, об/мин | 12,5..1600 | 8,5..2000 | 8,5..2000 |
| Количество прямых швидкостей шпинделя | 22 | 27 | 27 |
| Количество швидкостей, переключаемых без остановки шпинделя | 9 | 9 | |
| Наибольший крутящий момент на шпинделе, кН*м | 2 | 2 | |
| Суппорт. Подачи | |||
| Высота резца, мм/об | 25 | 25 | |
| Диапазон продольных подач, мм/об | 0,05..2,8 | 0,05..10,7 | 0,05..10,7 |
| Диапазон поперечных подач, мм/об | 0,025..1,4 | 0,025..5,35 | 0,025..5,35 |
| Количество подач продольных/ поперечных | 22/ 24 | 32/ 32 | 32/ 32 |
| Скорость быстрых перемещений продольных/ поперечных, м/мин | 3,8/ 1,9 | 4/ 2 | 4/ 2 |
| Количество резьб, мм | |||
| Пределы шагов метрических резьб, мм | 0,5..112 | 0,5..112 | 0,5..112 |
| Пределы шагов дюймовых резьб, ниток/дюйм | 0,5..112 | 0,25..56 | 0,25..56 |
| Пределы шагов модульных резьб, модуль | 0,5..56 | 0,5..112 | 0,5..112 |
| Пределы шагов питчевых резьб, питч диаметральный | 56..0,5 | 56..0,25 | 56..0,25 |
| Задня бабка | |||
| Центр пиноли задньої бабки по ГОСТ 13214-79 | М5 | М5 | М5 |
| Наибольшее перемещение пиноли, мм | 150 | 150 | 150 |
| Електроустаткування і привод | |||
| Количество електродвигателей на станке | 4 | 3 | 3 |
| Електродвигун головного руху, кВт | 10 | 11 | 11 |
| Електродвигун быстрых перемещений, кВт | 0,75 | 0,75 | 0,75 |
| Електродвигун насоса СОЖ, кВт | 0,12 | 0,125 | 0,125 |
| Електродвигун гідростанції, кВт | 1,1 | - | - |
| Габарити і масса верстата (РМЦ = 1000) | |||
| Габарити верстата (длина ширина высота) (РМЦ = 1000), мм | 2795 х 1190 х 1500 | 2880 х 1270 х 1605 | 2880 х 1320 х 1605 |
| Масса верстата, кг | 3005 | 2800 | 2880 |
Каталог справочник токарно-винторезных верстатів
Паспорти та схеми до токарно-гвинторізних верстатів та обладнання
Купити каталог, довідник, базу даних: Прайс-лист інформаційних видань
Замовити
Хто володіє інформацією – той володіє світом.
Натан Ротшильд