Виробником токарно-гвинторізного верстата 16В20 є Астраханський верстатобудівний завод , заснований у 1944 році.
Основним видом діяльності Астраханського верстатобудівного заводу є випуск металорізального, ковальсько-пресового, абразивно-відрізного, деревообробного обладнання. Крім того, завод виробляє комплектуючі до верстатів та оснащення.
Завод випускає токарно-гвинторізні верстати моделі 1В62Г , 16В20 , 1В625 , 1В625М з відстанню між центрами 750, 1000 та 1500 мм та токарний верстат з ЧПУ АС16М20Ф3 .
Токарно-гвинторізний верстат 16В20 замінив застарілі моделі верстата 1А62Г з виїмкою в станині.
Токарний верстат 16-20 можна назвати прямим нащадком знаменитого первістка радянського верстатобудування ДІП-200, першим «спадкоємцем» якого є токарний верстат 1А62. У 1949 році виробництво 1А62 було передано з флагмана радянського верстатобудування московського на новостворений Астраханський верстатобудівний завод. Надалі підприємство припинило випуск свого первістка і розпочало виробництво розробленої на його базі моделі нового токарного верстата, яка мала дві модифікації: 16-20 і 1-62г.
Верстат 16-20 використовувався для внутрішньосоюзних поставок підприємствам усіх галузей народного господарства.
Найбільш доцільно використовувати верстати в інструментальних та ремонтних службах в умовах дрібносерійного та одиничного виробництва на чистових та напівчистових роботах.
Універсальні токарно-гвинторізні верстати 16В20 призначені для токарної обробки зовнішніх і внутрішніх поверхонь деталей типу тіл обертання різноманітного осьового профілю, у тому числі для нарізування метричної, модульної, дюймової та різьб на заготовках, що встановлюються в центрах або патроні.
Жорстка коробчатої форми станина з гартованими, шліфованими напрямними має достатню жорсткість.
Шпиндель змонтований на точних підшипниках кочення.
Конструкція різцетримача забезпечує стабільність положення фіксації інструменту. Фартух верстата забезпечений оригінальним механізмом вимикання подачі супорта, що забезпечує високу точність зупинки на жорсткому упорі. Комплекс огороджувальних та блокувальних пристроїв гарантує безпеку роботи на верстаті.
Всі основні частинини верстата виготовлені з високоякісної сталі, що забезпечує їхню надійну довговічну роботу.
Термооброблені та шліфовані напрямні станини, зубчасті колеса та вали забезпечують тривалий термін служби та підвищену точність обробки.
Задня бабка оснащена механічним розвантажувальним пристроєм, що забезпечує плавність та легкість її переміщення.
Коробка швидкостей, коробка подач і фартух мають автономну систему мастила.
Конструкція верстата дозволяє встановлювати на вузол шпиндельний електромеханічний, гідравлічний або пневматичний патрони для затиску заготовок.
У верстатах використані уніфіковані вузли.
Верстат сертифікований на відповідність вимогам безпеки.
Виконання та категорія розміщення верстатів у частинині умов експлуатації — УХЛ4 за ГОСТ 15150-69 (Для експлуатації у всіх кліматичних районах країн ближнього зарубіжжя у закритих опалювальних (охолоджуваних) та вентильованих виробничих приміщеннях).
Клас точності верстатів - Н за ГОСТ 8-82Е.
Шпиндель верстата 16-20 отримує 24 швидкості (3 з яких перекриваються) обертання в прямому напрямку (11,5..1200 об/хв) і 12 швидкостей у зворотному напрямку (18..1520) через перебірні шестерні від коробки швидкостей. Для керування перебором служать ручки на передній бабці.
Двостороння фрикційна дискова муфта , що складається з двох незалежних половин, у коробці швидкостей керує пуском, зупинкою та реверсуванням шпинделя при включеному двигуні. Муфта перемикатимуться рукояткою на передній бабці або рукояткою на фартуху верстата.
Передній кінець шпинделя виконаний за ГОСТ 12593 (Конці шпинделів фланцеві під поворотну шайбу та фланці затискних пристроїв) (DIN 55027, ІСО 702-3-75) під поворотну шайбу, з коротким конусом, що центрує:
У верстаті застосовані уніфіковані вузли виробництва Гомельського заводу верстатних вузлів:
Коробка подач 16Б20П 070.000 і фартух 16Б20П.061.000 забезпечує, нарізання метричного, дюймового, модульного та питного різьблення без застосування змінних шестерень. Для нарізування точного різьблення ходовий гвинт може бути прямо включений, минаючи коробку подач.
Механізм коробки подач дає можливість отримати через ходовий гвинт Ø 44 мм з кроком 12 мм.
Механізм коробки подач забезпечує через ходовий вал Ø 30 мм.
16В20 - Ø 445 Верстат без виїмки в станині. Базова модель
16В20А - Ø 445 Верстат з механічним приводом верхнього супорта.
1В62Г - Ø 445 базовий верстат з виїмкою в станині. Станина верстата мод. 1В62Г має виїмку, що закривається знімним містком. Це дозволяє при знятому містку обробляти більші (діаметром до 620 мм) заготовки типу дисків, кілець та фланців.
1В62ГА - Ø 445 базовий верстат з виїмкою в станині. Верстат із механічним приводом верхнього супорта.
1В62ГУ - Ø 445 У даній конструкції застосована передня бабка зі спрощеною кінематичною схемою та шпиндельним вузлом підвищеної точності та жорсткості. Спрощена кінематична схема підвищує надійність роботи верстата, що не погіршує його технологічні можливості при точенні та нарізанні різьблення як метричного, так і трубного, без додаткового налаштування коробки передач.
16Г20АС - Ø 445 універсальний токарно-гвинторізний верстат підвищеної потужності
1В625 - Ø 500 базовий універсальний токарно-гвинторізний верстат з виїмкою в станині
1В625М - Ø 500 перспективна розробка Астраханського верстатобудівного заводу - верстат токарно-гвинторізний модель 1В625M. Призначений для виконання різноманітних токарних робіт, у тому числі для нарізування метричної, модульної, дюймової та питної різьблення на заготовках, що встановлюються в центрах або патроні. Виконання та категорія розміщення верстата щодо умов експлуатації - УХЛ4 за ГОСТ 15150-69.

Габарит робочого простору токарного верстата 16в20

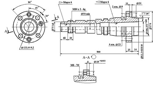
Посадочні та приєднувальні бази верстата 16в20

Посадочні та приєднувальні бази верстата 16в20

Фото токарно-гвинторізного верстата 16в20

Розташування основних вузлів токарного верстата 16-20

Розташування органів керування токарним верстатом 16-20

Кінематична схема токарно-гвинторізного верстата 16в20
1. Схема кінематична токарно-гвинторізного верстата 16В20. Скачать в увеличенном масштабе

Схема установки підшибників токарно-гвинторізного верстата 16в20
Схема установки підшибників токарно-гвинторізного верстата 16в20. Дивитись у збільшеному масштабі

Список підшибників токарно-гвинторізного верстата 16в20
Список підшибників токарно-гвинторізного верстата 16в20. Дивитись у збільшеному масштабі
Шпиндельные підшипники отрегулированы на заводе і не требуют дополнительного регулювання.
В случае крайней необходимости потребитель може силами высококвалифицированных специалистов прибегнуть к регулированию шпиндельных опор.
Однако перед етим необходимо проверить жесткость шпиндельного вузла. Для етого на станине под фланцем шпинделя устанавливается домкрат з проверенным в лаборатории динамометром і через прокладку, предохраняющую шпиндель от повреждений, к его фланцу прилагается усилие, направленное вертикально знизу вверх.
Смещение шпинделя контролируется аттестованным индикатором з ценой деления не более 0,001 мм, устанавливаемым на шпиндельной бабке і касающимся своим измерительным наконечником верхней частини фланца шпинделя. Отклонение шпинделя на 0,001 мм должно происходить при приложенном усилии не менее 45—50 кгс. Если величина нагрузки при смещении на 0,001 мм значительно ниже указанной, то пошипник необходимо регулировать.

Шпиндельная бабка токарного верстата 16в20 з подшипником № 3182120
Шпиндельная бабка токарно-гвинторізного верстата 16в20. Дивитись у збільшеному масштабі
Подшипниковые опори шпинделя (передний — роликовый двухрядный і задние підшипники) отрегулированы на заводе і не требуют никакой регулировки.
При ремонтi регулировка підшибників производится следующим образом. Передний подшипник шпинделя регулируется гайкой 43 (рис. l1), расположенной внутри корпуса передньої бабки, в следующем порядке: освобождают винт і поворачивают гайку в необходимую сторону. Поворотом етой гайки осуществляется осевое перемещение внутреннего кольца підшипника на конусной шейке шпинделя.
При повороте гайки вправо происходит натяжение внутреннего кольца підшипника на конусную шейку шпинделя. При етом кольцо деформируется, его наружный диаметр увеличивается, обеспечивая плотное прилегание всех роликов к поверхностям внутреннего і наружного колец підшипника, что уменьшает радиальный зазор в подшипнике. После регулировки вновь затягивают винт.
Подшипник № 3182120 - ето двухрядный роликовый радиальный, з короткими цилиндрическими роликами, з безбортовым наружным кольцом, з коническим посадочным отверстием (1:12), канавкой і отверстиями для внесения смазочного материала. Комплект тел качения з внутренним кольцом способны перемещаться относительно наружного в обе стороны. Двухрядные роликовые підшипники способны обеспечивать высокую грузоподъемность і жесткость при своих незначительных размерах (прежде всего, расстояние между наружным і внутренним кольцами). Этот тип, как і большинство роликопідшибників етой серии производится в настоящее время только высокоточным, вторым или четвертым классом, поскольку основная область применения — прецизионные верстати, при работе которых недопустимо высокое биение. Продукция низких степеней точності (6) доступна з хранения.
Основным производителем підшибників подобной конструкції всегда считался московский ГПЗ-1, сейчас же его производство перевели в город Волжский, на филиал Завода Авиационных Подшипников при 15 ГПЗ (все заводы объединены под егидой Европейской Подшипниковой Корпорации), так что підшипники з маркировкой ГПЗ-1 реализуются з хранения (или же бывает еще контрафакт). В настоящее время изготавливается две разные модификации - 2-3182120К, 4-3182120К, которые отличаются по классу точності. Помимо указанных заводов, данный тип выпускал і 10 ГПЗ (Ростов-на-Дону). После развала отечественной промышленности на рынке переизбыток підшибників етого типа, которые были сняты з оборудования, распроданы из складских остатков і т.д. Среди такой продукции може встречаться как очень качественная і недорогая, так і негодная к експлуатации.
Купить заводские підшипники, длительная работоспособность которой гарантирована производителем, з минимальными торговыми наценками можно у официальных представителей ЕПК (ориентировочная цена — около 6500 рублей, причем класс точності влияет на нее не сильно), неликвидную продукцию і підшипники з хранения можно купить в фирмах, расположенных в крупных промышленных центрах прошлого.
Импортные підшипники етого типоразмера имеют обозначение NN3020K (наличие буквы К в номере обязательно, так как она указывает на коническую посадку). В России наиболее распространена продукция следующих производителей — FAG, SKF, NACHI, IBC. Также, как і отечественные підшипники, импортные также широко реализуются из числа неликвидов, прежде всего, ето продукция восточно-европейских производителей — URB (Румыния) і FLT (Польша), выпущенная і завезенная в страну еще во времена существования Союза. Под видом импортных могут продавать і китайские підшипники CX, SZPK, ZWZ і другие.

Схема підшипника 3182120

Фото підшипника 3182120
Подшипник 8116 - ето упорный шариковый одинарный применяется в вузлах з осевой нагрузкой і невысокими оборотами. При монтаже следует учитывать, что одно из колец, которое надевается на вал, имеет диаметр на 1 миллиметр меньше, чем то, которое идет в корпус. Несоосность посадочных мест допускать нельзя!
В нашей стране производится на 2 ГПЗ (именно под етой маркировкой можно купить подшипник 8116 практически везде), а также в меньших масштабах на Курском заводе упорных підшибників (20 ГПЗ) і Самарском підшибниківом заводе СПЗ-4.
Импортные підшипники етого типоразмера имеют номер 51116.

Схема підшипника 8116 (51116) токарного верстата 1е61пм

Фото підшипника 8116 (51116)
Подшипник 7216 - ето роликовый, радиально-упорный, конічний (или же такой тип еще именуют «с коническими роликами»), однорядный. Производится етот тип согласно ТУ 37.006.162-89. Угол контакта у етого типа составляет от 10 до 18°, что позволяет експлуатировать его в условиях высоких радиальных і осевых нагрузок.
Данный подшипник выпускают в настоящее время на следующих предприятиях отрасли:
15 ГПЗ (Волжский підшибниківый завод) — ето основной производитель, поставляющий свою продукцию непосредственно на заводы-производители автомобильной техники. Вытесняет з рынка самарский завод за счет меньших цен при качестве, которое многие находят выше. Маркировка VPZ (ранее VPZ-15 или 15 ГПЗ). Подшипник підвищеної степени точності (4) изготавливает еще одно предприятие холдинга ЕПК — Волжский филиал Завода Авиационных Подшипников, і цена на ето изделие существенно выше.
9 ГПЗ (Самарский підшибниківый завод) — издавна славится своей продукцией, однако проигрывает ценовую конкуренцию ВПЗ. Маркировка SPZ GROUP;
23 ГПЗ (Вологда), маркировка VBF — вологодские підшипники считаются в среде автолюбителей самыми лучшими из отечественных, однако купить их крайне затруднительно, поетому ето утверждение скорее похоже на миф;
28 ГПЗ (Луцк, Украина) — распространены незначительно, вследствие чего отзывов об их работоспособности і долговечности пока мало.
Роликоподшипник импортного производства данного типа имеет обозначение по международной номенклатуре — 30216.

Схема підшипника 7216 (30216)
| Наименование параметра | 16В20 | 1В62Г | 1В625М |
|---|---|---|---|
| Основні параметри | |||
| Класс точності по ГОСТ 8-82 | Н | Н | Н |
| Наибольший диаметр заготовки над станиной, мм | 445 | 445 | 500 |
| Наибольший диаметр заготовки над суппортом, мм | 220 | 220 | 290 |
| Наибольший диаметр заготовки над выемкой станины, мм | - | 620 | 690 |
| Наибольшая длина заготовки (РМЦ), мм | 750,1000,1500 | 750,1000,1500 | 1000,1500,2000 |
| Наибольшая длина обтачивания, мм | 650,900,1400 | 650,900,1400 | 900,1400,1900 |
| Наибольшая масса заготовки в патроне, кг | |||
| Наибольшая масса заготовки в центрах, кг | |||
| Шпиндель | |||
| Диаметр сквозного отверстия в шпинделе, мм | 54 | 54 | 60 |
| Наибольший диаметр прутка, мм | |||
| Число ступеней частот прямого обертання шпинделя | 24 | 24 | 24 |
| Частота прямого обертання шпинделя, об/мин | 10...1400 | 10...1400 | 10...1400 |
| Число ступеней частот обратного обертання шпинделя | 12 | 12 | 12 |
| Частота обратного обертання шпинделя, об/мин | |||
| Размер внутреннего конуса в шпинделе | М5 | М5 | М5 |
| Кінець шпинделя по ГОСТ 12593-72 | 6К | 6К | 6К |
| Подачи | |||
| Наибольшее продольное перемещение каретки суппорта, мм | 900 | 900 | 900 |
| Наибольшее поперечное перемещение суппорта, мм | 280 | 280 | 302 |
| Наибольшее поперечное перемещение верхнего суппорта (салазок), мм | 130 | 130 | 130 |
| Число ступеней продольных/ поперечных подач | 50/ 50 | 50/ 50 | 50/ 50 |
| Пределы скорости продольных подач, мм/об | 0,018..22,4 | 0,018..22,4 | 0,036..22,4 |
| Пределы скорости поперечных подач, мм/об | 0,009..11,2 | 0,009..11,2 | 0,018..11,2 |
| Скорость быстрых перемещений суппорта, продольных/ поперечных, м/мин | 4/ 2 | 4/ 2 | 4/ 2 |
| Продольное перемещение на одно деление лимба, мм | 1 | 1 | 1 |
| Продольное перемещение на одно деление нониуса, мм | 0,1 | 0,1 | 0,1 |
| Поперечное перемещение суппорта на одно деление лимба, мм | 0,05 | 0,05 | 0,05 |
| Перемещение салазок на одно деление лимба, мм | 0,05 | 0,05 | 0,05 |
| Количество нарезаемых різьб метрических | 36 | 36 | 36 |
| Пределы шагов нарезаемых різьб метрических, мм | 0,5..224 | 0,5..224 | 0,5..224 |
| Количество нарезаемых різьб дюймовых | 45 | 45 | 45 |
| Пределы шагов нарезаемых різьб дюймовых | 77..0,125 | 77..0,125 | 77..0,125 |
| Количество нарезаемых різьб модульных | 36 | 36 | 36 |
| Пределы шагов нарезаемых різьб модульных | 0,5..224 | 0,5..224 | 0,5..224 |
| Количество нарезаемых різьб питчевых | 45 | 45 | 45 |
| Пределы шагов нарезаемых різьб питчевых | 77..0,125 | 77..0,125 | 77..0,125 |
| Предохранитель от перегрузки | есть | есть | есть |
| Блокировка продольных і поперечных подач | есть | есть | есть |
| Выключающие продольные упоры | есть | есть | есть |
| Шероховатость поверхности заготовки из конструкционной стали при чистовом обтачивании, мкм, не более | Ra 2.0 | Ra 2.0 | |
| Задня бабка | |||
| Наибольшая длина переміщення пиноли задньої бабки, мм | 150 | 150 | 150 |
| Наибольшее перемещение задньої бабки, мм | ±15 | ±15 | ±15 |
| Електроустаткування | |||
| Количество електродвигателей на станке | 3 | 3 | 3 |
| Електродвигун головного привода, кВт | 7,5 | 7,5 | 7,5 |
| Привід ускоренных перемещений, кВт | 0,75 | 0,75 | 0,37 |
| Електродвигун насоса охлаждения, кВт | 0,12 | 0,12 | 0,12 |
| Суммарная мощность, кВт | 8,37 | 8,37 | |
| Габарити і масса верстата | |||
| Габарити верстата (длина ширина высота) (РМЦ 1000), мм | 2800 1190 1450 | 2800 1190 1450 | 2800 1370 1700 |
| Масса верстата (РМЦ 1000), кг | 2450 | 2430 | 2430 |
16В20 Паспорт токарно-гвинторізного верстата, (djvu) 4,1 Мб, Скачать
Замовити
Хто володіє інформацією – той володіє світом.
Натан Ротшильд