Виробник та розробник токарно-револьверного верстата моделі 1А341ц - Бердичівський верстатобудівний завод "Комсомолець , м. Бердичів, Житомирська область, Україна. Адреса сайту: http://www.bevers.ru
У 1929-1931 pp. на базі підприємства було засновано трансмісійний завод.
У 1932 р. заводу надається ім'я «Комсомолець». У цей період завод освоїв випуск трубопровідно-запірної арматури та запасних частинин.
З 1980 завод освоює випуск нової гами токарно-револьверних верстатів, до складу якої входять автоматизовані верстати моделі 1Г340П, верстати з цикловим програмним керуванням моделі 1Г340ПЦ, верстати з числовим програмним керуванням моделі 1В340Ф30 і роботизовані комплекси на їх базі.
У 1984 році на заводі починається випуск багатоцільових токарно-револьверних верстатів моделі 1П420ПФ40, які, окрім токарної обробки, виконують свердлильно-фрезерну доробку деталі за одну установку в патроні.
Токарно-револьверний верстат 1А341ц був запущений у серійне виробництво у 1975 році і був замінений на більш сучасну модель 1К341 .
Верстат токарно-револьверний універсальний моделі 1А341ц із цикловим програмним керуванням призначений для токарної обробки деталей в умовах дрібносерійного та серійного виробництва.
На верстаті 1А341ц можна проводити чистове та чорнове обточування, свердління, зенкерування, розточування, розгортання, відрізання, нарізування різьблення плашками, мітчиками, а також обробку конічних поверхонь.
На верстаті можна обробляти деталі як із пруткового матеріалу в цанговому патроні, так і штучних заготовок у трикулачковому патроні.
Обробка деталей із прутка здійснюється в автоматичному циклі, а деталей у патроні – у напівавтоматичному циклі.
Особливістю верстата є наявність командоапарата з шістьма кулачками, якими під час руху чи повороту револьверної головки діють кінцеві вимикачі, управляючі електромагнітними муфтами.
Командоапарат служить для попереднього набору та автоматичного керування частотами обертання шпинделя, подачами револьверної головки та періодичним поворотом її в потрібну позицію за заданою програмою.
Токарно-револьверний верстат 1А341ц має 16-позиційну револьверну головку з горизонтальною віссю обертання. Ріжучий інструмент за допомогою спеціального приладдя кріпиться в отворах револьверної головки.
Поперечна обробка (підрізка торців, відрізка, прорізка канавок тощо) здійснюється за рахунок кругової подачі револьверної головки.
Затискач та подача прутка в цангу, а також затискач штучних заготовок у патроні виробляються за допомогою гідравлічного механізму затиску та подачі матеріалу.
Найбільше коливання діаметра прутка, що затискається в цангу, ±1 мм, а найбільше коливання штучних заготовок ±3 мм. Для збільшення довговічності механізму затиску та шпиндельного вузла рекомендується застосовувати калібрований пруток.
Для кожної позиції револьверної головки можна запрограмувати кількість обертів шпинделя і величину подачі, які будуть включатися автоматично при повороті револьверної головки на наступну позицію.
Крім того, щоразу при повороті револьверної головки відбувається синхронний поворот барабана з наполегливими ггвинтами, що регулюють довжину робочого ходу револьверного супорта з точністю 0,1..0,2 мм.
Програма обробки деталей встановлюється на штекерній панелі, де можна задати:
Для перевірки налаштування інструменту на розмір і для перевірки правильності набору програми на штекерній панелі перемикач циклів встановлюється в положення автоматичний режим з обробкою елементарного циклу.
Необхідні для кожного переходу числа обертів шпинделя і величин подач встановлюються автоматично командою, що легко переналагоджується, керуючим електромагнітними муфтами коробок швидкостей і подач, або вручну перемикачами, розташованими на пульті коробки швидкостей і подач.
Коробка швидкостей має чотири багатодискові електромагнітні муфти типу ЭТМ-122, з яких включається одне з чотирьох чисел оборотів шпинделя, кожної з двох позицій. Коробка подач має дві електромагнітні муфти типу ЕТМ-092, дві обгонні муфти і двовінцевий пересувний зубчастиний блок, який забезпечує отримання двох діапазонів подач з чотирма подачами, що автоматично перемикаються, в кожному з двох діапазонів. Для включення кругової подачі револьверної головки встановлено одну електромагнітну муфту типу ЕГМ-092.
Вал револьверної головки і барабан командоапарата, що жорстко сидить на ньому, мають однакову кількість позицій. На кожній позиції барабана встановлені два кулачки, що керують електромагнітними муфтами: один коробки швидкостей, інший коробки подач.
Затискач та подача прутка в цангу, а також затискач штучних заготовок у трикулачковому патроні проводиться автоматично гідравлічним механізмом з електричним керуванням. Найбільше коливання діаметра прутка, що затискається в цангу, ± 2 мм, а найбільше коливання штучних заготовок, що затискаються в патроні, ±3 мм. Керування механізмами однорукояткове. Після закінчення розтискання автоматично починається подача прутка. Весь цикл затискання, подачі та розтискання триває 2-3 сек.
Верстат 1А341ц має автоматичне вимкнення поздовжньої подачі жорсткого упору, що забезпечує високу точність обробки по довжині. Поперечна подача обмежується жорстким упором.
Наявність револьверної головки з горизонтальною віссю повороту дозволяє використовувати верстат для розточування внутрішніх камер та зовнішньої проточки за буртом інструментами, закріпленими в державках головки.
Поперечна обробка (підрізка торців, відрізка, прорізка канавок тощо) здійснюється за рахунок кругової подачі револьверної головки.
З метою підвищення продуктивності та зручності обслуговування передбачено програмне перемикання частоти обертання шпинделя та подач при зміні позицій револьверної головки.
Перемикання проводиться легко переналагоджує командоапаратом, що управляє електромагнітними муфтами коробки швидкостей і подач.
Гідравлічний механізм затиску, що використовується в конструкції верстата, дозволяє виробляти затискач каліброваного і некаліброваного прутків з відхиленням по діаметру до 2 мм. Передбачено можливість встановлення трикулачкового патрона; без переналагодження можна затискати штучні заготовки з відхиленням діаметром до 8 мм. Точність обробки – 3 клас.
Весь цикл розтискання, подачі та затиску триває 2..3 сек.
Верстат має автоматичне вимкнення поздовжньої подачі жорсткого упору, що забезпечує точність обробки по довжині 0,12..0,14 мм. Поперечна подача обмежується жорстким упором.
Для обробки прутків різних діаметрів до верстата надаються універсальна цанга, що подає, і змінні вкладиші для затиску круглого і шестигранного матеріалу, а також комплект різцетримачів, оправок, втулок і т. д.
На відміну від більшості верстатів токарно-револьверних верстат моделі 1А341ц має такі особливості, що дозволяють використовувати його більш ефективно:
Клас точності верстата Н згідно з ГОСТ 8-71.
Шорсткість поверхні Ra 2,5 мкм.

Габарит робочого простору верстата 1А341ц
Габарит робочого простору токарно-револьверного верстата 1А341ц. Завантажити у збільшеному масштабі

Фото токарного револьверного верстата 1А341ц

Фото токарного револьверного верстата 1А341ц
Фото токарного револьверного верстата 1А341ц. Завантажити у збільшеному масштабі

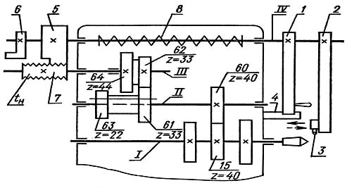
Кінематична схема токарно-револьверного верстата 1А341ц
Рухи у верстаті:
Кінематична схема верстата 1А341 показано на рис. 72. Від електродвигуна Ml через зубчасті колеса 1-2 обертання повідомляється валу П. Далі обертання передається валу III через колеса 3-4 при включеній муфті ЕМ або через колеса 5 - 6 при включеній муфті ЕМ2. Потім через колеса 7 - 8 та муфту ЕМ4 або колеса 9 - 10 і муфту ЕМЗ обертання отримує вал IV і через колеса 11 - 12 або 13 - 14 - шпиндель V.
Обертання валу VI коробки подач повідомляється від шпинделя через зубчасті колеса 15 - 16 і далі через колеса 17 - 18 або 19 - 20 передається на вал VII. Потім через зубчасту пару 21-22 і муфту ЕМЗ або колеса 23 - 24 і муфту ЕМ6 отримує обертання вал VIII і через колеса 25 -26 і муфту ЕМ8 або колеса 27 - 28 і ЕМ7 муфту отримує обертання вал IX. З цього валу через запобіжну муфту обертання 61 передається на вал X револьверного супорта.
Поздовжня подача супорта здійснюється з валу X через колеса 30 або 31-32 на вал XI, потім через черв'ячну пару 33 - 34 і муфту ЕМ7 повідомляється валу XII і далі через колеса 35-36 передається на ре-4 пару 37 - 38.
Кругова подача револьверної головки здійснюється від валу X через струм коліс 29, 31 на вал XI, потім через черв'ячну пару 33 - 34 і муфту М11 передається на вал XII і через колеса 40, 41, 42, 43, муфту ЕМ13, вал XV, колеса 44 - 45 і 46 - 47 отримує обертання револьверна головка 62. Швидке поздовжнє переміщення револьверного супорта здійснюється від окремого електродвигуна М2 через зубчасті колеса 48 - 49 на вал XVIII і через черв'ячну пару 58 - 59 і муфту ЕМ9 передається на – 38.
Швидкий поворот револьверної головки здійснюється також від електродвигуна М2 через зубчасті колеса 48 - 49, черв'ячну пару 50 - 5,. муфту ЕМ10, вал XIX, колеса 52 - 53, 54 - 55, вал XV, конічну пару 44-45, вал XVI та колеса '46-47.
Ручне переміщення револьверного супорта здійснюється штурвалом через вал XX, зубчасті колеса 39 - 36 і вал XIII на рейкову пару 37-38, а поворот револьверної головки - маховичком 64 через колеса 56-60, муфту ЕМ12, вал XIV, вал XIV, колеса XV, колеса 44-45 та 46-47.
На валу XVII револьверної головки 62 знаходиться барабан 6.5 з упорами.

Різьбонарізний пристрій верстата 1А341ц
Пристрій для нарізання різьблення різцем або гребінцем, встановлений на верстаті, працює наступним чином. Від шпинделя I (рис. 73) обертання через зубчасті колеса 15-60, 61-62 або 63-64 передається на змінний різьбовий копір 7 з кроком. Важіль 1 опускається до упору 4. Разом з ним опускається, займаючи робоче положення, супорт 2 з різцем 3 (або гребінкою) і різьбова губка 5 з вантажем 6. Резьбовий копір, що обертається, 7 переміщує різьбову губку, штангу IV і супорт забезпечуючи нарізування різьблення. При передавальному відношенні передачі від шпинделя I до різьбового копіра (вал III) i= 1 (у зачепленні колеса 61 - 62) крок різьби, що нарізається, дорівнює кроку копіра. А при передатному відношенні пені i=lI2 (у зачепленні колеса 63 - 64) крок різьби, що нарізається, дорівнює половині кроку копіра.
Поздовжнє переміщення супорта 2 обмежується упором (на малюнку не показаний) важеля I. В результаті дії упору важіль і супорт піднімаються, губка 5 виходить з контакту з копіром 7, і штанга IV під дією пружини 8 повертає супорт у вихідне, праве положення. Для повторення проходу знову слід опустити важіль I. Після кожного проходу треба перемішати різей або гребінку на глибину різання.

Настановне креслення токарно-револьверного верстата 1А341ц
Настановне креслення токарно-револьверного верстата 1А341ц. Завантажити у збільшеному масштабі
| Найменування параметру | 1341 | 1K341 | 1A341c |
|---|---|---|---|
| Основні параметри верстату | |||
| Клас точності верстата Н згідно з ГОСТ 8-71 | Н | Н | Н |
| Найбільший діаметр виробу, що обробляється над станиною, мм | 400 | 400 | 400 |
| Найбільший діаметр виробу, що обробляється над супортом, мм. | 380 | 380 | 380 |
| Найбільший діаметр прутка, що обробляється, на передньому затиску, мм | 40 | 40 | 40 |
| Найбільша сторона квадрата обробленого прутка, мм | 27 | 27 | 27 |
| Найбільший розмір "під ключ" шестигранника, що обробляється, мм | 32 | 32 | 32 |
| Найбільший діаметр виробу, що обробляється в патроні, мм | 200 | 200 | |
| Найбільша довжина подачі дроту, мм | 150 | 100 | 150 |
| Найбільша довжина дроту, мм | 3000 | 3000 | 3000 |
| Найбільший діаметр обробленого прутка в затискній і трубі, що подає, круглого / шестигранного, мм. | 40/32 | 40/32 | 40/32 |
| Висота центрів, мм | 200 | 200 | 200 |
| Відстань від торця шпинделя до револьверної головки, мм | 32..630 | 82..630 | 82..630 |
| Найбільша довжина нарізання різьблення різьбонарізним пристроєм, мм | 50 | 50 | |
| Шпиндель | |||
| Діаметр отвору в шпинделі, мм | 62 | 62 | 62 |
| Кількість робочих швидкостей шпинделя у двох автоматичних діапазонах) - пряме обертання / зворотне обертання | 8/ 4 | 8/ 4 | 12 |
| Межі чисел оборотів шпинделя пруткового виконання: пряме обертання, об/хв | 60..2000 | 60..2000 | 45..2000 |
| Частота обертання шпинделя в I діапазоні: пряме обертання, об/хв | 60 100 475 800 | 45,90,180,355 ,710,1400 |
|
| Частота обертання шпинделя у II діапазоні: пряме обертання, об/хв | 150,265,1180,2000 | 63,125,250,500 ,1000,2000 |
|
| Межі чисел оборотів шпинделя пруткового виконання: зворотне обертання, об/хв | 60, 100, 150, 265 | 60, 100, 150, 265 | |
| Межі чисел оборотів шпинделя патронного виконання: пряме обертання (швидкісне виконання), об/хв | |||
| Кінець шпинделя фланцевий згідно з ГОСТ 12595-75. | 1-6C | ||
| Найбільший момент, що крутить, на шпинделі не менше, Нм (кг*м) | 234 (23,4) | ||
| Супорт. Подання | |||
| Найбільше переміщення револьверного супорта: поздовжнє (Z), мм/ Кругове, град |
560/360° | 548/360° | 510/360° |
| Число упорів | 16 | 16 | |
| Кількість поздовжніх/поперечних поперечних подач револьверного супорта | 7/6 | 12/12 | |
| Діапазон швидкостей поздовжніх подач револьверного супорта, мм/про | 0,05..1,6 | 0,03..2,0 | 0,035..1,6 |
| Діапазон швидкостей поперечних подач револьверного супорта, мм/про | 0,02..0,6 | 0,02..0,8 | |
| Швидке поздовжнє переміщення револьверного супорта, мм/хв. | ні | ні | 6/ 3 |
| Револьверна головка | |||
| Кількість інструментів у револьверній головці | 16 | 16 | 16 |
| Діаметр отворів у револьверній головці, мм | 30, 40 | 30, 40 | 30, 40 |
| Діаметр розташування отворів в револьверній головці, мм | 200 | 200 | 200 |
| Переміщення поздовжнє револьверної головки на один поділ лімба, мм | 0,5 | 0,5 | |
| Переміщення поперечне револьверної головки на один поділ лімба, мм | 0,5 | 0,01; 0,5 | |
| Електроустаткування верстата | |||
| Кількість електродвигунів на верстаті, кВт | 3 | 3 | 5 |
| Електродвигун головного приводу, кВт (об/хв) | 5,5 (1450) | 5,5 (1450) | 4,5/ 6,7 (960/ 1470) |
| Електродвигун прискорених поздовжніх переміщень револьверного супорта, кВт (об/хв) | - | - | 0,4 (1400) |
| Електродвигун прискорених поперечних (кругових) переміщень револьверного супорта, кВт (об/хв) | - | - | 0,18 (1400) |
| Електродвигун насоса гідроприводу (затискач та подача прутка), кВт (об/хв) | 1,1 | 1,5 | 1,1 (950) |
| Електродвигун насоса охолодження, кВт (об/хв) | 0,125 (2800) | 0,125 (2800) | 0,125 (2800) |
| Електродвигун насоса мастила, кВт (об/хв) | - | - | |
| Сумарна потужність усіх електродвигунів, кВт | 8,1 | ||
| Габарити та маса верстата | |||
| Габаритні розміри верстата (довжина, ширина, висота), мм | 3000 х 1200 х 1600 | 2200 х 1200 х 1380 | 3000 х 1200 х 1560 |
| Маса верстата, кг | 2200 | 2400 | 2500 |