Виробник та розробник токарно-револьверного верстата моделі 1Е340П - Бердичівський верстатобудівний завод "Комсомолець" , м. Бердичів, Житомирська область, Україна.
У 1929-1931 pp. на базі підприємства було засновано трансмісійний завод.
У 1932 р. заводу надається ім'я «Комсомолець». У цей період завод освоїв випуск трубопровідно-запірної арматури та запасних частинин.
З 1980 завод освоює випуск нової гами токарно-револьверних верстатів, до складу якої входять автоматизовані верстати моделі 1Г340П, верстати з цикловим програмним керуванням моделі 1Г340ПЦ, верстати з числовим програмним керуванням моделі 1В340Ф30 і роботизовані комплекси на їх базі.
У 1984 році на заводі починається випуск багатоцільових токарно-револьверних верстатів моделі 1П420ПФ40, які, окрім токарної обробки, виконують свердлильно-фрезерну доробку деталі за одну установку в патроні.
Токарно-револьверний верстат 1Е340П з вертикальною віссю револьверної головки є універсальним токарно-револьверним верстатом і призначений для високопродуктивного виконання свердлильних, токарних (обточування, розточування, зенкерування, розгортання, відрізки, підрізки, прорізання канавок). пристрої) робіт.
Верстат 1Е340П універсальний призначений для токарної обробки деталей із прутка та штучних заготовок в умовах серійного та дрібносерійного виробництва.
При оснащенні верстата 1Е340П додатковими пристроями на ньому можна проводити обробку конусів та фасонних поверхонь, нарізування різьблення накидним різьбонарізним пристроєм.
Верстат 1Е340П має шестипозиційну револьверну головку з вертикальною віссю обертання, встановлену на револьверному супорті, що переміщається безпосередньо по направляючих станини.
Для поперечної обробки на верстаті є поперечний супорт мостового типу.
При повороті револьверної головки з однієї позиції на іншу відбувається автоматичне перемикання частоти обертання шпинделя та подач супортів відповідно до програми, заданої на штекерній панелі пульта керування.
Керування переміщеннями супортів, як швидкими, і робітниками, здійснюється від мнемонических рукояток, перехід із швидкого переміщення на робочу подачу револьверного супорта автоматичний.
Поворот револьверної головки автоматичний у будь-якому положенні револьверного супорта на станині. Можливе ручне перемикання чисел оборотів шпинделя та подач супортів, а також ручне перемикання зі швидкою на робочу подачу револьверного супорта.
Можливий поворот револьверної головки на будь-яку кількість позицій від кнопки, розташованої на фартуху револьверного супорта.
Дроблення крученої стружки здійснюється миттєвим перериванням подачі револьверного супорта від кнопки.
Верстат 1Е340П може бути виконаний на замовлення споживача в декількох виконаннях: для обробки прутка, для обробки в патроні та з підвищеними швидкостями різання.
Верстат можна вбудовувати в автоматичну лінію.
Клас точності верстата П згідно з ГОСТ 8-77.
Точність обробки:
Шорсткість обробленої поверхні V5-V6.
Розробник - Ленінградське спеціальне конструкторське бюро автоматів та револьверних верстатів (ОКБ АРС).

Габарит робочого простору верстата 1Е340П

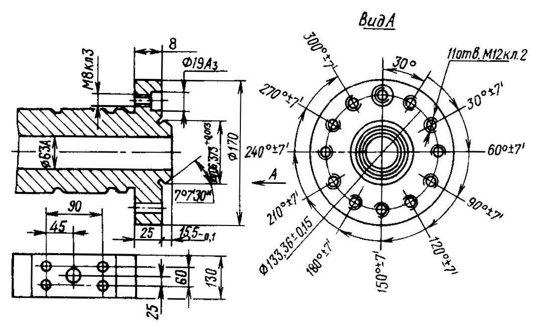
Посадочні та приєднувальні бази верстата 1Е340П

Фото токарно револьверного верстата 1Е340П

Настановне креслення токарно-револьверного верстата 1Е340П
| Найменування параметру | 1341 | 1K341 | 1D340P | 1E340P | 1G340P |
|---|---|---|---|---|---|
| Основні параметри верстата | |||||
| Клас точності верстата Н згідно з ГОСТ 8-71 | Н | Н | П | П | П |
| Тип револьверної головки | гориз.ось | гориз.ось | гориз.ось | верт.ось | гориз.ось |
| Точність обробки по довжині, мм | 0,06..0,08 | ||||
| Точність обробки діаметром, клас | 2а | ||||
| Найбільший діаметр встановлюваного виробу над станиною, мм | 400 | 400 | 400 | 400 | 400 |
| Найбільший діаметр виробу, що обробляється над супортом, мм. | 380 | 380 | 220 | 380 | |
| Найбільший діаметр обробленого прутка при трубі, що подає, мм | 40 | 40 | 40 | 40 | 40 |
| Найбільший діаметр прутка, що обробляється, при передньому затиску, мм | 50 | 50 | 50 | 50 | 50 |
| Найбільша сторона квадрата обробленого прутка, мм | 27 | 27 | 27 | ||
| Найбільший розмір "під ключ" шестигранника, що обробляється, мм | 32 | 32 | 32 | ||
| Найбільший діаметр виробу, що обробляється в патроні, мм | 200 | 200 | |||
| Найбільша довжина подачі дроту, мм | 150 | 100 | 150 | 100 | |
| Найбільша довжина дроту, мм | 3000 | 3000 | 3000 | 3000 | 3000 |
| Найбільший діаметр обробленого прутка в затискній і трубі, що подає, круглого / шестигранного, мм. | 40/32 | 40/32 | 40/32 | 40/32 | 40/32 |
| Висота центрів, мм | 200 | 200 | 200 | 200 | 200 |
| Відстань від торця шпинделя до револьверної головки, мм | 32..630 | 82..630 | 80..630 | 215..630 | 120..630 |
| Найбільша довжина нарізання різьблення різьбонарізним пристроєм, мм | 50 | 50 | |||
| Шпиндель | |||||
| Діаметр отвору в шпинделі, мм | 62 | 62 | 63 | 63 | 62 |
| Кількість робочих швидкостей шпинделя у двох автоматичних діапазонах) - пряме обертання / зворотне обертання | 8/ 4 | 8/ 4 | 12 | 12 | 12/ 6 |
| Межі чисел оборотів шпинделя пруткового виконання: пряме обертання, об/хв | 60..2000 | 60..2000 | 45..2000 | 45..2000 | 45..2000 |
| Частота обертання шпинделя в I діапазоні: пряме обертання, об/хв | 60 100 475 800 | 45,90,180,355 ,710,1400 |
|||
| Частота обертання шпинделя у II діапазоні: пряме обертання, об/хв | 150,265,1180,2000 | 63,125,250,500 ,1000,2000 |
|||
| Межі чисел оборотів шпинделя пруткового виконання: зворотне обертання, об/хв | 60, 100, 150, 265 | 60, 100, 150, 265 | 45..250 | ||
| Межі чисел оборотів шпинделя патронного виконання: пряме обертання, об/хв | 36..1600 | 36..1600 | |||
| Межі чисел оборотів шпинделя патронного виконання: пряме обертання (швидкісне виконання), об/хв | 55..2500 | 55..2500 | 36..1600 (56..2500) | ||
| Кінець шпинделя фланцевий згідно з ГОСТ 12595-75. | 1-6C | 1-6C | 1-6C | ||
| Найбільший момент, що крутить, на шпинделі не менше, Нм (кг*м) | 234 (23,4) | ||||
| Револьверний супорт. Подання | |||||
| Найбільше переміщення револьверного супорта: поздовжнє (Z), мм/ Кругове, град |
560/360° | 548/360° | 415 мм | 510/360° | |
| Число упорів | 16 | 16 | |||
| Кількість поздовжніх/поперечних поперечних подач револьверного супорта | 7/6 | 10 | 12/12 | ||
| Діапазон швидкостей поздовжніх подач револьверного супорта, мм/про | 0,05..1,6 | 0,03..2,0 | 0,05..1,6 | 0,035..1,6 | |
| Діапазон швидкостей поперечних подач револьверного супорта, мм/про | 0,02..0,6 | 0,02..0,8 | |||
| Швидке поздовжнє переміщення револьверного супорта, мм/хв. | ні | ні | 6/ 3 | ||
| Револьверна головка | |||||
| Кількість інструментів у револьверній головці | 16 | 16 | 16 | 6 | 16 |
| Діаметр отворів у револьверній головці, мм | 30, 40 | 30, 40 | 30, 40 | 65 | 30, 40 |
| Діаметр розташування отворів у револьверній головці, мм | 200 | 200 | 200, 256 | 280 | 200 |
| Переміщення поздовжнє револьверної головки на один поділ лімба, мм | 0,5 | 0,5 | 0,25 | ||
| Переміщення поперечне револьверної головки на один поділ лімба, мм | 0,5 | 0,01; 0,5 | |||
| Поперечний супорт | |||||
| Найбільше переміщення поперечного супорта поздовжнє/поперечне, мм | - | - | - | 340/260 | - |
| Швидке переміщення поперечного супорта поздовжнє/поперечне, мм | - | - | - | 4/ 2 | - |
| Кількість подач поперечного супорта поздовжніх/поперечних, мм | - | - | - | 10/10 | - |
| Величини подач поперечного супорта поздовжніх, мм | - | - | - | 0,05..1,6 | - |
| Величини подач поперечного супорта поперечних, мм | - | - | - | 0,025..0,8 | - |
| Переміщення поперечне револьверної головки на один поділ лімба, мм | - | - | - | - | |
| Електроустаткування верстата | |||||
| Кількість електродвигунів на верстаті, кВт | 3 | 3 | 5 | ||
| Електродвигун головного приводу, кВт (об/хв) | 5,5 (1450) | 5,5 (1450) | 4,2/ 6,3 (1410/ 2800) | 4,2/ 6,3 (1410/ 2800) | 6,0/6,2 (960/ 1440) |
| Електродвигун прискорених поздовжніх переміщень револьверного супорта, кВт (об/хв) | - | - | 1,0/ 1,4 (1400/ 2700) | 1,1/ 1,5 (1420/ 2880) | |
| Електродвигун насоса гідроприводу (затискач та подача прутка), кВт (об/хв) | 1,1 | 1,5 | 1,5 (1415) | ||
| Електродвигун насоса охолодження, кВт (об/хв) | 0,125 (2800) | 0,125 (2800) | 0,125 (2800) | ||
| Електродвигун насоса мастила, кВт (об/хв) | - | - | 0,37 (1365) | ||
| Сумарна потужність усіх електродвигунів, кВт | 9,09 | ||||
| Габарити та маса верстата | |||||
| Габаритні розміри верстата (довжина, ширина, висота), мм | 3000 х 1200 х 1600 | 2200 х 1200 х 1380 | 3100 х 1300 х 1300 | 2920 х 1240 х 1630 | 2800 х 1200 х 1400 |
| Маса верстата, кг | 2200 | 2400 | 2400 | 2280 | 3000 |