Виробником токарного шестишпиндельного автомата (напівавтомата) 1Б240 є Житомирський завод верстатів та автоматів , в даний час ВАТ ВерстатУніверсалМаш .
Підприємство ВерстатУніверсалМаш спеціалізується на випуску токарних багатошпиндельних автоматів та напівавтоматів, спеціальних верстатів, автоматичних ліній на їх базі, для автомобільної, підшипникової, тракторної та інших галузей народного господарства
Токарний верстат автомат 1Б240-6 призначений для виготовлення деталей з пруткового матеріалу, що калібрується, труб з різних марок сталей і кольорових металів в умовах масового, великосерійного і серійного виробництва.
Токарний верстат напівавтомат 1Б240П-6 призначений для виготовлення деталей із штучних заготовок (виливків, поковок, штампувань) із чавуну, різних марок сталей та кольорових металів.
На багатошпиндельних токарних автоматах (напівавтоматах) 1Б240 виконують центрування, чорнове, чистове та фасонне обточування, підрізування, зняття фасок, проточування канавок, свердління, зенкерування, розгортання, нарізування внутрішніх та зовнішніх різьблень, відрізку. Також можна виконувати операції без зняття стружки: накатування рифлень, різьблення, розкочування отворів.
Верстат 1Б240 має шість основних шпинделів, напрямок обертання яких не змінюється при обробці, тому нарізування різьблення мітчиками і плашками виробляють при відставанні інструменту, а свинчування - шляхом обгону деталі, що обертається.
Горизонтальний шестишпиндельний верстат-автомат 1Б240 характеризується послідовним принципом дії, коли операції обробки деталі рівномірно розподіляються по шести позиціях I…VI.
Заготовки з пруткового матеріалу встановлюються у шести основних шпинделях одночасно. Для підтримки заготовок застосований блок труб, що підтримують, з шістьма співвісними шпинделями отворами. Блок підтримуючих труб та шпиндельний блок обертаються синхронно.
Ріжучий інструмент, що робить тільки поперечну подачу, встановлюється в шести поперечних супортах, два з яких (верхні) розташовуються на траверсі верстата і рухаються від змінних кулачків; інші чотири кулачки (середні та нижні) розміщені на торці корпусу шпиндельного блоку і наводяться в рух від постійних кулачків. П'ять кулачків розташовуються на розподільчому валу, шостий кулачок - на індивідуальному валу, що обертається з тією ж швидкістю, що й розподільний вал. Цей кулачок надає руху верхній супорт з відрізним різцем.
Осьовий, різьбонарізний різальний інструмент, а також прохідні різці, встановлюються в поздовжньому багатопозиційному супорті, причому окремі позиції мають можливість встановлення інструменту, що обертається (інструментальних шпинделів).
Сталеві прутки та труби повинні бути не нижче 4 класу точності за ГОСТ 7417-75.
Клас точності автоматів за ГОСТ 8-71 - Н (1Б240-6) та П (1Б240-6К).
Шорсткість обробленої поверхні Rz20 мкм (1Б240-6) та Ra 1,25 мкм (1Б240-6К). Точність обробки З-а класу (1Б240-6) та 2-а класу (1Б240-6К).
Позначення багатошпиндельних автоматів та напівавтоматів:

Схема обробки деталі на чотиришпиндельному автоматі.
Основний вузол верстата – шпиндельний блок періодично повертається і шпинделі займають нове положення. Кожному положенню шпинделя надають найменування: I позиція, II позиція тощо. буд. У кожній позиції виконується певна операція. Проти кожного шпинделя в супорті встановлений різальний інструмент, який проводить певну для цієї позиції операцію.
Припустимо, нам необхідно виготовити деталь, показану на рис. б. У I позиції пруток подається до упору та затискається, а потім різцем поперечного супорта прорізається канавка. Після повороту блоку заготовка потрапляє у II позицію, де різцем другого поперечного супорта обробляється зовнішня поверхня. Знову повертається блок, і деталь виявляється у позиції III, де свердлом, встановленим у поздовжньому супорті, свердлиться отвір. У IV позиції відрізається готова деталь.
Позначення багатошпиндельних автоматів та напівавтоматів:
Відмінною особливістю багатошпиндельних автоматів і напівавтоматів є наявність кількох шпинделів, що одночасно працюють.
Різноманітність виконуваних на верстатах операцій дозволяє у ряді випадків здійснити обробку складної деталі за цикл, виключивши доопрацювання інших верстатах. Конструктивною особливістю автоматів є оригінальний привід поздовжнього супорта зі зміною робочого ходу без зміни кулаків, що полегшує переналагодження. Прискорення налагодження та скорочення фізичної праці сприяє спеціальний налагоджувальний привід.
На шестишпиндельних автоматах досягається висока продуктивність обробки за рахунок одночасної роботи всіх шпинделів та багатоінструментального налагодження. Одночасно обробляються шість прутків. Шпиндельний барабан періодично повертається на 60°, і шпинделі змінюють своє положення (позицію), отже, і ріжучий інструмент, який обробляє деталь. В останній позиції VI відбувається відрізка готової деталі та набір прутка для обробки наступної.
Кожна позиція обслуговується поперечним і поздовжнім супортами, а останні чотири позиції додатковими пристроями з незалежною від інших супортів та пристроїв подачею. Крім того, у п'яти позиціях (II, III, IV, V, VI) можуть встановлюватися інструментальні шпинделі, що обертають інструмент (свердла, розгортки, мітчики тощо) з незалежною від робочих шпинделів швидкістю, що дає можливість застосовувати різні пристрої, що вимагають зміни швидкості різання.
Всі поперечні супорти столового типу і керуються від змінних кулаків безпосередньо. Подачі поперечних і поздовжніх супортів регулюються в безступінчастому діапазоні.
Жорстка конструкція цих автоматів забезпечує незмінно точну обробку за високої продуктивності різання. Численні додаткові пристрої, як наприклад, багатогранне токарне, багатошпиндельне свердлильне (головка) та інші значною мірою розширюють сферу застосування цих автоматів у народному господарстві.
Автомат може бути вбудований у автоматичну лінію.
Керування автоматично за допомогою електромагнітних муфт та командоапарата.
Для видалення стружки з автомата застосовується шнековий транспортер.
Можливості верстатів, що підвищують точність обробки та забезпечують високу економічну ефективність:

Габаритні розміри робочого простору автомата 1Б240

Фото шестишпиндельного токарного напівавтомату 1Б240П

Фото шестишпиндельного токарного автомата 1Б240-6К
Фото шестишпиндельного токарного автомата 1Б240-6К. Завантажити у збільшеному масштабі

Розташування складових частинин шестишпиндельного токарного верстата 1Б240
а) 1Б240-6 (1Б240-6К) автомат токарний шестишпиндельний горизонтальний прутковий
б) 1Б240П-6 (1Б240П-6К) напівавтомат токарний шестишпиндельний горизонтальний патронний

Розташування органів керування багатошпиндельним токарним верстатом 1Б240

Структурна схема шестишпиндельного токарного верстата 1Б240
Склад документації верстатів 1А240 та 1А240П:
Основне виконання:
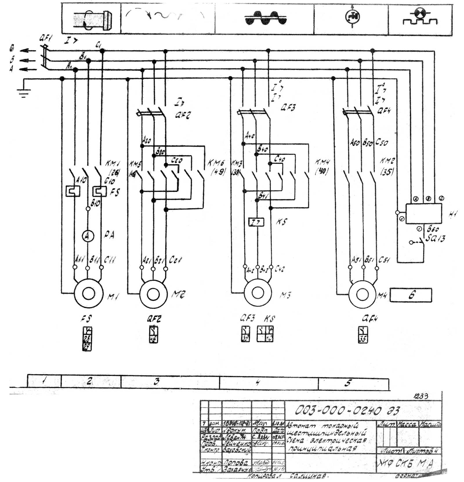
Електродвигуни верстата 1Б240 (003-000-0240 Е3):
Електродвигуни верстата 1Б240П (003-000-0398 Е3):
Електромагнітні муфти верстата 1Б240 та 1Б240П:
Принципова електрична схема верстата складається з наступних частинин:
Вихідний стан верстата 40 ° на цикловказівнику.
Електрична схема верстата передбачає можливість роботи у наступних двох режимах:
У робочому режимі забезпечується повний цикл роботи верстата з ручним завантаженням деталі та зупинка наприкінці циклу у разі, якщо шпиндель виявився з яких-небудь причин не завантажено»*.
У режимі налагодження здійснюється прискорене обертання розподільного валу за годинниковою стрілкою і проти годинникової стрілки, а, отже, і всіх супортів від двигуна налагодження.
В обох режимах верстат управляється з переднього та заднього пульта, причому одночасна робота з обох пультів виключається перемикачами SA6 та SA5, встановлених відповідно на передньому та задньому пультах. Для роботи з вибраного пульта необхідно встановити перемикач на вибраний пульт.
Для зручності заміни зрізної шпонки зверху верстата встановлено налагоджувальні кнопки.
Для запуску верстата необхідно увімкнути всі вимикачі та перемикач SA? встановити у положення "I".
Перед пуском двигуна шпинделів необхідно переконатися, що перемикачі режиму роботи шпинделів SA2 і SA3 встановлені в положення "безперервна робота", перемикачі SA6 та SA5 встановлені на вибраний пульт і всі кришки та щити огорожі закриті.
Перед включенням подачі (обертання розподільного валу) необхідно вибрати режим роботи приводу транспортера, встановивши відповідно перемикач SА4 на вибраний режим і заповнити магістраль системи дозованого мастила багаторазовим натисканням кнопки SB
Якщо режим роботи приводу транспортера вибрано автоматичний, увімкнення транспортера відбувається автоматично з увімкненням подачі.
Включення транспортера в автоматичному режимі походить від команди S9, і час його включення регулюється положенням кулачка.
Увімкнення двигуна шпинделів здійснюється натисканням кнопки "Пуск шпинделів".
Якщо перемикач хреста пульта керування завантажувальним шпинделем SA12 знаходиться в нейтральному положенні (верстат 1Б240П), то завантажувальний шпиндель не обертається.
Перед пуском завантажувального шпинделя необхідно встановити оброблювану заготовку в патрон, попередньо розтиснувши його переміщенням рукоятки SA12 з нейтрального в зазначене положення (при цьому включається електромагніт розтискання патрона YV3), після чого повернути рукоятку в нейтральне положення (затискач).
Для запуску завантажувального шпинделя необхідно ручку SA12 встановити в положення "пуск" і натиснути на ній кнопку SB25, при цьому увімкнеться К6 та YV2.
Після включення подачі К2 розподільний вал починає обертання на прискореному ходу від 40°, т.к. вимикач командоапарата S1 натиснутий і включена електромуфта прискореного ходу YC3.
При повороті розподільного валу до 215° натискається S2, відключається прискорений хід і включається робочий хід розподільного валу (робоча подача) YC4. Для швидкого загальмовування розподільного валу при переході з прискореного на робочий хід, електромуфта робоча YC4 перемикається на 0,8..1 з на форсоване живлення 48В проміжним реле форсованого живлення К4 і реле часу форсованого живлення К4 і реле часу форсування КТ.
На 215° повороту розподільного валу відбувається відлік деталей (циклів) від S2 і перемикання з прискореного ходу YC3 розподільного валу на робочий YC4. Одночасно від S7 (верстат 1Б240П) відбувається зупинка шпинделя завантажувальної позиції. Якщо за час робочої подачі в завантажувальну позицію не буде вставлена заготівля і пуск завантажувального шпинделя (див.4.9), то подача зупиниться в кінці циклу на 40° від S5.
На 240° повороту розподільного валу, при наборі матеріалу подає цангою, відбувається контроль наявності матеріалу синхронним натисканням кінцевого вимикача SQ12 і S7 (для верстата 1Б240).
На робочому ході на 260°..300° відбувається короткочасне відключення різьбонарізних електромуфт YC1 та YC2 з метою синхронізації швидкостей обертання основного шпинделя з інструментальним та перемикання їх з різання на вигвинчування кулачками S4 та S3 командоапарата.
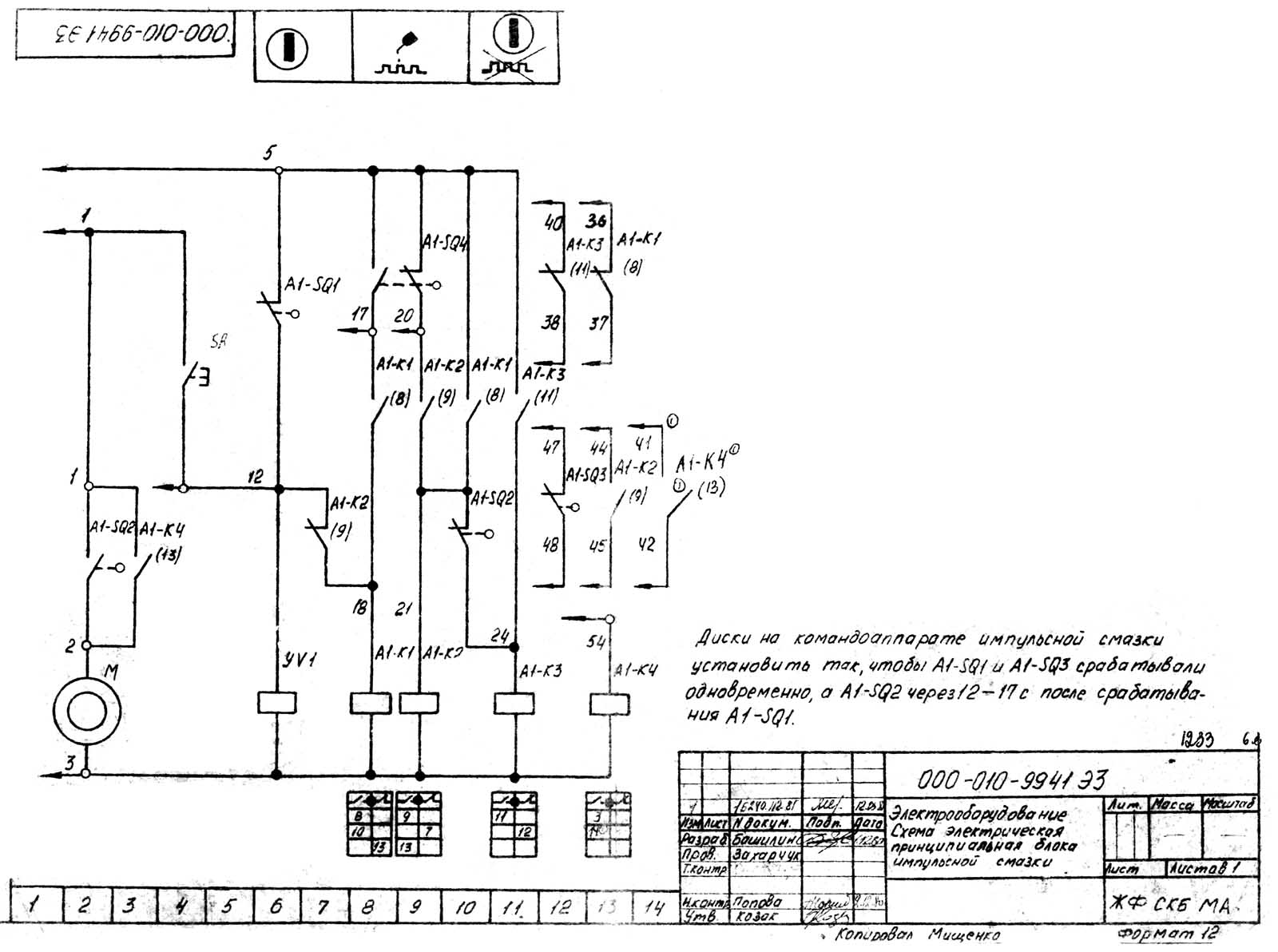
Включення контролю та блокування дозованого мастила здійснюється від командоапарата реле часу:
- моторного А1-SQ1;
- A1-SQ2;
- А1-SQ3 і відбувається один раз на п'ять хвилин.
При включенні електромагніту YV1 включається А1-К1 та A1-K2, які готують включення блокування А1-К3, якщо після відключення YV1 дозатор не перемкне мікроперемикач A1-SQ4. Якщо перемикання A1-SQ4 відбулося, то A1-K1 і A1-K2 знімаються з саможивлення і лампа контролю імпульсного мастила згасає.
Для зручності перевірки працездатності системи дозованого мастила на сигнальній панелі встановлено кнопку включення YV1. При правильній роботі системи після відпускання кнопки повинна згаснути лампа.
Зупинка будь-якого органу верстата та загальний стоп здійснюється з будь-якого пульта незалежно від положення перемикачів. У верстаті 1Б240П загальний стоп здійснюється і від SА12.
Перелік елементів до схеми електричної принципової верстата 1Б240 наведено у таблиці 4.1. а для верстата 1Б240П у таблиці 4.2.
- Блокування включення приводів без включення автоматів - QF1, QF2, FS - відключаються приводи
- Кришки коробки передач ззаду - SQ1 - відключається двигун М1
- Кришки коробки передач з торця - SQ2 - відключається двигун М1
- Кришки коробки передач спереду - SQ3 - відключається двигун М1
- кришки задньої стійки ззаду - SQ4 - відключається двигун М1 (1Б240)
- кришки задньої стійки спереду - SQ5 - відключається двигун М1 (1Б240)
- Щити огородження передні - SQ6, SQ7 - відключається двигун М1 (1Б240)
- Щити огорожі задні - SQ8, SQ9 - відключається двигун М1
- вмикання подачі без підготовки ланцюга охолодження та живлення електромуфт - QF4, QF5 - відключення подачі
- Одночасна робота реверсних магнітних пускачів мотора транспортера та мотора налагодження - КМ3, КМ4, КМ5, КМ6
- Упор матеріалу - SQ11 - відключення подачі (1Б240)
- Ручний поворот розподільного валу - SQ10 - відключення мотора налагодження та подачі
- Зворотне обертання шпиндельного барабана на 130°..180° налагоджувальним приводом - S6 - відключення обертання мотора налагодження назад
- Блокування одночасної роботи з обох пультів - SA5, SA6 - неможливість запуску приводу з протилежного пульта
- Включення головного приводу при відключеній гідравліці - К8 - відключення головного приводу (1Б240П)
- Падіння тиску в системі поливного мастила - К7, К8 - відключення подачі та головного приводу в кінці циклу (1Б240)
- Падіння тиску в системі гідравліки - К8 - негайне відключення головного приводу (1Б240П)
- Відсутність дозованого мастила супортів - А1-К3 - відключення подачі наприкінці циклу 40°
- Відсутність матеріалу - SQ12, S7 - відключення подачі в кінці циклу 40 ° (1Б240)
- Відсутність ручного запуску шпинделя завантажувальної позиції - S7, S12 - відключення подачі та головного приводу в кінці циклу (1Б240П)
Крім того, захист двигуна транспортера при заклиниванні шнека здійснює реле максимального струму KS.
При заклинюванні шнека (при дворазовому струмі двигуна) включається реле максимального струму KS, відключаючи своїм розмикаючим контактом пускач КМ3. Мотор вимикається.

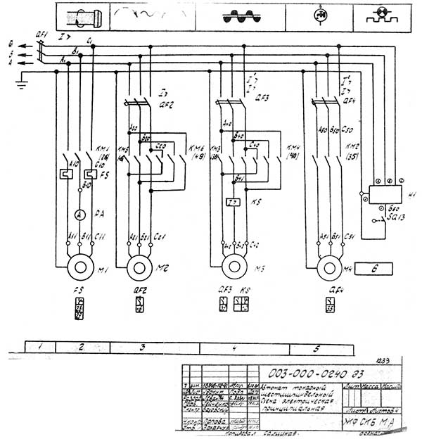
Схема електрична токарного автомата 1Б240
Схема електрична токарного автомата 1Б240. Завантажити у збільшеному масштабі

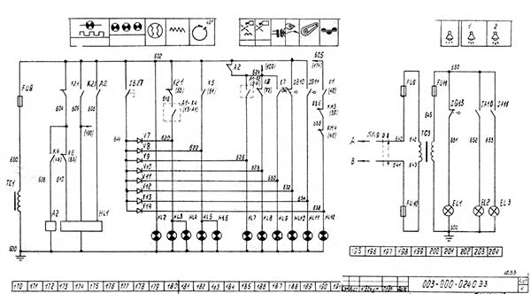
Схема електрична токарного автомата 1Б240
Схема електрична токарного автомата 1Б240. Завантажити у збільшеному масштабі

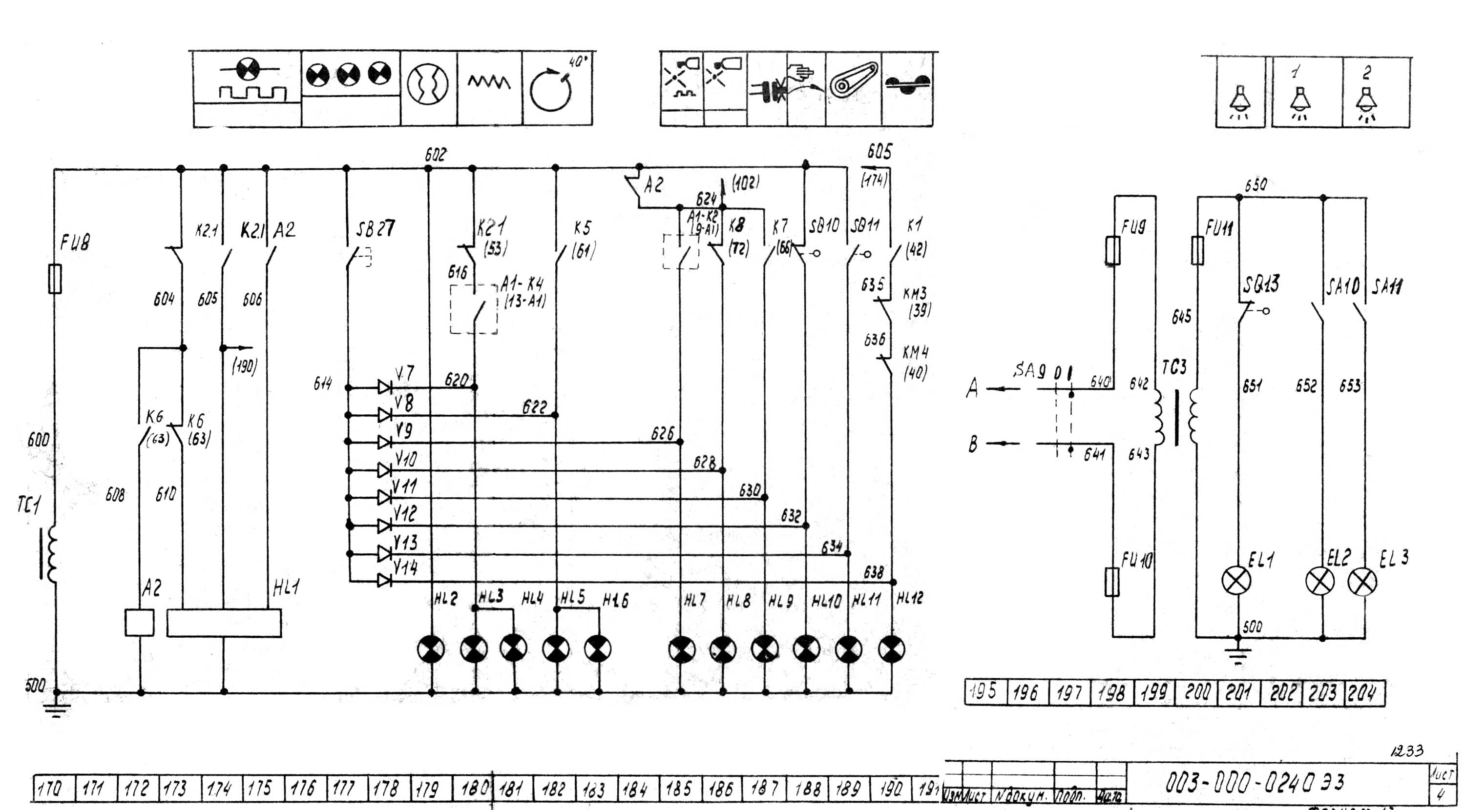
Схема електрична токарного автомата 1Б240
Схема електрична токарного автомата 1Б240. Завантажити у збільшеному масштабі

Схема електрична токарного автомата 1Б240
Схема електрична токарного автомата 1Б240. Завантажити у збільшеному масштабі

Схема електрична токарного автомата 1Б240
Схема електрична токарного автомата 1Б240. Завантажити у збільшеному масштабі

Схема електрична токарного автомата 1Б240
Схема електрична токарного автомата 1Б240. Завантажити у збільшеному масштабі

Схема електрична токарного автомата 1Б240
Схема електрична токарного автомата 1Б240. Завантажити у збільшеному масштабі

Перелік елементів токарного автомата 1Б240
Список елементів токарного автомата 1Б240. Завантажити у збільшеному масштабі

Перелік елементів токарного автомата 1Б240
Список елементів токарного автомата 1Б240. Завантажити у збільшеному масштабі

Перелік елементів токарного автомата 1Б240
Список елементів токарного автомата 1Б240. Завантажити у збільшеному масштабі

Перелік елементів токарного автомата 1Б240
Список елементів токарного автомата 1Б240. Завантажити у збільшеному масштабі

Перелік елементів токарного автомата 1Б240
Список елементів токарного автомата 1Б240. Завантажити у збільшеному масштабі

Перелік елементів токарного автомата 1Б240
Список елементів токарного автомата 1Б240. Завантажити у збільшеному масштабі

Перелік елементів токарного автомата 1Б240
Список елементів токарного автомата 1Б240. Завантажити у збільшеному масштабі

Перелік елементів токарного автомата 1Б240
Список елементів токарного автомата 1Б240. Завантажити у збільшеному масштабі

Перелік елементів токарного автомата 1Б240
Список елементів токарного автомата 1Б240. Завантажити у збільшеному масштабі

Перелік елементів токарного автомата 1Б240
Список елементів токарного автомата 1Б240. Завантажити у збільшеному масштабі

Перелік елементів токарного автомата 1Б240
Список елементів токарного автомата 1Б240. Завантажити у збільшеному масштабі
| Найменування параметру | 1B240-6 | 1Б240П-6 |
|---|---|---|
| Основні параметри | ||
| Клас точності згідно з ГОСТ 8-82 | Н/П | Н/П |
| Кількість робочих шпинделів | 6 | 6 |
| Кількість поздовжніх супортів | 1 | 1 |
| Кількість поперечних супортів | 6 | 5 |
| Найбільший діаметр патрона/виробу, мм | - | 130/120 |
| Найбільший діаметр виробу над поздовжнім супортом, мм | - | 120 |
| Діаметр отвору в шпинделях, мм | 62,6 | - |
| Найбільша довжина обробки, мм | 160 | |
| Найбільша довжина подачі дроту, мм | 180 | - |
| Найбільший діаметр прутка, мм | 40 | - |
| Найбільша сторона квадратного дроту, мм | 28 | - |
| Найбільша сторона шестигранного дроту, мм | 36 | - |
| Найбільша довжина дроту, мм | 4000 | - |
| Найбільший загальний/ робочий хід поздовжнього супорта, мм | 180/160 | 180/160 |
| Найбільший загальний/ робочий хід поперечного супорта, мм | 80/30 | 84/33 |
| Найбільший загальний/ робочий хід відрізного супорта, мм | 35/ 23 | 35/ 23 |
| Найбільший діаметр різьби, що нарізається, мм | 30 | 30 |
| Найбільший хід інструментальних шпинделів, мм | 188 | |
| Частота обертання шпинделів, об/хв | 140..1600 | 80..1120 |
| Величина подач поздовжнього супорта, мм/про | 0..6,65 | |
| Величина подач поперечних супортів, мм/про | 0..2,7 | |
| Найбільший крутний момент, кгс * м | 2000 рік | |
| Найбільше тягове зусилля, кгс | 5000 | |
| Найбільше зусилля подачі, кгс | 1500 | |
| Електроустаткування | ||
| Кількість електродвигунів на верстаті | ||
| Електродвигун головного приводу (шпинделів), кВт | 15 | 18,5 |
| Електродвигун налагоджувального обертання, кВт | 1,5 | 1,5 |
| Електродвигун приводу транспортера стружки, кВт | 1,1 | 1,1 |
| Електродвигун насоса мастила, кВт | 2,2 | 2,2 |
| Електродвигун насоса охолодження, кВт | 0,6 | 0,6 |
| Встановлена потужність, кВт | 19,2 | 24,9 |
| Габарити та маса верстата | ||
| Габарити верстата без приставного обладнання (довжина ширина висота), мм | 3975 1750 1970 | 4500 1700 2010 рік |
| Маса верстата, кг | 12000 | 11500 |