Виробник токарно-гвинторізного верстата С1Е61ПМ, С1Е61ВМ Ульянівський машинобудівний завод ім. Володарського багатопрофільне підприємство, що випускало патрони до нарізної стрілецької зброї, автомобільні свічки запалювання, верстати токарно-гвинторізні, вантажопідйомне обладнання, автоматичні роторні лінії, безконтактні пускачі, ланцюги пиляльні, тягові, приводні, роликові, ЗІП до сель.
Завод випускав універсальні токарно-гвинторізні верстати моделей: ТВ-01, ТВ-01М, 1Е61, 1Е61М, 1Е61МТ, 1Е61ВМ, 1Е61ПМ, С1Е61ВМ, С1Е61ПМ, УТ16ВМ, УТ16ПМ.
Токарні верстати моделей С1Е61ПМ , С1Е61ВМ створені на базі верстата 1Е61МТ і належать до класу легких токарних верстатів. Початок серійного випуску верстата С1Е61ПМ, С1Е61ВМ – 1975 рік. Верстат С1Е61ПМ був замінений більш досконалим верстатом УТ16ПМ .
Верстат токарно-гвинторізний моделі с1е61вм є універсальним та призначений для виконання фінішних операцій при токарній обробці деталей високої точності та нарізування різних різьблень. Клас точності верстата - Ст.
Верстат токарно-гвинторізний моделі с1е61пм є універсальним і призначений для виконання різних токарних та гвинторізних робіт. Клас точності верстата – П.
Токарно-гвинторізні верстати високої точності с1е61вм та підвищеної точності с1е61пм :
Верстат спеціальний токарно-гвинторізний моделі с1е61пм , с1е61вм оснащений механізмом автоматичного перемикання поздовжніх переміщень супорта верстата на прямий або зворотний хід (автоматичне реверсування поздовжніх переміщень каретки та головного приводу). Це забезпечується електричними перемикачами, які налаштовані на розмір деталі.
Токарні верстати с1е61пм , с1е61вм виконані на базі основної моделі 1Е61ВМ, мають однакові кінематичні схеми та уніфіковану конструкцію.
Особливо потрібно врахувати, що ці моделі є верстатами високої та підвищеної точності і тому, щоб уникнути втрати точності, не слід використовувати їх для чорнової обробки.
Привід верстата здійснюється від індивідуального електродвигуна.
Від електродвигуна через клинопасову передачу рух передається редуктору . Від редуктора теж за допомогою клинопасової передачі обертання передається шпиндельній бабці , а потім через зубчасті передачі на шпиндель верстата . Межі частоти обертання шпинделя при положенні ручки 1:1 - 280...1800 об/хв, при положенні ручки 1:8 - 35,5...224 об/хв.
Різьблення нарізаються за допомогою коробки подач . Ланцюг подачі має ланку восьмиразового збільшення значення подач і кроків різьблення, розташоване на трензелі в шпиндельній бабці. Включно з ланкою збільшення кроку можна робити нарізку різьблення зі збільшеним кроком.
Крім того, є можливість нарізування різьблення шляхом з'єднання ходового ггвинта з гітарою і комплектом змінних зубчастиних коліс потрібної налаштування, минаючи ланцюг коробки подач. Тим самим створюється найкоротший гвинторізний ланцюг.
Фартух верстата має механізм автоматичного відключення поздовжньої та поперечної подач при роботі з нерухомими упорами. Одночасно цей механізм захищає верстат від поломки під час навантаження.
Включення головного електродвигуна та вимкнення насоса мастила блоковані, що унеможливлює роботу шпиндельної бабки без мастила.
Підведення мастильно-охолоджувальної рідини в зону різання проводиться від електронасоса, включення якого здійснюється при необхідності рукояткою 10.
Реверсування головного руху – електричне, здійснюється рукояткою 22.
Гальмування обертання шпинделя здійснюється електромагнітною гальмівною муфтою, розташованої в редукторі.
Технологічні можливості верстата значно розширюються завдяки додатковим приладдям, що поставляються на особливе замовлення.
Б/с головний привід - безступінчастиний привід шпинделя на двигуні постійного струму або частоті тиристорному перетворювачі.

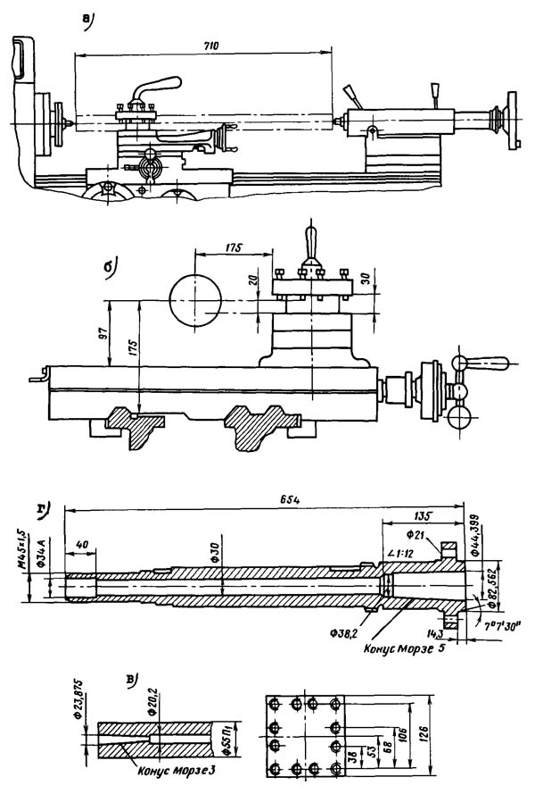
Габарити робочого простору токарного верстата с1е61пм

Фото токарно-гвинторізного верстата с1е61пм

Фото токарно-гвинторізного верстата с1е61пм

Фото токарно-гвинторізного верстата с1е61пм
Фото токарно-гвинторізного верстата с1е61пм. Дивитись у збільшеному масштабі

Фото токарно-гвинторізного верстата с1е61пм
Фото токарно-гвинторізного верстата с1е61пм. Дивитись у збільшеному масштабі

Фото токарно-гвинторізного верстата с1е61пм
Фото токарно-гвинторізного верстата с1е61пм. Дивитись у збільшеному масштабі

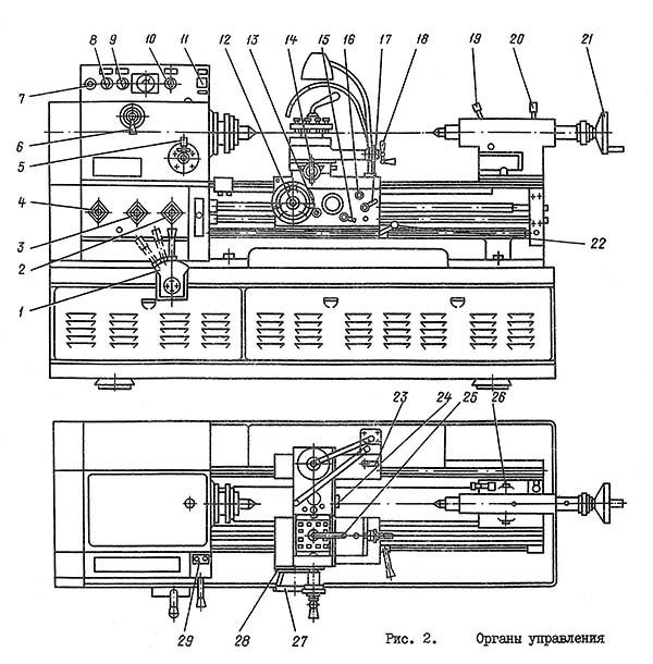
Розташування органів керування токарно-гвинторізним верстатом с1е61пм

Перелік графічних смволів токарно-гвинторізного верстата с1е61пм
Питание ланцюгів електроустаткування осуществляется следующими напряжениями:
Електроустаткування верстата предназначено для подключения к трехфазной сети переменного тока з глухозаземленным или изолированным нейтральным проводом.
На станке установлены три трехфазных короткозамкнутых асинхронных електродвигуна:
Верстат з електрообладнанням на напряжение 220 В може быть выполнен только по особому заказу.

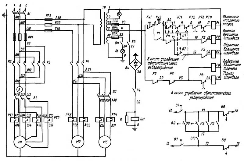
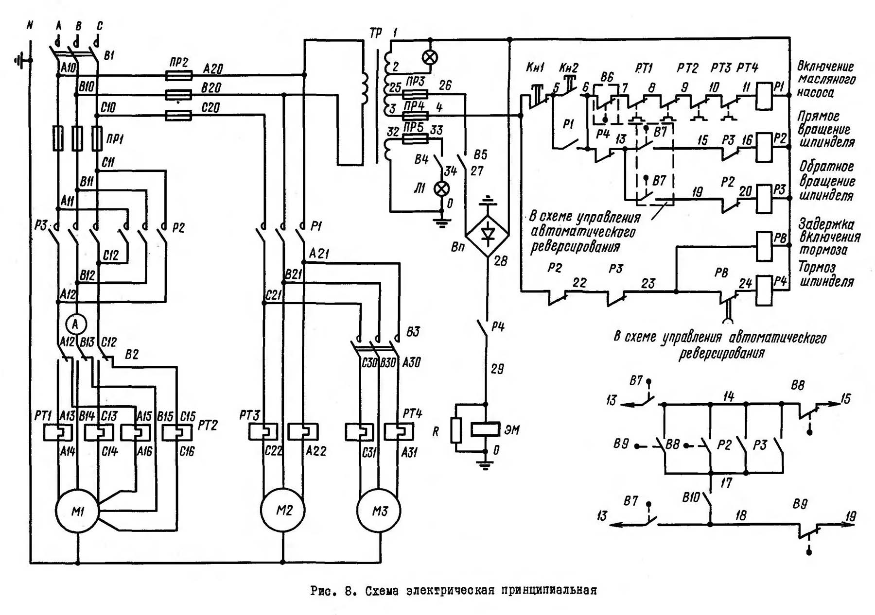
Електрична схема токарно-гвинторізного верстата 1Е61ПМ, 1Е61ВМ С1Е61ПМ, С1Е61ВМ

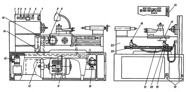
Розташування електроустаткування на токарному станке 1Е61ПМ, 1Е61ВМ С1Е61ПМ, С1Е61ВМ
Примечание. Поз. 16, 17, 19, 20, 21, 24 только для верстатів С1Е61ВМ і С1Е61ПМ.
Шкаф електроустаткування установлен з задньої стороны шпиндельной бабки. Питание подается к шкафу проводами марки ПГВ, сечением 2,5 мм2 через вводное отверстие; черного цвета - для линейных ланцюгів і зеленого цвета - для заземления.
На задньої стороне станины у верстатів С1Е61ПМ і 1Е61ВМ установлен конечный выключатель 9 (рис. 7) для ограничения ходу каретки і отключения головного привода.
Автоматическое реверсирование перемещений каретки і головного привода установлено на верстатах С1Е61ПМ і 1Е61ВМ. Для етой цели на задньої стенке станины 23 смонтированы выключатели конечные 16 і 20, переставляемые в продольном направлении по штанге 21.
Освещение робочого места производится светильником 8 з гибкой стойкой типа НКСО1 з лампой МО 24x40, смонтированного на суппорте.
В корпусе переключателя реверса встроен конечный выключатель 14, предназначенный для увімкнення прямого і обратного обертання електродвигуна головного привода.
На корпусе переключателя реверса встроен пост 15 керування верстатом. Для пуска і остановки електродвигуна головного привода.
Електричнапринципова схема показана на рис. 8. В табл. 8 указан перечень елементів к схеме.
Увімкнення електрической частини верстата осуществляется пакетным выключателем B1. Затем кнопкой Кн2 через магнитный пускатель PI включается електродвигатель змазки М2. После етого рукояткой керування 22 (см. рис. 2), связанной з конечным выключателем В7, осуществляется увімкнення головного приводу М1 через реверсивный магнитный пускатель Р2 (прямое вращение) или Р3 (обратное вращение).
Торможение головного приводу осуществляется електромагнитной муфтой ЭМ (рис. 9), на которую подается постоянный ток з селенового выпрямителя Вп (рис. 10) через пускатель Р4 (рис. 8). Пускатель Р4 включается після установки рукоятки керування 22 (см. рис. 2) в нейтральное положение через замыкающие контакты РЗ, Р4, і РВ (рис. 8). При етом включается реле часу РВ, которое через установленную выдержку часу отключит своим контактом пускатель Р4.
Переключення двухскоростного електродвигуна Ml производится пакетным переключателем В2 (рис. 8). Пуск електронасоса охлаждения осуществляется пакетным выключателем В3, увімкнення освещения - выключателем В4, встроенным в светильник местного освещения. Відключення тормоза шпинделя -выключателем В5.
В схему верстатів С1Е61ПМ і 1Е61ВМ вводятся два выключателя конечных В8 і В9 (рис. 8 і 9) і тумблер B10 (рис. 8 і 10).
Вместо выключателя конечного В6 (рис. 8,9) ставится перемычка (6-7) на клеммном мостике КЛl (рис. 9,10).
Крепление конечных выключателей 16 і 20 (см. рис. 7) після их установки на заданный размер осуществляется гвинтами 19 і 22. Для переключения верстата з автоматичного режима на електрическую блокировку или наоборот имеется тумблер 24, который следует установить в положение "А" (символ автоматичного режима) или в положение "Б" (символ блокировки).
При движении каретки в автоматическом режиме упор 17 (см. рис. 7) нажимает на ролик конечного выключателя 16 или 20.
В результате происходит реверсирование обертання електродвигуна, шпинделя і руху каретки. При електрической блокировке конечные выключатели 16 і 20 будут служить как аварийные, т.е. упор 17 нажмет на один из роликов микровыключателя 16 і 20, главный електродвигатель остановится, і каретка прекратит свое движение.
Для увімкнення електродвигуна, и, соответственно, руху каретки необходимо повернуть рукоятку 22 (см. рис. 2) вверх или вниз.
В станке имеется амперметр, измеряющий нагрузку головного електродвигуна.
Амперметр имеет три шкалы: две белых і одну черную. Белая шкала, расположенная слева, показывает недогрузку верстата, черная - нагрузку 85..100%, белая справа - показывает перегрузку.
Захист електроустаткування верстата от коротких замыканий обеспечивается плавкими предохранителями ПР1, ПР2, ПР3, ПР4, ПР5 (рис. 8-10).
Захист електродвигателей M1, M2, МЗ от перегрузки осуществляется тепловыми реле PTI, PT2, РТЗ, РТ4 (рис. 8).
Нулевая защита схеми обеспечивается пускателем PI. В схеме предусмотрены електрические блокировки магнитных пускачів з целью исключения возможности одновременного их увімкнення.
ПРИ НАРЕЗАНИИ "ЛЕВЫХ" РЕЗЬБ И ТОЧЕНИИ С ПОДАЧЕЙ ОТ ПЕРЕДНЕЙ БАБКИ НА АВТОМАТИЧЕСКОМ РЕЖИМЕ, ТУМБЛЕР 24 (СМ. РИС 7) УСТАНОВИТЬ В ПОЛОЖЕНИЕ "А", А КОНЕЧНЫЕ ВЫКЛЮЧАТЕЛИ 16 И 20 НЕОБХОДИМО ПОМЕНЯТЬ МЕСТАМИ. ПРИ НАРЕЗАНИИ "ЛЕВЫХ" РЕЗЬБ И ТОЧЕНИИ С ПОДАЧЕЙ ОТ ПЕРЕДНЕЙ БАБКИ НА РУЧНОМ РЕЖИМЕ (ТУМБЛЕР 24 В ПОЛОЖЕНИЕ "Б"), КОНЕЧНЫЕ ВЫКЛЮЧАТЕЛИ 16 і 20 НЕ ЯВЛЯЮТСЯ БЛОКИРОВОЧНЫМИ, ЕСЛИ ОНИ НАХОДЯТСЯ В ПОЛОЖЕНИИ, УКАЗАННОМ НА РИС. 7.
ПРИ РАБОТЕ В РЕЖИМЕ ЭЛЕКТРИЧЕСКОЙ БЛОКИРОВКИ ТУМБЛЕР 24 УСТАНОВИТЕ В ПОЛОЖЕНИЕ "Б".
ПРИ ЭТОМ В ЦЕЛЯХ ПРЕДОХРАНЕНИЯ ФАРТУКА ОТ ПОЛОМОК КОНЕЧНЫЕ ВЫКЛЮЧАТЕЛИ 16 И 20 УСТАНОВИТЕ НА РАССТОЯНИЕ 30 ММ ОТ КОНТРОЛЬНЫХ ШТРИХОВ, НАНЕСЕННЫХ НА ШТАНГЕ 21.

Список елементів токарно-гвинторізного верстата 1Е61ПМ, 1Е61ВМ С1Е61ПМ, С1Е61ВМ

Схема з'єднань токарно-гвинторізного верстата 1Е61ПМ, 1Е61ВМ С1Е61ПМ, С1Е61ВМ

Схема з'єднань токарно-гвинторізного верстата 1Е61ПМ, 1Е61ВМ С1Е61ПМ, С1Е61ВМ
| Наименование параметра | 1Е61МТ | С1Е61ПМ | УТ61ПМ |
|---|---|---|---|
| Основні параметри верстата | |||
| Класс точності по ГОСТ 8-82 | В | П | П |
| Наибольший диаметр заготовки обрабатываемой над станиной, мм | 320 | 320 | 320 |
| Наибольший диаметр заготовки обрабатываемой над суппортом, мм | 188 | 170 | 170 |
| Наибольшая длина устанавливаемой детали РМЦ, мм | 710 | 710 | 750 |
| Наибольшее расстояние от оси центров до кромки резцедержателя, мм | 185 | 175 | 175 |
| Расстояние от оси шпинделя до направляючих станины (высота центров), мм | 170 | 175 | 175 |
| Шпиндель | |||
| Диаметр отверстия в шпинделе, мм | 32,5 | 30 | 32 |
| Диаметр прутка проходящего через отверстие в шпинделе, мм | 32 | 25 | |
| Частота обертання шпинделя, об/мин | 35..1600 | 35,5..1800 | 40..2000 |
| Количество прямых/ обратных швидкостей шпинделя | 12 | 18 | 18 |
| Центр в шпинделе по ГОСТ 13214-67 | Морзе 5 | Морзе 5 | Морзе 5 |
| Кінець шпинделя по ГОСТ 12595-72 | 5К | 5К | |
| Торможение шпинделя | есть | есть | есть |
| Блокировка шпинделя | есть | есть | есть |
| Захист от перегрузок шпинделя | есть | есть | есть |
| Подачи | |||
| Наибольшая длина ходу суппорта (каретки) - продольное перемещение, мм | 640 | 710 | 710 |
| Наибольшее поперечное перемещение суппорта, мм | 200 | 230 | 230 |
| Продольное перемещение суппорта на одно деление лимба, мм | 0,2 | 0,1 | 0,1 |
| Поперечное перемещение суппорта на одно деление лимба, мм | 0,02 | 0,02 | 0,02 |
| Наибольшее перемещение верхнего суппорта (резцовых салазок), мм | 140 | 140 | 140 |
| Перемещение верхнего суппорта на одно деление лимба, мм | 0,02 | 0,02 | 0,02 |
| Количество подач продольных/ поперечных суппорта | 21 | 40 | |
| Пределы подач продольных, мм | 0,04..6 | 0,018..1,1 | 0,018..1,1 |
| Пределы подач поперечных, мм | 0,012..1,87 | 0,01..0,625 | 0,01..0,625 |
| Количество нарезаемых різьб метрических, мм | 22 | 35 | |
| Количество нарезаемых різьб модульных, мм | 19 | 31 | |
| Количество нарезаемых різьб дюймовых, мм | 15 | 26 | |
| Пределы шагов метрических резьб, мм | 0,35..12 | 0,1..56 | 0,1..56 |
| Пределы шагов модульных резьб, модуль | 0,3..6 | 0,1..28 | 0,1..28 |
| Пределы шагов дюймовых резьб, ниток/дюйм | 20..3,0 | 30..3,0 | 60..3,0 |
| Скорость быстрых перемещений продольных/ поперечных, м/мин | нет | нет | нет |
| Высота резца, устанавливаемого в резцедержателе, мм | 20 | 20 | 20 |
| Задня бабка | |||
| Наибольшее перемещение пиноли, мм | 100 | 100 | 100 |
| Цена деления лимба задньої бабки, мм | 1 | 0,05 | 0,05 |
| Центр в пиноли по ГОСТ 12595-72 | Морзе 3 | Морзе 3 | Морзе 3 |
| Поперечное смещение задньої бабки, мм | ±5 | ±5 | ±5 |
| Диаметр сверла при сверлении стали, мм | 12 | ||
| Диаметр сверла при сверлении чугуна, мм | 15 | ||
| Електроустаткування верстата | |||
| Количество електродвигателей на станке | 3 | 3 | 4 |
| Мощность електродвигуна головного привода, кВт | 4,5 | 2,7/ 4,4 | 3,2/ 5,3 |
| Мощность електродвигуна насоса охлаждения, кВт | 0,125 | 0,12 | 0,12 |
| Мощность електродвигуна насоса змазки, кВт | 0,125 | 0,08 | 0,09 |
| Мощность електродвигуна вентилятора, кВт | нет | нет | 0,18 |
| Габарити і масса верстата | |||
| Габарити верстата (длина ширина высота), мм | 2191 х 930 х 1500 | 2290 х 1150 х 1365 | 2110 х 1050 х 1395 |
| Масса верстата, кг | 1650 | 1670 | 1810 |
1Е61ПМ, 1Е61ВМ, С1В61ПМ, С1В61ВМ верстат токарно-гвинторізний: - паспорт, (pdf) 24,9 Мб, Скачать
Замовити
Хто володіє інформацією – той володіє світом.
Натан Ротшильд