Виробником токарно-гвинторізного верстата 1В62Г з виїмкою в станині є Астраханський верстатобудівний завод , заснований у 1944 році.
Основним видом діяльності Астраханського верстатобудівного заводу є випуск металорізального, ковальсько-пресового, абразивно-відрізного, деревообробного обладнання. Крім того, завод виробляє комплектуючі до верстатів та оснащення.
Завод випускає токарно-гвинторізні верстати моделі 1В62Г , 16В20 , 1В625 , 1В625М з відстанню між центрами 750, 1000 та 1500 мм та токарний верстат з ЧПУ АС16М20Ф3 .
Токарний верстат моделі 1В62Г замінив застарілі моделі верстата 1А62Г з виїмкою в станині.
Універсальні токарно-гвинторізні верстати 1В62Г призначені для токарної обробки зовнішніх і внутрішніх поверхонь деталей типу тіл обертання різноманітного осьового профілю, у тому числі для нарізування метричної, модульної, дюймової та різьб на заготовках, що встановлюються в центрах або патроні.
Використовуються для внутрішньосоюзного постачання підприємствам усіх галузей народного господарства.
Найбільш доцільно використовувати верстати в інструментальних та ремонтних службах в умовах дрібносерійного та одиничного виробництва на чистових та напівчистових роботах.
Універсальний токарно-гвинторізний верстат 1в62г дозволяє проводити наступні види робіт:
Шпиндель верстата 1в62г отримує 24 швидкості (3 з яких перекриваються) обертання у прямому напрямку (11,5..1200 об/хв) та 12 швидкостей у зворотному напрямку (18..1520) через перебірні шестерні від коробки швидкостей. Для керування перебором служать ручки на передній бабці.
Двостороння фрикційна дискова муфта , що складається з двох незалежних половин, у коробці швидкостей керує пуском, зупинкою та реверсуванням шпинделя при включеному двигуні. Муфта перемикатимуться рукояткою на передній бабці або рукояткою на фартуху верстата.
Передній кінець шпинделя виконаний за ГОСТ 12593 (Конці шпинделів фланцеві під поворотну шайбу та фланці затискних пристроїв) (DIN 55027, ІСО 702-3-75) під поворотну шайбу, з коротким конусом, що центрує:
У верстаті застосовані уніфіковані вузли виробництва Гомельського заводу верстатних вузлів:
Коробка подач 16Б20П 070.000 та 077.0000.000 забезпечує, нарізання метричної, дюймової, модульної та питної різьблення без застосування змінних шестерень. Для нарізування точного різьблення ходовий гвинт може бути прямо включений, минаючи коробку подач.
Механізм коробки подач дає такі можливості:
Коробка подач 077.0000.000 дозволяє додатково без налаштування гітари нарізати дюймові різьблення з 11 та 19 нитками на дюйм.
Жорстка коробчатої форми станина з гартованими, шліфованими напрямними має достатню жорсткість.
Шпиндель змонтований на точних підшипниках кочення.
Конструкція різцетримача забезпечує стабільність положення фіксації інструменту. Фартух верстата забезпечений оригінальним механізмом вимикання подачі супорта, що забезпечує високу точність зупинки на жорсткому упорі. Комплекс огороджувальних та блокувальних пристроїв гарантує безпеку роботи на верстаті.
Верстат оснащений коробкою подач і фартухом, що має власний привід прискореного переміщення супорта та каретки, що покращує динаміку роботи верстата на прискореному ходу, що дозволяють нарізати дюймові різьби 11 та 19 ниток на дюйм без заміни змінних зубчастиних коліс.
Коробка швидкостей, коробка подач і фартух мають автономну систему мастила. Конструкція верстата дозволяє встановлювати на вузол шпиндельний електромеханічний, гідравлічний або пневматичний патрони для затиску заготовок. Верстат сертифікований
Всі основні частинини верстата виготовлені з високоякісної сталі, що забезпечує їхню надійну довговічну роботу.
Термооброблені та шліфовані напрямні станини, зубчасті колеса та вали забезпечують тривалий термін служби та підвищену точність обробки.
Задня бабка оснащена механічним розвантажувальним пристроєм, що забезпечує плавність та легкість її переміщення.
Коробка швидкостей, коробка подач і фартух мають автономну систему мастила.
Конструкція верстата дозволяє встановлювати на вузол шпиндельний електромеханічний, гідравлічний або пневматичний патрони для затиску заготовок.
Верстат сертифікований на відповідність вимогам безпеки.
Виконання та категорія розміщення верстатів у частинині умов експлуатації — УХЛ4 за ГОСТ 15150-69 (Для експлуатації у всіх кліматичних районах країн ближнього зарубіжжя у закритих опалювальних (охолоджуваних) та вентильованих виробничих приміщеннях).
Клас точності верстатів - Н за ГОСТ 8-82Е.
Основні технічні дані по ГОСТ ГОСТ 18097-93 Верстати токарно-гвинторізні та токарні. Основні розміри. Норми точності.
16В20 - верстат без виїмки в станині.
16В20А - верстат з механічним приводом верхнього супорта.
1В62Г - базовий верстат з виїмкою в станині. Станина верстата мод. 1В62Г має виїмку, що закривається знімним містком. Це дозволяє при знятому містку обробляти більші (діаметром до 620 мм) заготовки типу дисків, кілець та фланців.
1В62ГА - базовий верстат з виїмкою в станині. Верстат із механічним приводом верхнього супорта.
1В62ГУ - Ø 445 У даній конструкції застосована передня бабка зі спрощеною кінематичною схемою та шпиндельним вузлом підвищеної точності та жорсткості. Спрощена кінематична схема підвищує надійність роботи верстата, що не погіршує його технологічні можливості при точенні та нарізанні різьблення як метричного, так і трубного, без додаткового налаштування коробки передач.
16Г20АС - Ø 445 універсальний токарно-гвинторізний верстат підвищеної потужності
1В625 - Ø 500 базовий універсальний токарно-гвинторізний верстат з виїмкою в станині
1В625М - Ø 500 перспективна розробка Астраханського верстатобудівного заводу - верстат токарно-гвинторізний модель 1В625M. Призначений для виконання різноманітних токарних робіт, у тому числі для нарізування метричної, модульної, дюймової та питної різьблення на заготовках, що встановлюються в центрах або патроні. Виконання та категорія розміщення верстата щодо умов експлуатації - УХЛ4 за ГОСТ 15150-69.

Габарит робочого простору токарного верстата 1в62г

Посадочні та приєднувальні бази верстата 1в62г

Посадочні та приєднувальні бази верстата 1в62г

Фото токарно-гвинторізного верстата 1в62г

Розташування основних вузлів токарного верстата 1-62г

Розташування органів керування токарним верстатом 1-62г

Таблиця різьб і подач токарно-гвинторізного верстата 1в62г
Таблиця різьб і подач токарно-гвинторізного верстата 1В62Г. Скачать в увеличенном масштабе
Електроустаткування верстата предназначено для подключения силових агрегатов, осветительных і сигнальных устройств к трехфазной сети переменного тока з глухозаземленным нейтральным проводом, а также для обеспечения их защиты от перегрузок, токов короткого замыкания і других факторов. Вся примененная релейно-контактная і другая електроаппаратура проста по конструкції і хорошо зарекомендовала себя при работе на верстатах. Это обеспечивает надежную работу електроустаткування і возможность її обслуживания специалистами средней квалификации.
Электроаппаратура, за исключением нескольких аппаратов, смонтирована в електрошкафе 2 (рисунок 8), расположенном на задньої стороне корпуса передньої бабки.
Силовая ланцюг верстата включает в себя три трехфазных асинхронных електродвигуна, предохранительные пристроя і выключатели.
В ланцюг керування входят релейно-контактные і другие аппараты, расположенные в шкафу, а также кнопочная станція 11 SB1.1 SB1.2 (рисунок 9) пуска - останова головного привода, путевые выключатели 19 SQ1 керування електродвигуном ускоренных перемещений і путевые выключатели SQ2, SQ3 блокировок ограждения патрона і крышки коробки передач.
Ланцюг местного освещения EL1 обеспечивает работу станочного светильника з гибкой стойкой і со встроенным выключателем. Освещенность 1500 лк.
В ланцюг сигнализации входят сигнальные лампы 29 (HL1) і 31 (HL2).
При подключении верстата необходимо убедиться в соответствии напряжения і частоти питающей сети електрическим параметрам верстата, указанным в таблицах, закрепленных на передньої бабке і дверке внутри електрошафи.
Подключение верстата к питающей сети должно производиться медными проводами сечением равным сечению проводников соответствующей ланцюги.
Ввод проводов електроживлення к зажимам L1,L2,L3 вводного выключателя QF1 осуществляется через расположенный на верхней стенке електрошафи корпус (фланец) з резьбовым отверстием G3/4-B, служащий для присоединения через металлосвязь оболочки сетевых проводов
Подключение верстата к цеховой системе заземления осуществляется через болт заземления расположенный на задньої стороне верстата внизу под електрошкафом.
При первоначальном пуске верстата необходимо прежде всего внешним осмотром убедиться в надежности заземления і правильности монтажа електроустаткування. Затем, отключить в електрошкафе провода живлення всех електродвигателей, з помощью вводного выключателя QF1 (рисунок 9, поз. 30) подключить верстат к цеховой сети.
С помощью органів ручного керування позиция 11, 19, 24, 28 і 30 убедиться в четкости срабатывания магнитных пускачів і Особое внимание следует обратить на четкость срабатывания кнопки кнопочной станції
Подсоединить ранее отключенные провода к соответствующим зажимам і поочередным включением електродвигателей головного привода, быстрых перемещений суппорта і електронасоса убедиться в правильности направления их обертання согласно указаниям (таблица После выполнения изложенного выше можно приступить к опробованию верстата в работе согласно указаниям подраздела «Порядок первоначального пуска».

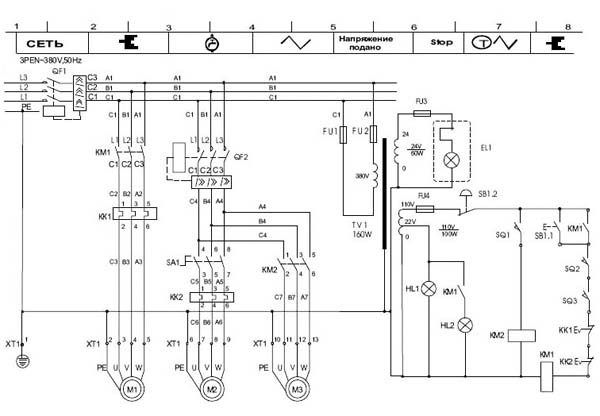
Електрична схема верстата токарно-гвинторізного верстата 16В20, 1В62Г; 16В20А, 1В62ГА, 1В625
Увімкнення вводного выключателя QF1 (рисунок 12) при наличии напряжения в сети сопровождается загоранием лампы HL1.
Пуск електродвигуна головного приводу М1 осуществляется при включенном вводном выключателе QF1 нажатием кнопки SB1.1 кнопочной станції, которая замыкает ланцюг катушки магнитного пускателя КМ1. При етом срабатывает магнитная система пускателя і замыкает его нормально разомкнутые главные і вспомогательные контакты КМ1, то есть: магнитный пускатель КМ1 перейдет на самопитание, т.к. один из его вспомогательных контактов замкнет ланцюг живлення катушки параллельно кнопке SB1.1 і при отпускании післядней ланцюг не разорвется; включится електродвигатель головного приводу М1, питаемый силовой ланцюгю через замкнутые главные контакты пускателя КМ1;
Останов електродвигуна головного приводу М1 осуществляется нажатием кнопки кнопочной станції SB1.2. При етом произойдет размыкание ланцюги катушки магнитного пускателя КМ1, она обесточится, все контакты пускателя разомкнутся, т.е. електродвигатель М1 выключится, ланцюг саможивлення магнитного пускателя разорвется.
Пуск електродвигуна быстрых перемещений М3 осуществляется нажатием толчковой кнопки, встроенной в рукоятку фартука і воздействующей на конечный выключатель SQ1. Нормально разомкнутый контакт конечного выключателя при нажатии кнопки замыкает ланцюг живлення катушки електромагнита пускателя КМ2, который в свою очередь замыкает контакты КМ2 силовой ланцюги електродвигуна быстрых перемещений. Выключатель QF2 включен постоянно.
При отпускании толчковой кнопки SQ1 ланцюг керування разомкнется і катушка пускателя обесточится, т.е. контакты КМ2 разомкнутся і електродвигатель М3 выключится. Пуск і зупинка електронасоса М2 осуществляются з помощью переключателя SA1, установленного на лицевой панелі електрошафи.
Захист електродвигателей головного привода, приводу швидкого переміщення каретки і суппорта, електронасоса охлаждения і трансформатора от токов коротких замыканий производится автоматическими выключателями і плавкими предохранителями. Захист електродвигателей (кроме електродвигуна М3) от длительных перегрузок осуществляется тепловыми реле КК1 і КК2.
Захист ланцюги освещения от токов короткого замыкания осуществляется предохранителем FU2.
Нулевая защита електросхеми верстата, предохраняющая от самопроизвольного увімкнення електроприводу при восстановлении подачі електроенергии після її отключения, осуществляется катушками магнитных пускачів, которые при понижении напряжения ниже 85% номинального значения автоматически отключают електродвигатели от сети.
До подключения верстата к питающей сети необходимо выполнить указания раздела 7 "Указание мер безопасности "в отношении заземления.

Список елементів верстата токарно-гвинторізного верстата 16В20, 1В62Г; 16В20А, 1В62ГА, 1В625

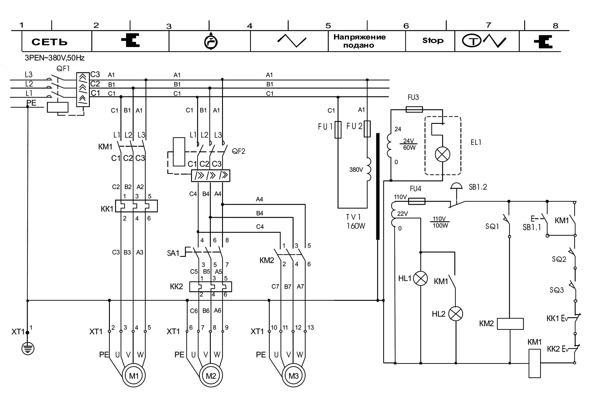
Схема з'єднань верстата токарно-гвинторізного верстата 16В20, 1В62Г
Схема з'єднань верстата токарно-гвинторізного верстата 16В20, 1В62Г. Скачать в увеличенном масштабе

Схема з'єднань верстата токарно-гвинторізного верстата 16В20А, 1В62ГА, 1В625
| Наименование параметра | 16В20 | 1В62Г | 1В625М |
|---|---|---|---|
| Основні параметри | |||
| Класс точності по ГОСТ 8-82 | Н | Н | Н |
| Наибольший диаметр заготовки над станиной, мм | 445 | 445 | 500 |
| Наибольший диаметр заготовки над суппортом, мм | 220 | 220 | 290 |
| Наибольший диаметр заготовки над выемкой станины, мм | - | 620 | 690 |
| Наибольшая длина заготовки (РМЦ), мм | 750,1000,1500 | 750,1000,1500 | 1000,1500,2000 |
| Наибольшая длина обтачивания, мм | 650,900,1400 | 650,900,1400 | 900,1400,1900 |
| Наибольшая масса заготовки в патроне, кг | |||
| Наибольшая масса заготовки в центрах, кг | |||
| Шпиндель | |||
| Диаметр сквозного отверстия в шпинделе, мм | 54 | 54 | 60 |
| Наибольший диаметр прутка, мм | |||
| Число ступеней частот прямого обертання шпинделя | 24 | 24 | 24 |
| Частота прямого обертання шпинделя, об/мин | 10...1400 | 10...1400 | 10...1400 |
| Число ступеней частот обратного обертання шпинделя | 12 | 12 | 12 |
| Частота обратного обертання шпинделя, об/мин | 16..1800 | 16..1800 | 16..1800 |
| Размер внутреннего конуса в шпинделе | М5 | М5 | М5 |
| Кінець шпинделя по ГОСТ 12593-72 | 6К | 6К | 6К |
| Подачи | |||
| Наибольшее продольное перемещение каретки суппорта, мм | 650, 900, 1400 | 650, 900, 1400 | 900, 1400, 1900 |
| Наибольшее поперечное перемещение суппорта, мм | 280 | 280 | 302 |
| Наибольшее поперечное перемещение верхнего суппорта (салазок), мм | 130 | 130 | 130 |
| Число ступеней продольных/ поперечных подач | 50/ 50 | 50/ 50 | 50/ 50 |
| Пределы скорости продольных подач, мм/об | 0,018..22,4 | 0,018..22,4 | 0,036..22,4 |
| Пределы скорости поперечных подач, мм/об | 0,009..11,2 | 0,009..11,2 | 0,018..11,2 |
| Скорость быстрых перемещений суппорта, продольных/ поперечных, м/мин | 4/ 2 | 4/ 2 | 4/ 2 |
| Продольное перемещение на одно деление лимба, мм | 1 | 1 | 1 |
| Продольное перемещение на одно деление нониуса, мм | 0,1 | 0,1 | 0,1 |
| Поперечное перемещение суппорта на одно деление лимба, мм | 0,05 | 0,05 | 0,05 |
| Перемещение салазок на одно деление лимба, мм | 0,05 | 0,05 | 0,05 |
| Количество нарезаемых різьб метрических | 36 | 36 | 36 |
| Пределы шагов нарезаемых різьб метрических, мм | 0,5..224 | 0,5..224 | 0,5..224 |
| Количество нарезаемых різьб дюймовых | 45 | 45 | 45 |
| Пределы шагов нарезаемых різьб дюймовых | 77..0,125 | 77..0,125 | 77..0,125 |
| Количество нарезаемых різьб модульных | 36 | 36 | 36 |
| Пределы шагов нарезаемых різьб модульных | 0,5..224 | 0,5..224 | 0,5..224 |
| Количество нарезаемых різьб питчевых | 45 | 45 | 45 |
| Пределы шагов нарезаемых різьб питчевых | 77..0,125 | 77..0,125 | 77..0,125 |
| Предохранитель от перегрузки | есть | есть | есть |
| Блокировка продольных і поперечных подач | есть | есть | есть |
| Выключающие продольные упоры | есть | есть | есть |
| Шероховатость поверхности заготовки из конструкционной стали при чистовом обтачивании, мкм, не более | Ra 2.0 | Ra 2.0 | |
| Задня бабка | |||
| Наибольшая длина переміщення пиноли задньої бабки, мм | 150 | 150 | 150 |
| Наибольшее перемещение задньої бабки, мм | ±15 | ±15 | ±15 |
| Електроустаткування | |||
| Количество електродвигателей на станке | 3 | 3 | 3 |
| Електродвигун головного привода, кВт | 7,5 | 7,5 | 7,5 |
| Привід ускоренных перемещений, кВт | 0,75 | 0,75 | 0,37 |
| Електродвигун насоса охлаждения, кВт | 0,12 | 0,12 | 0,12 |
| Суммарная мощность, кВт | 8,37 | 8,37 | |
| Габарити і масса верстата | |||
| Габарити верстата (длина ширина высота) (РМЦ 1000), мм | 2800 1190 1450 | 2800 1190 1450 | 2800 1370 1700 |
| Масса верстата (РМЦ 1000), кг | 2450 | 2430 | 2430 |
Замовити
Хто володіє інформацією – той володіє світом.
Натан Ротшильд