metalinstryment.com
Довідник по металорізальних верстатів та пресовому обладнанні

2204ВМФ4 Верстат сверлильно-фрезерно-расточной горизонтальный з ЧПУ і АСИ
Схеми, опис, характеристики

Верстат сверлильно-фрезерно-расточной горизонтальный 2204ВМФ4 з ЧПУ і АСИ







Відомості про виробника сверлильно-фрезерно-расточного верстата 2204ВМФ4

Изготовитель сверлильно-фрезерно-расточного верстата 2204ВМФ4 - Одесский завод прецезионных верстатів им. XXV съезда КПСС, основанный в 1968 году. В настоящее время ОАО "Микрон".





Верстати, выпускаемые Одесским заводом прецезионных верстатів


2204ВМФ4 Верстат сверлильно-фрезерно-расточной горизонтальный високою точності з ЧПУ і АСИ. Назначение, область применения

Верстат сверлильно-фрезерно-расточной 2204ВМФ4 з круглым поворотным столом горизонтальный з числовым программным керуванням (ЧПУ) і пристрійм автоматичною смены инструмента (АСИ) предназначен для комплексной обробки плоских деталей средних размеров сложной формы.

Верстат 2204ВМФ4 предназначен для многооперационной обробки разнообразных деталей сложной конфигурации из стали, чугуна, цветных і легких сплавов.

На станке 2204ВМФ4 можно производить получистовое і чистовое фрезерование плоскостей, пазов і криволинейных поверхностей различными типами фрез, а также растачивание, сверление, зенкерование, развертывание отверстий і нарезание різьби метчиками і резцами по заданной программе.

Верстат може быть использован в мелкосерийном і серийном производствах различных отраслей промышленности.

Принцип роботи і особливості конструкції верстата

Сегодня ета модель верстата не производится.

Однако, большая металлоемкость і очень большой запас прочности механической частини верстата позволяет осуществить его модернизацию, не требующую радикальных изменений.

Модернизация одного такого обрабатывающего центра економически выгоднее, чем покупка нового верстата, предназначенного лишь для одного из видов возможных операций обробки.

Модернизация в данном случае подразумевает полную замену електрических компонентов верстата, з целью наверстать утраченное качество обробки деталей.

В качестве нового оборудования целесообразно использовать продукты фирмы Іжпрест, в частности систему ЧПУ Маяк-600 в сочетании з системой приводу Lenze, синхронными і асинхронными двигунами етой же фирмы.

Система приводов Lenze обеспечивает керування как синхронных, так і асинхронных двигателей, необходимых для модернизации верстата. Компоненты приводу подобраны з запасом по мощности, исходя из количества і характеристик управляемых двигателей. На главный привод, приводы подач по осям, і привід магазина инструмента – подобраны синхронные двигатели, так как они более точны в регулировании. На вспомогательные приводу – асинхронные двигатели. Используя опцию встроенного в синхронные двигатели стояночного тормоза – убираются из конструкції верстата три двигуна зажимов по осям, і ланцюги керування ими.

Компоновка верстата позволяет повысить его виброустойчивость і точностные параметри.

Применение в качестве елементів качения высокоточных роликовых опор, установленных з предварительным натягом, обеспечивает высокую жесткость стыков і их хорошие демпфирующие способности. Это гарантирует высокую точность позиционирования при резании даже на тяжелых режимах обробки.

Керування верстатом — от универсальной комплексной системы ЧПУ «Размер-2М-1300», позволяющей производить позиционную і контурную обработку, а также вручную з пульта керування. На станке программируются координатные переміщення стола і шпиндельной головки, скорости етих перемещений, частота обертання шпинделя, выбор і смена инструмента, смена обрабатываемой детали і циклы обробки.

На станке 2204ВМФ4 программируются координатные переміщення стола, шпиндельной головки, скорости етих перемещений, режими обробки, выбор, смена і коррекция инструмента, циклы обробки.

Привід ходовых винтов осуществляется непосредственно от высокомоментных двигателей постоянного тока, что сокращает длину кинематических ланцюгів, обеспечивая высокую точность перемещений і гибкость в управлении подачей.

В качестве приводу головного руху применен електродвигатель постоянного тока з широким диапазоном регулювання, что сокращает длину кинематических ланцюгів і улучшает експлуатационные качества верстата.

На станке имеется крестовый стол з Т-образными пазами. Установленный возле верстата на автономной опоре инструментальный магазин позволяет увеличить жесткость верстата і повышает его виброустойчивость, а также сводит к минимуму изменение его точностных параметров.

Наличие на станке пристроя для контроля угла поворота шпинделя дает возможность автоматически устанавливать ориентированный по углу инструмент.

Высокую точность перемещений і гибкость в управлении подачами обеспечивает привід ходовых винтов непосредственно от высокомоментных двигателей постоянного тока.

Применение на станке замкнутых роликовых направляючих качения типа «танкеток» і беззазорных передач «винт — гайка качения» повышают долговечность верстата, плавность переміщення рабочих органів і КПД их привода.

Производительность при работе на станке повышается в два — три раза за счет интенсификации режимов обробки, сокращения часу вспомогательных циклов і повышения уровня автоматизации.

Верстат 2204ВМФ4 може быть оснащен пристрійм автоматичною загрузки і выгрузки изделий, предназначенным для установки заготовки вне верстата на сменные столы (паллеты) і післядующей автоматичною загрузки столов на верстат, а также их выгрузки со верстата після окончания обробки. Использование сменных столов пристроя позволяет совместить загрузку заготовок или выгрузку обработанных изделий з работой верстата, что существенно сокращает холостые простои, повышает еффективность его использования і производительность, при етом исключается післядняя ручная операция—установка і снятие деталей со верстата.

Верстат може быть встроен в автоматическую линию.

Класс точності верстата В по ГОСТ 8—82.

Шероховатость обработанной поверхности R 2,5—1,5 мкм.

Категория качества верстата — высшая.

Разработчик — Одесское специальное конструкторское бюро прецизионных верстатів


Гамма фрезерных верстатів з крестовым столом і различной степенью автоматизации

Специальное конструкторское бюро прецизионных верстатів (СКБ ПС) при Одесском заводе прецизионных верстатів им. XXV съезда КПСС разработало гамму фрезерных верстатів различной степени автоматизации.

Верстати производились на Одесском заводе прецизионных верстатів им. XXV съезда КПСС, на Витебском станкостроительном заводе им. Кирова "Вистан" (2206ВМФ4) і Вильнюсском станкостроительном заводе "Жальгирис" (2202ВМ1Ф4).






Габаритные розміри робочого простору фрезерного верстата 2204ВМФ4

2204ВМФ4 Габаритные розміри робочого простору горизонтального сверлильно-фрезерно-расточного верстата

Габарити робочого простору верстата 2204вмф4


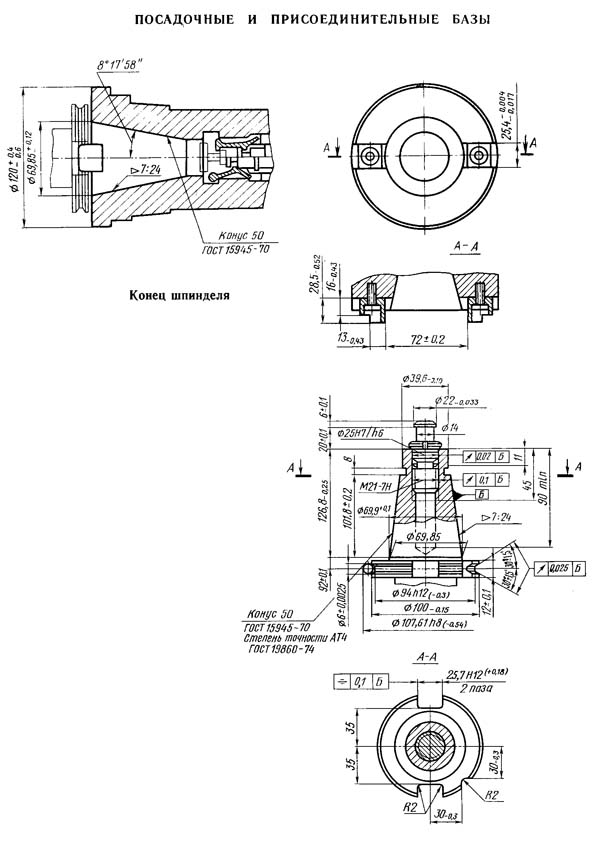
Посадочные і присоединительные розміри верстата 2204ВМФ4. Кінець шпинделя. Кінець инструмента

2204ВМФ4 Посадочные і присоединительные розміри горизонтального сверлильно-фрезерно-расточного верстата. Кінець шпинделя. Кінець инструмента

Кінець шпинделя і конец инструмента верстата 2204вмф4





Система координат і компоновка фрезерного горизонтального верстата. Оси координат верстата 2204ВМФ4

2204ВМФ4 Система координат горизонтального сверлильно-фрезерно-расточного верстата. Оси координат верстата 2204ВМФ4

Система координат і компоновка верстата верстата 2204вмф4


2204ВМФ4 Загальний вигляд фрезерного горизонтального верстата

2204ВМФ4 Загальний вигляд  горизонтального сверлильно-фрезерно-расточного верстата

Фото фрезерного горизонтального верстата 2204вмф4


2204ВМФ4 Кінематична схема фрезерного горизонтального верстата

Кінематична схема 2204ВМФ4 горизонтального сверлильно-фрезерно-расточного верстата

Кінематична схема фрезерного горизонтального верстата 2204вмф4

Схема кінематична горизонтального сверлильно-фрезерно-расточного верстата 2204ВМФ4. Дивитись у збільшеному масштабі







. Відеоролик.



Основні технические данные і характеристики верстата 2204ВМФ4

Наименование параметра 2204ВМФ4 2206ВМФ4
Основні параметри
Класс точності по ГОСТ 8-82 В В
Модель пристроя ЧПУ Размер 2М1300-84, 2С42, Фанук 6М-Е Размер 2М1300-84, 2С42, Фанук 6М-Е
Количество управляемых координат 8 8
Количество одновременно управляемых координат при линейной/ круговой интерполяции 4/3 4/3
Наибольший диаметр сверления в стали 45, мм
Наибольший диаметр растачивания, мм
Пределы диаметров нарезаемой різьби, мм
Наибольший диаметр торцевой фрезы, мм
Наибольшая длина инструмента, устанавливаемого на станке, мм 350 400
Наименьшее і наибольшее расстояние от оси шпинделя до стола, мм 90..590 95..725
Расстояние от торца шпинделя до центра стола, мм 200..700 195..825
Рабочий стол
Розміри рабочей поверхности стола, мм Ø 630 630 х 800
Предельные розміри обрабатываемых поверхности (длина х ширина х высота), мм 400 х 400 х 300 700 х 600 х 500
Максимальная нагрузка на стол (по центру), кг 300 800
Число Т-образных пазов Розміри Т-образных пазов 7 7
Наибольшее продольное перемещение стола (X), мм 500 800
Наибольшее поперечное перемещение стола (Z), мм 500 630
Наибольшее вертикальное перемещение шпиндельной головки (Y), мм 500 630
Предел рабочих подач стола і ползуна, мм/мин 1..4000 1..6000
Скорость швидкого переміщення по координатам X, Z, мм/мин 10000 12000
Скорость швидкого переміщення по координате Y, м/мин 10000 12000
Допустимое усилие подачі по координате X, Y, Z, кН 9,806 15,000
Точность позиционирования по координате X, Y, Z, мм 0,012 0,016
Наибольшая частота обертання стола (координата B), об/мин 10 10
Шпиндель
Частота обертання шпинделя, об/мин 40..2500 10..3500
Количество швидкостей шпинделя Б/с Б/с
Номинальный крутящий момент на шпинделе, Нм 320
Конус шпинделя по ГОСТ 15945-70 50 50
Магазин инструмента
Емкость инструментального магазина, шт. 30 30
Время смены инструмента/ от реза до реза, с 5/ 16 5/ 16
Наибольший диаметр инструмента, устанавливаемого в магазине, мм (без пропуска гнезд) 160 (100) 200 (100)
Наибольшая длина инструмента, устанавливаемого в шпинделе верстата, мм 350 400
Максимальный диаметр сверла, мм 30
Наибольшая масса оправки, устанавливаемой в магазине, кг 12/ 16 10/ 15
Електроустаткування і привод
Електродвигун приводу головного руху, кВт 6,3 15
Електродвигун переключения швидкостей шпинделя, кВт 0,01
Электродвигатели приводу подач (X, Y, Z) і поворота стола, кВт 1,1
Электродвигатели зажиму инструмента, кВт 0,18
Электродвигатели зажиму стола і шпиндельной головки, кВт 0,01
Электронасос охлаждающей жидкости, кВт 0,12
Електродвигун обертання магазина, кВт 0,4
Електродвигун автооператора, кВт 0,37
Електродвигун перегружателя, кВт 0,18
Електродвигун насоса змазки, кВт 0,25
Суммарная мощность установленных на станке електродвигателей, кВт 11,2
Габарити і масса верстата
Габарити верстата (длина ширина высота), мм 3470 х 2900 х 2825 3807 х 3065 х 2937
Масса верстата, кг 7250 12000

    Список литературы

  1. Грачев Л.Н. Конструкція і наладка верстатів з программным керуванням і роботизированных комплексов, 1986
  2. Панов Ф.С. Работа на верстатах з ЧПУ, 1984
  3. ГОСТ Р 50369—92. Электроприводы. Термины і определения, 1993. — 16 с.
  4. Завгороднев П.И. Работа оператора на верстатах з программным керуванням, 1981. — 136 с.
  5. Косовский В.Л. і др. Программное керування верстатами і промышленными роботами 1989
  6. Программное керування верстатами і промышленными роботами : учебник / [В.Л.Косовский, Ю.Г.Козырев, А.Н.Ковшов і др.], 1989. — 272 с.
  7. Сергиевский Л.В. Пособие наладчика верстатів з ЧПУ / Л. В. Сергиевский, В.В.Русланов, 1991. — 176 с.
  8. Соломенцев Ю.Н. Керування гибкими производственными системами / Ю. Н. Соломенцев, В.Л.Сосонкин, 1988. — 552 с.
  9. Сосонкин В.Л. Микропроцессорные системы числового программного керування верстатами / В.Л. Сосонкин, 1985. — 288 с.
  10. Черпаков Б.И. Металлорежущие верстати : Учебник для нач. проф. образования / Б. И. Черпаков, Т. А. Альперович, 2004. — 368 с.
  11. Числовое программное керування верстатами / [В.Л. Сосонкин, О. П. Михайлев, Ю. А Павлов і др.]; под ред. В. Л. Сосонкина, 1981. — 398 с.