metalinstryment.com
Довідник по металорізальних верстатів та пресовому обладнанні

ЦДК-5 Верстат многопильный прирезной для поздовжньої распиловки
Схеми, опис, характеристики

ЦДК-5 Верстат многопильный прирезной для поздовжньої распиловки







Відомості про виробника круглопильного верстата ЦДК-5

Производителем круглопильного прирезного верстата ЦДК-5 является Тюменский станкостроительный завод, основанный в 1899 году.

Выпуск первых прирезных многопильных верстатів был начат в 1959 году. С тех пор было освоено производство нескольких модификаций многопильных верстатів, каждая из которых была более совершенной по сравнению з предыдущими.





Верстати, выпускаемые Тюменским станкостроительным заводом


ЦДК-5 Верстат круглопильный прирезной для поздовжньої распиловки досок. Назначение, область применения

Многопильный прирезной верстат ЦДК-5 спроектирован на базе однопильного верстата ЦДК-4.

Верстат ЦДК-5 предназначен для чистой і точной прямолинейной поздовжньої распиловки в размер по ширине обрезных і необрезных досок і двухкантных брусьев толщиной до 150 мм (ЦДК 5-4) і шириной 10..315 мм на бруски требуемой ширины.

Многопильный верстат ЦДК-5 применяется в мебельном, столярном і в других деревообрабатывающих производствах. Особенно еффективно применение етого верстата при выпиливании заготовок со строго прямолинейными сторонами.

Принцип роботи і особливості конструкції верстата

Компоновка прирезного верстата ЦДК-5

Станина состоит из двух чугунных отливок коробчатой формы верхней і нижней.

В нижней частини спереди (по ходу распиливаемого материала) і в верхней частини сзади находятся шкафы для електроапаратури. В верхней частини смонтирован пильный вал, который частинично входит в суппорт, где устанавливается пила (пилы). В нижней частини на качающейся плите смонтирован електродвигатель пильного вала. Здесь же имеется натяжное пристрій для установки електродвигуна при изменении диаметра пилы (пил). На верхней стенке смонтирован механізм керування. Сзади в нижней частини укреплена плита, на которой смонтированы електродвигатель, вариатор і редуктор механізма, подачі.

Пильный вал

Пильный вал смонтирован на двух опорах в жестком корпусе, шарнирно закрепленном на верхней частини станины. Корпус в передньої частини имеет приливы, через которые проходит ось качения. В задньої частини корпуса имеются приливы для шарнирной подвески к винту подъема корпуса. Верхний конец гвинта подъема крепится в механізме керування.

На одном кінці пильного вала насажен шкив, на другом – установлена пила. Вместо одной пилы при распиловке тонких досок може быть установлено несколько, пил (не более 5-ти) з шириной постава не более 200 мм.

При установці нескольких пил необходимо изготовить і установить между пилами проставные кольца, соответствующие ширине выпиливаемых брусков і новый башмак з вырезами, соответствующими поставу пил.

Механізм керування

Механізм керування смонтирован в верхней частини станины і осуществляет вертикальное перемещение суппорта прижимных валков і пильного вала.

Рух от маховичка механізма к суппорту і пильному валу передається через систему цилиндрических і конических шестерен. Маховичок механізма имеет 2 крайних положения. В переднем крайнем положении осуществляется подъем і опускание пильного вала, в заднем – суппорта прижимных валков.

Ограждение пилы

Ограждение пилы, состоящее из двух качающихся листов, служит для предохранения работающих от вылета мелких обрезков і сучков сбоку. При распиловке широких досок і щитов листы при прохождении доски поднимаются.

Механізм противовыбрасывания

Механізм противовыбрасывания служит для предохранения от выбрасывания распиливаемой доски назад (на работающего). Механізм состоит из корпуса, в котором смонтированы 2 ряда когтей, пропускающих доски вперед і препятствующих обратному выходу.

В случае необходимости верхние когти могут быть подняты, а нижние опущены специальной рукояткой. При поднятии когтей рукояткой предусмотрена електроблокировка, обеспечивающая торможение пильного вала і механізма подачі




Електроустаткування верстата

  1. Електродвигун головного привода
  2. Електродвигун подачі
  3. Пусковую і защитную аппаратуру
  4. Электроаппаратуру, осуществляющую торможение головного приводу противотоком
  5. Электроаппаратуру блокировки
  6. Амперметр
  7. Электроаппаратуру местного освещения
  8. Пульт з кнопочными станціями

Установка РКС (Реле Контроля Скорости) електродвигуна головного привода

Для торможения вала електродвигуна головного приводу служит реле контроля скорости, которое крепится к кожуху двигуна з задньої стороны.

Установка РКС електродвигуна подачі

Для торможения ел. двигуна подачі служит реле контроля скорости, которое крепится к кожуху двигуна з задньої стороны.

Ограждение конвейерной ланцюги

Ограждение конвейерной ланцюги представляет из себя коробку, состоящую из 3-х стенок, закрывающую ланцюг спереди, сбоку (слева) і сзади. В случае надобности ограждение може быть снято, для чего необходимо отвернуть две специальные гайки.




Варіатор

Варіатор работает от отдельного електродвигуна подач і обеспечивает бесступенчатое регулювання швидкостей подачі (конвейерной ланцюги).

Бесступенчатое регулювання швидкостей подачі обеспечивается коническим фрикционным вариатором з диапазоном регулювання 1:5 і скоростью подачі U = 10..50 м/мин.

Електродвигун подач включается після увімкнення електродвигуна пильного вала.

Варіатор состоит из двух конусов-ведущего і ведомого. Изменение швидкостей осуществляется вхождением наружного ведущего конуса во внутренний ведомый, т. е. изменением диаметра касания ведущего конуса.

При етом ведомый конус компонуется з одноступенчатым редуктором, который свободно поворачивается вокруг оси при вхождении ведущего конуса. Осевое перемещение ведущего конуса осуществляется з помощью системы рейки-шестерни.

Прижим ведомого конуса к ведущему осуществляется реактивным моментом, воздействующим на корпус редуктора. Фиксирование ведущего конуса осуществляется специальной гайкой з рукояткой, вынесенной на переднюю стенку верхней частини станины. Последующее понижение скорости осуществляется трехступенчатым редуктором. На корпусе редуктора закреплено РКС, включенное в ланцюг торможения електродвигуна подачі, связанное з промежуточным валом редуктора.

Стол

Стол служит для направления распиливаемой доски. Крепится одной стороной к станине, другой – к балке, лежащей на двух кронштейнах, привернутых к нижней частини станины.

Спереди к столу устанавливается направляющая линейка, знизу – механізм змазки. В поперечном пазу стола размещен ряд нижних когтей противовыбрасывателя. Сзади на столе крепится щетка из стальной проволоки для сметания опилок з конвейера. В зоне пил под специальными планками крепятся 2 сегмента для направления "ныряющих" звеньев конвейера.

Конвейер

Конвейер служит для подачі распиливаемой доски і представляет из себя бесконечную ланцюг, собранную из окремих звеньев на осях, имеющих на концах ролики. Верх ланцюги представляет из себя рифленые площадки. Ланцюг приводится в рух двумя ведущими, звездочками, соединенными з осью редуктора специальной муфтой со срезным штифтом. С передньої стороны ланцюг огибается через две ведомых звездочки.

Ланцюг движется по специальным направляющим. При внезапных остановках пил, значительных перегрузках штифт срезается, чем предохраняет верстат от поломок і електродвигатели от длительных перегрузок.

Прижимной суппорт

Прижимной супорт служит для прижима распиливаемой доски к конвейерной ланцюги. При изменении толщины доски супорт перемещается в вертикальной плоскости по направляющим станины. Спереди і сзади пилы (пил) в суппорте размещено по паре подпружиненных прижимных вальцев, осуществляющих прижим доски. Спереди пилы имеется лоток для выхода опила і башмак, прижимающий конец распиливаемой доски.

Для того, чтобы прижим материала осуществлялся всегда в зоне різання, независимо от величины вертикального переміщення суппорта, оси башмака связаны рычажной системой з пильным валом і з суппортом через специальные направляющие. При изменении диаметра пилы расстояние осей башмака от пильного вала следует изменить і закрепить з помощью фиксатора. При перемещении суппорта башмак благодаря рычажной системе, связывающей его з пильным валом, поворачиваясь вокруг післяднего, сохраняет заданное при налаштуванні расстояние от пилы і таким образом осуществляет прижим в зоне різання.

Сверху суппорта, против лотка имеется горловина для удаления опила і присоединения к ексгаустерной сети. Для установки суппорта по высоте распиливаемой доски спереди справа имеется шкала. Подъем і опускание суппорта производится маховичком механізма керування.

Подача заготовок

Подача заготовок производится широкой (300 мм) конвейерной ланцюгю, движущейся по текстолитовым призматическим направляющим.

Под вращающейся пилкою направляющие имеют разрыв. Здесь установлены два сектора, обеспечивающие «ныряние» ланцюги. Благодаря етому зубья пил выходят из пропила і не касаются конвейера.

Прижим заготовок к ланцюги производится двумя парами не приводных подпружиненных роликов длиной 300 мм.

При использовании специальных пил обеспечивается более высокое качество поверхности распила.

Рабочие поверхности звеньев гусеницы рифленые, благодаря чему хорошо поддерживают распиливаемый материал.

Гусеницы двигаются по направляющим в углублениях стола і находятся на 0,5...1 мм выше его рабочей поверхности. Спереди і сзади пилы размещены прижимные ролики, которыми распиливаемая заготовка прижимается к гусенице.

На передньої частини стола находится направляющая линейка, которая передвигается і фиксируется вручную в зависимости от ширины распиливаемой заготовки, округляемой по измерительной шкале.

При помощи винтового пристроя з маховичками супорт з пильным валом поднимается или опускается.

Суппорт устанавливают так, чтобы пила углубилась в продольную прорезь, находящуюся посредине гусеницы, на 3...5 мм.

Спереди і сзади стола гусеница охватывает два туера (звездочки); один из них является ведущим і соединен з редуктором механізма подачі, имеющим свой електродвигатель.

Винтовой механізм з маховичком служит для регулировки суппорта з роликами по высоте при налаштуванні верстата на толщину заготовки.

Для предупреждения выбрасывания из верстата заготовок или отрезков на суппорте перед прижимными роликами подвешены упоры.

Над верстатом установлен ексгаустерный приемник, подсоединенный к сети пневмопривода.





Налаштування і наладка верстата ЦДК-5

Установка суппорта

Суппорт устанавливается в зависимости от толщины распиливаемой доски по шкале, имеющейся на суппорте. При правильной установці суппорта осуществляется нормальный прижим доски к ланцюги конвейера.

Установка пильного вала

Пильный вал необходимо установить так, чтобы нижние зубья находились ниже верхней плоскости конвейерной ланцюги на 3-4 мм (зоне ныряния гусеничной ланцюги).

Скорость подачі

Скорость подачі устанавливается при помощи маховичка керування вариатором і выбирается в зависимости от толщины распиливаемой доски по графику зависимости высоты пропила і числа пил. При острой пиле і распиловке сухого пиломатериала подача може быть несколько увеличена, і наоборот, при сыром материале і затупленной пиле подача должна быть уменьшена.

Распиловка несколькими пилами

Для распиловки несколькими пилами необходимо изготовить проставные кольца, соответствующие ширине вырезаемых реек, а также изготовить новый прижимной башмак з вырезами для пил. При распиловке несколькими пилами все пилы должны быть одинаковыми, т.е. одного диаметра, одной толщины, мати одинаковую заточку і разводку зубьев.

Наладка верстата

Регулювання взаимного розположення основних вузлів верстата производится на заводе изготовителе і поетому регулировать их при експлуатации не рекомендуется.

Регулювання натяжения ременной передачи пильного вала. Регулювання натяжения производится при перемене диаметра пилы. Осуществляется она вращением маховичка, установленного на передньої стенке станины.

Регулювання переміщення суппорта прижимных валков по направляющим. Перемещение суппорта без заедания і люфтов регулируется клином.

Регулювання натяжения ременной передачи варіатора. Для регулировки натяжения ремней варіатора необходимо ослабить 4 гайки, крепящие плиту електродвигуна, повернуть книзу стержень з шестигранником і вновь закрепить гайки.

Регулювання величины зазору между конусами варіатора. Зазор между ведущими і ведомыми конусами в крайнем выведенном положении получается регулюванням гвинта М 10х 50 К 22-2, который, упираясь своим концом в корпус одноступінчастого редуктора варіатора, поднимает или опускает его, і вместе з ним – ведомый конус. Нормальный зазор между конусами в етом положении должен быть 1-2 мм.


Модифікації круглопильного прирезного верстата ЦДК-5





Загальний вигляд круглопильного верстата ЦДК-5

Загальний вигляд  верстата ЦДК-5-3

Фото круглопильного верстата ЦДК-5-3

Фото круглопильного верстата ЦДК-5-3. Дивитись у збільшеному масштабі



Фото круглопильного верстата ЦДК-5-3

Фото круглопильного верстата ЦДК-5-3


Фото круглопильного верстата ЦДК-5-3

Фото круглопильного верстата ЦДК-5-3


Фото круглопильного верстата ЦДК-5-3

Фото круглопильного верстата ЦДК-5-3


Фото круглопильного верстата ЦДК-5

Фото круглопильного верстата ЦДК-5


Загальний вигляд  верстата ЦДК-5-3

Фото круглопильного верстата ЦДК-5-3

Фото круглопильного верстата ЦДК-5-3. Дивитись у збільшеному масштабі



Загальний вигляд  верстата ЦДК-5-3

Фото круглопильного верстата ЦДК-5-3

Фото круглопильного верстата ЦДК-5-3

Фото круглопильного верстата ЦДК-5-3


Схема многопильного прирезного верстата ЦДК-5

Схема многопильного прирезного верстата ЦДК-5

Схема многопильного прирезного верстата ЦДК-5. (Рис. 22 в)

Схема многопильного прирезного верстата ЦДК-5. Дивитись у збільшеному масштабі




ЦДК-5 Розташування складових частин круглопильного верстата

Розташування складових частин верстата ЦДК-5

Розташування складових частин круглопильного верстата ЦДК-5



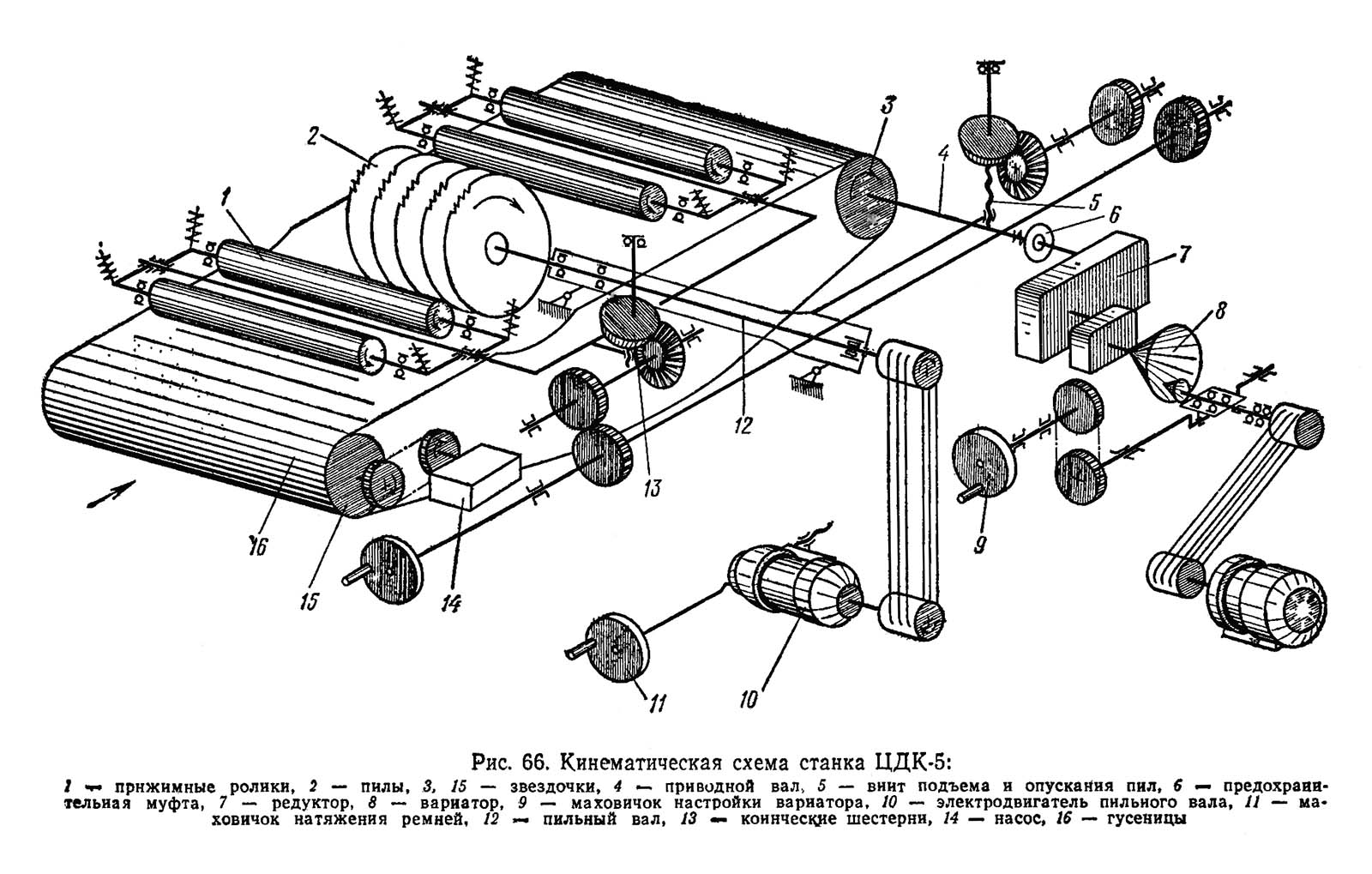
Схема кінематична верстата ЦДК-5

Кінематична схема круглопильного верстата ЦДК-5

Кінематична схема круглопильного верстата ЦДК-5

Кінематична схема круглопильного верстата ЦДК-5. Дивитись у збільшеному масштабі



Кінематична схема круглопильного верстата ЦДК-5

Кінематична схема круглопильного верстата ЦДК-5

Кінематична схема круглопильного верстата ЦДК-5. Дивитись у збільшеному масштабі



Регулювання прирезных круглопильных верстатів ЦДК-5

Крепление пил в круглопильном станке ЦДК-5

Крепление пил в круглопильном станке ЦДК-5


Регулювання прирезных круглопильных верстатів ЦДК-5

Регулювання прирезных круглопильных верстатів ЦДК-5

Регулювання прирезных круглопильных верстатів ЦДК-5. Дивитись у збільшеному масштабі



Наладка прирезных верстатів з конвейерной подачей

В прирезных верстатах з конвейерной подачей применяют круглые плоские пилы з разведенными зубьями.

Величина развода зубьев пил должна быть, мм:

При пилении древесины хвойных пород:

При пилении твердых лиственных пород - 0,30..0,50

Кроме того, на етих верстатах можно использовать строгальные пилы, а также пилы, зубья которых оснащены пластинами из твердого сплава. Применение таких пил обеспечивает значительное повышение периода их роботи і качества пиления. Заготовку необходимой толщины целесообразно распиливать пилкою наименьшего диаметра.

Устанавливают і закрепляют пилы на шпинделе прирезного верстата так же, как в верстатах з роликодисковий подачей.

При работе строгальными пилами или пилами, оснащенными пластинами из твердого сплава, шпиндель верстата должен удовлетворять повышенному требованию к точності его обертання. Торцовое биение опорной шайбы допускается не более 0,02 мм на радиусе 50 мм. Пилу устанавливают на шпиндель так, чтобы її вращение было направлено против руху конвейера.

Положение роликов регулируют по высоте контрольным бруском или шаблоном (рис. 9.13). Шаблон 3 устанавливают на конвейер 4 і опускают прижимный супорт так, чтобы между нижней поверхностью корпуса 1 і шаблоном образовался зазор 30 мм. Вращая верхние гайки 5, удлиняют или укорачивают рабочую часть стержней 6 подвески прижимных роликов і добиваются, чтобы ролики касались поверхности шаблона. Величину натяга или ослабления пружин 7, прижимающих ролики к обрабатываемому материалу, регулируют, вращая нижние гайки 8. При пилении древесины твердых пород натяг следует увеличить, а мягких —уменьшить.

Для обеспечения правильного базирования заготовки на конвейере оси роликов должны быть перпендикулярны направлению подачі. Отклонение от перпендикулярности устраняют, поворачивая конец оси 9 подвески ролика вместе з ползуном 77. После регулировки ползун надежно закрепляют болтом 70. Beличину і направление поворота роликов определяют при пилении пробных заготовок. Если пиленая поверхность будет выпуклой, концы осей подвески переднего і заднего роликов следует сблизить, если вогнутой — развести.

Положение пилы по высоте регулируют, вращая маховичок налаштування суппорта пилы. Зубья пилы должны располагаться посередине поздовжньої канавки конвейера і не касаться її дна (зазор 2 — 3 мм).

Положение прижимного суппорта по высоте определяется толщиной распиливаемого материала. Чрезмерное давление прижимных роликов ведет к порче заготовки і преждевременному износу механізма подачі, а недостаточный прижим — к выбросу заготовки или неточному пилению. Расстояние от конвейера до роликов должно быть на 2 — 3 мм меньше толщины распиливаемой заготовки. Прижимный супорт настраивают, вращая маховичок подъема суппорта. Величину переміщення отсчитывают по шкале, укрепленной на станине.

При выборе скорости подачі круглопильного верстата следует одновременно учесть предельно допускаемую загрузку двигуна приводу механізма різання і заданную шероховатость поверхности пропила.

Скорость подачі по условию предельно допускаемой загрузки двигуна выбирают в зависимости от высоты пропила:

При пилении сухих досок из древесины мягких хвойных пород острой, хорошо подготовленной пилкою скорость подачі можно увеличить. По мере затупления пилы или при пилении твердой сырой древесины скорость подачі следует уменьшить. Скорость подачі регулируют маховичком. После налагодження пускают верстат і распиливают пробные заготовки.

Ниже приводятся допускаемые отклонения выпиленных деталей, мм:

Шероховатость пиленой поверхности Rmmax при пилении пилами, мкм:

При подготовке к работе і наладке многопильных прирезных верстатів все пилы, устанавливаемые на шпинделе одновременно (блок пил), должны быть одного диаметра. Для многопильного прирезного верстата з конвейерной подачей начальный диаметр пилы составляет 400 мм, толщина 2,8 мм, число зубьев 36. Диаметр dш промежуточных колец должен быть равен диаметру прижимной шайбы. Толщину колец выбирают в зависимости от толщины выпиливаемой дощечки і величины развода на одну сторону пил.

После закрепления пил шпиндель регулируют по высоте з учетом розположення нижних зубьев пил над выемкой «ныряющего» конвейера з зазором 2 — 3 мм. Для пиления необрезных досок направляющую линейку перемещают в крайнее правое положение і в работе не используют.

Суммарный зазор между упорами когтевой защиты должен быть не более 1 мм. При превышении допустимого зазору необходимо установить новое компенсационное кольцо между набором упором і рамкой когтевой защиты.

В остальных случаях наладка многопильных верстатів аналогична наладке однопильных прирезных верстатів.





ЦДК-5 Верстат многопильный прирезной для поздовжньої распиловки. Відеоролик.




Технічні характеристики верстата ЦДК-5

* Толщина (высота) материала зависит от количества утановленных пил:

Наименование параметра ЦДК-4 ЦДК-5 ЦДК-5-2 ЦДК-5-3 ЦДК-5-4
Основні параметри верстата
Ширина обрабатываемого материала, мм 10..315 400 400 10..260 10..260
Толщина обрабатываемого материала, мм 10..100 10..100* 10..100 16..120 16..150
Наименьшая длина обрабатываемого материала, мм 250 250 500 500
Количество устанавливаемых неподвижных пил 1 5 5 5 8
Скорость подачі материала, м/мин 15; 22,5; 30; 45 10..50 10..50 5,5; 10,5; 4,5; 18,5 5,5; 10; 13,5; 27
Число оборотів пильного вала, об/мин 2930 3600 3600 2950
Диаметр дисковий пилы, мм 250..400 250..400 250..400 315..400 315..400
Електроустаткування верстата
Род тока питающей сети 380В 50Гц 380В 50Гц 380В 50Гц 380В 50Гц 380В 50Гц
Количество електродвигателей на станке, шт 2 2 2 2 2
Тип електродвигуна пилы АО2-51-2С1,М201 АО63-2 АО63-2
Електродвигун пилы, кВт (об/мин) 10 (2930) 14 (2930) 14 (2930) 30 37
Електродвигун подачі, кВт (об/мин) 1,2; 2,5; 3,4 2,8 2,8 2,4 2,4
Габарит і масса верстата
Габарит верстата (длна х ширина х высота), мм 2000 х 1670 х 1600 1935 х 1500 х 1355 3400 х 2950 х 1355 1930 х 1780 х 1630 2010 х 1880 х 1670
Масса верстата, кг 1750 2500 2750 2500 2300

    Список литературы:

  1. Афанасьев А.Ф. Резьба по дереву, Техника, Инструменты, Изделия, 2014
  2. Бобиков П.Д. Мебель своими руками, 2004
  3. Борисов И.Б. Обработка дерева, 1999
  4. Джексон А., Дей Д. Библия работ по дереву, 2015
  5. Золотая книга работ по дереву для владельца загородного участка, 2015
  6. Ильяев М.Д. Резьба по дереву, Уроки мастера, 2015
  7. Комаров Г.А. Четырехсторонние продольно-фрезерные верстати для обробки древесины, 1983
  8. Кондратьев Ю.Н., Питухин А.В... Технология изделий из древесины, Конструирование изделий і расчет материалов, 2014
  9. Коротков В. И. Деревообрабатывающие верстати, 2007
  10. Лявданская О.А., Любчич В.А., Бастаева Г.Т. Основы деревообробки, 2011
  11. Любченко В.И. Рейсмусовые верстати для обробки древесины, 1983
  12. Манжос Ф.М. Дереворежущие верстати, 1974
  13. Расев А.И., Косарин А.А. Гідротермическая обработка і консервирование древесины, учебное пособие, 2010
  14. Рыженко В.И. Полная енциклопедия художественных работ по дереву, 2010
  15. Рыкунин С.Н., Кандалина Л.Н. Технология деревообробки, 2005
  16. Симонов М.Н., Торговников Г.И. Окорочные верстати, 1990
  17. Соловьев А.А., Коротков В.И. Наладка деревообрабатывающего оборудования, 1987
  18. Суханов В.Г. Круглопильные верстати для распиловки древесины, 1984
  19. Фокин С.В., Шпортько О.Н. Деревообработка, Технологии і обладнання, 2017
  20. Хилтон Билл Работы по дереву, Полное руководство по изготовлению стильной мебели для дома, 2017