metalinstryment.com
Довідник по металорізальних верстатів та пресовому обладнанні

WM-Multi-03 Верстат комбинированный деревообрабатывающий
Схеми, опис, характеристики

WM-Multi-03 Верстат комбинированный деревообрабатывающий







Деревообрабатывающий многооперационный настільний верстат WM-Multi-03 поставляется компанией "Кратон", основаной в 1992 году сотрудниками Тихоокеанского Государственного университета. Торговая марка Кратон появилась в 1999 году. Центральный офис компании находится в городе Хабаровск.

Производственная база Кратон насчитывает 90 заводов в Юго-Восточной Азии і России, в числе которых крупнейшие промышленные предприятия, выпускающие продукцию ведущих мировых брендов.

На сегодняшний день Кратон является одним из крупнейших поставщиков електроинструмента, верстатів, сварочного оборудования і оснастки. В структуре компании - семь крупных филиалов, охватывающих все регионы страны і представительства в 80 городах.





Кратон WM-Multi-03 Верстат деревообрабатывающий многооперационный комбинированный. Назначение, область применения

Комбинированный деревообрабатывающий верстат «WM-Multi-03» (далее верстат) предназначен для обробки заготовок из древесины і подобных ей материалов (картона, фанеры, древесно-стружечных плит і т. п.) і позволяет выполнять наступні технологические операции:


Комбинированные верстати аналогичной конструкції, представленные в России


Отличительные особливості конструкції верстата:

На верстатах не допускается обработка металлов, асбоцементных материалов, камня і подобных материалов, мягких пластмассовых і резиноподобных материалов.

Верстат работает от однофазной сети переменного тока напряжением 220 В частотой 50 Гц.

Верстат може експлуатироваться в следующих условиях:





Комплект поставки комбинированного верстата WM-Multi-03


WM-Multi-03 Загальний вигляд комбинированного деревообрабатывающего верстата

Фото вигляд комбинированного верстата WM-Multi-03


Cклад комбинированного верстата WM-Multi-03 (рис.A, B, C)

Cклад комбинированного верстата WM-Multi-03 (рис.A)


Cклад комбинированного верстата WM-Multi-03


Верстат WM-Multi-03 состоит из следующих сборочных единиц і деталей:

  1. Рычаг поздовжньої подачі фрезерного суппорта
  2. Струбцина
  3. Електродвигун
  4. Стол строгальный нерухомий
  5. Кулиса
  6. Фиксатор
  7. Защитное ограждение
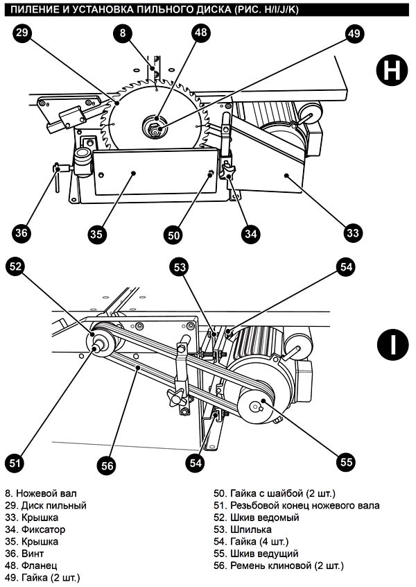
  8. Ножевой вал
  9. Линейка направляющая
  10. Стол строгальный подвижный
  11. Рукоятка
  12. Фиксатор
  13. Рукоятка регулювання глубины строгания
  14. Шнур електроживлення з вилкой
  15. Коробка електровыключателей
  16. Основание верстата
  17. Рычаг поперечної подачі фрезерного суппорта
  18. Патрон сверлильный
  19. Фрезерный суппорт
  20. Фиксатор
  21. Фиксатор
  22. Винт подачі фрезерного суппорта по вертикали
  23. Винт заземления
  24. Планка направляющая
  25. Стол пильный
  26. Упор
  27. Стол для поперечного пиления
  28. Кожух защитный
  29. Диск пильный
  30. Патрубок для подключения промышленного пылесоса
  31. Фиксатор
  32. Нож расклинивающий
  33. Крышка
  34. Фиксатор
  35. Крышка
  36. Винт
  37. Угломер
  38. Фиксатор




Пристрій комбинированного верстата WM-Multi-03

Пристрій верстата представлено на рис. А, В і С. На основании 16 закреплены і смонтированы основні исполнительные вузли, механізмы руху і подач верстата.

От електродвигуна 3 крутящий момент через клиноременную передачу верстата передається на ножевой вал 8. На ножевом валу 8, в зависимости от вида выполняемой операции, устанавливается режущий инструмент верстата (диск пильный 29, строгальные ножи) і сверлильный патрон 18.

Сверлильный патрон 18 предназначен для зажиму хвостовиков сверл или фрез.

На боковой поверхности основания верстата 16 смонтирован фрезерный суппорт 19, предназначенный для выполнения сверлильных і фрезерных операций. Керування фрезерным суппортом 19 осуществляется рычагами 1 і 17 і винтом 22 в трех координатных осях (продольная, поперечная і вертикальная подачі). На фрезерном суппорте 19 закреплена струбцина 2, предназначенная для зажиму заготовки при выполнении сверлильных і фрезерных работ. Стопорение і предварительное регулювання положения фрезерного суппорта 19 при сверлении (фрезеровании) осуществляют з помощью фиксаторов 20 і 21.

Столы 4 і 10 образуют собой строгальный стол верстата і предназначены для выполнения операции фугования. Путем обертання рукоятки 13 механізма переміщення подвижного строгального стола 10 производят регулировку глубины різання при выполнении операции фугования. Стопорение механізма переміщення подвижного строгального стола 10 в выбранном положении производят з помощью фиксатора 12. Процесс різання заготовки при выполнении операции фугования выполняется строгальными ножами, закрепленными на ножевом валу 8.

Стол пильный 25 предназначен для выполнения операции пиления. Процесс пиления заготовки осуществляется непосредственно вращающимся пильным диском 29.

Поперечное пиление деревянных заготовок осуществляется на столе 27, который може перемещаться в горизонтальной плоскости по планке направляющей 24. Поперечное пиление заготовки под необходимым углом (до 45°) выполняется з помощью упора 26. Налаштування упора 26 на необходимый угол пиления выполняется по угломеру 37 з післядующим стопорением з помощью фиксатора 38. На станке предусмотрена возможность демонтажу і регулировки положения стола пильного 25. Стопорение пильного стола 25 в выбранном положении осуществляется з помощью гвинта 36 і фиксатора 34.

Для придания правильного направления подачі і обеспечения перпендикулярности кромок заготовки при строгании (пилении) на станке установлена линейка направляющая 9. Стопорение линейки направляющей 9 в выбранном положении осуществляют при помощи рукоятки 11. С помощью линейки направляющей 9 на данном станке можно также осуществлять наклонное строгание (пиление) деревянной заготовки.

На кулисе 5 з помощью фиксатора 6 закреплено защитное ограждение 7 ножевого вала 8. Защитное ограждение 7, кожух защитный 28, крышки 33 і 35 є предохранительными пристроями і защищают станочника от травм і от случайного соприкосновения з вращающимися ножевым валом 8, пильным диском 29 і з клиноременной передачей верстата. Регулировку степени подвижности защитного кожуха 28 выполняют з помощью фиксатора 31. Расклинивающий нож 32 предотвращает отдачу і заклинивание заготовки при пилении.

Электроенергия к верстату подводится шнуром електроживлення з вилкой 14. В случае отсутствия специальной линии предусмотрено заземление верстата з помощью гвинта 23. В коробке електровыключателей 15 расположен переключатель направления обертання вала електродвигуна 3, являющийся одновременно выключателем електроживлення верстата.

Через патрубок 30 производится подключение верстата к промышленному пылесосу.


Фугование і установка (замена) строгальных ножей на станке WM-Multi-03 (рис. E,F)

Фугование і установка (замена) строгальных ножей на станке WM-Multi-03 (рис. E/F)





Заточка строгальных ножей для верстата WM-Multi-03 (Рис.G)

Заточка строгальных ножей для верстата WM-Multi-03


Пиление і установка пильного диска на верстат WM-Multi-03 (Рис.H,I,J,K)

Пиление і установка пильного диска на верстат WM-Multi-033


Операции, выполняемые на фрезерном суппорте верстата WM-Multi-03 (Рис. L,М)

Операции, выполняемые на фрезерном суппорте на верстата WM-Multi-03 (Рис. L,М)





Схема сборки верстата WM-Multi-03 №1

Схема сборки верстата WM-Multi-03 №1

Схема сборки верстата WM-Multi-03 №1. Дивитись у збільшеному масштабі


Схема сборки верстата WM-Multi-03 №2

Схема сборки верстата WM-Multi-03 №2

Схема сборки верстата WM-Multi-03 №2. Дивитись у збільшеному масштабі


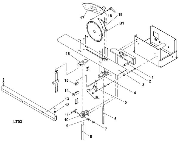
Схема сборки верстата WM-Multi-03 №3

Схема сборки верстата WM-Multi-03 №3

Схема сборки верстата WM-Multi-03 №3. Дивитись у збільшеному масштабі


Схема сборки верстата WM-Multi-03 №4

Схема сборки верстата WM-Multi-03 №4


Схема сборки верстата WM-Multi-03 №5

Схема сборки верстата WM-Multi-03 №5




Технічні характеристики комбинированного верстата WM-Multi-03

Наименование параметра WM-Multi-03
Фугование (строгание). Основні параметри верстата
Наибольшая ширина обрабатываемого материала, мм 200
Наибольшая глубина снимаемого слоя, мм 3
Частота обертання шпинделя, об/мин 3500
Диаметр корпуса ножевого (строгального) вала, мм 125
Размер строгального ножа, мм 210 х 30 х 3
Количество строгальных ножей 3
Размер строгального стола, мм 960 х 210
Наклонное строгание по направляющей планке, град 45
Пиление. Основні параметри верстата
Диаметр шпинделя, мм 20
Частота обертання шпинделя, об/мин 3500
Диаметр пильного диска, мм 250 х 30
Максимальный размер поперечного пиления, мм 300
Максимальная глубина пиления, мм 70
Косое пиление по направляющей планке, град 45
Размер рабочей поверхности пильного стола, мм
Размер рабочей поверхности суппорта пильного стола, мм
Сверление. Фрезерование. Основні параметри верстата
Диаметр шпинделя, мм В16
Максимальная глубина сверления, мм 90
Диаметр сверления, мм 1,5..13
Размер рабочей поверхности сверлильного суппорта, мм
Поперечный ход суппорта (подвижного стола), мм 110
Продольный ход робочого суппорта, мм 95
Вертикальный ход суппорта, мм 80
Електроустаткування верстата
Род тока питающей сети 220В 50Гц
Количество електродвигателей на станке, шт 1
Електродвигун - номинальная мощность, кВт 1,5
Габарит і масса верстата
Габарит верстата (длна х ширина х высота), мм 1070 х 11150 х 530
Масса верстата, кг 100