Виробник і розробник токарно-револьверного верстата моделі 1Е140, 1Е125 - Хабарівський верстатобудівний завод.
Хабарівський верстатобудівний завод у різні роки випускав, також, моделі 1Е140 (1Е125), 1П140 (1П125, 1П165), 1Г140П (1Г125П, 1Г165П), 1Б140П (1Б125П) 1
На жаль завод збанкрутував у 2005 році.
Автомати токарно-револьверні одношпиндельні пруткові моделі 1Е140, 1Е140п і 1е125, 1Е125п призначені для токарної обробки деталей типу тіл обертання з діаметральними розмірами відповідно до 40 і 25 мм і довжиною до 10 та шестигранного каліброваного прутка не нижче 4 класу точності за ГОСТ 7417-75, ГОСТ 8559-75х та ГОСТ 8560-67 в умовах масового та серійного виробництва. При застосуванні групової обробки деталей автомати можуть ефективно використовуватись у дрібносерійному виробництві.
Автомат 1Е140 призначений в основному для обробки кольорових металів та їх сплавів, можлива також обробка сталей.
Всі операції, крім завантаження прутка, автоматизовані.
У виконанні автомата 1Е140 передбачено:
Автомат 1Е140 має супорти:
Привід шпинделя — від електродвигуна через коробку швидкостей з електромагнітними муфтами та плоскозубчасту ременну передачу.
Автоматична зміна швидкості шпинделя здійснюється командоапаратом за допомогою перемикання електромуфт.
Привід допоміжного руху — від електродвигуна головного приводу через плоскозубчасту ремінну передачу та трензель.
Для скорочення часу на неодружені ходи та переналагодження в автоматі передбачено швидке обертання розподільчого валу та знімний блок кулачків поперечних супортів.
Всі механізми та робочі вузли верстата рухаються від кулачків допоміжного та розподільчого валів.
В автоматі програмуються в циклі частота обертання шпинделя, включення електродвигуна пристрійй, гальмування шпинделя та швидке обертання розподільчого валу. Автомат має блокувальні та запобіжні пристрої для забезпечення вимог техніки безпеки.
Автомат 1Е140 в основному виконанні постачається:
Крім того, автомат може поставлятися:
Шорсткість обробленої поверхні V 6 по сталі, V 7 за кольоровими металами.
Точність обробки 3 клас, з каліброваного прутка не нижче 4 класу.
Клас точності автомата - Н, П за ГОСТ 8-82Е.
Умови експлуатації автомата - УХЛ4 за ГОСТ 15150-69.
Всі операції, крім завантаження прутка, автоматизовані. Верстат можна вбудовувати в автоматичну лінію.
У конструкції автомата передбачені: застосування гідростатичних опор у шпиндельній бабці верстата; револьверний супорт з V-подібною напрямною та фіксуванням револьверної головки на зубчастиний вінець.
Привід шпинделя здійснюється від електродвигуна через коробку швидкостей з електромагнітними муфтами та клинопасову передачу. Автоматичне зміна швидкості здійснюється командоапаратом за допомогою електромуфт. Привід допоміжного руху - від електродвигуна приводу допоміжного валу через ланцюгову та зубчасту передачі. Для скорочення часу на неодружені ходи та переналагодження в автоматі передбачені швидке обертання розподільчого валу та знімний блок кулачків поперечних супортів. Всі механізми та робочі вузли верстата рухаються від кулачків розподільчого та допоміжного валів.
В автоматі програмуються у циклі:
Автомат 1Е140 має блокувальні та запобіжні пристрої для забезпечення вимог техніки безпеки.
Верстат можна вбудовувати в автоматичну лінію.
Токарно-револьверні автомати моделей 1е140 та 1Б125 відрізняються між собою пристроєм шпиндельної бабки та комплектацією приладдям.
Клас точності автомата Н за ГОСТ 8—82Е.
Умови експлуатації автомата - УХЛ4 за ГОСТ 15150-69.
Синоніми: токарно-револьверний верстат, револьверний верстат, токарно-револьверний напівавтомат, токарно-револьверний автомат, turret lathe, automatic turret lathe.

Принцип роботи токарно-револьверного автомата
На відміну від автоматів поздовжнього точення шпиндельна бабка 1 токарно-револьверного автомата встановлена на станині жорстко і поздовжнього переміщення не має (рис. 81).
Для нарізування різьблення на заготовці різьбонарізним інструментом, що не обертається, шпиндель 2 автомата обертається у двох напрямках:
Крім поперечних супортів 3 токарно-револьверний автомат має поздовжній револьверний супорт 5, на якому встановлена поворотна шестипозиційна (I-VI) револьверна головка 4 з інструментами для обробки поздовжньою подачею. В одній позиції револьверної головки встановлюється спеціальний упор 6, що обмежує величину подачі дроту 7.
Наявність в токарно-револьверних автоматах трьох (а в деяких і чотирьох) поперечних супортів і поздовжнього револьверного супорта значно розширює їх технологічні можливості порівняно з автоматами поздовжнього точення і дозволяє обробляти на них досить складні заготовки із застосуванням великої кількості різноманітних різальних інструментів. Застосування спеціальних пристроїв ще більше розширює їх технологічні можливості.
Більшість робочих операцій виконується при швидшому лівому обертанні шпинделя, а такі операції, як нарізання різьблення, розгортання та деякі інші, - при більш повільному правому обертанні шпинделя. Перемикання напрямків обертання шпинделя здійснюється автоматично.
Недоліком токарно-револьверних автоматів є необхідність подавати пруток відразу на всю довжину оброблюваної заготовки. При великому вильоті l прутка зі шпинделя він прогинатматися під дією сили різання Рz, що призводитиме до зниження точності обробки.

Схема обробки заготовки на токарно-револьверному автоматі
Схема обробки заготовки на токарно-револьвер . Дивитись у збільшеному масштабі
На рис. 82 показано обробку заготівлі типової деталі на токарно-револьверному автоматі. Після відрізки деталі та відходу відрізного різця проводиться швидка подача дроту до упору (I) відразу на всю довжину заготовки. Потім проводиться послідовна обробка заготівлі різальними інструментами (II-VII), що встановлюються в робочу позицію при періодичному повороті револьверної головки, та інструментами поперечних супортів.
Приклад позначення одношпиндельних автоматів та напівавтоматів: 1Б140, 1Е140, 1П140, 1Г140П, 1І125П, 1І140П, 1І165П.
Розробник: Ленінградське СКБ прецизійного верстатобудування, м. Ленінград.
Виробник: Хабарівський верстатобудівний завод, м. Хабаровськ.

Габарит робочого простору револьверного верстата 1е140
Габарит робочого верстата 1Е140, 1Е125. Дивитись у збільшеному масштабі

Фото токарно-револьверного верстата 1е140

Фото супортів токарно-револьверного верстата 1е140

Фото токарно-револьверного верстата 1е140

Фото токарно-револьверного верстата 1е140
Фото токарного револьверного верстата. Дивитись у збільшеному масштабі

Фото токарно-револьверного верстата 1е140
Фото токарного револьверного верстата. Дивитись у збільшеному масштабі

Розташування складових частинин револьверного верстата 1е140
Розташування складових частинин револьверного верстата. Дивитись у збільшеному масштабі

Розташування органів керування револьверним верстатом 1е140
Розташування органів керування револьверним верстатом 1е140. Дивитись у збільшеному масштабі
Пульт керування револьверним верстатом 1е140

Перелік органів керування токарно-револьверного верстата 1Е140, 1Е125
Перелік органів керування токарно0 , 1Е125. Дивитись у збільшеному масштабі

Перелік органів керування токарно-револьверного верстата 1Е140, 1Е125
Перелік органів керування токарно0 , 1Е125. Дивитись у збільшеному масштабі

Перелік органів керуванняення токарно-револьверного верстата 1Е140, 1Е125
Перелік органів керування токарно0 , 1Е125. Дивитись у збільшеному масштабі
На верстаті встановлені чотири трифазні асинхронні короткозамкнуті електродвигуни (рис.16 і рис.17).
В електросхемі верстата можуть застосовуватися такі величини напруги:
Електродвигуни верстата
Апаратура керування розміщена в поворотній електрошафі, розташованій позаду верстата на стійці порталу.
Для регулювання швидкості обертання шпинделя на автоматі встановлено коробку швидкостей АКC2-206-63-II з електромагнітними муфтами типу ЕТМ, позначеними на схемі У1...У5.
Для включення прискореного ходу розподільчих валів у коробці подач встановлено електромагнітну муфту У6 типу ЕТМ-074-I.
Для керування роботою електромагнітних муфт У1....У6 та додаткових пристроїв є командоапарат та налагоджувальний пульт, розміщений на електрошафі (див. рис. 26, 27).
На бічній стінці налагоджувального пульта встановлено ввідний автомат Qp1.
При початковому пуску автомата необхідно передусім перевірити надійність заземлення та якість монтажу електроустаткування зовнішнім оглядом.
Після огляду на клемних наборах в електрошафі відключити дроти живлення всіх електродвигунів.
За допомогою ввідного автомата QF1 підключити електроустаткування верстата до мережі.
За допомогою кнопок та перемикачів перевірити чіткість спрацьовування магнітних пускачів та реле.
Схема електрична принципова наведена на рис. 28
У таблиці 16 наведено перелік елементів у схемі.
Перед початком роботи необхідно переконатися, що всі захисні автоматичні перемикачі включені.
Вступним автоматичним вимикачем QF1 електрообладнання автомата підключається до мережі. Подається живлення в ланцюзі керування та сигналізації. Загоряються сигнальні лампи HL1 - "Електромережа підключена", HL2 - "Автомат вимкнено", HL3 - "Двигун насоса мастила вимкнено". Вимикаються реле KU1, KU2, KU3, що контролюють наявність напруги в ланцюгах керування постійного струму. Зарядним струмом конденсатора С9 включається реле K1, світиться світлодіод B1, видається перша команда в ланцюг керування муфтами і додатковими пристроями. Через розмикаючий контакт KM1 видається сигнал на входи напівпровідникових підсилювачів (рис.32,33) A1 і А2, включаються муфти У1 і У2 - вал електродвигуна М1 загальмований.
Кнопкою SB2 включаються магнітні пускачі KM1 та КМ2 (якщо в момент пуску кінцевий вимикач SQ5 був натиснутий, то кнопку слід утримати натиснутою 1..2 сек.).
Відключаються лампи HL2, НL3 та електромагнітні муфти У1, У2. Розгальмовується вал електродвигуна М1.
Підключаються до мережі електродвигуни головного приводу Ml, приводу насоса охолодження М2, приводу насоса мастила КЗ.
При збільшенні тиску в системі мастила спрацьовує реле тиску SP. Магнітні пускачі KM1 та КМ2 стають на самоблокування.
Включаються реле часу KT1 та електромагніт У7 гідророзподільника подачі олії до тупикових точок мастила. Через 1.2 сек. контактом KT1 включається реле часу КТ2 із самоблокуванням, яке розмикаючим контактом 20-21 відключає KT1 та У7. Через витримку часу 10 хв. розмикаючим контактом КТ2 6-20 відключається котушка реле КТ2. Замикаються контакти КТ2 6-20 та 20-21, розмикається контакт 20-22 Знову вмикається KT1. Надалі робота реле KT1 і КТ2 повторюється до відключення головного приводу або приводу мастила.
Увімкнення електромагнітних муфт та додаткових пристроїв відбувається через командоапарат та налагоджувальний пульт.
Автомат зупиняється кнопкою SB1 "Стоп", розташованою на пульті керування або SB5на налагоджувальному пульті. У цьому відключаються магнітні пускачі КМ1 і КМ2, замикаючі контакти яких відключають електродвигуни М1...М3, і навіть розривають ланцюг живлення електромагнітних муфт УЗ...У6. Включаються електромагнітні муфти У1 та У2 - гальмується вал електродвигуна М1. Загоряються сигнальні лампи HL2 та HL3.
Кнопкою SB4 на пульті керування включається муфта У6 - прискореного обертання розподільчого валу. Користуватися цією кнопкою слід лише при налагодженні автомата.
На правій панелі пульта налагодження (див. мал. 30) розташовані наступні апарати керування:
Схема являє собою пристрій з двома входами, що здійснюються мікроперемикачами SU1 і SU2 (див.рис.26,31) та вісьмома послідовними виходами, що реалізуються реле K1...K8, що відповідає числу команд у циклі. Видача команд сигналізується запаленням світлодіодів BI...B2 на пульті налагодження.
Команди з SQ1 та SQ2 видаються від ригелів розподільного валу, які встановлюються за заданою програмою роботи автомата. SQ1 та SQ2 повинні спрацьовувати по черзі. Послідовне багаторазове натискання на той самий мікроперемикач не реалізується в команду на виході. Від SQ1 сигнали з'являються на виводі 116 лише при звільненні SQ2. Від них включається одне з непарних реле К1, К3, К5, К7. При натисканні SQ2 перериваються сигнали з SQI і видаються на висновок 117 від яких включається одне з парних реле К2, К4, К6, К8.
При подачі напруги в схему завжди включається реле K1 (див. вище) видається перша команда через замикаючий контакт K1 109-141, світиться світлодіод B1. При натисканні SQ2 через замикаючий контакт K1 117-122 включається із самоблокуванням реле К2, розмикаючим контактом якого 104-131 вимикається реле K1. Видається друга команда через контакт К2 109-142, спалахує світлодіод В2. При натисканні SQ1 сигнал на виводі 116 з'явиться тільки при відпусканні SQ2. Аналогічно включається реле К3. Видається 3 команда тощо. Після спрацювання реле К8 знову вмикається реле K1. Починається новий цикл.
Кількість команд у циклі можна зменшити до 2, 4 та 6 за допомогою перемикачів S33, S34, S35. При встановленні ручок перемикачів праворуч, що відповідає положенню контактів, зображеному на схемі, забезпечується проходження 8-ми команд. При встановленні вліво:
Команди, що видаються, перетворюються заздалегідь програмований режим. роботи верстата через налагоджувальний пульт.
Многопозиційними перемикачами S1... S8 здійснюється вибір швидкості шпинделя згідно таблиці на панелі пульта. При встановленні перемикачів у положення 8...10 та 0 усі муфти У1...У5 відключені, що відповідає режиму "звільнення шпинделя при увімкненому електродвигуні".
Перемикачами S9... S16 здійснюється включення муфти У6 - прискореного обертання розподільчого валу.
Перемикачами S17... S24 - включається реле К9, магнітний пускач К3 та двигун приводу додаткових пристроїв М4.
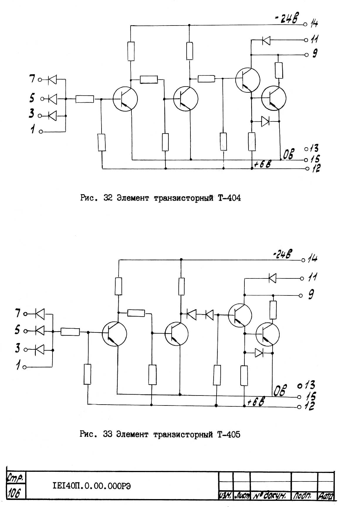
Включення муфт У1...У6 і реле К9 відбувається через напівпровідникові підсилювачі A1...A7 типу Т404 і Т405 (див. рис. 32, 33) навантаження включається при подачі сигналу на будь-який вход підсилювача. Під час зняття сигналу навантаження вимикається. Величина сигналу має бути в межах -4...-12В (у діючій схемі - 12В). За відсутності сигналу величина напруги на вході не повинна перевищувати 1 B.
Головний привід вмикається лише після насоса мастила.
При падінні тиску в системі мастила відбувається відключення автомата (розмикається контакт SP).
При спрацьовуванні запобіжної муфти допоміжного валу від перевантаження та при закінченні дроту кінцевий вимикач SQ5 відключає верстат.
При переміщенні переднього рухомого щита, що закриває зону різання, верстат відключається мікроперемикачем SQ6.
Схема дозволяє вмикати муфту коробки швидкостей тільки в наступних поєднаннях:
Звільнення шпинделя при увімкненому електродвигуні відбувається при відключенні всіх муфт.
Включення електромагнітних муфт У3...У6 можливе лише після включення електродвигуна приводу шпинделя Ml.
Захист електроустаткування від струмів короткого замикання здійснюється автоматичними вимикачами QF1... QF3, FS5... FS7 І плавкими запобіжниками FU1...FU9.
Захист електродвигунів від тривалих перевантажень здійснюється тепловими реле FS1...FS4.
Вступний автомат QF1 має пристрій для замикання у вимкненому положенні.
Дверцята електрошафи відкриваються спеціальним ключем. Огляд та налагоджувальні роботи при відчинених дверцятах повинен проводитися лише спеціальним обслуговуючим персоналом, допущеним до виконання таких робіт.

Електрична схема токарно-револьверного верстата 1Е140
Схема електрична токарно-револьвер1. Дивитись у збільшеному масштабі

Електрична схема токарно-револьверного верстата 1Е140
Схема електрична токарно-револьвер1. Дивитись у збільшеному масштабі

Електрична схема токарно-револьверного верстата 1Е140
Схема електрична токарно-револьвер1. Дивитись у збільшеному масштабі

Електрична схема токарно-револьверного верстата 1Е140
Схема електрична токарно-револьвер1. Дивитись у збільшеному масштабі

Перелік елементів токарно-револьверного верстата 1Е140
Перелік елементів токарно-револь , 1Е125. Дивитись у збільшеному масштабі

Перелік елементів токарно-револьверного верстата 1Е140
Перелік елементів токарно-револь , 1Е125. Дивитись у збільшеному масштабі

Перелік елементів токарно-револьверного верстата 1Е140
Перічка елементів токарно-револьверного верстата 1Е140, 1Е125. Дивитись у збільшеному масштабі

Перелік елементів токарно-револьверного верстата 1Е140
Перелік елементів токарно-револь , 1Е125. Дивитись у збільшеному масштабі

Технічні характеристики верстата 1е140
Технічні характеристики верстата 1Е140. Технічні характеристики верстата 1Е140. Дивитись у збільшеному масштабі