Виробник координатно-розточувального верстата 2А430 Каунаський верстатобудівний завод ім. Дзержинського, Koordinate м. Каунас Литва.
Верстат координатно-розточувальний 2А430 вироблявся починаючи з 1971 року. Нині знято з виробництва.
Координатно-розточувальний верстат 2А430 призначений для обробки точно розташованих отворів у деталях малих та середніх розмірів.
Верстат 2А430 дозволяє проводити чистове фрезерування площин і виміри готових виробів - перевірку координат розточених отворів.
Координатно-розточувальний верстат 2А430 - одностоєчний з «хрестовим» столом розмірами 270 х 470 мм, індуктивної вимірювальної системи з гвинтовими прохідними датчиками, пристроєм для попереднього набору координат та автоматичною зупинкою столу та санок у заданому положенні. На верстаті є корекційний диск, кінематично пов'язаний з переміщенням столу, і передача важеля, що зміщує ноніусну шкалу.
Точність відстані між осями розточених отворів 0,006 мм, точність діаметра розточених отворів 0,004 мм.
Для обробки кінцінтрично та похило розташованих отворів до верстата додаються простий та універсальний ділильні столи.
Крім того, до верстата додаються різні допоміжні приналежності та спеціальний різальний інструмент, що значно розширює його експлуатаційні можливості.
Раціональне використання верстата 2А430 при дбайливому відношенні до нього є запорукою тривалого збереження точності його основних робочих елементів та якісної обробки виробів.
Точні відстані між осями оброблених отворів та прийнятими базовими поверхнями отримують без застосування будь-яких пристроїв для спрямування інструменту.
Для точного відліку переміщень рухомих вузлів верстат має спеціальні пристрої:
Верстат 2А430 забезпечений хрестовим столом, який може переміщатися у двох взаємно перпендикулярних напрямках (подовжньому та поперечному).
Шпиндель має обертальний рух та рух подачі в осьовому напрямку.
Координатно-розточувальний верстат 2А430 можна використовувати і як вимірювальну машину для перевірки розмірів деталей та особливо точних розмічувальних робіт.
Синоніми: координатно-розточувальний верстат, координатно-розточувальний верстат, jig boring machine.
Координатно-розточувальні верстати призначені для обробки отворів у кондукторах, пристрійх та деталях, для яких потрібна висока точність взаємного розташування отворів (в межах 0,005 - 0,001 мм), без застосування пристосувань для спрямування інструменту.
Для забезпечення більш точної відстані між центрами отворів координатно-розточувальні верстати повинні бути встановлені в окремих приміщеннях, в яких завжди необхідно підтримувати постійну температуру +20° З відхиленням не більше ніж ±1°.
Вимір відстані між осями отворів можна здійснити за допомогою:
За першим способом вимірюють набором кінцевих заходів та штихмасом . Вони розташовуються між рухомим упором, встановленим на столі, та штифтом індикатора, встановленого на нерухомій стійці.
За другим способом вимірюють за допомогою точно виготовлених ходових гвинтів , які призначені для переміщення столу та інших частинин. Величину переміщення відраховують лімб з ноніусом. Для усунення помилок ходового ггвинта часто застосовують корекційні лінійки, які через важільну систему виробляють додаткове переміщення столу.
Відлік вимірювання за третім способом здійснюється за дуже точним масштабом, що спостерігається через мікроскоп . Масштабом служить дзеркальний сталевий вал з нанесеною на поверхні гвинтовою тонкою ризиком з кроком t = 2 мм або у вигляді плоскої дзеркальної шкали. Перевагою цього способу вимірювання є відсутність зношування дзеркального валу або дзеркальної шкали, які не використовуються для пересування столу.
Четвертий спосіб вимірювання із застосуванням індуктивних гвинтових прохідних датчиків забезпечує можливість дистанційного менш стомлюючого спостереження стрілки та шкали електроіндикатора.

Габарит робочого простору верстата 2а430

Посадочні та приєднувальні бази розточувального верстата 2а430

Фото координатно-розточувального верстата 2а430

Фото координатно-розточувального верстата 2а430

Фото координатно-розточувального верстата 2а430

Фото координатно-розточувального верстата 2а430

Фото координатно-розточувального верстата 2а430

Розташування органів керування координатно-розточувальним верстатом 2а430
Живлення ланцюгів електроустаткування здійснюється наступними напругами:
Електроустаткування верстата призначене для підключення до трифазної мережі змінного струму з глухозаземленим або ізольованим нейтральним дротом.
На верстаті встановлено два трифазні короткозамкнені асинхронні електродвигуни:

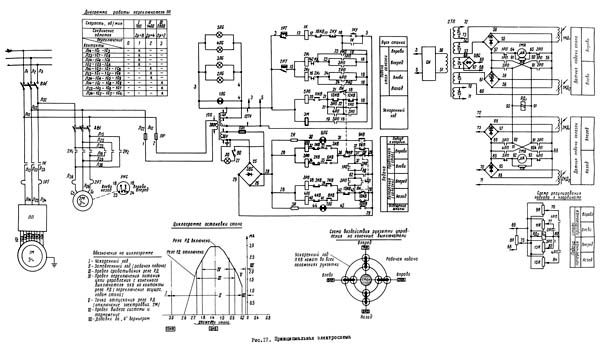
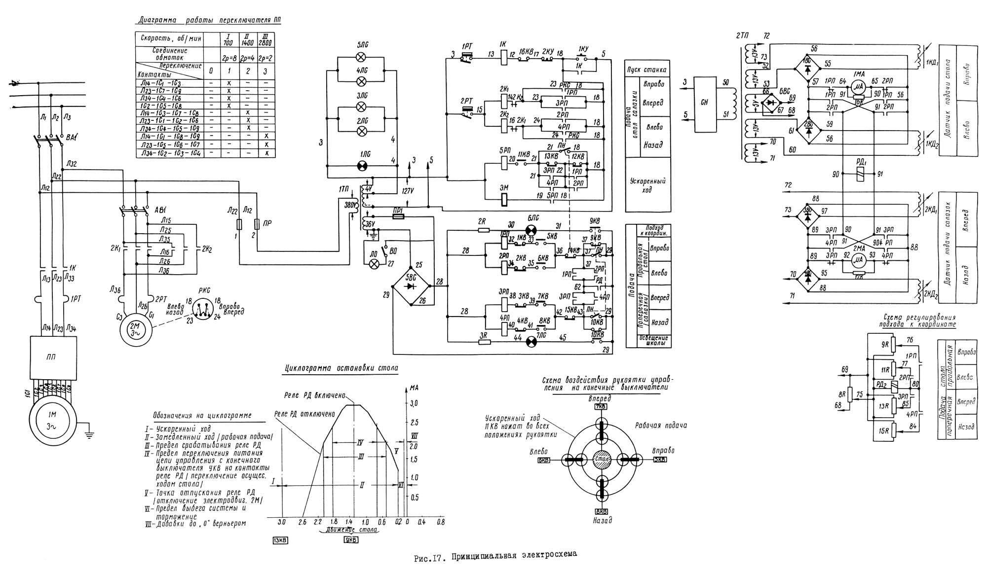
Електрична схема координатно-расточного верстата 2а430
Схема електрична координатно-расточного верстата 2А430. Дивитись у збільшеному масштабі

Список елементів електроустаткування на расточном станке 2а430

Список елементів електроустаткування на расточном станке 2а430

Схема розміщення електроустаткування на расточном станке 2а430

Схема розміщення електроустаткування на расточном станке 2а430
Захист елементів електроустаткування верстата от токов короткого замыкания осуществляется плавкими предохранителями.
Захист електродвигателей от перегрузки осуществляется тепловыми реле.
Нулевая защита осуществляется катушкой пускателя 1К.
В верхнем положении головки електродвигатель приводу обертання шпинделя 1М автоматически отключается. Блокировка осуществляется конечными выключателями 14КВ і 15КВ.
При перемещении салазок или стола крайние положения електродвигатель автоматически отключается, прекращая дальнейшее движение. Блокировка осуществляется конечными выключателями 1КВ, 2КВ, 3КВ і 4КВ.
| Наименование параметра | 2431СФ10 | 2а430 |
|---|---|---|
| Основні параметри верстата | ||
| Класс точності по ГОСТ 8-82Е | С | А |
| Наибольший диаметр сверления в стали 45, мм | 14,5 | 16 |
| Наибольший диаметр рассверливания, мм | 30 | 60 |
| Наибольший диаметр растачивания, мм | 220 | |
| Наибольший диаметр фрезы при фрезеровании, мм | 63 | |
| Наименьшее і наибольшее расстояние от торца шпинделя до стола, мм | 50..575 | 100..425 |
| Расстояние от оси шпинделя до стойки (вылет шпинделя), мм | 320 | 310 |
| Стол | ||
| Рабочая поверхность стола, мм | 320 х 560 | 180 х 560 |
| Наибольшее продольное перемещение стола, мм | 400 | 400 |
| Наибольшее поперечное перемещение стола, мм | 250 | 250 |
| Наибольшая масса обрабатываемого вироби, кг | 300 | 110 |
| Число Т- образных пазов на столе | 5 | 4 |
| Количество подач стола | Б/С | 3 |
| Величина ускоренного переміщення стола, мм/мин | 2000 | 1100 |
| Пределы рабочих подач при фрезеровании, мм/мин | 1..1200 | 28..134 |
| Цена деления растровой сетки установки координат, мм | ||
| Цена деления лимбов продольного і поперечного переміщення, мм | 0,01 | |
| Цена деления нониусов продольного і поперечного переміщення, мм | 0,001 | |
| Цена деления оптического отсчетного пристроя верстата 2431с, мм | 0,001 | - |
| Дискретность отсчета блока УЦИ верстата 2431сф10, мм | 0,001 | - |
| Точность установки координат, мм | 0,002 | |
| Шпиндель | ||
| Наибольшее вертикальное (ход) перемещение гильзы шпинделя ручное, мм | 125 | 150 |
| Наибольшее вертикальное (ход) перемещение гильзы шпинделя механическое, мм | 125 | 145 |
| Диаметр передньої опори шпинделя, мм | 60 | |
| Наибольшее вертикальное перемещение шпиндельной бабки (установочное), мм | 400 | 175 |
| Скорость переміщення шпиндельной бабки (головки), мм/мин | 1200 | - |
| Количество швидкостей шпинделя | Б/С | 6 |
| Частота обертання шпинделя, об/мин | 10..3000 | 145..2900 |
| Количество подач шпинделя | 6 | 6 |
| Внутренний конус шпинделя | ||
| Найбільший конус інструменту, що закріплюється. | Морзе 2 | |
| Закріплення шпиндельної коробки на направляючих | ручне | ручне |
| Запобігання перевантаженню механізму подач | ||
| Межі робочих подач на один оборот шпинделя, мм/об | 0,02; 0,03; 0,05; 0,08; 0,12; 0,20 | 0,025..0,25 |
| Максимальний момент на шпинделі, Н*м | 52 | |
| Привід | ||
| Кількість електродвигунів на верстаті | 4 | 3 |
| Електродвигун приводу головного руху, кВт (об/хв) | 1,9 (1060), =220В | 0,8; 1,8; 2,0 (700, 1400, 2800) |
| Привід переміщення столу, кВт | 0,18 (1000), =36В | 0,27 (1400) |
| Привід переміщення санок. Потужність, кВт (про/хв) | 0,18 (1000), =36В | - |
| Привід переміщення головки шпинделя. Потужність, кВт (про/хв) | 0,55 (3000) | - |
| Привід затискача віджиму столу, кВт | - | |
| Привід затискання віджиму санчат, кВт | - | |
| Електронасос охолоджувальної рідини | ПА-22 | ПА-22 |
| Стендовий калібр | ||
| Габарити верстата, включаючи хід столу та санок, мм | 2360 х 1900 х 1580 | 1340 х 1500 х 2025 |
| Маса верстата, кг | 2500 | 2330 |
Загальновідомо, що людина може завжди дивитися на три речі: як горить вогонь, як тече вода і як працює інша людина.