Виробник координатно-свердлильного верстата КС-02 - п/с 333 - ЦКБТО, Центральне конструкторське бюро технологічного обладнання при Державному комітеті Ради міністрів СРСР з радіоелектроніки (Ленінград, вул.Професора Попова, б.23)
ЦКБТО (п/с 333) мав у своєму складі дослідний завод, який виробляв свердлильні настільні верстати КС-01, КС-02, 02С-15, КС-15, токарний верстат Тип 108, фрезерний верстат Тип 130. .
У 1969 увійшов ЦКБТО до складу НВО "Позітрон".
У 1992 р. ділянку з адресою Санкт-Петербург, вул.Професора Попова, д.23 придбало АТЗТ «Гайот» під адміністративно-офісний центр.
Координатно-свердлильний настільний верстат КС-01 виробляв також - Каунаський верстатобудівний завод ім. Дзержинського, Koordinate м. Каунас Литва.
Верстат координатно-свердлильний КС-02 вироблявся починаючи з 1962 року. Нині знято з виробництва.
Свердлильний настільний верстат із координатним столом КС-02 сонструйований на базі верстата КС-01
Координатно-свердлильний верстат КС-02 призначений для свердління отворів у деталях малих та середніх розмірів без попередньої розмітки. Основна відмінність від базового верстата – наявність вертикальної механічної подачі шпинделя зі швидкістю 0,05 мм/об.
Верстат КС-02 дозволяє проводити чистове фрезерування площин.
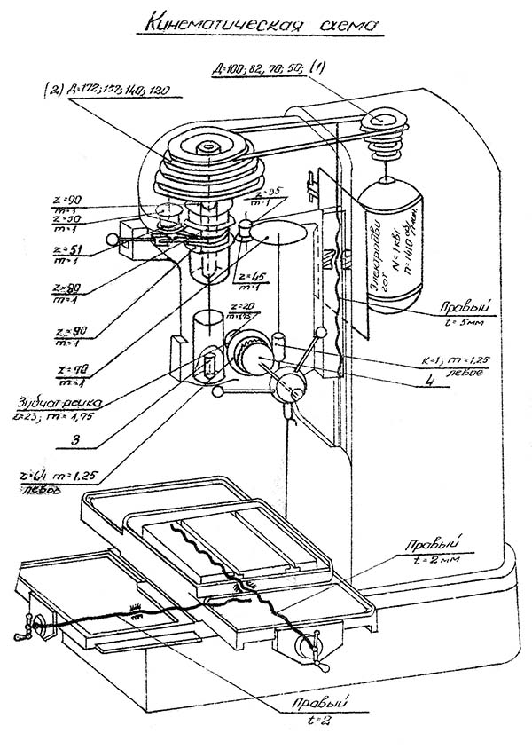
Координатно-свердлильний верстат КС-02 здійснює два механічні рухи:
Шпиндель і механізм подач отримують рух від електродвигуна 1,0 кВт 1410 об/хв через 4-ступінчастиний шків Ø 172; 157; 140; 120мм.
Рух подачі здійснюється за таким ланцюгом:
Від шестерні z=50, що обкатується по нерухомій шестерні z=90, рух передається на блок шестерень z=89 і z=90, далі на блок шестерень z=35 і z=45 і на шестерню z=70, що сидить на одному валу хробаком к=1 М=1,25.
З черв'яка, за допомогою черв'ячної шестерні z=64, що сидить на валу подач і шестернею z=20 рух передається на зубчасту рейку пінолі

Посадочні та приєднувальні бази свердлувального верстата КС-02

Фото координатно-свердлувального верстата КС-02

Фото координатно-свердлувального верстата КС-02

Фото координатно-свердлувального верстата КС-02

Фото координатно-свердлувального верстата КС-02

Розташування органів керування координатно-свердлильним верстатом КС-02

Кінематична схема координатно-свердлувального верстата КС-02
Кінематична схема координатно-свердлувального верстата КС-02. Дивитись у збільшеному масштабі

Схема розташування підшипників координатно-свердлувального верстата КС-02

Механіка координатно-свердлувального верстата КС-02
| Найменування параметру | КС-01 | КС-02 | 02S-15 |
|---|---|---|---|
| Основні параметри верстата | |||
| Клас точності згідно з ГОСТ 8-82Е | Н | Н | Н |
| Найбільший діаметр свердління сталі 45, мм | 15 | 12 | 15 |
| Найбільший діаметр розточування, мм | 70 | ||
| Найменша та найбільша відстань від торця шпинделя до столу, мм | 280 | 280 | 350 |
| Відстань від осі шпинделя до стійки (виліт шпинделя), мм | 200 | 215 | 200 |
| Стіл | |||
| Робоча поверхня столу, мм | 250 х 600 | 250 х 600 | - |
| Найбільше поздовжнє переміщення столу, мм | 200 | 200 | - |
| Найбільше поперечне переміщення столу, мм | 150 | 150 | - |
| Розмір плити основи, мм | 200 х 280 | 280 x 280 | |
| Найбільша маса виробу, що обробляється, кг | |||
| Шпиндель | |||
| Найбільше вертикальне (хід) переміщення гільзи шпинделя ручне, мм | 100 | 100 | 100 |
| Найбільше вертикальне переміщення шпиндельної бабки (настановне), мм | 200 | 200 | 200 |
| Кількість швидкостей шпинделя | 8 | 4 | 8 |
| Частота обертання шпинделя, об/хв | 445, 820, 875, 1220, 4650, 3350, 2380, 1700 | 445, 620, 875, 1220 | 445, 620, 875, 1220, 4650, 3350, 2380, 1700 |
| Межі робочих подач на один оборот шпинделя, мм/об | - | 0,05 (1) | - |
| Внутрішній конус шпинделя | Морзе 2 | Морзе 2 | Морзе 2 |
| Привід | |||
| Електродвигун приводу головного руху, кВт (об/хв) | 1,0 (1410) | 1,0 (1410) | 1,0 (1410) |
| Стендовий калібр | |||
| Габарити верстата, включаючи хід столу та санок, мм | 850 х 720 х 845 | 720 х 850 х 1690 | 680 х 370 х 845 |
| Маса верстата, кг | 382 | 300 |
Загальновідомо, що людина може завжди дивитися на три речі: як горить вогонь, як тече вода і як працює інша людина.