metalinstryment.com
Довідник по металорізальних верстатів та пресовому обладнанні

6550 Верстат фрезерный вертикальний з крестовым столом
руководство, схеми, опис, характеристики

6550 Загальний вигляд  бесконсольного фрезерного верстата з крестовым столом







Відомості про виробника фрезерного вертикального бесконсольного верстата 6550

Производитель фрезерного вертикального бесконсольного верстата 6550, 6550Ц - Чаренцаванский станкостроительный завод.

Верстат 6550 запущен в серийное производство на заводе изготовителе в 1973 году.





Верстати, выпускаемые Чаренцаванским станкостроительным заводом


6550 Верстат фрезерный вертикальний з крестовым столом. Назначение, область применения

Вертикальный фрезерный верстат з крестовым столом моделі 6550 предназначен для скоростного фрезерування крупногабаритных деталей в условиях индивидуального і серийного производства.

Верстат моделі 6550 бесконсольного типа предназначен для высокопроизводительного фрезерування деталей из чугуна, стали і цветных металлов торцовыми, кінцівыми і фасонными фрезами. На верстатах выполняется обработка не только сырых, но і закаленных деталей з применением современного инструмента з ножами из ельбора, сверхтвердых композиционных материалов из металлокерамики. На верстатах производится фрезерование, сверление, зенкерование, развертывание і растачивание.

Особливості конструкції фрезерного верстата 6550

Широкий диапазон регулювання швидкостей і подач, а также высокая жесткость позволяют применять скоростное фрезерование инструментами, оснащенными пластинками из твердого сплава.

Верстат 6550 имеет стол, перемещающийся в продольном направлении по направляющим салазок, которые в свою очередь могут перемещаться в поперечном направлении по направляющим станины. Кроме механической подачі, стол имеет привід для ручных перемещений.

Поворотная фрезерна бабка, перемещающаяся в вертикальном направлении, позволяет обрабатывать наклонные плоскости і фасонные поверхности дисковыми фасонными фрезами.

Привід стола, салазок і фрезерной бабки осуществляется от одной коробки подач.

Система блокировок верстата устраняет возможность одновременного увімкнення исключающих друг друга движений

Керування верстатом кнопкове з подвесного пульта.

Наличие електромагнітних муфт позволяет включать продольное, поперечное і вертикальное независимые переміщення, а также три руху все одновременно.

Двигатель постоянного тока з бесступенчатым регулюванням в сочетании з електромагнитными муфтами обеспечивает дистанционное керування з возможностью изменения величины подачі в процессе різання.

Все механізмы фрезерной бабки в процессе роботи смазываются смазкой, подаваемой лопастным насосом.

Верстат снабжен системой охлаждения режущего инструмента.

Короткий опис конструкції фрезерного верстата 6550

Фрезерный вертикальний верстат моделі 6550 имеет наступні руху:

Привід стола в продольном і поперечном направлениях і вертикальное перемещение шпиндельной бабки осуществляются от одной коробки подач, смонтированной на задньої стенке станины.

Вращение шпинделя - от електродвигуна переменного тока через 18-скоростную коробку.

Керування верстатом кнопкове і осуществляется централизованно з подвесного пульта. Предусмотренная система блокировок устраняет возможность одновременного увімкнення исключающие друг друга движений і наряду з другими предохранительными пристроями защищает механізмы верстата от поломок. Подробное опис системы блокировок і защиты смотри в специальном разделе "Електроустаткування".

Вид воздействия климатического исполнения УХЛ4 по ГОСТ 15150—69.


Основні характеристики фрезерного вертикального верстата з крестовым столом 6550

Разработчик: Ульяновский завод тяжелых і уникальных верстатів УЗТС.

Производитель: Чаренцаванский станкостроительный завод.

Фрезерный верстат 6550 производился з 1973 года.





Габаритные розміри робочого простору фрезерного верстата 6550

6550 Габаритные розміри робочого простору бесконсольного фрезерного верстата з крестовым столом

Габаритные розміри робочого простору верстата 6550


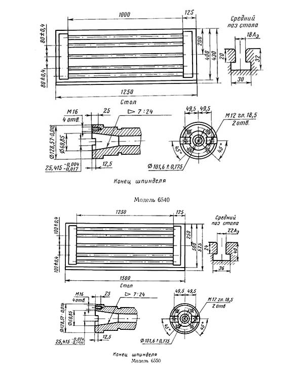
Посадочные і присоединительные базы фрезерного верстата 6550

6550 Посадочные і присоединительные базы фрезерного верстата 6550

Посадочные і присоединительные базы фрезерного верстата 6550


Загальний вигляд вертикального бесконсольного фрезерного верстата 6550

6550 Загальний вигляд  бесконсольного фрезерного верстата з крестовым столом

Фото бесконсольного фрезерного верстата 6550


6550 Загальний вигляд  бесконсольного фрезерного верстата з крестовым столом

Фото бесконсольного фрезерного верстата 6550


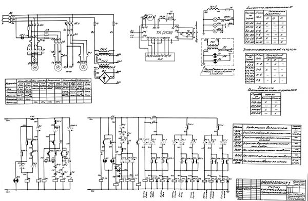
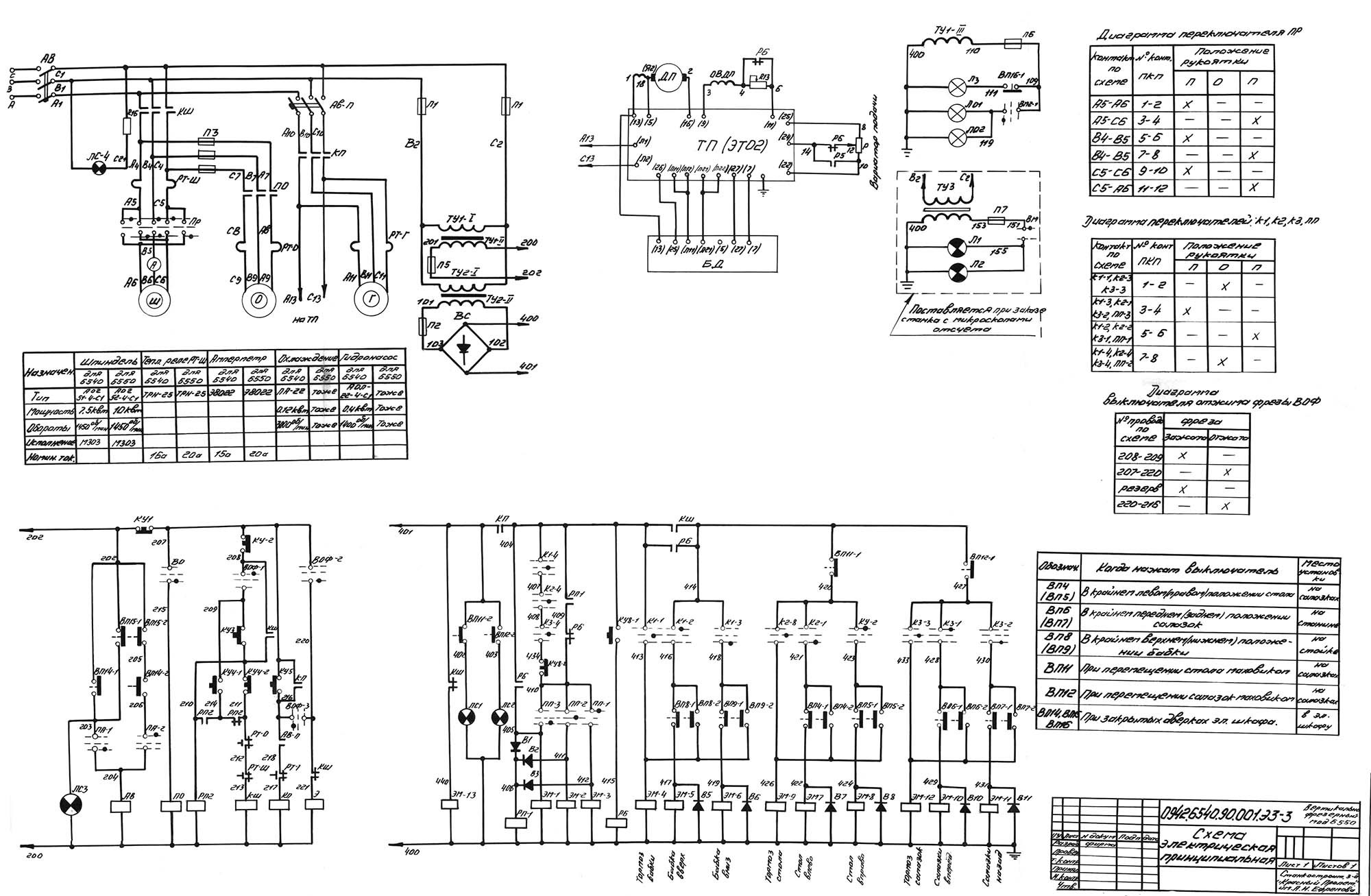
Схема електрична принципова фрезерного верстата 6550

Схема електрична принципова фрезерного верстата 6550

Електрична схема фрезерного верстата 6550

Схема електрична принципова фрезерного верстата 6550. Дивитись у збільшеному масштабі

Схема електрична принципова фрезерного верстата 6550. Дивитись у збільшеному масштабі



Електроустаткування фрезерного верстата 6550


Настановне креслення бесконсольного фрезерного верстата 6550

6550 Настановне креслення бесконсольного фрезерного верстата

Настановне креслення бесконсольного фрезерного верстата 6550




Технічні характеристики бесконсольного фрезерного верстата 6550

Наименование параметра 654 6540 6550
Основні параметри верстата
Розміри поверхности стола, мм 630 х 1600 400 х 1000 500 х 1250
Расстояние от торца шпинделя до поверхности стола, мм 100..750 100..530 100..630
Расстояние от оси шпинделя до вертикальних направляючих (вылет), мм 640 430 530
Наибольшее перемещение стола в продольном направлении, мм 1250 800 1000
Наибольшее перемещение стола в поперечном направлении, мм 600 400 500
Вертикальное перемещение бабки, мм 650 430 530
Наибольшая масса обрабатываемой детали, кг 2000
Шпиндель. Бабка шпиндельна
Диаметр шпинделя по нижним підшипникам, мм 105 105
Частота обертання шпинделя, об/мин 25..1250 31,5..1600 31,5..1600
Количество швидкостей шпинделя 18 18 18
Ход гильзы шпинделя 100 120 120
Скорость подачі бабки, мм/мин 4..480 4..800 4..800
Скорость установочного вертикального переміщення бабки, м/мин 0,8 0,8 0,8
Наибольший крутящий момент на шпинделе, кгс*м 214 17180 22900
Наибольшее усилие різання, допускаемое механізмом подачі бабки, кгс 1500 1100 1610
Наибольший угол поворота шпиндельной бабки, град ±30° нет нет
Цена деления шкалы поворота шпиндельной бабки, мин 30 нет нет
Конус отверстия шпинделя Морзе 3 Морзе 3 Морзе 3
Кінець шпинделя №3 ГОСТ 836-62 №3 ГОСТ 836-62 №3 ГОСТ 836-62
Рабочий стол
Цена деления лимба поперечного переміщення, мм 0,05 0,02 0,02
Цена деления лимба продольного переміщення, мм 0,05 0,02 0,02
Пределы продольных подач стола (б/с регулювання)(X), мм/мин 10..1200 10..2000 10..2000
Пределы поперечных подач стола (б/с регулювання) (Y), мм/мин 10..1200 10..2000 10..2000
Скорость быстрых перемещений стола продольных і поперечных, м/мин 2,0 3,0 3,0
Наибольшее усилие різання, допускаемое механізмом подачі стола, продольное, кгс 2000 2600 3000
Наибольшее усилие різання, допускаемое механізмом подачі стола, поперечное, кгс 2000 2700 3100
Електроустаткування і привід верстата
Количество електродвигателей на станке 4 4 4
Електродвигун приводу головного руху, кВт 13 7,5 10
Електродвигун приводу постоянного тока приводов подач стола і бабки, кВт 4,5 2,2 2,2
Електродвигун насоса змазки, кВт 0,27 0,4 0,4
Електродвигун насоса охлаждения, кВт 0,12 0,12 0,12
Суммарная мощность установленных на станке електродвигателей, кВт 17,89
Габаритные розміри і масса верстата
Габаритные розміри (длина х ширина х высота), мм 3165 х 2890 х 3120 2507 х 2562 х 2785 2795 х 3200 х 2960
Масса верстата, кг 11600 8000 12500










Заказать

Кто владеет информацией - тот владеет миром.

Натан Ротшильд