metalinstryment.com
Довідник по металорізальних верстатів та пресовому обладнанні

FUS-22 Верстат фрезерный універсальний
схеми, опис, характеристики

FUS-22 універсальний фрезерный верстат







Відомості про виробника фрезерного універсального верстата FUS-22

Фрезерный універсальний верстат моделі FUS-22 выпускался предприятием Ынфрециреа Орадеа Румыния.





Верстати, выпускаемые Румынскими станкостроительными заводами


FUS-22 Верстат фрезерный універсальний инструментальный. Назначение і область применения

Инструментальный універсальний верстат FUS-22 предназначен для фрезерування деталей цилиндрическими, дисковыми і фасонными фрезами при помощи горизонтального шпинделя, і торцовыми, кінцівыми і шпоночными фрезами при помощи поворотного вертикального шпинделя, который при необходимости може быть повернут под углом.

Фрезерный верстат моделі FUS-22 може применяться в инструментальных цехах, а также і в серийном производстве. Оснащение большим количеством специальных приладдя обеспечивает их успешное использование для выполнения деталей з очень сложной конфигурацией, а прочная конструкция позволяет применение интенсивных режимов різання в серийном производстве.

Особливості конструкції і принцип роботи верстата

Жесткость машины обеспечивается посредством выбора оптимальных конструктивных форм і посредством сборки з большой точностью.

Плита основания, которая составляет одновременно і резервуар для охлаждающей жидкости, станина і горизонтальный супорт изготовлены из качественного чугуна і усилены оребрением.

Направляющие ковзання є прочными, хорошо отшлифованными — обеспечивая плавное движение, без вибраций, подвижных частин верстата. Смазка направляючих осуществляется автоматически з помощью централизованной системы, а защита их соответствующими щитками устраняет возможность заедания.

Кинематика машины обеспечивает выполнение широкого диапазона операций різання в оптимальных условиях. Маневрирование швидкостей і подач и, вообще, маневрирование всей машины является легким благодаря используемым механізмам і их размещению доступному для робочого.

Использование двигуна з тормозом в коробке передач і наличие быстрых подач в трех направлениях позволяет значительное сокращение подготовительного часу.

Універсальная фрезерна машина для инструментальных цехов FUS-22 состоит из основной машины і ряда механізмов (нормальных і специальных приладдя), которые монтируются на основной машине в зависимости от выполняемой операции, составляя единую кинематическую і механическую систему.

Принадлежности, оснащающие машину для выполнения различных операций, кинематически связываются з основной машиной, обеспечивая посредством етого их привід в действие.


Комплектация верстата

А. Верстат з нормальными принадлежностями

Б. Вспомогательные принадлежности

В. Специальные принадлежности по требованию заказчика







Загальний вигляд універсального фрезерного верстата FUS-22

Загальний вигляд  універсального фрезерного верстата FUS-22

Фото універсального фрезерного верстата FUS-22

Фото універсального фрезерного верстата FUS-22. Дивитись у збільшеному масштабі



Загальний вигляд  універсального фрезерного верстата FUS-22

Фото універсального фрезерного верстата FUS-22

Фото універсального фрезерного верстата FUS-22. Дивитись у збільшеному масштабі



Загальний вигляд  універсального фрезерного верстата FUS-22

Фото універсального фрезерного верстата FUS-22

Фото універсального фрезерного верстата FUS-22. Дивитись у збільшеному масштабі



Загальний вигляд  універсального фрезерного верстата FUS-22

Фото універсального фрезерного верстата FUS-22

Фото універсального фрезерного верстата FUS-22. Дивитись у збільшеному масштабі



Загальний вигляд  універсального фрезерного верстата FUS-22

Фото універсального фрезерного верстата FUS-22

Фото універсального фрезерного верстата FUS-22. Дивитись у збільшеному масштабі



Загальний вигляд  універсального фрезерного верстата FUS-22

Фото універсального фрезерного верстата FUS-22

Фото універсального фрезерного верстата FUS-22. Дивитись у збільшеному масштабі



Загальний вигляд  універсального фрезерного верстата FUS-22

Фото універсального фрезерного верстата FUS-22

Фото універсального фрезерного верстата FUS-22. Дивитись у збільшеному масштабі






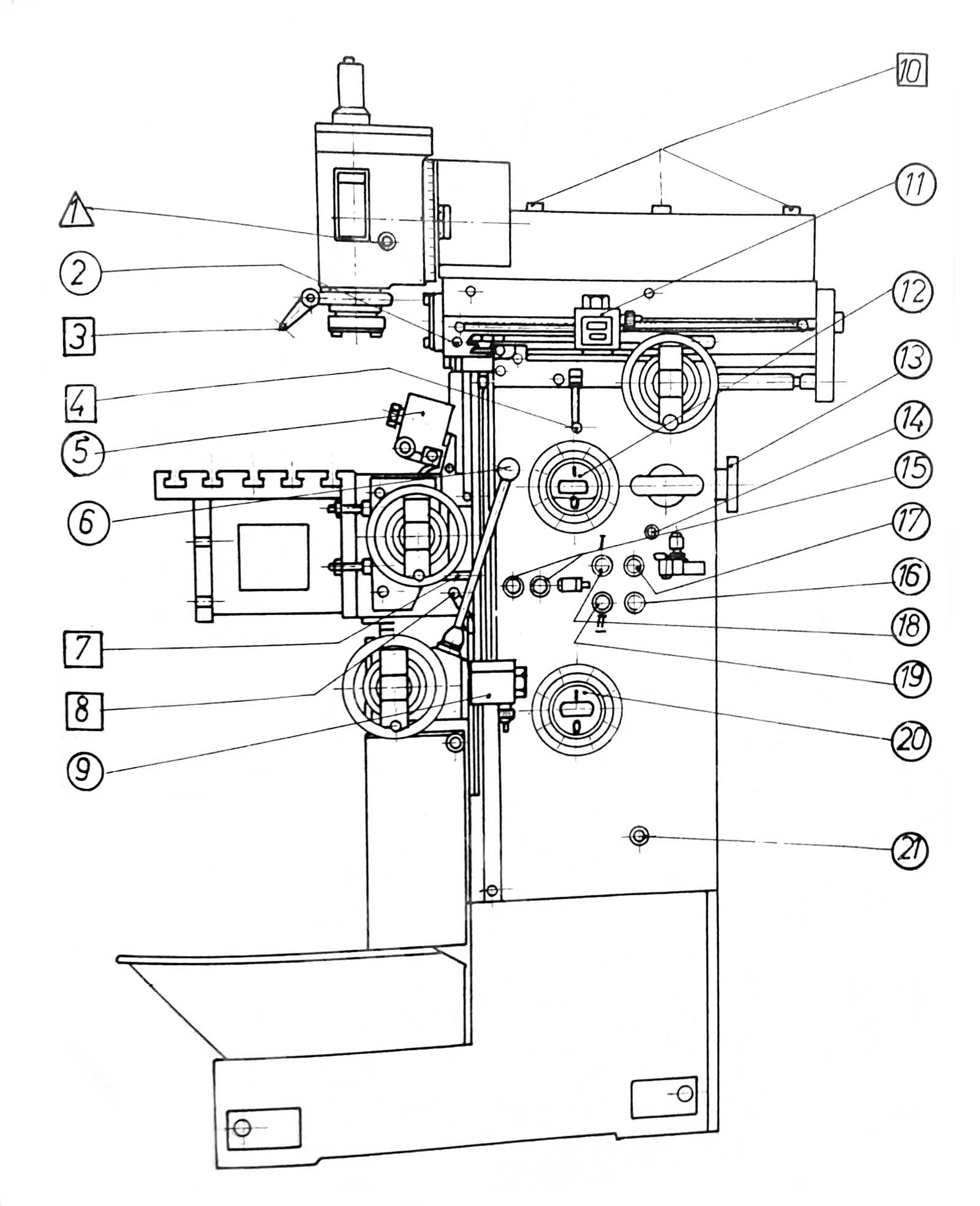
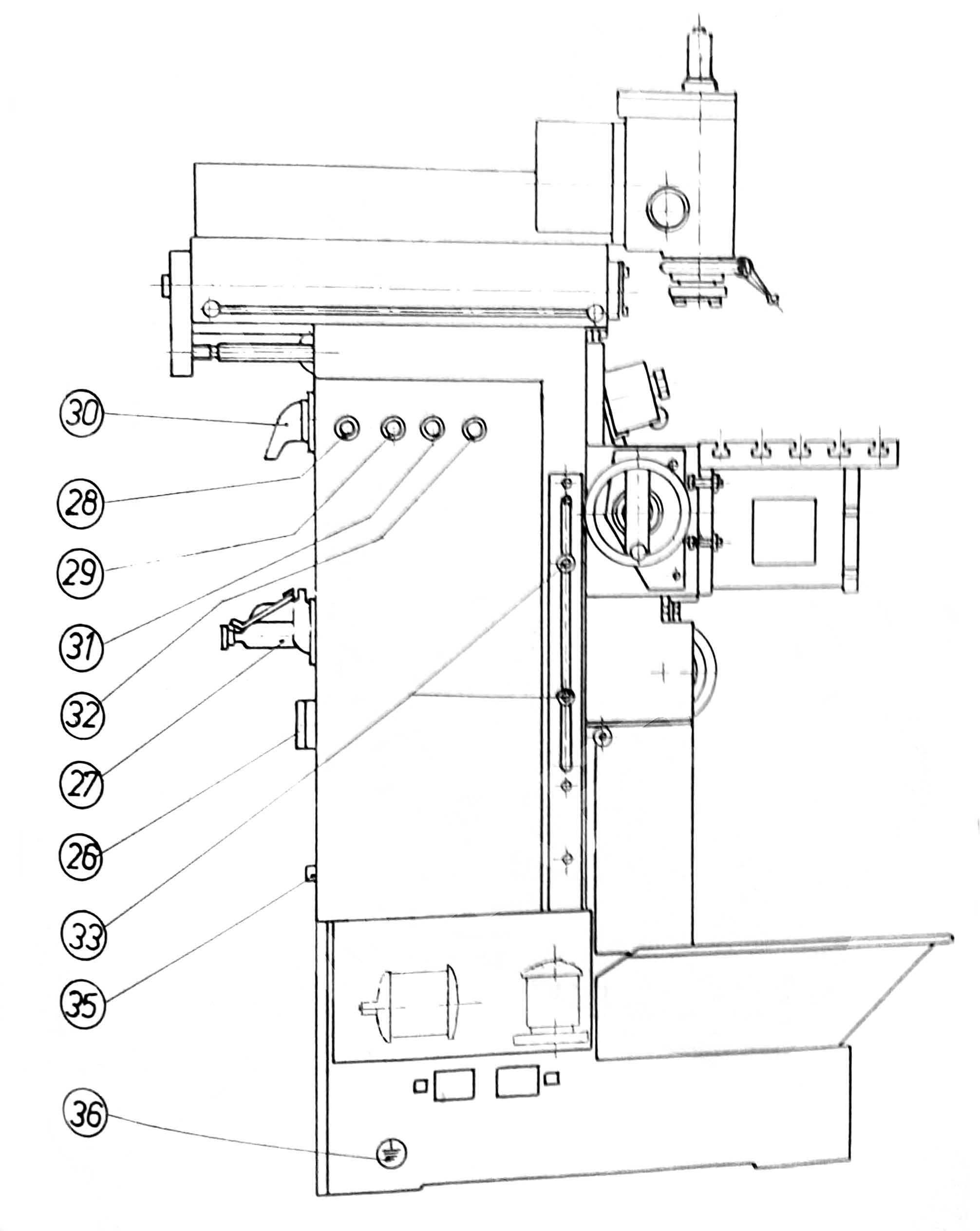
Розташування органів керування универсальным фрезерным верстатом FUS-22

Розташування органів керування универсальным фрезерным верстатом FUS-22

Розташування органів керування фрезерным верстатом FUS-22

Розташування органів керування универсальным фрезерным верстатом FUS-22. Дивитись у збільшеному масштабі



Розташування органів керування универсальным фрезерным верстатом FUS-22

Розташування органів керування фрезерным верстатом FUS-22

Розташування органів керування универсальным фрезерным верстатом FUS-22. Дивитись у збільшеному масштабі


Розташування органів керування универсальным фрезерным верстатом FUS-22

Розташування органів керування фрезерным верстатом FUS-22

Розташування органів керування универсальным фрезерным верстатом FUS-22. Дивитись у збільшеному масштабі


Схема кінематична універсального фрезерного верстата FUS-22

Схема кінематична універсального фрезерного верстата FUS-22

Кінематична схема універсального фрезерного верстата FUS-22



Крепление инструмента універсального фрезерного верстата FUS-22

Крепление инструмента універсального фрезерного верстата FUS-22

Крепление инструмента універсального фрезерного верстата FUS-22



Шпиндель горизонтальных салазок, вертикальной і делительной головок имеет отверстие в кінці вала з конусом 7:24/40 СТАС, который соответствует конусу 40 ИСО.

Крепление инструментальных оправок в шпинделе производится при посредстве стержня з внутренней нарезкой з s20x2. При необходимости стержень з внутренней нарезкой /s20х2/ може быть заменен стержнем з наружной нарезкой М16.

Для смены стержня в шпинделе горизонтальных салазок поступают следующим образом /рис.1 на черт IX/:

При помощи шестигранного ключа №5 отвинчиваемся винт /1/ М5 слева, затем шестигранным ключом №6 отвинчивается соединительная муфта /2/, після чего ввинчиваемся соединительная муфта з наружной нарезкой /3/ і закрепляется левый винт М5/4/.

Возможности крепления инструментов

Инструменты могут закрепляться в шпинделе при посредстве следующих инструментальных державок:

Схема електрична фрезерного верстата FUS-22

Схема електрична фрезерного верстата FUS-22

Електрична схема універсального фрезерного верстата FUS-22






FUS-22 Верстат фрезерный універсальний инструментальный. Відеоролик.



Наименование параметра FUS-22 675П 6В75 6720В
Основні параметри верстата
Класс точності по ГОСТ 8-82 П Н В
Розміри горизонтального (углового) стола, мм 300 х 630 200 х 630 200 х 630 200 х 630
Розміри вертикального стола, мм 220 х 630 200 х 500 195 х 550 200 х 500
Максимальная масса обрабатываемой детали, кг 300
Расстояние от оси горизонтального шпинделя до рабочей поверхности горизонтального стола, мм 80..380 70..360 80..450
Расстояние от торца вертикального шпинделя до рабочей поверхности горизонтального стола, мм 0..300 22..312 22..392
Наибольший вылет оси вертикального шпинделя, мм 300 130..330
Наибольший продольный ход стола (X), мм 300 320 250 320
Наибольший ход шпиндельной бабки (Y), мм 170 200 150 200
Наибольший вертикальний ход стола (Z), мм 300 300 290 320
Предельные розміри устанавливаемой заготовки на горизонтальном столе (д.ш.в), мм 700 х 200 х 300
Цена деления лимбов, мм 0,05 0,025
Горизонтальный шпиндель верстата
Частота обертання горизонтального шпинделя, об/мин 63..1250 50..1600
95..1650 40..2240
Количество швидкостей шпинделей 12 16 6 32
Наибольший допустимый крутящий момент на горизонтальном шпинделе, Нм 214
Конус горизонтального шпинделя Морзе 4 ISO 40 Морзе 4 Морзе 4 Морзе 4
Стол
Пределы продольных і вертикальних подач стола (X, Z), мм/мин 12,5..250 12,5..400 17,5..178 10..1000
Ускоренный ход стола, мм/мин 935 нет 1200
Количество подач стола 12 16 6 б/с
Наибольшее усилие подач стола, Н 5000
Вертикальная фрезерна гололовка
Внутренний конус шпинделя Морзе 4 ISO 40
Ход пиноли, мм 60
Количество ступеней обертання 12
Наибольшее усилие подач шпиндельной бабки, Н 5000
Частота обертання вертикального шпинделя, об/мин 100..2000 63..2000
110..1860 40..2240
Наибольший допустимый крутящий момент на вертикальном шпинделе, Нм 155
Наибольшее осевое перемещение вертикального шпинделя, мм 60 60
Наибольший угол поворота вертикальной головки в вертикальной плоскости, градус 360° ±90° ±45° ±90°
Масса вертикальной фрезерной головки, кг 32
Електроустаткування і привід верстата
Количество електродвигателей на станке, кВт 2 2 2 6
Електродвигун головного привода, кВт (об/мин) 1,1/ 1,9 (750/ 1500) 1,5 1,7 1,5
Електродвигун приводу стола, бабки, суппорта, кВт - - - 0,55
Електродвигун зажиму инструмента горизонтального і вертикального шпинделей, кВт - - - 0,024
Електродвигун системы змазки, кВт - - - 0,09
Електродвигун приводу насоса охлаждения, кВт (об/мин) 0,15 (3000) 0,12 0,12 0,12
Суммарная мощность електродвигателей, кВт 1,62 1,82 2,098
Габарит і масса верстата
Габарити верстата (длина х ширина х высота), мм 1160 х 1080 х 1535 1110 х 1170 х 1650 1150 х 1100 х 1600 1530 х 1450 х 1800
Масса верстата, кг 800 1100 855 1550

    Список литературы:

  1. Инструментальный универсально-фрезерный верстат FUS-22. Паспорт верстата, 1976

  2. Аврутин С.В. Основы фрезерного дела, 1962
  3. Аврутин С.В. Фрезерне дело, 1963
  4. Ачеркан Н.С. Металлорежущие верстати, Том 1, 1965
  5. Барбашов Ф.А. Фрезерне дело 1973, с.141
  6. Барбашов Ф.А. Фрезерные роботи (Профтехобразование), 1986
  7. Блюмберг В.А. Справочник фрезеровщика, 1984
  8. Григорьев С.П. Практика координатно-расточных і фрезерных работ, 1980
  9. Копылов Р.Б. Работа на фрезерных верстатах,1971
  10. Косовский В.Л. Справочник молодого фрезеровщика, 1992, с.180
  11. Кувшинский В.В. Фрезерование,1977
  12. Ничков А.Г. Фрезерные верстати (Библиотека станочника), 1977
  13. Пикус М.Ю. Справочник слесаря по ремонту металлорежущих верстатів, 1987
  14. Плотицын В.Г. Расчёты настроек і наладок фрезерных верстатів, 1969
  15. Плотицын В.Г. Наладка фрезерных верстатів,1975
  16. Рябов С.А. Современные фрезерные верстати і их оснастка, 2006
  17. Схиртладзе А.Г., Новиков В.Ю. Технологическое обладнання машиностроительных производств, 1980
  18. Тепинкичиев В.К. Металлорежущие верстати, 1973
  19. Чернов Н.Н. Металлорежущие верстати, 1988
  20. Френкель С.Ш. Справочник молодого фрезеровщика (3-е изд.) (Профтехобразование), 1978









Заказать