metalinstryment.com
Довідник по металорізальних верстатів та пресовому обладнанні

FUS-25 (ФУС-25) верстат фрезерный універсальний
схеми, опис, характеристики

fus-25 універсальний фрезерный верстат







Відомості про виробника фрезерного універсального верстата FUS-25

Фрезерный універсальний верстат моделі FUS-25 выпускался предприятием Ынфрециреа Орадеа Румыния.





Верстати, выпускаемые Румынскими станкостроительными заводами


FUS-25 Верстат фрезерный універсальний инструментальный. Назначение і область применения

Инструментальный універсальний верстат FUS-25 предназначен для фрезерування деталей цилиндрическими, дисковыми і фасонными фрезами при помощи горизонтального шпинделя, і торцовыми, кінцівыми і шпоночными фрезами при помощи поворотного вертикального шпинделя, который при необходимости може быть повернут под углом.

Фрезерный верстат моделі FUS-25 може применяться в инструментальных цехах, а также і в серийном производстве. Оснащение большим количеством специальных приладдя обеспечивает их успешное использование для выполнения деталей з очень сложной конфигурацией, а прочная конструкция позволяет применение интенсивных режимов різання в серийном производстве.

Особливості конструкції і принцип роботи верстата

Жесткость машины обеспечивается посредством выбора оптимальных конструктивных форм і посредством сборки з большой точностью.

Плита основания, которая составляет одновременно і резервуар для охлаждающей жидкости, станина і горизонтальный супорт изготовлены из качественного чугуна і усилены оребрением.

Направляющие ковзання є прочными, хорошо отшлифованными — обеспечивая плавное движение, без вибраций, подвижных частин верстата. Смазка направляючих осуществляется автоматически з помощью централизованной системы, а защита их соответствующими щитками устраняет возможность заедания.

Кинематика машины обеспечивает выполнение широкого диапазона операций різання в оптимальных условиях. Маневрирование швидкостей і подач и, вообще, маневрирование всей машины является легким благодаря используемым механізмам і их размещению доступному для робочого.

Использование двигуна з тормозом в коробке передач і наличие быстрых подач в трех направлениях позволяет значительное сокращение подготовительного часу.

По специальному заказу машины могут быть оснащены оптическими датчиками і пристроями индикации для трех координат, при которых точность позиционирования, составляет 0,01 мм.

Універсальная фрезерна машина для инструментальных цехов FUS-25 состоит из основной машины і ряда механізмов (нормальных і специальных приладдя), которые монтируются на основной машине в зависимости от выполняемой операции, составляя единую кинематическую і механическую систему.

Характерным для конструкції машины является отдельная кинематика головного руху относительно кинематики подач. Движения по трем осям координат обеспечивается от коробки подач, селектирование желаемого направления осуществляется з помощью електромагнітних муфт. Эти руху могут быть выполнены і вручную з помощью маховиков, которые включаются только при работе з ними.

Принадлежности, оснащающие машину для выполнения различных операций, кинематически связываются з основной машиной, обеспечивая посредством етого их привід в действие.





Габаритные розміри робочого простору і присоединительные базы верстата FUS-25

Габаритные розміри робочого простору і присоединительные базы верстата FUS-25

Габаритные розміри робочого простору верстата FUS-25

Габаритные розміри робочого простору верстата FUS-25. Дивитись у збільшеному масштабі



Габаритные розміри робочого простору і присоединительные базы верстата FUS-25

Габаритные розміри робочого простору верстата FUS-25

Габаритные розміри робочого простору верстата FUS-25. Дивитись у збільшеному масштабі




Загальний вигляд універсального фрезерного верстата FUS-25

Загальний вигляд  універсального фрезерного верстата FUS-25

Фото фрезерного верстата FUS-25

Фото фрезерного верстата fus-25. Дивитись у збільшеному масштабі



Загальний вигляд  універсального фрезерного верстата FUS-25

Фото фрезерного верстата FUS-25

Фото фрезерного верстата fus-25. Дивитись у збільшеному масштабі



Загальний вигляд  універсального фрезерного верстата FUS-25

Фото фрезерного верстата FUS-25

Фото фрезерного верстата fus-25. Дивитись у збільшеному масштабі



Загальний вигляд  універсального фрезерного верстата FUS-25

Фото фрезерного верстата FUS-25

Фото фрезерного верстата fus-25. Дивитись у збільшеному масштабі




Розташування складових частин верстата FUS-25

Розташування складових частин верстата FUS-25

Розташування складових частин фрезерного верстата FUS-25


Розташування складових частин верстата FUS-25

Розташування складових частин фрезерного верстата FUS-25


Список складових частин універсального фрезерного верстата FUS-25

  1. Ручное смещение пиноли вертикальной головки
  2. Блокирование пиноли вертикальной головки
  3. Механізм для крепления инструмента
  4. Ручное смещение горизонтального суппорта
  5. Место для резьбовой штанги при транспортировке
  6. Основной стол
  7. Блокирование основного стола
  8. Стойка стола
  9. Блокирование стойки стола
  10. Вертикальное смещение стойки стола
  11. Агрегат змазки
  12. Продольное смещение основного стола, вручную
  13. Подсоединения к елекросети
  14. Блокирование горизонтального суппорта
  15. Регулювання зазору на направляючих горизонтального суппорта
  16. Смещение контрплеча, снятие со штифтов пластины крепления вертикальной головки
  17. Блокирование контрплеча
  18. Пробка для наполнения маслом коробки передач
  19. Смотровое окно для проверки уровня масла в коробке передач
  20. Пристрій для обертання вертикальной головки
  21. Регулювання і ограничение поперечного ходу
  22. Группа микровыключателей
  23. Регулювання і ограничение продольного ходу
  24. Группа микровыключателей
  25. Регулювання і ограничение вертикального ходу
  26. Группа микровыключателей
  27. Открытие-закрытие двери електрошафи
  28. Замок двери електрошафи
  29. Местное освещение

Розташування органів керування фрезерным верстатом FUS-25

Розташування складових частин верстата FUS-25

Розташування складових частин фрезерного верстата FUS-25


Розташування складових частин верстата FUS-25

Розташування складових частин фрезерного верстата FUS-25

Розташування складових частин фрезерного верстата FUS-25. Дивитись у збільшеному масштабі






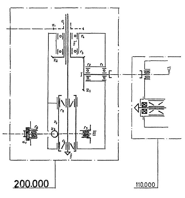
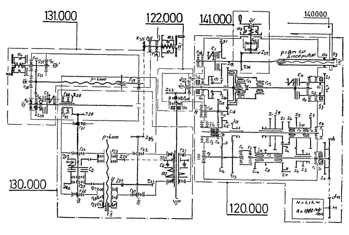
Схема кінематична універсального фрезерного верстата FUS-25

Схема кінематична універсального фрезерного верстата FUS-25

Кінематична схема універсального фрезерного верстата FUS-25



Опис кінематичної схеми універсального фрезерного верстата FUS-25

Главный привід осуществляется з помощью коробки передач — схема 110.000 — смонтированной в горизонтальном суппорте. Посредством етой коробки обеспечиваются 18 чисел оборотів головного вала по схеме (2+1) х 3 х (1 + 1), представленной на диаграмме швидкостей обертання η (об/мин) з нормой φ=1,25.

Машина FUS-25 осуществляет тот же диапазон швидкостей обертання, что і ФУС-25, но со смещением на ступень ниже, посредством изменения соотношения.

Конструктивно связанный з коробкой швидкостей механізм крепления инструмента — схема 112.000 — служит для обертання гвинта крепления инструмента в конусе шпинделя. Это осуществляется посредством сцепления зубчатых колес (конусных); в нормальном положении колеса будучи отключены.

Движения руху осуществляются от коробки подач — схема 120.000 — смонтированной как единый узел в станине. С помощью етой коробки получают 18 чисел оборотів по схеме, идентичной схеме коробки передач (2+1) х 3 х (1 + 1), в соответствии з диаграммой S (мм/мин) з соотношением =1,25. Также от коробки подач осуществляется скорость обертання для ускоренной подачі, посредством совпадения руху на оси V і роликовой муфты системы „торпедо" з двумя направлениями руху, на оси УП без останова начального обертання для рабочей подачі.

Механическая подача поперечного суппорта (140.000) осуществляется з помощью колес (Z20) і (Z21) і електромагнитной муфты (S1) на винте смещений суппорта (У1). Для ручного переміщення служит механізм конусных зубчатых колес і маховик, схема 141.000.

От коробки подач рух обертання передається посредством предохранительной муфты (S5) от вала (VII) посредством промежуточного механізма — схема 122.000 — на вал приводу з каналом под клин, что приводит в рух механізм подачі для продольного і вертикального руху.

Рух обертання через вал VIII принимается посредством предохранительной муфты при сверхнагрузке (С6) механізмом, смонтированным на стойке стола — схема 130.000.

Отсюда рух распределяется через електромагнитную муфту (зубчатого типа С2) на гайку вертикальной подачі, а через вал IX — на приводной вал продольного стола. Смещение вручную суппорта по вертикали осуществляется з помощью маховика на валу XV, муфта (С2) будучи свободной.

Для продольного руху робочого стола поручают рух посредством вала (XII) — схема — 131.000 — на котором находится електромагнитная муфта Сs). Если муфта закрыта, рух передається на винт (XIII), установленный в підшипниках в основном столе і вращающийся в нерухомою гайке в стойке стола.

Вертикальная фрезерна головка — схема 200.000 — в случае установки її в рабочем положении, включается з валом (У) в схеме 110.000 через кулачковую муфту. Привід шпинделя вертикально осуществляется посредством пары конусных зубчатых колес, установленных в підшипниках кожуха головки. Шпиндель може смещаться в осевом направлении как пиноль з длиной ходу в 100 мм. Смещение осуществляется з помощью зубчатого колеса на валу III. На том же валу находится і спиральная пружина, возвращающая пиноль в исходное положение.




Установка змазки машины

Смазка машины обеспечивается з помощью автоматичною системы, методом разбрызгивания і индивидуальных точок змазки.

Посредством системы автоматичною змазки обеспечивается смазка направляючих ковзання, а также і смазка винтов приводу смещений в трех направлениях.

Агрегат змазки (7) в системе автоматичною змазки (схема 190.000) входит в действие при установці машины под напряжение і продолжает работать до тех пор, пока в системе осуществляется режимное давление, момент, в который посредством прессостата (9) прерывается питание двигуна агрегата. В период роботи (прибл. 30") выполняется первая смазка.

Реле часу в електрическом шкафу отрегулировано на 3 часа, промежуток часу, за который двигатель агрегата снова входит в действие автоматически і повторяется цикл змазки. При отключении напряжения живлення машины цикл аннулируется і начнется снова, при новом включении живлення.

На електрическом пульті керування красная контрольная лампа h9(Е9) рис. С) зажигается при работе двигуна смазочного агрегата і гаснет при его останове.

В случае, когда контрольная лампа остается зажженной (свыше указанных 30"), ето означает, что двигатель агрегата продолжает работать і не имеется режимного давления і еффективной змазки, а следовательно, машина не може быть пущена в действие. В подобных случаях машину необходимо отключить от сети і устранить неисправность, которая може находиться в електрической частини машины или в системе змазки, из-за потери давления через утечки в соединениях.

Смазочный агрегат обеспечивает масло, необходимое для каждой точки змазки посредством дозаторов з емкостью, указанной в схеме.

В резервуаре смазочного агрегата находится сигнализатор уровня, електрического типа, который в случае падения уровня масла ниже допустимого, блокирует все електрические команды, а машина не може быть пущена в действие.




Установка охлаждения машины

Насос охлаждения смонтирован внутри станины, на плите основания. Доступ к насосу осуществляется після снятия листа з задньої стороны станины.

Плита основания служит в качестве резервуара для охлаждающей жидкости. Сверху плита основания закрыта пластинами из листовой стали, которые можно снимать для чистки резервуара. Охлаждающая жидкость нагнетается по гибкому резиновому шлангу, который подсоединяется к трубе, укрепленной в задньої стороне горизонтального суппорта. Из резервуара охлаждающая жидкость протекает по стальной трубе по длине горизонтального суппорта до крана, посредством которого можно регулировать расход жидкости, необходимый при резании. Для обеспечения оптимального ориентирования струп предусмотрен легко маневрируемый резиновый шланг.

Пуск і зупинка насоса охлаждения осуществляется з помощью кнопки b20 (S19) на щите керування.

Бак для охлаждающей жидкости необходимо чистить раз в 3 месяца посредством подъема крышек і полного удаления отложений і промывки бака водой.

Наполнение бака производится після установки на место закрывающих пластин.

Електроустаткування верстата

Електричнаустановка содержит елементы керування от пульта керування, елементы приводу — в електрическом шкафу, елементы защиты і установка местного освещения — расположенные частью на машине і частью в електрическом шкафу.

Команды, осуществляемые от пульта керування машины, описаны в главе 4.4., а електрична ехема приведена на чертеже 184.000-S., електрические аппараты, используемые на машине, приводятся в таблице.

Електричнаустановка подсоединяется к сети, з помощью клемм в електрическом шкафу.

Ланцюг керування і местного освещения питаются от разъединительного трансформатора вторичным.

Управляющее напряжение може быть одним из следующих:. Ucom= 24 В; Ucom= 110 В или Ucom= 220 В.

Перегоревшие плавкие предохранители необходимо заменить предохранителями з калиброванной жилой, соответствующей номинальному току потребителя.

Заземление осуществляется з помощью гвинта на плите основания посредством соединения з поясом заземления цеха. Необходимо помнить:

  1. перед началом роботи з електрической установкой выключить главный выключатель а1 (Q1) на електрическом шкафу;
  2. любое вмешательство в електрообладнання доверяется только квалифицированным лицам.



Пуск верстата і начало роботи

После установки машины на фундаменте снова проверяется її горизонтальное положение і осуществляется соединение з сетью живлення електроенергией, обеспечивая правильное направление обертання двигателей.

Необходимо произвести заливку маслом согласно указаниям гл. „смазка машины".

Перед началом роботи на машине необходимо проверить все органы керування, так как во время транспортировки могут мати место некоторые повреждения.

Органы керування — в своем большинстве — скінцінтрированы на пульті керування, є простого типа і отмечены на чертежах і нижеследующих таблицах.

Все команды і маневрирования должны быть произведены легко і свободно, а руху должны быть плавными, без вибраций, благодаря уравновешенной конструкції всей системы. При выполнении управлений рекомендуется избегать рывков і приложения чрезмерных усилий, так как в противном случае могут мати место нарушения заводского регулювання і рабочей точності машины.

Во время фрезерування органы, не принимающие участиния в движении (смещении), должны быть блокированы, не допуская команд их руху без предварительного деблокирования.

Установка обрабатываемых деталей на рабочем столе производится симметрично, по мере возможности і з тщательным креплением з помощью хомутов из оснащения машины.

Изменение швидкостей обертання шпинделя

Диаграмма швидкостей шпинделя фрезерного верстата FUS-25

Диаграмма швидкостей шпинделя фрезерного верстата FUS-25


На рисунке А — пульт керування швидкостей — дается позиция скорости 25 об/мин. Для получения другой скорости обертання по етикетке, укрепленной рядом, устанавливается позиция маховиков для желаемой скорости обертання. Первый маховик вращается таким образом, чтобы цветная точка зоны на таблице з указанием желаемой скорости приходилась в верхнее положение. Маховики „А" і „В" также поворачиваются в положение, в котором цифры, маркированные на них соответствовали бы находящимся в строке желаемой скорости на таблице і приходились бы в верхнем положении,

В случае, когда указанные маховики не могут быть установлены в желаемое положение, повторно воздействуют ни импульсную кнопку пол. 1 мм3 (си выбор из пол. 11) на пульті керування (рис. С), до тех пор, пока колеса ковзання в коробке передач войдут в сцепление.

Для останова обертання шпинделя воздействует на грибковую кнопку СТОЛ, расположению на пульті керування или на горизонтальном суппорте.

Крепление инструмента в конусе шпинделя горизонтального Инструмент или пристрій з конусом ISO 40 тщательно протирается по конусу і вводится в конус шпинделя по осязания контакта з концом гвинта крепления. Маховик (3) нажимается в осевом направлении і вращается до укрепления в соответствующем положении. Посредством нажима осуществляется сцепление зубчатых конусных колес приводу гвинта. О помощью ключа з рукояткой — код 035.112.100 воздействуют на винт до тщательного затягивания инструмента. После крепления инструмента маховик снова вращается в обратном направлении і оставляется для возврата в осевом направлении, а благодаря етому отключаются конусные сцепления.

Выбор швидкостей подачі

Диаграмма швидкостей подач фрезерного верстата FUS-25

Диаграмма швидкостей подач фрезерного верстата FUS-25


На рис. А пульт керування подачами — приводится позиция для скорости в 5 мм/мин. Для выбора другой скорости подачі поступают также, как і при выборе скорости обертання.

Для обеспечения сцепления колес повторно воздействуют на импульсную кнопку (поз, 10) на пульті керування.

Выбор направления руху

Направление руху устанавливается от пульта керування (рис. С) согласно маркировкам Так для продольного і вертикального руху для обоих направлений воздействуют на четырехпозиционный манипулятор (3). Посредством приводу етого рычага в желаемом направлении на пульті керування светится стрелка, указывающая выбранное направление.

Для поперечного направления — смещение горизонтального суппорта вперед і назад — воздействуют на одну из кнопок (13, 14) в соответствии з желаемым направлением. При воздействии на кнопку зажигается лампочка, указывая направление руху суппорта.

Останов руху по микронаправлению осуществляется посредством воздействия на кнопку (9) на пульті керування.

Для ускоренного руху в любом направлении задается рабочая подача, а затем нажимают на кнопку (12) з пульта керування.

Ускоренная подача действует только на время нажима кнопки, а після освобождения її продолжается рабочая подача.

ВНИМАНИЕ! Является обязательным прежде всего остановить рух подачі, а затем і вращение инструмента.




Использование вертикальной фрезерной головки

Кінематична схема універсального фрезерного верстата FUS-25

Кінематична схема вертикальной фрезерной головки верстата FUS-25

В основном, машины поставляются в вертикальной головкой, смонтированной і укрепленной в рабочем положении. В етом положении вертикальная головка будет укреплена на вращательном, устройстве (20) і затянута 4-мя гвинтами на горизонтальном суппорте. В данных условиях инструмент укрепляется в конусе шпинделя винтом из оси вала і квадратным ключом из инвентаря машины.

Использование горизонтального суппорта для операций фрезерування з горизонтальным шпинделем

Кінематична схема горизонтального суппорта верстата FUS-25

Кінематична схема горизонтального суппорта верстата FUS-25

Кінематична схема горизонтального суппорта верстата FUS-25. Дивитись у збільшеному масштабі



В начале операции вертикальная головка находится в рабочем положении, поетому необходимо в первую очередь, вывести вертикальную головку из робочого положения посредством ослабления 4-х винтов крепления вращательного пристроя і вертикальной головки з плечом (16) в задньої стороне суппорта і подталкивается контрплечо, которое в свою очередь подталкивает вращательное пристрій, которое выходит со штифтовпозиционирования. После етого головка поворачивается на 180° і подталкивается весь узел назад і укрепляется в етом положении крючком на горизонтальном суппорте.

При установці на место вертикальной головки її необходимо подвести вперед посредством поворота в положение, параллельное концу горизонтального суппорта. Производится подталкивание в етом положении до тех пор, пока головка не установится на 2 штифтах позиционирования, а затем она закрепляется 4-мя гвинтами.

Использование контрплеча

В случае роботи з дисковий фрезой вертикальная головка укрепляется в заднем положении і выводится наружу противоплечо до тех пор, пока отметка на боковой стороне контрплеча не придет против кінця горизонтального суппорта. В етом положении затягиваются два блокировочных гвинта в верхней частини горизонтального суппорта (17),

После того, как контрплечо будет установлено в рабочее положение, монтируется фрезерна оправка і ставится контрподшипник на направляющей контрплеча. Крепление осуществляется посредством затягивания бокового гвинта з помощью шестигранного ключа.


Технічні характеристики фрезерного верстата FUS-25

Технічні характеристики фрезерного верстата FUS-25

Технічні характеристики фрезерного верстата FUS-25


Технічні характеристики фрезерного верстата FUS-25

Технічні характеристики фрезерного верстата FUS-25


В строке Г. Основной стол (131.000) переставлены местами значения для ФУС-25 і FUS-25. Должно быть:





FUS-25 Верстат фрезерный універсальний инструментальный. Відеоролик.




    Список литературы:

  1. Універсальный фрезерный верстат для инструментальных цехов FUS-25 і FUS-32. Технічна кнога
  2. Инструментальный универсально-фрезерный верстат FUS-25 і FUS-32. Паспорт верстата

  3. Аврутин С.В. Основы фрезерного дела, 1962
  4. Аврутин С.В. Фрезерне дело, 1963
  5. Ачеркан Н.С. Металлорежущие верстати, Том 1, 1965
  6. Барбашов Ф.А. Фрезерне дело 1973, с.141
  7. Барбашов Ф.А. Фрезерные роботи (Профтехобразование), 1986
  8. Блюмберг В.А. Справочник фрезеровщика, 1984
  9. Григорьев С.П. Практика координатно-расточных і фрезерных работ, 1980
  10. Копылов Р.Б. Работа на фрезерных верстатах,1971
  11. Косовский В.Л. Справочник молодого фрезеровщика, 1992, с.180
  12. Кувшинский В.В. Фрезерование,1977
  13. Ничков А.Г. Фрезерные верстати (Библиотека станочника), 1977
  14. Пикус М.Ю. Справочник слесаря по ремонту металлорежущих верстатів, 1987
  15. Плотицын В.Г. Расчёты настроек і наладок фрезерных верстатів, 1969
  16. Плотицын В.Г. Наладка фрезерных верстатів,1975
  17. Рябов С.А. Современные фрезерные верстати і их оснастка, 2006
  18. Схиртладзе А.Г., Новиков В.Ю. Технологическое обладнання машиностроительных производств, 1980
  19. Тепинкичиев В.К. Металлорежущие верстати, 1973
  20. Чернов Н.Н. Металлорежущие верстати, 1988
  21. Френкель С.Ш. Справочник молодого фрезеровщика (3-е изд.) (Профтехобразование), 1978









Заказать