Токарно-гвинторізний настільний верстат MML 250x550 (MML-2550) поставляється компанією Metal Master . METAL MASTER - це група інжинірингових центрів у Росії та Німеччині з контрактним сертифікованим за стандартами ЄС виробництвом у Польщі, Китаї та Росії. Така оптимізація ресурсів значно зміцнила позиції компанії над ринком – висока якість техніки доповнилося прийнятними для споживача цінами.
Понад 10 років тому компанія Metal Master вперше представила на ринку готові високотехнологічні рішення для обробки металу.
Постачальник верстата токарного верстата MML 250x550 в Росію: компанія Янгчжоу Девелопінг Імпорт енд Експорт кампанії, №99, Вест Кайфа Роад, Янгчжоу, Цзянсу, Китай .
Популярні у Росії металообробні верстати Metal Master виробляються під контролем групи підприємств із Росії та Європи.
Виробник токарного верстата MML 250x550 китайська компанія Yangzhou Developping Imp. & Exp. Co., Ltd.
Якість європейської лінійки гарантується провідним польським виробником Sorex та швейцарською компанією S-Tech, які мають дослідницькі центри в Європі та мережу сучасних виробництв у країнах Азії (Китай, В'єтнам, Тайвань).
Токарний верстат MML 250x550V є універсальним токарно-гвинторізним верстатом і призначений для поздовжнього та поперечного точення заготовок з круглого, 3-, 6- або 12-гранного металопрокату та литих заготовок, також заготовок із пластмас або матеріалів схожих за механічними властивостями. Заборонено обробляти на верстаті пилоутворювальні матеріали, наприклад, деревину, Teflon ® і т.д. у зв'язку з тим, що підшипники шпинделя немає захисту.
Символ "V" - Vario у найменуванні моделі - позначає безступінчасте регулювання швидкості обертання шпинделя за допомогою перетворювача частоти асинхронного двигуна .
Встановлення та експлуатація верстата можливе лише в сухих вентильованих приміщеннях.
Верстат MML 250x550 є настільним токарним верстатом і призначається для всіляких токарних робіт:
Традиційне наочне компонування верстата у поєднанні з відпрацьованою кінематичною схемою дозволяє впевнено забезпечити токарну обробку з класом точності «Н» протягом тривалого терміну експлуатації.
У порівнянні з пропонованими на ринку малогабаритними верстатами - він простий в експлуатації, надійний та довговічний.
Верстат MML 250x550 має такі конструктивні особливості:
Верстат призначений для роботи від однофазної мережі змінного струму напругою 220 ± 10 % і частотою 50 Гц.
Верстат призначений для експлуатації у таких умовах:

Фото токарного верстата MML 250×550. Дивитись у збільшеному масштабі



Станина токарного верстата повинна мати жорсткість і не повинна піддаватися вібраціям у процесі роботи. Тому вона виготовлена з чавунного лиття та посилена ребрами жорсткості. Станіна несе на собі передню бабку і вузол приводу, супорт і ходовий гвинт, а також служить направляючою для супорта і задньої бабки.
У передній бабці знаходиться шпиндель верстата з підшипниками та вузол приводу. Працюючи шпиндель здійснює головне рух. Крім того, він служить для затискання заготовки (наприклад, за допомогою трипозиційного патрона).
Привід шпинделя здійснюється від електродвигуна за допомогою шківів та ременів.
Клиновий ремінь натягнутий роликом, що підтягує. Відпустіть гайку на тримачі ролика, що підтягує, тим самим послабивши натяг клинового ременя. Потім підніміть клиновий ремінь у потрібну позицію.
Залежно від обраного числа оборотів клиновий ремінь накидається безпосередньо на шків двигуна або на шків передавального механізму. Потім натягніть клиновий ремінь переміщенням ролика, що підтягує, і затягніть гайку.
На передній бабці розташована таблиця із зазначенням оборотів шпинделя. На кожусі гітари розташовані таблиці подач: таблиця подачі для точення прохідним різцем, таблиця зміни зубчастиних коліс для нарізання зовнішнього різьблення різцем і великих величин подачі, таблиця подач для нарізання метричного різьблення та таблиця подач для нарізання дюймового різьблення.



Вимкніть верстат від електромережі!
Змінні шестерні знаходяться на гітарі. Відпустіть гвинт (1), розташований праворуч внизу гітари – за змінним зубчастиним колесом (F), та поверніть механізм гітари вправо.
Відкрутіть гвинт (2) з ходового ггвинта або гайки (3), що закріплюють змінні зубчасті колеса.
Після цього візьміть необхідні змінні шестерні згідно з обраною подачею по таблиці подач і закріпіть їх відповідно гайками (3) та гвинтом (2). Поверніть механізм гітари вліво так, щоб зубчасте колесо (B) знову увійшло в зачеплення з проміжною шестернею (Z40). У бічний зазор між колесами вставити аркуш паперу (щільністю 80 г/м 2 ) як регулювальний засіб. Закріпіть механізм гітари, закрутивши гвинт (1) до упору.
Надягніть і закріпіть кожух гітари, приєднайте верстат до електромережі.
Вказівка: приклад підбору змінних зубчастиних коліс:
Позиції змінних зубчастиних коліс зазначені в таблиці подачі літерами від A до F. У прикладі встановлюється величина подачі 0,1 мм. Для встановлення даної подачі необхідно встановити змінні зубчасті колеса таким чином:
Зубчасті колеса, що знаходяться в зачепленні, розташовані в таблиці одне над одним.
Знаходження коліс у зачепленні позначено знаком (|).
Наприклад, при подачі 0,1 мм: колесо зубчасте A (z=33) знаходиться в зачепленні з колесом C (z=90).
Положення зубчастиних коліс при нарізанні різьблення різцем вказані в таблицях на кожусі гітари. Установка необхідних подач проводиться тим самим способом, що й у п. 12.3.3 „Установка подачі". У деяких осередках таблиць різьблення стоїть значення „Н". Це означає, що це колесо не бере участі в зачепленні.
Колеса цих позицій Ви можее не встановлювати, або встановити колеса малого діаметра.
Зверніть увагу на те, щоб у цьому випадку колеса не увійшли до зачеплення!
Супорт верстата містить органи керування подачею та несе на собі фартух верстата. Супорт виконує такі функції:
Рукоятка подачі включає та вимикає режим механічної поздовжньої подачі та подачі для нарізування різьблення. Подача здійснюється у вигляді гайки ходового ггвинта. Нижнє положення рукоятки подачі включає автоматичну подовжню подачу. Маховичок здійснює ручну поздовжню подачу супорта.
Маховичок здійснює ручне переміщення поперечних санок.
Верхні санки супорта несуть чотирипозиційний різцетримач і називаються також інструментальними санками. Маховичок переміщує верхні санки.
Також можливе обточування коротких конусів з використанням верхніх санчат. Для виконання цієї операції потрібно послабити дві гайки (7) зліва та праворуч від верхніх санчат. Після цього верхні санки можна обертати. Після того, як санки приведені в потрібне положення, гайки потрібно затягнути знову.

Слабіну в задній напрямній (1) внаслідок зношування та тертя можна усунути за допомогою шестигранних гвинтів.
Слід спочатку відпустити всі гайки (2), а потім повернути на невеликий кут за годинниковою стрілкою гвинти із внутрішнім шестигранником (3). Після цього необхідно затягнути усі гайки (2).
Вказівка:
Повертайте регулювальні гвинти лише на невеликі кути. Поворот ггвинта із внутрішнім шестигранником на кут 90 градусів відповідає його переміщенню приблизно на 0,2 мм.

Слабину в поперечних санках можна усунути регулюванням клинової планки (1).
Відпустити гайки (2), а потім повернути на невеликий кут за годинниковою стрілкою гвинти (3). Після цього затягнути усі гайки (2).

Слабину в поперечних санках можна усунути регулюванням клинової планки (1).
Відпустити гайки (2), а потім повернути на невеликий кут за годинниковою стрілкою шпильки (3). Після цього затягнути усі гайки.
Задня бабка призначена для центрування свердління заготовок, підтримки довгих валів, а також точення довгих тонких конусів.
Піноль задньої бабки (1) служить для закріплення інструменту (свердла, наполегливі центри і т.д.). Закріплення пінолі здійснюється за допомогою рукоятки (2).
Переміщення пінолі здійснюється поворотом маховичка (3). Рукоятка затискача задньої бабки (4) фіксує задню бабку на станині верстата. Регулювальні гвинти (5) з лівого та правого боку бабки використовуються для поперечного зміщення бабки для точення довгих тонких конусів. Для зміщення рукоять затискача (4) має бути ослаблена.
Переконатись, що затискна гайка задньої бабки ослаблена. Відпустіть гвинт (1), розташований на торці задньої бабки, приблизно на 1/2 обороту. Після цього зміщуйте задню бабку обертанням з нульового положення обох регулювальних гвинтів (2) - відпускаючи один і затягуючи інший. Величина усунення може контролюватись за шкалою (3). Потім необхідно спочатку затягнути гвинт (1), потім обидва регулювальних ггвинта. Після регулювання необхідно закріпити задню бабку затискною гайкою.
Для запобігання небажаному з'їзду задньої бабки зі станини в кінці станини розташований запобіжний гвинт (1).
Вказівка:
Обов'язково перевіряйте закріплення задньої бабки та її пінолі при точенні в центрах!
Метричні різьблення вказуються як крок різьблення. У прикладі вище поздовжня каретка супорта переміщається на 1,25 мм за один оберт шпинделя. Дюймове різьблення вказується як кількість повних витків різьблення (ниток) на дюймі довжини. Один дюйм має довжину 25,4 мм.
ОБЕРЕЖНО!
При включенні токарного верстата на високих оборотах та з включеною автоматичною подачею поздовжня каретка супорта пересувається з високою швидкістю.
Наприклад, при включенні токарного верстата з встановленим кроком різьблення 1,25 мм і частотою обертання шпинделя 2500 хв-1 швидкість переміщення поздовжньої каретки супорта складе 52 мм в секунду.
Нарізання різьблення завжди проводиться на мінімальних оборотах шпинделя.
Загальне міркування: високі швидкості різання дають виграш у часі, низькі швидкості різання дають економічно вигіднішу стружку сколу.
Чинники, що впливають на швидкість різання
Фс = швидкість різання [м/хв]
т = стійкість різця [хв]
Стійкість різця цей час роботи різця в хвилинах до появи необхідності його перезаточування. Вона має важливе економічне значення. При обробці одного й того матеріалу т тим менше, що більше Фс, наприклад лише кілька хвилин при Фс=2000 м/мин.
Для забезпечення рівного т при обробці різних матеріалів потрібні різні Фс. Усі дані в таблиці нижче наведені для певних постійних параметрів режиму різання (матеріал, інструмент та інше). При зміні хоча б одного параметра для забезпечення рівного т повинна змінюватися і Фс.
При різанні кромка інструменту сильно нагрівається.
Тому бажано використовувати охолодження зони різання. Охолодження зони різання спеціально призначеною системою подачі СОЖ покращить якість обробки та значно продовжить життя інструменту.
ІНФОРМАЦІЯ
В якості СОЖ рекомендується використовувати водорозчинну емульсію, яка не завдає шкоди навколишньому середовищу, яка може бути здана продавцю для утилізації.
Зверніть увагу на те, що вся використана СОЖ повинна збиратися. Дотримуйтесь вказівок виробника щодо її утилізації.

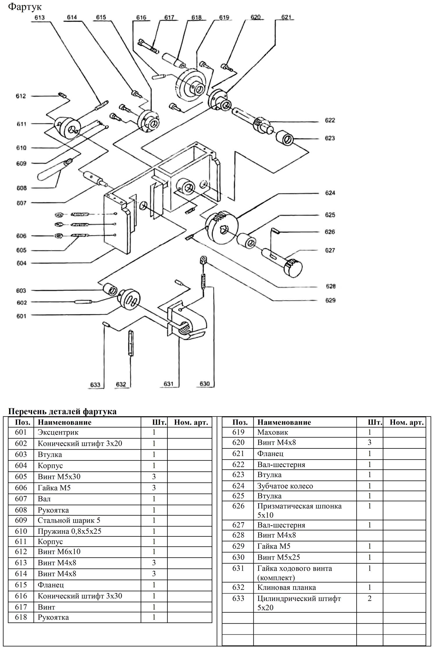
Схема збирання токарного верстата MML 250x550. Станіна. Дивитись у збільшеному масштабі

Схема збирання токарного верстата MML 250x550. Передня бабка. Дивитись у збільшеному масштабі

Схема збирання токарного верстата MML 250x550. Задня бабка. Дивитись у збільшеному масштабі




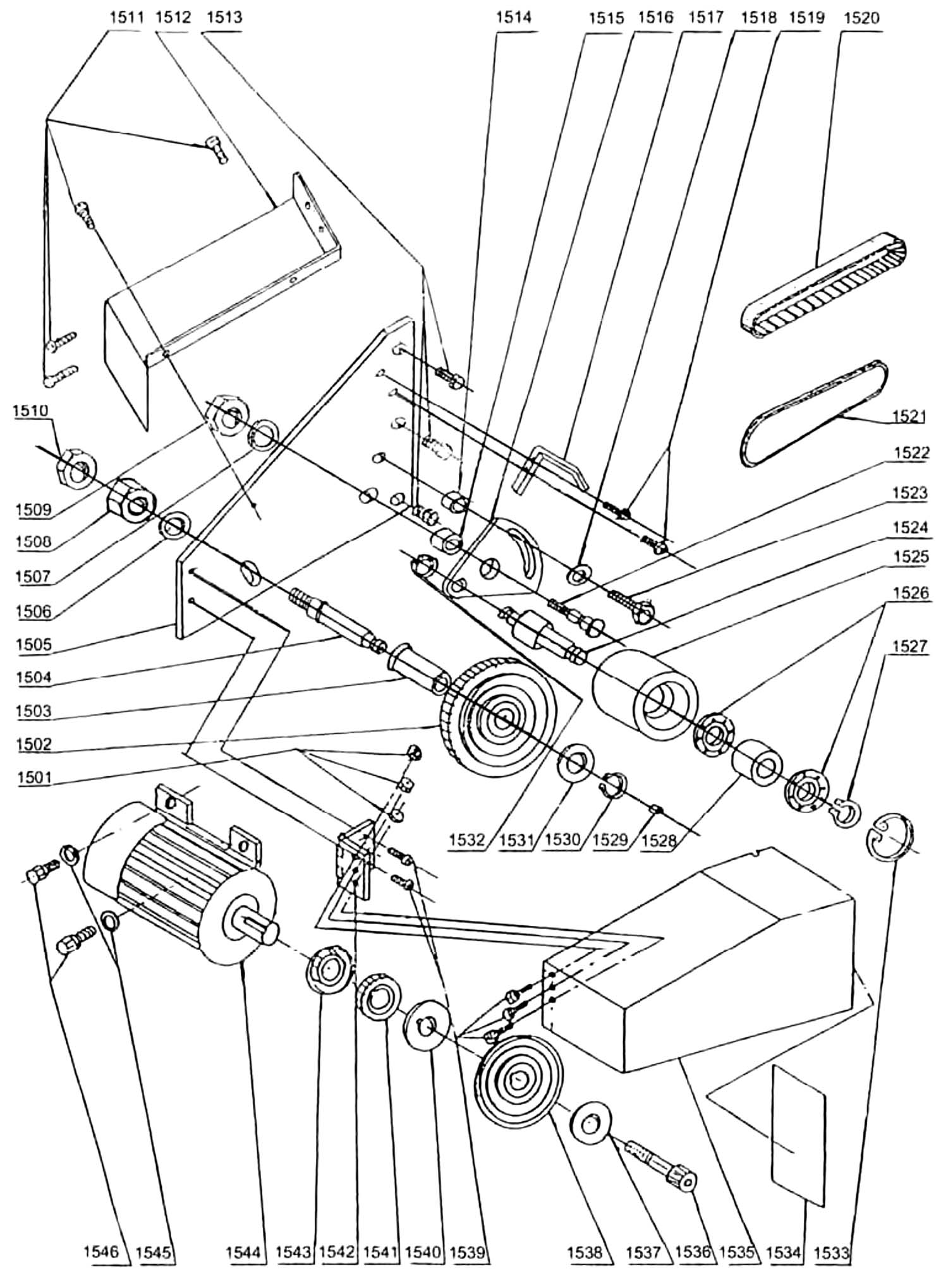
Схема збирання токарного верстата MML 250x550. Фартух. Дивитись у збільшеному масштабі

Схема збирання токарного верстата MML 250x550. Гітара. Дивитись у збільшеному масштабі

Схема збирання токарного верстата MML 250x550. Фланець патрона. Дивитись у збільшеному масштабі

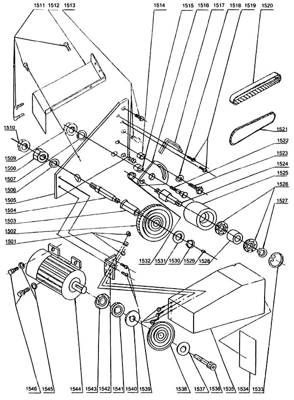
Схема збирання токарного верстата MML 250x550. Привід верстата. Дивитись у збільшеному масштабі
Як працювати на токарномуу верстаті з металу Metal Master MML 2550V
Замер твердости станины токарного верстата Metal Master MML 2550V
| Найменування параметру | ММЛ 250х550 | ММЛ 250х550 Варіо |
|---|---|---|
| Основні параметри верстата | ||
| Найбільший діаметр заготовки над станиною, мм | 250 | 250 |
| Найбільший діаметр заготовки над супортом, мм | ||
| Найбільша довжина заготовки у центрах (РМЦ), мм | 550 | 550 |
| Максимальний розмір державки різця, мм | 14 | 14 |
| Шпиндель | ||
| Діаметр наскрізного отвору в шпинделі, мм | 21 | 21 |
| Конус шпинделя | MT 3 | MT 3 |
| Число ступенів частот прямого обертання шпинделя | 6 | 2* Б/с |
| Частота прямого обертання шпинделя, об/хв | 125..2000 | 150..2000 |
| Диаметр токарного патрона, мм | 125 | 125 |
| Супорт. Подання | ||
| Найбільше поздовжнє переміщення каретки супорта, мм | ||
| Переміщення супорта поздовжнє на один поділ лімба, мм | ||
| Найбільше поперечне переміщення супорта, мм | 110 | 110 |
| Переміщення супорта поперечне на один поділ лімба, мм | 0,05 | 0,05 |
| Переміщення різцевих санок на один поділ лімба, мм | 0,02 | 0,02 |
| Найбільше переміщення поворотного супорта (різцевих санок), мм | 70 | 70 |
| Кут повороту різцевих санчат, град | ±90° | ±90° |
| Межі поздовжніх робочих подач супорту, мм/про | 0,1..0,2 | 0,1..0,2 |
| Межі кроків різьб метричних, що нарізаються, мм | 0,4..3,5 | 0,4..3,5 |
| Діапазон нарізних різьблень дюймових, ниток/дюйм | 10..44 | 10..44 |
| Задня бабка | ||
| Конус задньої бабки | MT 2 | MT 2 |
| Найбільше переміщення пінолі, мм | 70 | 70 |
| Електроустаткування | ||
| Номінальна напруга живлення, | 220 в 50 Гц | 220 в 50 Гц |
| Електродвигун головного приводу, Вт | 750 | 1100 |
| Габарити та маса верстата | ||
| Габарити верстата (довжина ширина висота), мм | 1110 х 500 х 500 | 1110 х 500 х 500 |
| Маса верстата (нетто/брутто), кг | 125 | 120 |