metalinstryment.com
Довідник по металорізальних верстатів та пресовому обладнанні

TOS FA-3V верстат вертикальний консольно-фрезерный
схеми, опис, характеристики

TOS FA-3V верстат вертикальний консольно-фрезерный







Відомості про виробника консольно-фрезерного верстата FA3v

Производитель токарно-гвинторізного верстата FA3v - TOS Kurim) 1942–2023 годы, ЧехоСловакия, http://www.tos-kurim.cz/ru/.

В настоящее время TOS KUŘIM OS,a.s. (Чешская Республика і ČKD BLANSKO–OS.

В 2018 году общества TOS KUŘIM і ČKD BLANSKO–OS включились в группу обществ TOSHULIN.





Верстати, выпускаемые в Чехословакии


TOS FA3v Верстат фрезерный консольный вертикальний. Назначение, область применения

Точную копию вертикального фрезерного верстатаTOS FA-3V произодил Хичхонский станкостроительный завод (Северная Корея, КНДР) - ФУ2-250.

Фрезерный верстат TOS FA-3 представляет собой верстат консольного типа для обробки изделий средних і мелких размеров, весом не более 250 кг.

По своей конструкції верстат предназначен, головним образом, для роботи в условиях серийного производства.


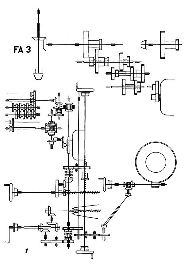
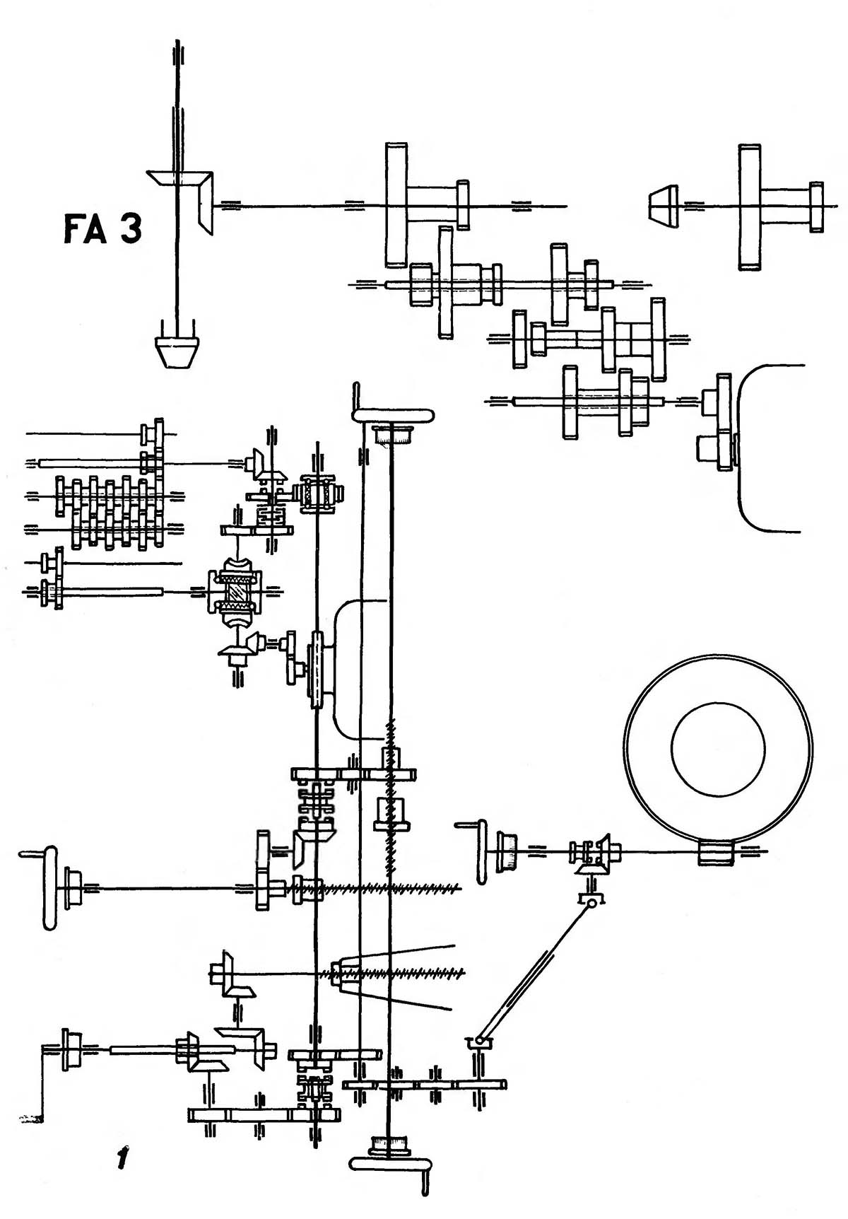
Техническое опис і принцип роботи верстата FA3v

Серия фрезерных верстатів TOS FA-3 состоит из трех моделей:

Рабочий стол всех трех моделей имеет одинаковую конструкцию. Он установлен на консоли, і перемещается по трем осям: вертикально, продольно, поперечно.

Верстат TOS FA-3 соответствует, примерно, первому типоразмеру (из 4-х) фрезерных верстатів (стол 250 х 1250), по российской классификации (модели 6Н11, 6Н81, 6Н81Г; 6Р11, 6Р81, 6Р81Г, 6Р81Ш стол 250 х 1000) Класифікація фрезерных верстатів.

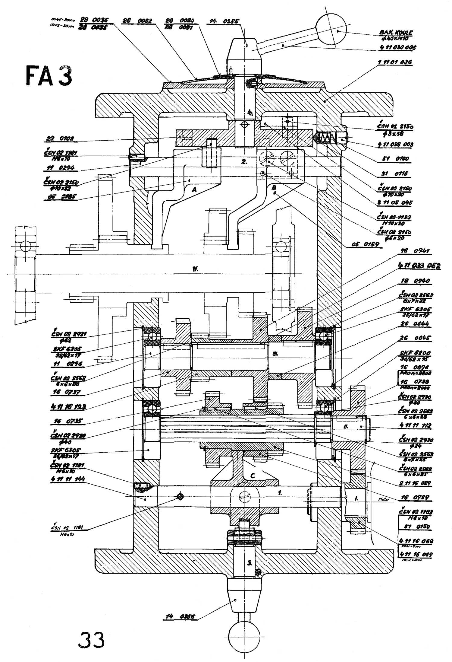
Привід верстата осуществляется от двух електромоторов. Привід шпинделя исполнен от самостоятельного електромотора з непосредственной передачей зубчатыми колесами без ремней. Привід подач исполнен также от самостоятельного електромотора зубчатыми колесами без ремней. Индивидуальным електромотором приводится в рух насос для охлаждения і насос для змазки.

Основание верстата исполнено в качестве резервуара для охлаждающей жидкости.

Переключення чисел оборотів коробки швидкостей осуществляется при помощи двух рукояток, а коробки механізма подач при помощи одной рукоятки.

Направление движений включается при помощи одной рукоятки, причем одновременно загорается контрольная лампочка включенного руху.

Рабочая подача включается отдельной рукояткой, причем увімкнення можно производить только при вращающемся шпинделе.

Ускоренный ход включается той же рукояткой і можно его включать как во время ходу шпинделя, так і при остановленном шпинделе.

Електроустаткування расположено в нижней частини стойки.

Рабочие возможности верстата FA3v

На фрезерном станке типа FA 3 можно производить обработку одного или большего количества изделий общим весом не более 250 кг.

Из трех движений (продольного, поперечного, вертикального) можно включать лишь одно, вследствие чего исключается возможность одновременного увімкнення двух разных движений одновременно.

Кроме обычного фрезерування на станке можно при применении специальных приладдя производить фрезерование круглых изделий или лишь частини контура, которые невозможно исполнить на токарному станке.

Кроме того на станке можно исполнять делительные роботи при применении універсального делительного аппарата или поворотного стола.

Рабочие возможности універсального і горизонтального фрезерного верстата можно значительно расширить путем применения вертикальной головки. В таком случае на данных верстатах можно исполнять разные роботи, которые обычно производятся на вертикально-фрезерных верстатах. При применении универсальной фрезерной головки на верстатах можно обрабатывать трудно доступные поверхности, головним образом косые, а кроме того такие поверхности, где ось шпинделя должна быть параллельной продольному движению стола, как например, при фрезеровании зубчатых реек, при одновременном применении аппарата для продольного деления. Данный аппарат може быть применен лишь у универсально-фрезерного верстата.

Дальнейшим дополнительным пристрійм горизонтально- і универсально-фрезерных верстатів является долбежная головка, которая заменяет долбежный верстат, что находит особое применение в небольших мастерских.


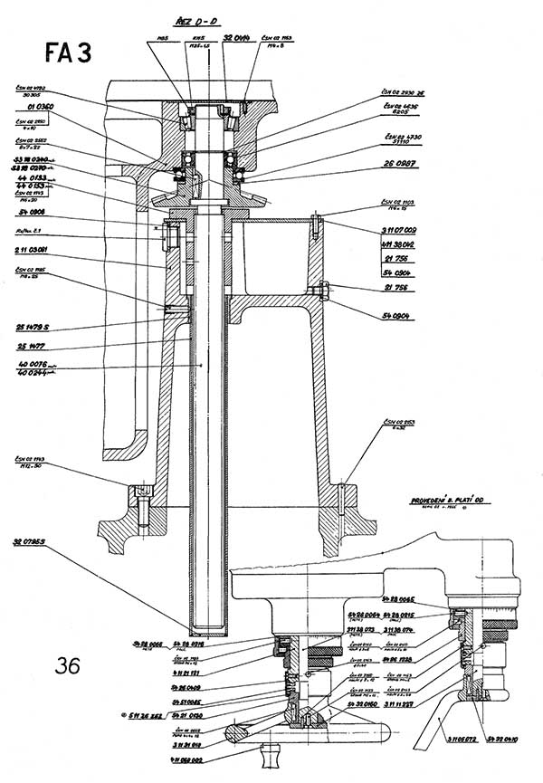
Габаритные розміри вертикально-фрезерного верстата FA3v

FA3v Габаритные розміри фрезерного верстата

Габаритные розміри фрезерного верстата FA3v



Загальний вигляд вертикального консольно-фрезерного верстата FA3v

Фото фрезерного верстата FA3v

Фото консольно-фрезерного верстата FA3v

Фото фрезерного верстата FA3v. Дивитись у збільшеному масштабі



Фото фрезерного верстата FA3v

Фото консольно-фрезерного верстата FA3v

Фото фрезерного верстата FA3v. Дивитись у збільшеному масштабі



Фото фрезерного верстата FA3v

Фото консольно-фрезерного верстата FA3v

Фото фрезерного верстата FA3v. Дивитись у збільшеному масштабі



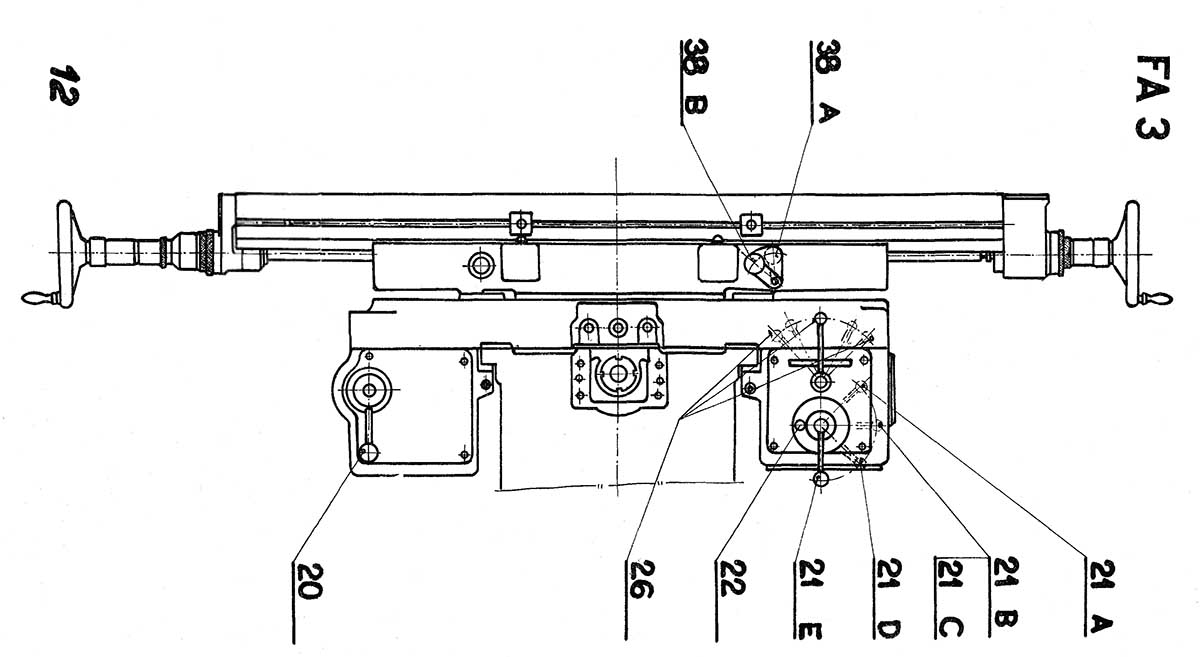
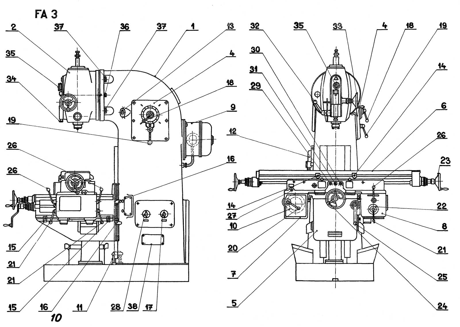
Розташування органів керування фрезерным верстатом моделі FA3v

FA3v Розташування органів керування фрезерным верстатом модели

Розташування органів керування фрезерным верстатом FA3v

Розташування органів керування фрезерным верстатом моделі FA3v. Дивитись у збільшеному масштабі



FA3v Розташування органів керування фрезерным верстатом модели

Розташування органів керування фрезерным верстатом FA3v

Розташування органів керування фрезерным верстатом моделі FA3v. Дивитись у збільшеному масштабі



Список основних вузлів і органів керування верстатом FA3v (рис. 10, 11)


Мужчина считается толковым работником, пока не доказано противное; женщина считается бестолковой, пока не докажет обратное.

Закон Мерфи