Виробником настільного свердлильного верстата 2С108П є Молодечненський верстатобудівний завод МСЗ , заснований у 1947 році.
З січня 1958 року завод став іменуватися Молодеченським верстатобудівним заводом, отримавши завдання спеціалізуватися на випуску свердлильних верстатів. Починаючи з 1961 року, завод почав серійно випускати двошпиндельні, тришпиндельні, а потім універсальні вертикально-свердлильні верстати.
Верстат настільно-свердлильний підвищеної точності моделі 2С108П призначений для свердління отворів у дрібних деталях із чавуну, сталі, кольорових сплавів та неметалічних матеріалів.
Свердлильний верстат 2С108П дозволяє виконувати такі операції:
Шпиндель верстата 2С108П отримує 8 швидкостей обертання від 2-х пар змінних шківів приводу і шпинделя, що забезпечує швидкості різання 500, 700, 1000, 1400 об/хв від 1-ї пари шківів і 2000, 2800, 4 2-ї пари шківів.
Кінець шпинделя - укорочений зовнішній конус морзе В12. У комплект верстата входить патрон свердлильний 8-1-В12 ГОСТ 15935-88 з діапазоном затиску від 0,5 до 8 мм.
Відлік глибини свердління провадиться по лімбу на рукоятці подачі шпинделя. Ціна поділу лімбу – 1 мм.
Оригінальна конструкція натягу ремінної передачі дозволяє швидко змінювати шківи та положення ременя на шківах для отримання потрібної швидкості різання.
Точність верстата 2С108П забезпечується якістю складання та регулювання основних вузлів.

Фото свердлильного верстата 2с108п

Розташування органів керування свердлильним верстатом 2с108п

Кінематична схема свердлильного верстата 2С108п

Свердлильний верстат 2с108п у розрізі
Свердлильний верстат 2с108п у розрізі. Завантажити у збільшеному масштабі

Свердлильна головка верстата 2с108п у розрізі
Свердлильна головка верстата 2С108П в розрізі. Завантажити у збільшеному масштабі
Колона 14 кріпиться у спеціальному цоколі 2 на верхньому платику стола 1.
По колоні переміщається свердлильна головка . У колоні 14 розміщений механізм підйому свердлильної головки, що складається з гвинтової пари 3 і 4, обертання якої здійснюється рукояткою.
Чавунний корпус становить 13 основу свердлильної головки. У корпусі змонтований шпиндельний вузол, гвинтова пара механізму підйому свердлильної головки, механізм натягу ременя, що складається з санок 5, шестерні 23, рейки 22, рукоятки затиску 26 і механізм затиску свердлувальної головки на колоні, що складається з двох сухарів 17.
Шпиндельний вузол верстата складається з шпинделя 9, пінолі 12 з підшипниками і склянки 10 з підшипниками провідної втулки шпинделя, яка служить для розвантаження шпинделя і кріплення ступінчастиних шківів 8. Піноль переміщається у втулці 11, запресовану в корпус. рукояткою 19 за допомогою вал-шестірні 21.
Відлік глибини свердління проводиться го лімбу 18 і укріпленої на корпусі свердлильної головки стрілці 20. Для налаштування на задану глибину свердління необхідно відвернути гвинт на вал-шестерні 21 і повернути корпус лімба на величину глибини свердління. Ціна поділу лімбу – 1 мм.
Возврат пиноли в верхнее положение осуществляется пружиной 25, которая одним концом укреплена на вал-шестерне 21, а другим концом - в корпусе пружины 24. Для установки требуемого числа оборотів шпинделя необходимо поднять кожух, пользуясь таблицей чисел оборотів установить приводной ремень на соответствующую ступень шкивов или сменить шкивы. При етом следует отжать рукоятку 26 і поворотом рукоятки 23 добиться нормального натяжения ремня, після чего рукоятку 26 зажать.
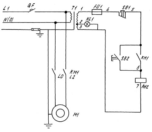
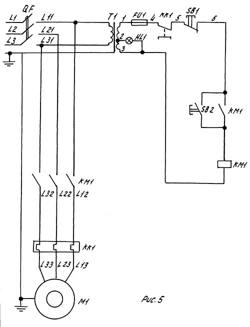
Электропитание сверлильного верстата 2С108п ~380 или ~220 Вольт. Верстати, изготовленные для промышленных предприятий і учебных заведений имют питающее напряжение ~380 В, для передвижных мастерских - ~220 В. Местное освещение имеет безопасное напряжение ~24 В.
Все електрообладнання верстата: переключатели, трансформатор, предохранители помещается под плитой робочого стола.

Електрична схема сверлильного верстата 2с108п на 220В

Список елементів к схеме сверлильного верстата 2с108п на 220В

Електрична схема сверлильного верстата 2с108п на 380В
| Наименование параметра | 2н106П | 2а106п | 2с108П |
|---|---|---|---|
| Основні параметри верстата | |||
| Наибольший условный диаметр сверления в стали 45, мм | 6 | 6 | 8 |
| Наименьшее і наибольшее расстояние от торца шпинделя до стола | 50..250 | 25..200 | 250 |
| Расстояние от оси шпинделя до направляючих стойки (вылет), мм | 125 | 125 | 190 |
| Рабочий стол | |||
| Розміри рабочей поверхности стола, мм | 200 х 200 | 200 х 200 | 250 х 250 |
| Число Т-образных пазов Розміри Т-образных пазов | 1 | 1 | 1 |
| Шпиндель | |||
| Наибольшее перемещение шпиндельной головки по колонне, мм | 130 | 105 | 130 |
| Ход гильзы шпинделя, мм | 70 | 70 | 70 |
| Частота обертання шпинделя, об/мин | 1000..8000 | 1548..15000 | 500..5600 |
| Количество швидкостей шпинделя | 7 | 6 2 шкива х 3 |
8 |
| Конус шпинделя | Морзе 1а | Морзе II-Iв | 1АТ7 ГОСТ 25557 |
| Привод | |||
| Електродвигун привода, кВт | 0,4 | 0,4 | 0,37 |
| Габарит і масса верстата | |||
| Габарити верстата (длина ширина высота), мм | 560 х 405 х 625 | 600 х 350 х 650 | 750 х 335 х 540 |
| Масса верстата, кг | 80 | 73 | 80 |