Виробник внутрішньошліфувального верстата 3А227, 3А227П - Саратовський верстатобудівний завод ім. 60-річчя СРСР, ССЗ , заснований у 1940 році.
Початок виробництва внутрішньошліфувального верстата 3А227 , 3А227П – 1967 рік. Верстат знято з виробництва та в 1971 році замінено більш досконалою моделлю 3К227А , 3К227В .
Внутрішньошліфувальні верстати моделей 3А227 , 3А227П і 3А227В призначаються для шліфування циліндричних та конічних, глухих та наскрізних отворів діаметром від 20 до 100 мм, довжиною до 125 мм при найбільшому діаметрі, з кутом 0.
Верстати моделей 3А227 та 3А227П забезпечені торцешліфувальним пристроєм, що дозволяє шліфувати зовнішній торець виробу за один установ зі шліфуванням отвору.
Верстат моделі 3А227П за конструкцією однаковий з моделлю 3А227 , але в порівнянні з останньою забезпечує точність шліфування в 1,6 рази вище і є верстатом високої точності.
Область застосування верстатів — машинобудівні заводи з дрібносерійним та серійним виробництвом, а також інструментальні та ремонтні цехи цих заводів.
Верстати у звичайному виконанні призначені для роботи в країнах з помірним кліматом за температури навколишнього середовища 15°..25°С.
Верстати тропічного виконання призначені для роботи у вологому тропічному кліматі з максимальною відносною вологістю повітря 95% за температури +35°.
Клас точності верстатів Н, П згідно з ГОСТ 8-82Е.
Категорія якості – найвища.
Розробник - Саратовський верстатобудівний завод ім. 60-річчя СРСР.

Посадочні та приєднувальні бази внутрішньошліфувального верстата 3а227

Фото внутрішньошліфувального верстата 3а227

Фото внутрішньошліфувального верстата 3а227

Розташування складових частинин верстата 3а227

Бабка внутрішньошліфувального верстата 3а227

Розташування органів керування внутрішньошліфувальним верстатом 3а227
Верстат состоит из вузлів, обозначенных на общем виде (рис. 7 і 8), согласно спецификации вузлів.
Узел бабки вироби (рис. 6) состоит из моста 1, закрепленного на станине, салазок 2, получающих поперечное перемещение от механізма подачі винтом 3 і гайкой 4, і шпиндельной бабки 5, установленной на салазках.
Передня опора шпинделя смонтирована на двухрядном роликовом подшипнике з коническим отверстием; задня опора базируется на двух радиально-упорных шарикопідшипниках, собранных з предварительным натягом.
Сквозное отверстие шпинделя используется для подвода охлаждающей жидкости к изделию, а также може быть использовано для прохода штока механізма зажиму вироби при применении специального патрона или для подвода проводов к електромагнитному патрону.
В конструкції предусмотрена возможность установки на задний конец шпинделя пневматического цилиндра для зажиму вироби.
Для шлифовки конических отверстий шпиндельна бабка може разворачиваться на салазках относительно оси 6 посредством гвинта 7 і гайки 8.
Перемещение салазок по мосту осуществляется по направляющим качения (роликовым) типа «ласточкина хвоста»; зазор в направляючих регулируется клином 9.
Зазор в резьбе гвинта подачі і гайки выбирается посредством дополнительной гайки 10, находящейся под действием пружины 11.
На фланце шпинделя установлен трехкулачковый патрон, самоцентрирующий, поставляемый со верстатом. К переднему торцу бабки вироби крепится раздвижной кожух вироби (уз. 43).
На передньої частини моста смонтирован механізм поперечної подачі (уз. 42), обеспечивающий поперечную подачу вироби (ручную от маховика или рукоятки дозированной подачі і непрерывную автоматическую, действующую от гідросистемы) і наладочное перемещение его.
На верхних направляючих станины установлен стол (уз. 31), совершающий возвратно-поступательное рух от гідроцилиндра, расположенного между натравляющими станины. На столе установлена шлифовальная бабка (уз. 71).
Реверсирование стола при шлифовке і при правке осуществляется посредством упоров, укрепляемых в переднем пазу стола і действующих на гідропанель реверса стола (уз. 27).
Наладочное перемещение стола производится механізмом ручной подачі стола (уз. 32).
Шлифовальная бабка имеет наладочное перемещение вдоль стола. При отводе шлифовальной бабки і при правке шлифовальный круг закрывается кожухом ограждения (уз, 72).
Аппарат правки шлифовального круга (уз. 61) установлен на кронштейне, который крепится к салазкам бабки вироби.
Опускание аппарата правки производится гідравлически, подъем — пружинами, усилие которых можно регулировать поворотом оси обертання.
На бабке вироби установлено торцешлифовальное пристрій (уз. 51) з торцовым шпинделем (уз. 52) і механізмом правки торцешлифовального круга. Кронштейн, несущий торцовый шпиндель, закреплен на горизонтальной гильзе і поворачивается вместе з ней в рабочее положение или откинутое вверх нерабочее положение посредством гідравлики.
Установочное перемещение торцового шпинделя вдоль оси вироби производится вручную вместе з гильзой, рабочая подача осуществляется переміщенням торцового шпинделя от маховичка тонкой подачі.
Сзади верстата установлен бак гідросистемы (уз. 21) з насосной установкой, гідроаппаратурой і золотником керування торцешлифовального приспособления (узел 28). Бак частинично заходит в нишу станины (для уменьшения габарита верстата). Гідроаппаратура керування (УЗЛЫ 20 24, 26, 27, 28) і механізм ручного переміщення стола (уз. 32) размещены в передньої нише станины (рис. 8), закрытой крышками, на лицевой стороне которых расположены органы керування верстатом.
Бак охлаждения з електронасосом (уз. 14) і магнитным сепаратором расположен з правой стороны верстата. Охлаждающая жидкость подводится к изделию в двух точках: через отверстие шпинделя і к наружному торцу вироби. Оба подвода имеют проходные краны. Увімкнення і відключення подвода охлаждающей жидкости через отверстие шпинделя производится автоматически мембранным клапаном, расположенным сзади станины, от передвигаемого кулачка. Подвод охлаждающей жидкости к наружному торцу вироби производится постоянно при включенном насосе охлаждения. Очистка охлаждающей жидкости осуществляется магнитным сепаратором. Керування циклом роботи верстата осуществляется з помощью соответствующих кнопок і переключателей, расположенных на пульті керування верстатом і на корпусе механізма поперечної подачі вироби. Электроаппаратура размещена в електрошкафу. Конечный выключатель, микровыключатель, електромагниты встроены в вузли верстата.
Питание ланцюгів електроустаткування осуществляется следующими напряжениями:
Електроустаткування верстата предназначено для подключения к трехфазной сети переменного тока з глухозаземленным или изолированным нейтральным проводом.
На станке установлены четыре трехфазных короткозамкнутых асинхронных електродвигуна:
Електродвигун постоянного тока (6Д), независимого возбуждения, мощностью 0,76 кВт, 220 В, 2500 об/мин, входящий в комплект приводу з магнитным усилителем ПМУ5-М4

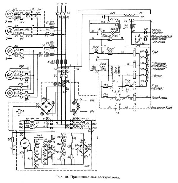
Електрична схема внутришлифовального верстата 3а227
Схема електрична принципова шлифовального верстата 3А227, 3А227П. Дивитись у збільшеному масштабі

Список елементів внутришлифовального верстата 3а227
Список елементів внутришлифовального верстата 3А227, 3А227П. Дивитись у збільшеному масштабі

Список елементів внутришлифовального верстата 3а227
Список елементів внутришлифовального верстата 3А227, 3А227П. Дивитись у збільшеному масштабі
Увімкненням выключателя ввода АВ на верстат подается напряжение, загорается сигнальная лампа 1ЛС. Стол находится в исходном положении, конечный выключатель 1ВК нажат. Нормально закрытый (н.з.) контакт 1ВК в точках 29—31 разомкнут. Торцешлифовальное пристрій стоит в нерабочем положении. Переключатель ВТ отключен (положение II). Выключателем обертання вироби ПИ замыкаются точки 31—33 (положение «работа»).
Нажатием на кнопку 2КУ включается і ставится на самопитание пускатель 1К. Силовые контакты 1К включают двигатель шлифовального круга 1Д. Нажатием на кнопку 4КУ включается і ставится на самопитание пускатель ЗК.
Силовые контакты ЗК включают двигатель гідросистемы ЗД, електронасос охлаждения 4Д і електродвигатель магнитного сепаратора 5Д.
Переключатель ВОС стоит в положении «включено», контакты в точках 37—57 замкнуты, в точках 20—22 разомкнуты.
Рукояткой гідросистемы стол натравляется к изделию. Кулак стола освобождает конечный выключатель 1ВК, н.з. контакт 1ВК. в точках 29—31, замыкаясь, включает магнитный пускатель 4К. Замыкание н.о. контакта 4К в точках 37—53 подготавливает к включению електромагнит 2Э. Силовые контакты 4К включают привід з магнитным усилителем ПМУ. Двигатель приводу вироби 6Д начинает вращаться. Скорость обертання двигуна 6Д регулируется потенциометром Р. Круг входит в изделие, начинается шлифование.
После снятия установленной величины припуска замыкается микропереключатель 2ВК механізма поперечної подачі, включается електромагнит 2Э, который обеспечивает отвод стола в исходное положение. В исходном положении стол нажимает упором на конечный выключатель 1ВК. Н. з. контакт 1ВК. в точках 29—31 размыкается, отключая пускатель 4К. Размыканием н.о. контактов 4К отключается привід ПМУ. Н.з. контакт 4К в точках 37—53 отключает електромагнит 2Э і схема керування приводится в исходное положение.
Изделие шлифуется до замыкания контакта 2ВК, как в предыдущем случае. При необходимости произвести дошлифовку: надо переключатель ВОС поставить в положение «отключено».
Контакт переключателя в точках 20—22 включает сигнальную лампу «автоматический отвод стола отключен».
В точках 37—57 контакт переключателя отключает ланцюг живлення електромагнита 2Э, чем устраняется возможность срабатывания его при замыкании микропереключателя 2ВК. В етом случае ланцюг електромагнита 2Э разорвана і автоматичного відведення стола не произойдет. После дошлифовки стол выводится в исходное положение поворотом рукоятки контрольного клапанa гідросистемы вручную.
Для шлифовки торца переключатель ВТ включается (положение I), контакты в точках 44—45 замкнуты. Переключатель вироби ПИ ставится в положение, замыкающее точки 29—33 (положение «наладка»).
Нажатием на кнопку 5КУ включается і ставится на самопитание магнитный пускатель 2К, силовые контакты которого включают електродвигатель торцешлифовального приспособления 2Д.
В исходном положении стол упором нажимает конечный выключатель 1ВК. Н.о. контакт, в точках 19—27 замыкаясь, включает електромагнит 1Э і происходит опускание торцешлифовального приспособления.
Подъем торцешлифовального приспособления осуществляется переключателем ВТ (положение II). Остановка електродвигуна вироби 6Д і торцешлифовального приспособления 2Д осуществляется переключателем ПИ (положение отключено).
От коротких замыканий електрообладнання верстата защищается плавкими предохранителями 1П 3А2276П. Двигатели переменного тока обеспечены нулевой защитой. От перегрузок двигатели защищаются тепловыми реле 1РТ ÷ 6РТ. Пуск стола из исходного положения возможен только при снятии механической блокировки стола.
После установки верстата на фундамент он должен быть заземлен. Для етого сзади станины внизу і на електрошкафе имеются винты, обозначенные табличкой «заземление».
Примечание. Уставка тока тепловых реле дается при температуре окружающей среды +20°С. При повышении температуры окружающей среды на 10°С уставка должна уменьшаться на 3% от номинальной.
Электропривід серии ПМУ5-М4 обеспечивает вращение шпинделя вироби.
Привід состоит из двигуна постоянного тока, блока живлення і регулятора скорости.
Привід рассчитан для стационарной установки на высоте не более 1000 м над уровнем моря, при относительной влажности не более 75% И температуре окружающей среды до +45°С. Привід не рассчитан для роботи во взрывоопасной или химически агрессивной среде, ,в условиях ударов, сильных толчков і вибраций.
Схема приводу состоит из силовой частини, ланцюги керування і вспомогательных ланцюгів
Силовая часть приводу представляет собой управляемый статический преобразователь переменного тока в постоянный.
Для изменения выпрямленного напряжения служат магнитные усилители МУ1, МУ2, МУЗ, рабочие обмотки которых (W1) включены в плечи селенового выпрямителя (1В), собранного по трехфазной мостовой схеме. Нагрузкой силовой частини приводу является якорь двигуна 6Д.
Для получения устойчивых і жестких механических характеристик приводу в систему введены отрицательная обратная связь по напряжению і положительная обратная связь по току.
Результирующий ток в обмотке керування W2 зависит от алгебраической суммы трех напряжений: задающего — Uз, напряжения на якоре двигуна — Uя і напряжения токовой связи Uост, снимаемого з сопротивления 5R. Сопротивление 5R является нагрузкой выпрямителя ЗВ. Выпрямитель ЗВ включен на входе трансформатора тока Тт. Поетому Uост является функцией тока в якоре двигуна. При изменении нагрузки двигуна, например при її увеличении, в первый момент скорость обертання двигуна уменьшается. Это обусловлено увеличением падения напряжения на якорь і снижением напряжения Uя.
После етого вступает в действие система автоматичного регулювання. Так как U3 остается неизменным, а U уменьшается, то разность между ними возрастает. Ток в обмотке керування W2 увеличивается. Кроме того, он увеличивается благодаря действию вузла токовой связи, т. к. увеличение нагрузки влечет за собой рост тока в ланцюги якоря і увеличение тока, потребляемого из сети.
В результате етого напряжение на выходе выпрямителя ЗВ увеличивается, обеспечивая увеличение тока в обмотке W2.
Нарастание тока в обмотке W2 увеличивает подмагничивание силових обмоток W1, МУ-1, МУ-2, МУ-3, в результате чего их индуктивное сопротивление уменьшается. В итоге растет выпрямленное напряжение Uя, компенсирующее снижение скорости обертання под влиянием увеличения нагрузки.
Нарастание напряжения Uя прекращает рост тока в обмотке W2. Спустя некоторое время (0,1 — 0,3 сек), в системе наступает устойчивое равновесие.
Повышению жесткости механических характеристик приводу способствует внутренняя положительная связь по току. Ее действие заключается в автоматическом уменьшении индуктивности обмоток дросселей W1 при увеличении тока в ланцюги якоря. Это происходит за счет роста постоянной составляющей тока, протекающего через каждый магнитный усилитель, что способствует дополнительному подмагничиванию силових обмоток W1 магнитных усилителей.
Благодаря етому увеличение нагрузки одновременно вызывает повышение выпрямленного напряжения Uв, что способствует уменьшению погрешности приводу от изменения нагрузки.
Вспомогательные схеми ланцюги приводу включают в себя ланцюг живлення обмотки возбуждения ОВ і обмотки смещения W3.
Ланцюги возбуждения, смещения і задающего потенциометра Р питаются от общего выпрямителя 2В, питающегося от трансформатора 7н. На выходе выпрямителя включен сглаживающий конденсатор С.
Назначение регулировочных сопротивлений:
Величина 5R выбрана таким образом, что при її максимальном значении в системе приводу возникают автоколебания скорости обертання. Заводская регулировка 5R должна обеспечить отсутствие автоколебаний при требуемой жесткости механических характеристик.
Верстат поставляется з отрегулированным приводом согласно технической характеристике верстата і дополнительной регулировке не подлежит.
В крайнем случае, если в процессе експлуатации верстата производилась замена окремих елементів схеми приводу (ввиду их выхода из строя) или произошло расформирование селеновых елементів після длительного хранения і привід не обеспечивает требуемой жесткости характеристики, то необходимо произвести наладку, которая должна осуществляться опытными специалистами. Признаками неправильной роботи приводу являются:
Перед наладкой приводу необходимо убедиться в целостности всех елементів схеми і наличии надежных контактов. После устранения замеченных неисправностей приводу следует:
Примечание. Привід обеспечивает диапазон регулювання чисел оборотів 1 : 10. В станке фактически используется диапазон 1 :6,7.
Для пуска верстата необходимо:
Відключення електродвигуна шлифовального круга производится кнопкой «стоп» ЗКУ.
Общее і аварийное відключення всех двигателей верстата осуществляется кнопкой «общий стоп» 1КУ. Лампа местного освещения включается тумблером «освещение» ВО.

Размещение електроустаткування на шлифовальном станке 3а227
Размещение електроустаткування на шлифовальном станке 3А227, 3А227П. Дивитись у збільшеному масштабі

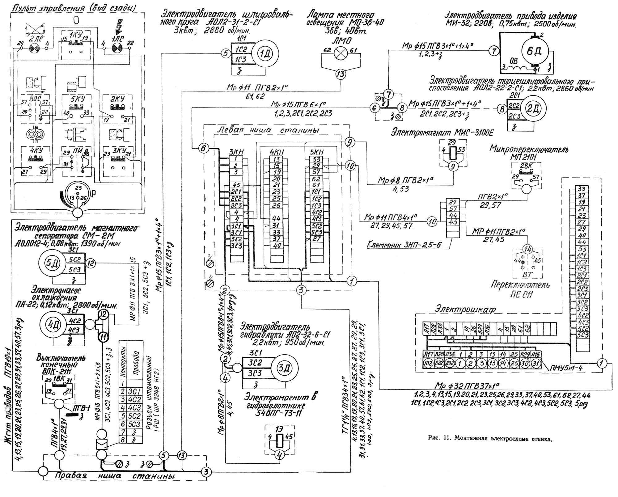
Монтажная електросхема внутришлифовального верстата 3а227
Монтажная електросхема внутришлифовального верстата 3А227, 3А227П. Дивитись у збільшеному масштабі
| Наименование параметра | 3К227В | 3А227, 3А227П |
|---|---|---|
| Основні параметри | ||
| Класс точності по ГОСТ 8-82 | В | П |
| Наибольший диаметр устанавливаемого вироби, мм | 400 | 400 |
| Наибольший диаметр устанавливаемого вироби в кожухе, мм | 250 | 250 |
| Наибольший диаметр устанавливаемого при шлифовании конических отверстий, мм | 320 | |
| Наибольший диаметр устанавливаемого в кулачках патрона, мм | 175 | |
| Наибольшая длина устанавливаемого вироби, мм | 125 | 125 |
| Наименьший і наибольший диаметр шлифуемого отверстия, мм | 20..160 | 20..100 |
| Наибольшая длина шлифования при диаметре шлифования не менее 100 мм, мм | 125 | |
| Расстояние от оси шпинделя передньої бабки до подошвы станины, мм | 1200 | 1135 |
| Расстояние от оси шпинделя передньої бабки до зеркала стола (высота центров), мм | 275 | 230 |
| Расстояние от опорного торца фланца шпинделя вироби до торца кронштейна шлифовальной бабки, мм | 880 | 800 |
| Расстояние от торца нового круга торцешлифовального приспособления до опорного торца фланца шпинделя, мм | 120..260 | |
| Рабочий стол верстата | ||
| Розміри поверхности стола, мм | 355 х 750 | |
| Наибольшая длина продольного переміщення стола от руки, мм | 450 | 450 |
| Наибольшая длина продольного переміщення стола от гідроцилиндра, мм | 450 | 450 |
| Ручное переміщення стола за один оборот маховика, мм | 19 | 16,5 |
| Скорость переміщення стола при шлифовании, м/мин | 1..7 | 2..10 |
| Скорость переміщення стола при правке круга, м/мин | 0,1..2 | 0,4..2 |
| Скорость переміщення стола при быстром продольном подводе і отводе, м/мин | 10 | 12 |
| Шлифовальная бабка | ||
| Наибольшее перемещение шлифовальной бабки вдоль стола, мм | 240 | |
| Частота обертання шпинделя внутришлифовальной головки, 1/мин | 7200, 9000, 12000, 18000, 22000 | |
| Наибольший диаметр шлифовального круга по ГОСТ 2424-83, мм | пп20..80 | |
| Наибольший высота шлифовального круга по ГОСТ 2424-83, мм | 20..50 | |
| Диаметр отверстия шлифовального круга по ГОСТ 2424-83, мм | 6..20 | |
| Поперечное перемещение шлифовальной бабки | ||
| Перемещение за один оборот маховичка - грубое (наладочное), мм | 2,5 | 2,5 |
| Перемещение за один оборот маховичка - тонкое, мм | 0,25 | 0,25 |
| Перемещение на одно деление лимба, мм | 0,001 | 0,001 |
| Перемещение на одно качание рычага ручной дозированной подачі, мм | 0,001 | 0,001 |
| Наибольшее наладочное перемещение шлифовальной бабки - назад (на робочого), мм | 10 | |
| Наибольшее наладочное перемещение шлифовальной бабки - вперед (от робочого), мм | 50 | |
| Величины поперечної подачі шлифовальной бабки на сторону, мм/дв.ход | 0,001; 0,002; 0,003; 0,004; 0,005; 0,006 | |
| Передня бабка (бабка вироби, шпиндель вироби) | ||
| Наибольший угол поворота бабки вироби, град | 45 | 30 |
| Наибольший наладочное перемещение бабки вироби - назад (на робочого), град | 30 | 30 |
| Наибольший наладочное перемещение бабки вироби - вперед (от робочого), град | 120 | 120 |
| Частота обертання вироби (бесступенчатое регулювання), об/мин | 60..1200 | 180..1200 |
| Внутренний конус шпинделя вироби, об/мин | Морзе 5 | Морзе 5 |
| Торцешлифовальное пристрій | ||
| Частота обертання торцового шпинделя, 1/мин | 5600 | |
| Продольное перемещение торцового шлифовального круга наибольшее наладочное, мм | 160 | 160 |
| Продольное перемещение торцового шлифовального круга наибольшее рабочее (тонкое), мм | 4 | |
| Продольное перемещение торцового шлифовального круга за один оборот маховичка наладочного переміщення, мм | 27 | |
| Продольное перемещение торцового шлифовального круга за один оборот маховичка рабочей (тонкой) подачі, мм | 0,1 | |
| Продольное перемещение торцового шлифовального круга на одно деление лимба рабочей (тонкой) подачі, мм | 0,0025 | |
| Розміри торцешлифовального круга, мм | ЧШ100 х 50 х 20 | |
| Привід і електрообладнання верстата | ||
| Количество електродвигателей на станке | 7 | |
| Електродвигун шпинделя шлифовальной бабки, кВт | 4,0 | 3,0 |
| Електродвигун приводу торцешлифовального приспособления, кВт | 1,5 | |
| Електродвигун приводу вироби (бабки вироби) постоянного тока, кВт | 1,2 | |
| Електродвигун насоса гідросистемы, кВт | 3,0 | |
| Електродвигун фильтра-транспортера, кВт | 0,09 | |
| Електродвигун насоса системы охлаждения, кВт | 0,15 | 0,15 |
| Електродвигун магнитного сепаратора, кВт | 0,09 | |
| Общая мощность електродвигателей, кВт | 10,0 | |
| Привід з магнитным усилителем ПМУ5М4У4, кВт | - | |
| Привід з магнитным усилителем ЭТ1Е2-9УХП4, кВт | 1,0 | |
| Количество преобразовательных агрегатов | 1 | |
| Габаритные розміри і масса верстата | ||
| Габаритные розміри верстата (длина х ширина х высота), мм | 2885 х 1900 х 1750 | 2500 х 1490 х 1650 |
| Маса верстата з електрообладнанням та охолодженням, кг | 4400 | 3100 |