Виробник внутрішньошліфувального верстата 3К227А, 3К225А - Саратовський верстатобудівний завод ім. 60-річчя СРСР, ССЗ , заснований у 1940 році.
Початок виробництва внутрішньошліфувального верстата 3К227А – 1983 рік.
Внутрішньошліфувальний верстат 3К227А призначений для шліфування циліндричних та конічних (з кутом при вершині до 60°) наскрізних та глухих отворів.
Шліфувальний верстат 3К227А забезпечений торцешліфувальним пристроєм, що дозволяє шліфувати зовнішній торець виробу за один установ зі шліфуванням отвору.
Верстат 3К227А призначений для внутрішніх та експортних поставок.
Область застосування верстатів — машинобудівні заводи з дрібносерійним та серійним виробництвом, а також інструментальні та ремонтні цехи цих заводів.
Клас точності верстатів А згідно з ГОСТ 8-82Е.
Категорія якості – найвища.
Розробник - Саратовський верстатобудівний завод ім. 60-річчя СРСР.
Верстат має широкі діапазони:
Внутрішнє шліфування є одним з основних методів чистової обробки отворів, при якому в залежності від режимів шліфування та характеристики шліфувального кола може бути досягнута точність обробки за 1-3 класом і шорсткість поверхні V7-V9.
Перевагою процесу внутрішнього шліфування є можливість виправлення відведення осі отвору, що утворився на попередніх операціях, а також забезпечення перпендикулярності торцевої поверхні до осі отвору, що досягається при шліфуванні отвору і торця з одного установа.
Внутрішнє шліфування може застосовуватися для обробки циліндричних та конічних наскрізних та глухих отворів у деталях, виготовлених із незагартованої та загартованої сталі, чавуну, кольорових металів та неметалічних матеріалів.
Внутрішнє шліфування широко застосовується у всіх галузях машинобудування. На внутрішньошліфувальних верстатах обробляються отвори зубчастиних коліс (гладкі та шліцеві), внутрішніх кілець шарикопідшипників та роликопідшипників; роликові доріжки зовнішніх кілець підшипників; отвори кондукторних втулок, перехідних втулок з конусом Морзе, різних різальних інструментів, наприклад, фрез, шеверів, насадних розгорток та ін.
При внутрішньому шліфуванні застосовується як шліфування з поздовжньою подачею, і методом врізання. Найбільшого поширення набув перший спосіб. Шліфування методом врізування застосовують під час шліфування коротких отворів, а також отворів, обмежених буртами або уступами.
При внутрішньому шліфуванні застосовуються методи поздовжньої та поперечної подачі. Розрізняють такі види рухів:
При шліфуванні з поздовжньою подачею величина подачі має перевищувати 3/4 висоти кола однією оборот деталі. Поперечна подача при цьому уривчаста на кожен одинарний або подвійний хід або безперервна.
Шліфування методом врізання застосовують при обробці коротких отворів, а також внутрішніх циліндричних поверхонь, обмежених точними торцями або уступами, наприклад, роликових доріжок кілець підшипників. Для забезпечення рівномірності зносу колу повідомляється додатковий осцилюючий рух, якщо це дозволяє конфігурація деталі.
Особливості внутрішнього шліфування створюють низку обмежень застосування цього методу. До них відносяться:
Залежність діаметра шліфувального кола від діаметра шліфувального отвору, а також необхідність значного вильоту шліфувального шпинделя, особливо при шліфуванні довгих отворів, що обумовлюються введенням шліфувального кола в оброблений отвір, призводять до зниження жорсткості системи і створюють ряд обмежень.

Внутрішньошліфувальні верстати можуть бути поділені на дві основні групи.
Залежно від характеру виробництва застосовуються універсальні внутрішньошліфувальні верстати, напівавтомати та автомати.
Універсальні верстати з патронним затискачем застосовуються для обробки коротких та довгих циліндричних та конічних отворів. Конічні отвори шліфуються шляхом повороту бабки відповідний кут. Ці верстати поширені у допоміжних цехах заводів масового виробництва, а також основних цехах заводів серійного виробництва. Універсальні верстати забезпечуються зазвичай торцешліфувальним пристроєм, що дозволяє забезпечувати при обробці високу точність перпендикулярності торця до отвору. Шліфувальні головки на універсальних верстатах встановлюються на санках і можуть бути змінними.
Напівавтомати , що широко застосовуються в масовому та великосерійному виробництвах, забезпечуються вимірювально-керуючими пристроями, які автоматично контролюють процес шліфування, і припиняють обробку при досягненні заданого розміру.
Автомати - центрові та безцентрові забезпечуються додатково завантажувальними пристроями, що подають деталі для обробки в зону шліфування, а також пристроями для автоматичного закріплення та зняття деталі та керування правкою кола.
Основними внутрішньошліфувальними верстатами, що випускаються вітчизняною промисловістю, є верстати гами ЗК. Ці верстати призначені для обробки отворів діаметром від 3 до 800 мм і випускаються класами точності П, В та А. Усі універсальні верстати гами ЗК, за винятком моделі ЗК230В, оснащені торцешліфувальними пристроями.
На базі основних моделей випускають різні модифікації верстатів - з подовженим перебігом столу для обробки, довгих деталей.

Фото внутрішньошліфувального верстата 3к227а
Фото внутрішньошліфувального верстата 3к227а. Дивитись у збільшеному масштабі

Фото внутрішньошліфувального верстата 3к227а
Фото внутрішньошліфувального верстата 3к227а. Дивитись у збільшеному масштабі

Фото внутрішньошліфувального верстата 3к227а
Фото внутрішньошліфувального верстата 3к227а. Дивитись у збільшеному масштабі

Фото внутрішньошліфувального верстата 3к227а
Фото внутрішньошліфувального верстата 3к227а. Дивитись у збільшеному масштабі

Фото внутрішньошліфувального верстата 3к227а

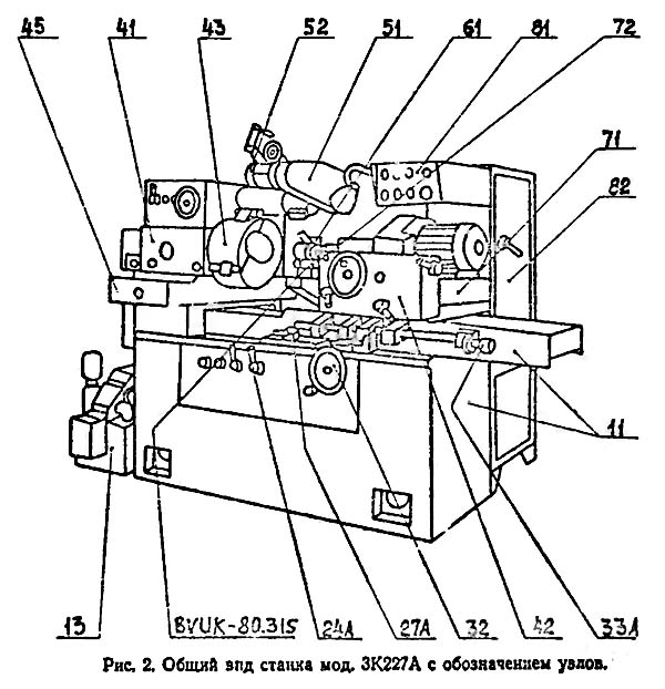
Розташування складових частинин внутрішньошліфувального верстата 3к227а

Розташування органів керування внутрішньошліфувальним верстатом 3к227а
* Для верстата 3К225А

Кінематична схема внутришлифовального верстата 3к227а
Схема кінематична внутришлифовального верстата 3К227А. Дивитись у збільшеному масштабі
Верстати состоят из вузлів, обозначенных на общих видах і перечисленных в перечне.
Компоновка верстатів видна из общих видов, показывающих расположение основних вузлів.
Оба верстата 3К227А і 3К225А широко унифицированы. Целый ряд вузлів совершенно одинаковый или имеет незначительные отличия. К ним относится механізм поперечної подачі, торцешлифовальное пристрій, аппарат правки, торцевой упор.
Станина верстатів служит основой для установки і крепления основних вузлів верстата. В верхней плоскости станин устанавливаются продольные стальные закаленные направляющие: V-образные і плоская, а также имеется ванна для сбора і слива охлаждающей жидкости. В передньої нише станин располагается гідроаппаратура керування. Ниша закрыта крышкой, на лицевой стороне которой расположены органы керування верстатом.
Стол совершает возвратно-поступательное рух от гідроцилиндра. Наладочное перемещение стола производится вручную от маховика ручного переміщення стела, расположенного на передньої стороне станины. Реверсирование стола при шлифовании і правке осуществляется упорами, закрепленными на передньої стороне і действующими на гідропанель реверса.
Мост устанавливается слева из верхней плоскости станины (см. рис. 7, 8, 9). В станке мод. 3К227А мост имеет поперечные направляющие ковзання, по которым при помощи гвинта могут при наладке перемещаться салазки, несущие бабку вироби. В станке мод. ЗК225А мост имеет поперечные направляющие качения, на которых при помощи шариковой пары от механізма поперечної подачі перемещаются салазки, несущие бабку вироби.
Бабка вироби (см. рис. 10) посредством червячной пары, звездочки і ланцюги може поворачиваться на плоскости салазок на угол до 45°, что позволяет шлифовать і конические отверстия. Передней опорой шпинделя является двухрядный роликовый подшипник з коническим отверстием. Задня опора базируется на сдвоенных підшипниках з предварительным натягом. Сквозное отверстие шпинделя вироби используется дли трубопровода охлаждающей жидкости или для штока механізма зажиму вироби при применении спецпатронов. Привід шпинделя вироби з бесступенчатым регулюванням скорости обертання осуществляется от електродвигуна постоянного тока через ременную передачу.
Торцешлифовальное пристрій з торцевым шлифовальным шпинделем (см. рис 11, 12, 13, 14, 15) позволяет шлифовать наружный торец вироби з одного установа со шлифованием как цилиндрического, так і конического отверстый.
Поворот кронштейна, несущего торцовый шпиндель в рабочее і нерабочее положение, осуществляется в станке мод. 3К227А, гідравлически при повороте крана 37, в станке мод. 3К227А — вручную за рукоятку 130. Подача торцового шлифовального круга на врезание осуществляется вручную поворотом маховичка 88.
Шлифовальная бабка (см. рис. 16) устанавливается на верхней плоскости стола, имеет поперечные направляющие качения, по которым перемещаются салазки, несущие стойку з внутришлифовальным шпинделем, і електродвигатель, приводящий во вращение шлифовальный круг через плоскоременную передачу.
В станке мод. 3К227А стойка з пневмошпинделем устанавливается непосредственно на столе верстата і не имеет поперечного переміщення.
Пульт живлення пневмошпинделя устанавливается справа на торце станины.
Механізм поперечної подачі (см. рис. 17), устанавливаемый на передньої частини шлифовальной бабки в станке мод. 3К227А на передньої частини моста в станке мод. 3К227А, обеспечивает поперечное перемещение шлифовального круга в станке мод. 3К227А і вироби в станке мод. 3К225А.
Наладочное перемещение осуществляется от маховика 29, дозированная подача — от рукоятки 27 і механическая прерывистая подача на каждый двойной ход стола от цилиндра 113.
В механізме поперечної подачі имеется пристрій 32 для автоматичного отключения подачі і відведення стола в исходное положение після снятия установленной величины припуска.
Торцевой упор, устанавливаемый на станине і столе верстатів, предназначен для поздовжньої подачі стола на врезание при шлифовании внутреннего торца вироби торцом внутришлифовального круга. Тонкая продольная подача вручную осуществляется поворотом лимба.
Бак для охлаждающей жидкости з електронасосом, магнитным сепаратором і фильтром-транспортером устанавливается слева от станины верстатів і служит для очистки охлаждающей жидкости от шлама.
Насосная станція гідропривода, електрошкаф з електроаппаратурой устанавливаются сзади станины верстатів.

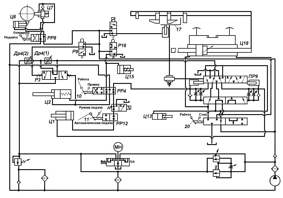
Гідравлічна схема внутришлифовального верстата 3к227а
1. Гідравлічна схема верстата 3К227А. Дивитись у збільшеному масштабі
2. Гідравлічна схема верстата 3К227А. Дивитись у збільшеному масштабі
| Наименование параметра | 3К227А | 3К225А |
|---|---|---|
| Основні параметри | ||
| Класс точності по ГОСТ 8-82 | А | А |
| Наибольший диаметр устанавливаемого вироби, мм | 400 | 200 |
| Наибольший диаметр устанавливаемого вироби в кожухе, мм | 250 | 100 |
| Наибольшая длина устанавливаемого вироби, мм | 125 | 50 |
| Наименьший і наибольший диаметр шлифуемого отверстия, мм | 20..160 | 3..50 |
| Наибольшая длина шлифования при диаметре шлифования не менее 100 мм, мм | 125 | 50 |
| Расстояние от оси шпинделя передньої бабки до подошвы станины, мм | 1200 | 1100 |
| Расстояние от оси шпинделя передньої бабки до зеркала стола (высота центров), мм | 275 | 410 |
| Расстояние от опорного торца фланца шпинделя вироби до торца кронштейна шлифовальной бабки, мм | 880 | 580 |
| Расстояние от торца нового круга торцешлифовального приспособления до опорного торца фланца шпинделя, мм | 120..260 | 80..160 |
| Рабочий стол верстата | ||
| Наибольшая длина переміщення стола, мм | 450 | 320 |
| Ручное переміщення стола за один оборот маховика, мм | 19 | 19 |
| Скорость переміщення стола при шлифовании, м/мин | 1..7 | 1..7 |
| Скорость переміщення стола при правке круга, м/мин | 0,1..2 | 0,1..2 |
| Скорость переміщення стола при быстром продольном подводе і отводе, м/мин | 10 | 10 |
| Шлифовальная бабка | ||
| Частота обертання шпинделя внутришлифовальной головки, 1/мин | 7200, 9000, 12000, 18000, 22000 | - |
| Частота обертання пневмошпинделя внутришлифовальной головки А20/40, 1/мин | - | 20000..40000 |
| Наибольший диаметр шлифовального круга по ГОСТ 2424-83, мм | пп20..80 | пп3..25 |
| Наибольший высота шлифовального круга по ГОСТ 2424-83, мм | 20..50 | 8..25 |
| Диаметр отверстия шлифовального круга по ГОСТ 2424-83, мм | 6..20 | 1..6 |
| Поперечное перемещение шлифовальной бабки (для верстата 3к225 - бабка вироби) | ||
| Перемещение за один оборот маховичка - грубое (наладочное), мм | 2,5 | 2,5 |
| Перемещение за один оборот маховичка - тонкое, мм | 0,25 | 0,25 |
| Перемещение на одно деление лимба, мм | 0,001 | 0,001 |
| Перемещение на одно качание рычага ручной дозированной подачі, мм | 0,001 | 0,001 |
| Наибольшее наладочное перемещение шлифовальной бабки - назад (на робочого), мм | 10 | - |
| Наибольшее наладочное перемещение шлифовальной бабки - вперед (от робочого), мм | 50 | - |
| Величины поперечної подачі шлифовальной бабки на сторону, мм/дв.ход | 0,001; 0,002; 0,003; 0,004; 0,005; 0,006 | |
| Передня бабка (бабка вироби, шпиндель вироби) | ||
| Наибольший угол поворота бабки вироби, град | 45 | 45 |
| Наибольший наладочное перемещение бабки вироби - назад (на робочого), град | 30 | 20 |
| Наибольший наладочное перемещение бабки вироби - вперед (от робочого), град | 120 | 100 |
| Частота обертання вироби (бесступенчатое регулювання), об/мин | 60..1200 | 280..2000 |
| Торцешлифовальное пристрій | ||
| Частота обертання торцового шпинделя, 1/мин | 5600 | 11500 |
| Продольное перемещение торцового шлифовального круга наибольшее наладочное, мм | 160 | 80 |
| Продольное перемещение торцового шлифовального круга наибольшее рабочее (тонкое), мм | 4 | 4 |
| Продольное перемещение торцового шлифовального круга за один оборот маховичка наладочного переміщення, мм | 27 | 27 |
| Продольное перемещение торцового шлифовального круга за один оборот маховичка рабочей (тонкой) подачі, мм | 0,1 | 0,1 |
| Продольное перемещение торцового шлифовального круга на одно деление лимба рабочей (тонкой) подачі, мм | 0,0025 | 0,0025 |
| Розміри торцешлифовального круга, мм | ЧШ100 х 50 х 20 | ЧШ50 х 32 х 13 |
| Привід і електрообладнання верстата | ||
| Количество електродвигателей на станке | 7 | 6 |
| Електродвигун шпинделя шлифовальной бабки, кВт | 4 | - |
| Электрошпиндель шлифовальной бабки ШК24/1,1, кВт | - | 1,1 |
| Электрошпиндель шлифовальной бабки ШК48/0,8, кВт | - | 0,8 |
| Электрошпиндель шлифовальной бабки ШК96/0,4, кВт | - | 0,4 |
| Електродвигун приводу торцешлифовального приспособления, кВт | 1,5 | 0,55 |
| Електродвигун приводу вироби (бабки вироби) постоянного тока, кВт | 1,2 | 0,76 |
| Електродвигун насоса гідросистеми, кВт | 3,0 | 2,2 |
| Електродвигун фільтра-транспортера, кВт | 0,09 | 0,09 |
| Електродвигун насоса системи охолодження, кВт | 0,15 | 0,15 |
| Електродвигун магнітного сепаратора, кВт | 0,09 | 0,09 |
| Загальна потужність електродвигунів, кВт | 10,0 | 3,84 |
| Привід із магнітним підсилювачем ПМУ5М4У4, кВт | - | 0,7 |
| Привід з магнітним підсилювачем ЕТ1Е2-9УХП4, кВт | 1,0 | - |
| Кількість перетворювальних агрегатів | 1 | 2 |
| Габаритні розміри та маса верстата | ||
| Габаритні розміри верстата (довжина x ширина x висота), мм | 2885 х 1900 х 1750 | 2295 х 1800 х 1750 |
| Маса верстата з електрообладнанням та охолодженням, кг | 4400 | 2900 |