Виробник плоскошліфувального верстата 3Б724 - Воронезький верстатобудівний завод , заснований у 1960 році.
Верстати моделі 3Б724 є типовими представниками гами плоскошліфувальних верстатів з прямокутним столом середнього типорозміру і дозволяє з мікронною точністю обробляти плоскі поверхні різних деталей. При застосуванні додаткових пристроїв на цих верстатах можлива обробка та фасонних поверхонь.
Плоскошліфувальний верстат 3Б724 з прямокутним столом та горизонтальним шпинделем призначений для шліфування площин різних машинобудівних деталей периферією шліфувального кола та застосовується на металообробних заводах у дрібносерійному, серійному та масовому виробництві.
Вироби, що шліфуються в залежності від матеріалу, форми і розмірів кріпляться на електромагнітній плиті або безпосередньо на робочій поверхні столу.
Стіл з оброблюваним виробом здійснює зворотно-поступальний рух напрямними станини. На тумбі, відлитій разом зі станиною, кріпиться колонка, по вертикальним напрямним якої переміщається каретка, що має горизонтальні напрямні для поперечного переміщення шліфувальної бабки.
Вертикальне переміщення каретки зі шліфувальною бабкою може бути:
Для полегшення налагодження верстата 3Б724 передбачено прискорене переміщення каретки зі шліфувальною бабкою.
Вертикальна та поперечна подачі шліфувальної бабки при шліфуванні здійснюються вручну або автоматично.
Для запобігання під час шліфування виробів, що шліфуються, від припалів і теплових деформацій верстат забезпечений пристроєм для подачі охолоджуючої рідини до місця контакту шліфувального кола з виробом. Охолоджуюча рідина очищається шламовловлювачем або магнітним сепаратором.
Насосна установка встановлена ззаду зліва станини верстата, бак з рідиною, що охолоджує, ззаду праворуч.
Електроапаратура розміщена в електрошафі, ніші тумби станини і в пульті керування.
Всі механізми та напрямні верстата 3Б724 надійно захищені від проникнення абразиву та охолоджуючої рідини.
Навантаження електродвигуна шліфувального кола контролюється спеціальним покажчиком.
Блокувальні та захисні пристрої забезпечують безпеку та безаварійність роботи на верстаті.
Керування верстатом 3Б724 - з пульта керування, розташованого біля робочого місця спереду верстата, зліва.
На особливе замовлення зі верстатом поставляються пристрій для кріплення шліфувального круга заввишки 150 мм.
Клас точності ставки П.
Шорсткість оброблюваної поверхні V7.

Схема обробки на плоскошліфувальних верстатах із позначенням рухів:
а - верстати з горизонтальними шпинделями, що працюють периферією шліфувального круга з прямокутним столом;
б - верстати з горизонтальними шпинделями, що працюють периферією шліфувального круга з круглим столом;
- верстати з вертикальними шпинделями, одношпиндельні, що працюють торцем шліфувального кола з круглим столом;
г - верстати з вертикальними шпинделями, одношпиндельні, що працюють торцем шліфувального кола з прямокутним столом;
д - верстати двошпиндельні, що працюють торцем шліфувального кола з двома вертикальними шпинделями;
е - верстати двошпиндельні, що працюють торцем шліфувального кола з двома горизонтальними шпинделями.
Плоске шліфування є методом обробки загартованих та незагартованих деталей машин; іноді плоске шліфування застосовують замість чистового стругання та чистового фрезерування, а також такої трудомісткої операції, як шабрування. Воно відрізняється високою продуктивністю, оскільки дозволяє обробляти заготовки з великими габаритними розмірами і має малі витрати часу на встановлення та закріплення заготовок завдяки тому, що застосовують магнітні столи.
Плоскі поверхні можна шліфувати периферією та торцем шліфувального кола.
На малюнку наведено схеми обробки плоских поверхонь деталей на плоскошліфувальних верстатах.
Периферією кола обробляють, наприклад, заготівлі з жорсткими допусками на відхилення від площинності:
Основними технологічними факторами, що визначають режим шліфування, є задані точність і шорсткість поверхні, потужність двигуна головного приводу та стійкість шліфувального кола. Режими різання задає технолог чи майстер або вибирають за довідниками.
Показниками режиму різання при плоскому шліфуванні периферією кола є:
Швидкість шліфувального кола вибирають залежно від виду шліфування (звичайне або швидкісне) та можливостей верстата.
Швидкість подачі заготовок збігається з поздовжнім переміщенням столу, на якому їх закріплюють. Збільшення швидкості подачі заготовки призводить до збільшення продуктивності обробки, тому вибирають високі швидкості подачі заготовки, особливо при попередніх операціях та зняття великих припусків. Підвищення швидкості подачі заготовки призводить до зменшення нагріву та деформації виробу, що обробляється. На чистових операціях знижують швидкість подачі заготівлі.
При збільшенні поперечної подачі підвищується продуктивність, але збільшується шорсткість оброблюваної поверхні та зношування кола, тому на чистових операціях застосовують меншу поперечну подачу.
Глибина різання визначає в основному продуктивність обробки, проте вона залежить від зернистості кола, необхідної шорсткості поверхні, що обробляється, потужності двигуна приводу шліфувальної бабки і ряду інших факторів. При обробці крупнозернистими колами застосовують більшу глибину різання. При шліфуванні дрібнозернистими колами з великою глибиною спостерігається значне зношування м'яких кіл або швидке засолювання твердих кіл. За виконання чорнових операцій використовують великі значення швидкості і глибини різання, але в чистових операціях їх знижують.
Для підвищення точності обробки та зниження шорсткості поверхні в кінці циклу слід застосовувати виходжування.

Габаритні розміри робочого простору верстата 3Б724

Приєднувальні та посадкові бази верстата 3Б724

Фото плоскошліфувального верстата 3Б724
Загальний вигляд плоскошліфувального верстата 3Б724. Дивитись у збільшеному масштабі

Фото плоскошліфувального верстата 3Б724

Фото плоскошліфувального верстата 3Б724

Розташування основних вузлів верстата 3Б724
Основні частинини верстата. На направляючих станини 1 встановлений поздовжній стіл 2, що отримує зворотно-поступальний рух гідроприводу, змонтованого всередині станини. На робочій поверхні столу 3 є Т-подібні пази для закріплення великих деталей або електромагнітної плити. На бічній поверхні столу встановлені розсувні упори 4, які, впливаючи на важіль 5, реверсують рух столу. На станині розміщена колона 6, вертикальним напрямним якої переміщається каретка 7, що має, у свою чергу, горизонтальні напрямні для поперечного переміщення шліфувальної бабки з шліфувальним кругом 8.
Вертикальне переміщення шліфувальної бабки може бути ручне від маховика 9, переривчасте автоматичне від гідроприводу через механізм подачі і прискорене від електроприводу.

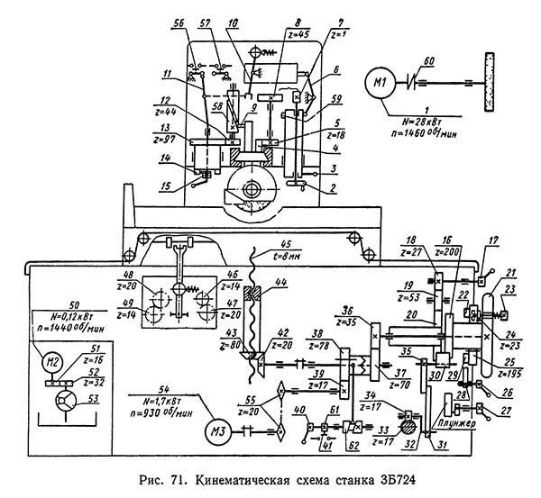
Кінематична схема внутрішньошліфувального верстата 3Б724
1. Схема кінематична внутрішньошліфувального верстата 3Б724. Дивитись у збільшеному масштабі
Механіка верстата, показана на кінематичній схемі, забезпечує наступні рухи:
Головне рух шпиндель шліфувального кола отримує від фланцевого електродвигуна через 1 голкувату муфту 60.
Ручна вертикальна подача шліфувальної бабки здійснюється маховиком 21. У цьому випадку кулачкова муфта колеса 38 зчеплена з зубчастиним колесом 37, що вільно сидить на валу, і рух передається через колеса 36-37 і конічну пару 42-43 на гайку 44, яка пов'язана з ходовим закріпленим на каретці шліфувальної бабки. Гайка 44 закріплена в осьовому напрямку, і при її обертанні переміщатматися гвинт 45 з бабкою.
Автоматична подача шліфувальної бабки здійснюється від гідроприводу. В момент реверсу шліфувальної бабки через спеціальний реверсивний золотник масло подається в ту або іншу порожнину плунжера механізму подачі і переміщує плунжер-рейку 33. Остання через зубчасте колесо 34 обертає кривошип 32, який через шатун 31 повертає на кут 36 сидячої на ньому собачкою 30. Остання повертає храповик 16, жорстко пов'язаний з маховиком 21. Далі рух передається по описаному вище ланцюзі ручної подачі.
Величина автоматичної подачі регулюється поворотом заслінки-перекришки 20, в результаті чого собачка 30, прослизаючи по заслінці, може повертати храповик 16 по всьому шляху свого руху або на його частинині. Положення заслінки 20 регулюється рукояткою 17 через зубчасті колеса 18 і 19, останнє з яких знаходиться в зачепленні із зубчастиним сектором, нарізаним на заслінці 20, і переміщує заслінку.
Сектор 22 служить для автоматичного вимкнення подачі після зняття встановленого припуску. Цей сектор, закріплений на лімбі 25, в потрібний момент входить в зону гойдання собачки 30, яка починає прослизати по його поверхні, не зачіпаючи зубів храповика 16.
При роботі вручну до жорсткого упору рукояткою 26 підводиться жорсткий упор 28, який упирається в кінці ходу упор 29, закріплений на лімбі 25. Лімб має колесо з внутрішнім зачепленням, яке за допомогою зубчастого фіксатора 24 зв'язується з маховиком 21. кнопку 23.
Прискорене настановне вертикальне переміщення шліфувальної бабки здійснюється електродвигуном 54 і готується поворотом рукоятки 40. При цьому за допомогою гвинтової канавки на барабані 62 муфта 38 колеса відключається від зубчастого колеса 37, а маховик 21 - від ланцюга подачі. Одночасно кулачок 61 натискає на кінцевий вимикач 41, який розблокує кнопкову станцію пуску електродвигуна 54. При включенні цього електродвигуна рух передається ланцюгом через зірочки 55 зубчасті колеса 39-38 і конічну пару 42-43 на гвинт 45
Ручне поперечне переміщення шліфувальної бабки проводиться маховиком через 2 черв'ячну передачу 7-8 і рейкове колесо 5. Рейка 4 укріплена на шліфувальній бабці. Щоб при переміщенні бабки від гідроциліндра передача не зламалася, черв'як 7 виводиться з зачеплення з колесом 8 поворотом рукоятки 3 ексцентрикової гільзи. Кулачком 59 та важелем 6 здійснюється блокування, що виключає пуск гідравлічного переміщення шліфувальної бабки при включенні черв'яка 7.
Обертання диска упорів для поперечного переміщення шліфувальної бабки здійснюється від гідроциліндра (не показано). При цьому палець 9, закріплений на корпусі бабки, ковзає в пазу спіральному барабана 58, змушуючи його обертатися. Далі через зубчасті колеса 12-13 приводиться в обертання диск з переставними упорами 14. В кінці поперечного ходу шліфувальної бабки упор 14 повертає рукоятку 15 разом з валом і важелем 11, що сидить на ньому. , які дають команду на вертикальну автоматичну подачу, а також перемикає важіль 10, пов'язаний із золотником механізму реверсу шліфувальної бабки. Рукояткою 15 можна робити також і ручний реверс шліфувальної бабки.
Встановлення режиму роботи верстата («Пуск столу», «Стоп» та «Правка кола»), а також встановлення швидкості руху столу виробляються рукоятками, що сидять на тих же осях, що і зубчасті Колеса 46 і 48. Колеса 47 і 49, зчеплені з останніми, відповідно, укріплені на кранах «Пуск» — «Стоп» і на швидкісному крані столу (на схемі не показані).
Привід лопатевого насоса мастила 53 здійснюється електродвигуном 50 через зубчасту пару 51-52.
Керування подачею шліфувальної бабки. Для вимкнення поперечної подачі бабки і для встановлення характеру подачі (переривчаста, безперервна) є рукоятка 27, яка за допомогою важеля, що сидить з нею на одній осі, перемикає плунжер характеру подачі гідроприводу подач шліфувальної бабки.
Гідравлічне обладнання верстата забезпечує наступні рухи його робочих органів: зворотно-поступальний рух столу (поздовжнє подання); зворотно-поступальний рух шліфувальної бабки (поперечна подача); вертикальну автоматичну подачу шліфувальної бабки (вертикальна подача); мастило направляючих та підшипників шліфувального шпинделя.

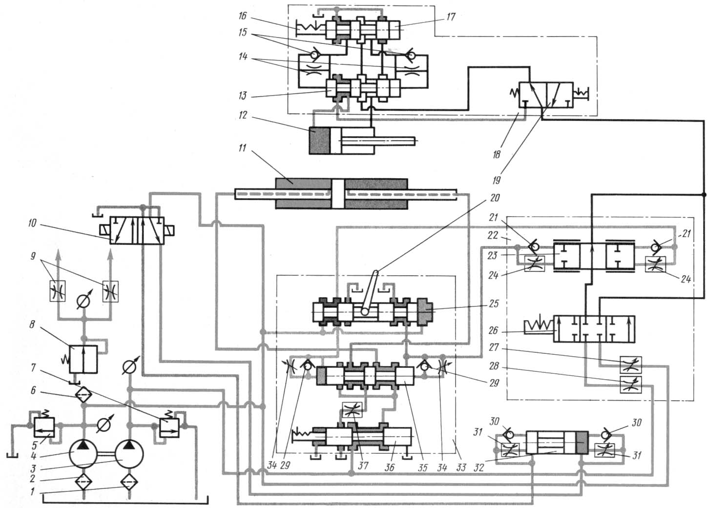
Гідравлічна схема плоскошліфувального верстата 3Б724
Схема гідравлічна плоскошліфувального верстата 3Б724. Дивитись у збільшеному масштабі
Схема гідравлічна плоскошліфувального верстата 3Б724. Дивитись у збільшеному масштабі

Гідроустаткування плоскошліфувального верстата 3Б724
Гідроустаткування плоскошліфувального верстата 3Б724. Дивитись у збільшеному масштабі
Гідропривід верстата (рис. 44) здійснює:
Гідропривід верстата має три основні системи:
Пересування та реверс столу . Масло з бака через фільтр 1 подається насосом через 3 напірний золотник 7 до розподільника 36.
При правому положенні золотника розподільника 36 масло надходить у ліву порожнину 11 циліндра, прикріпленого до столу. Стіл рухається вліво. Олія, що витісняється з правої порожнини 11 циліндра, через розподільник «95 і дросель 37 зливається в бак. Дросель 37 служить регулювання швидкості столу. При русі столу вліво упор за допомогою важеля 20 переміщує золотник розподільника 25. При цьому масло від насоса 4 через напірний золотник 5, розподільник 25, зворотний клапан 29 надійде під правий торець розподільника золотника 35 і перемістить його в крайнє ліве положення. Олія з-під лівого торця золотника 35 витісняється через дросель 34 розподільника 25 бак. Дросель 34 служить регулювання плавності реверсу столу.
Як тільки золотник розподільника 35 переміститься в крайнє ліве положення, масло почне надходити в праву порожнину циліндра 11. Стіл переміщатматися праворуч доти, поки упор не пересуне золотник розподільника 25, після чого цикл повториться.
Поперечні подачі та реверс шліфувальної бабки . Золотник розподільника 26 може займати одне з трьох положень (див. рис. 44): крайнє праве відповідає переривчастій подачі, крайнє ліве безперервній подачі і середнє відсутності подачі. Золотник розподільника 13 може займати одне з двох крайніх положень: праве, що відповідає переміщенню шліфувальної бабки гідравлічним приводом, і ліве, що відповідає переміщенню шліфувальної бабки вручну.
Безперервна подача шліфувальної бабки . Олія від насоса 4 через напірний золотник 5, дросель 27, розподільники 26 і 19 надходить у розподільник 13. Якщо золотник розподільника 13 знаходиться в лівому положенні, масло поступає в штокову порожнину циліндра 12 і шліфувальна бабка рухається вліво. З поршневої порожнини 12 циліндра масло через розподільники 13 і 17 зливається в бак.
При переміщенні важелем 16 золотника розподільника 17 вправо олію від насоса 4 через розподільники 26, 19, 13, 17 і зворотний клапан 15 потрапляє під лівий торець золотника розподільника 13 і переміщає його в праве положення, направляючи потік масла в поршневу порожнину 2 . рухається праворуч. З штокової порожнини 12 циліндра масло через розподільники 13 і 17 зливається в бак. Дроселі 14 регулюють швидкість переміщення золотника розподільника 13.
Переривчаста поперечна подача шліфувальної бабки відбувається при кожному реверсі столу, тобто при кожному переміщенні золотника розподільника 25. Від насоса через 4 розподільник 25 і зворотний клапан 21 масло надходить в праву порожнину дозуючого розподільника 3. З лівої порожнини дозує 4 розподільника 2 розподільника 25 олія зливається в бак. Під час переміщення дозатора з одного крайнього положення в іншу частинину масла від насоса через 3 напірний золотник 7, дросель 28, розподільник 26, дозатор 23 надходить у розподільник 19 і далі йде так само, як у разі безперервної подачі.
Вертикальна переривчаста подача шліфувальної бабки . При реверсі поперечної подачі шліфувальної бабки важіль 16 через кінцеві вимикачі включає один з електромагнітів розподільника 10, переміщуючи золотник його в одне з крайніх положень. Якщо золотник розподільника 10 знаходиться в лівому положенні, масло від насоса через напірний золотник 5 і зворотний клапан 30 потрапляє в циліндр 32 вертикальної подачі - відбувається вертикальна подача шліфувальної бабки. З лівої порожнини циліндра 32 олію через дросель 31 і розподільник 10 зливається в бак.
Вертикальна подача бабки у протилежному напрямку відбувається аналогічно.
Перед пошуком несправностей треба перевірити тиск у гідросистемі. Тиск має бути рівним: високий (в робочій системі) 1,5-2МПа, низький (в системі керування) - 0,6..0,8 МПа, в системі змащування направляючих станини - 0,05 МПа, в системі змащування підшипників шліфувальної бабки - 0,1 МПа.

Електрична схема плоскошліфувального верстата 3Б724
Схема електрична плоскошліфувального верстата 3Б724. Дивитись у збільшеному масштабі

Настановне креслення плоскошліфувального верстата 3Б724
| Найменування параметру | 3D725 | 3B724 |
|---|---|---|
| Основні параметри | ||
| Клас точності згідно з ГОСТ 8-82 | П | П |
| Найбільші розміри виробів, що обробляються на столі (довжина х ширина х висота), мм | 2000 х 630 х 630 | 2000 х 400 х 500 |
| Найбільші розміри виробів, що обробляються на електромагнітній плиті (довжина x ширина x висота), мм | 2000 х 630 х 505 | |
| Найбільша маса виробів, що обробляються на електромагнітній плиті, кг | 2000 рік | 2000 рік |
| Найбільша маса виробів, що обробляються на столі, кг | 650 | |
| Відстань від осі шпинделя до дзеркала стола, мм | 235..880 | 220..755 |
| Робочий стіл верстата | ||
| Розміри робочої поверхні столу (довжина x ширина), мм | 2000 x 630 | 2000 x 400 |
| Розміри поверхні електромагнітної плити (довжина x ширина), мм | 2000 x 630 | 1910 x 400 |
| Поздовжнє переміщення столу від гідравліки (найменше/найбільше, мм | 300...2100 | 300..2050 |
| Швидкість зворотно-поступального руху столу, м/хв. | 3...30 | 3...30 |
| Шліфувальна бабка (шпиндельна бабка) | ||
| Шліфувальне коло за ГОСТ 2424-75 | PP500(300) x 100 x 305 | PP500(300) x 100 x 305 |
| Число оборотів шліфувального кола за хвилину | 1470 | 1460 |
| Найбільший допустимий момент, що крутить, на шпинделі, кгс*м | 1720 рік | |
| Кінець шпинделя шліфувальної бабки за ГОСТ 2323-67 (найбільший діаметр), мм | 100 | |
| Найбільше поперечне переміщення шліфувальної бабки (ручне та від гідравліки), мм | 660 | 520 |
| Ціна поділу лімба поперечного переміщення шліфувальної бабки, мм | 0,05 | 0,05 |
| Поперечне переміщення шліфувальної бабки на один оберт лімба, мм | 2 | 2,5 |
| Межі швидкостей поперечної подачі шліфувальної бабки (безступінчасте регулювання), м/хв. | 0,2...1 | 0,15..2,5 |
| Автоматична поперечна подача на кожен хід столу (безступінчасте регулювання), мм | 2...75 | 0,75..75 |
| Найбільше вертикальне переміщення шліфувальної бабки, мм | 645 | 535 |
| Ціна поділу лімба вертикального переміщення шліфувальної бабки, мм | 0,004 | 0,005 |
| Вертикальне переміщення шліфувальної бабки на один оберт лімба, мм | 0,5 | 0,5 |
| Автоматичні вертикальні подачі шліфувальної бабки, мм | 0,004...0,1 | 0,005..0,1 |
| Швидкість прискореного вертикального переміщення, м/хв | 0,375 | 0,406 |
| Привід та електроустаткування верстата | ||
| рід струму мережі живлення | 50Гц, 380 В | 50Гц, 380 В |
| Кількість електродвигунів на верстаті | 8 | 7 |
| Електродвигун шпинделя шліфувальної бабки, кВт | 30 | 22 |
| Електродвигун вертикального прискореного переміщення шліфувальної бабки, кВт | 1,5 | 2,2 |
| Електродвигун регулювання швидкості столу, кВт | 0,55 | |
| Електродвигун насоса системи керування, кВт | 1,1 | |
| Електродвигун насоса гідросистеми (гідроприводу), кВт | 11 | 3 + 4 |
| Електродвигун насоса системи змащення, кВт | 0,18 | |
| Електродвигун насоса системи охолодження, кВт | 0,6 | 0,6 |
| Електродвигун магнітного сепаратора, кВт | 0,12 | 0,12 |
| Електродвигун повітряного теплообмінника, кВт | 0,18 | |
| Загальна встановлена потужність усіх електродвигунів, кВт | 44,13 | 33,02 |
| Габарити та маса верстата | ||
| Розміри машини, мм | 5750 х 2860 х 2860 | 5660 х 2580 х 2750 |
| Маса верстата, кг | 15450 | 19890 |
Каталог-довідник плоскошліфувальних верстатів
Паспорти та керівництва плоскошліфувальних верстатів
Купити каталог, довідник, базу даних: Прайс-лист інформаційних видань
Якщо підлеглий ставить вам питання по суті, дивіться на нього як на божевільного. Коли він відведе погляд, задайте йому його питання.
Правило Спарку