metalinstryment.com
Довідник по металорізальних верстатів та пресовому обладнанні

65А60Ф1 Верстат фрезерный вертикальний з крестовым столом і УЦИ
руководство, схеми, опис, характеристики

65А60Ф1 Загальний вигляд  бесконсольного фрезерного верстата з крестовым столом і УЦИ







Відомості про виробника фрезерного вертикального бесконсольного верстата 65А60ф1

Производитель фрезерного вертикального бесконсольного верстата 65А60ф1 - Воронежский станкостроительный завод, основанный в 1960 году і Ульяновский завод тяжелых і уникальных верстатів УЗТС, основанный в 1956 году.

Воронежский станкостроительный завод основан в 1960 году і выпускает внутришлифовальные і плоскошлифовальные верстати, токарно-винторезные верстати і фрезерные верстати 65А60ф1, 65А60Ф4-11 з размером стола 630 х 2000 мм.

Разработчик верстата 65А60ф1 — Ульяновское специальное конструкторское бюро тяжелых і фрезерных верстатів ГСКБФС.





Верстати выпускаемые Ульяновским заводом тяжелых і уникальных верстатів УЗТС


65А60Ф1 Верстат фрезерный вертикальний з крестовым столом і УЦИ. Назначение, область применения

Фрезерный верстат моделі 65А60Ф1 з крестовым столом і УЦИ предназначен для скоростного фрезерування крупногабаритных деталей в основном торцовыми фрезами в условиях индивидуального і серийного производства.

Верстат моделі 65А60Ф1 бесконсольного типа предназначен для высокопроизводительного фрезерування деталей из чугуна, стали і цветных металлов. На станке выполняется обработка не только сырых, но і закаленных деталей з применением современного инструмента з ножами из ельбора, сверхтвердых композиционных материалов из металлокерамики. На станке производится фрезерование, сверление, зенкерование, развертывание і растачивание.

Верстати фрезерные вертикальные з крестовым столом гаммы 65А включают, также, моделі верстатів:

Класс точності верстата — Н по ГОСТ 8—82Е.

Вид воздействия климатического исполнения УХЛ4 по ГОСТ 15150—69.

Принцип роботи фрезерного верстата 65а60ф1

Обрабатываемая деталь закрепляется на столе верстата. В шпинделе укрепляется фреза. Налаштування на размер по высоте производится переміщенням шпиндельной бабки. Окончательная точная налаштування на размер осуществляется переміщенням гильзы шпинделя.

Зажим поперечных салазок, шпиндельной бабки і гильзы производится автоматически, в момент пуска верстата от гідравлической системы. На станке возможна робота по напівавтоматическому циклу: быстрый подвод, рабочая подача, быстрый отвод в исходное положение і «стоп».

При обратном отводе стола з изделием для предохранения обработанной поверхности от повреждения фрезой післядняя совместно з гильзой шпинделя приподнимается на 5 мм.

Компоновка і особливості конструкції верстата

К специфическим особенностям конструкції верстата моделі 65А60Ф1, делающим его особо пригодным для скоростных методов обробки, относятся:

На станке смонтирован крестовый стол і стойка, несущая шпиндельную бабку.

Главный привод — четырехступенчатая коробка швидкостей і асинхронный електродвигатель з частотним регулюванням обеспечивает бесступенчатое регулювання частоти обертання шпинделя. Жесткий і мощный шпиндель, обладая високою точностью і быстроходностью, обеспечивает высокопроизводительное фрезерование черных і цветных металлов з припуском при скоростной обработке до 6 мм за один проход, при силовом резании до 12 мм, а широкий диапазон чисел оборотів шпинделя обеспечивает высокопроизводительную обработку металлов, жаропрочных і легких сплавов любым видом инструмента, в том числе из минералокерамики і сверхтвердых материалов.

Приводы подач выполнены раздельными по каждой координате на высокомоментных електродвигунах з частотним регулюванням, которые напрямую соединены з предварительно натянутыми шариковинтовыми передачами.

В качестве приводов применены высокомоментные електродвигатели постоянного тока і шариковые винт — гайка качения.

Направляющие по всем координатам комбинированные: ковзання — фторопласт по закаленному чугуну, качения — роликовые опори качения по стальным закаленным планкам.

Направляющие салазок, станины і стойки:

Рабочее пространство верстата имеет ограждение для защиты оператора.

Наличие маховичков сервопривода в станке 65А60Ф1 позволяет осуществлять легкое керування всеми координатами при налаштуванні і обработке по разметке деталей массой 4000 кг соответственно.

Между столом і стойкой расположен вибротранспортер для механической уборки стружки, который транспортирует стружку со стола в подвижный ящик, установленный на баке СОЖ.

Все верстати имеют:

Основні характеристики фрезерного вертикального верстата з крестовым столом 65А60Ф1

Производитель: Воронежский станкостроительный завод.





Габаритные розміри робочого простору фрезерного верстата 65А60ф1

65А60Ф1 Габаритные розміри робочого простору бесконсольного фрезерного верстата з крестовым столом і УЦИ

Габаритные розміри робочого простору верстата 65а60ф1


Посадочные і присоединительные базы фрезерного верстата 65А60Ф1

65А60Ф1 Посадочные і присоединительные базы фрезерного верстата 65А60Ф1

Посадочные і присоединительные базы фрезерного верстата 65а60ф1


Загальний вигляд вертикального бесконсольного фрезерного верстата 65А60ф1

65А60Ф1 Загальний вигляд  бесконсольного фрезерного верстата з крестовым столом і УЦИ

Фото фрезерного верстата 65а60ф1


Розташування органів керування фрезерным верстатом 65А60Ф1

65А60ф1 Органы керування фрезерным верстатом

Розташування органів керування фрезерным верстатом 65а60ф1

Список органів керування фрезерным верстатом 65А60ф1

  1. R1V - задатчик частоти обертання головного привода
  2. R2V - задатчик мощности головного привода
  3. R3V - регулятор подачі стола
  4. R4V - регулятор подачі салазок или бабки
  5. S6 - переключатель охлаждения
  6. S2 - переключатель освещения
  7. S7 - переключатель транспортера
  8. S11 - переключатель выбора ступеней обертання головного привода
  9. S15 - переключатель выбора салазок или бабки
  10. S12 - переключатель выбора направления переміщення стола
  11. S16 - переключатель выбора направления переміщення салазок или бабки
  12. S32 - переключатель направления обертання головного привода
  13. S23 - кнопка "Увімкнення верстата"
  14. S22 - кнопка "Аварийное відключення верстата"
  15. S10 - кнопка "Сброс перегрузки АСУ"
  16. S30 - кнопка "Остановить шпиндель"
  17. S31 - кнопка "Пуск шпинделя"
  18. S33 - кнопка "Замедленный ход стола"
  19. S34 - кнопка "Ускоренный ход стола"
  20. S35 - кнопка "Замедленный ход салазок или бабки"
  21. S36 - кнопка "Ускоренный ход салазок или бабки"
  22. Н10..Н13 - сигнальные лампы, обозачающие ступени головного привода
  23. Н19 - сигнальная лампа "Перегрузка АСУ"
  24. Н6 - сигнальная лампа "Нет давления в системе гідравлики"
  25. Н9 - сигнальная лампа "Нет давления в системе змазки"
  26. Н18 - сигнальная лампа "Перегрузка головного привода"
  27. Н20 - сигнальная лампа "Ограничение переміщення стола"
  28. Н21 - сигнальная лампа "Включено ручное переміщення стола от тахогенератора"
  29. Н22 - сигнальная лампа "Перегрузка приводу стола"
  30. Н23 - сигнальная лампа "Перегрузка приводу салазок или бабки"
  31. Н25 - сигнальная лампа "Ограничение переміщення салазок или бабки"
  32. Н27 - сигнальная лампа "Включено ручное переміщення салазок или бабки от тахогенератора"
  33. S23 - кнопка "Контроль исправности ламп"
  34. S8 - переключатель увімкнення УЦИ
  35. G11..G13 - дисплей пристроя цифровой индикации
  36. Н27 - сигнальная лампа "Фильтр засорен"




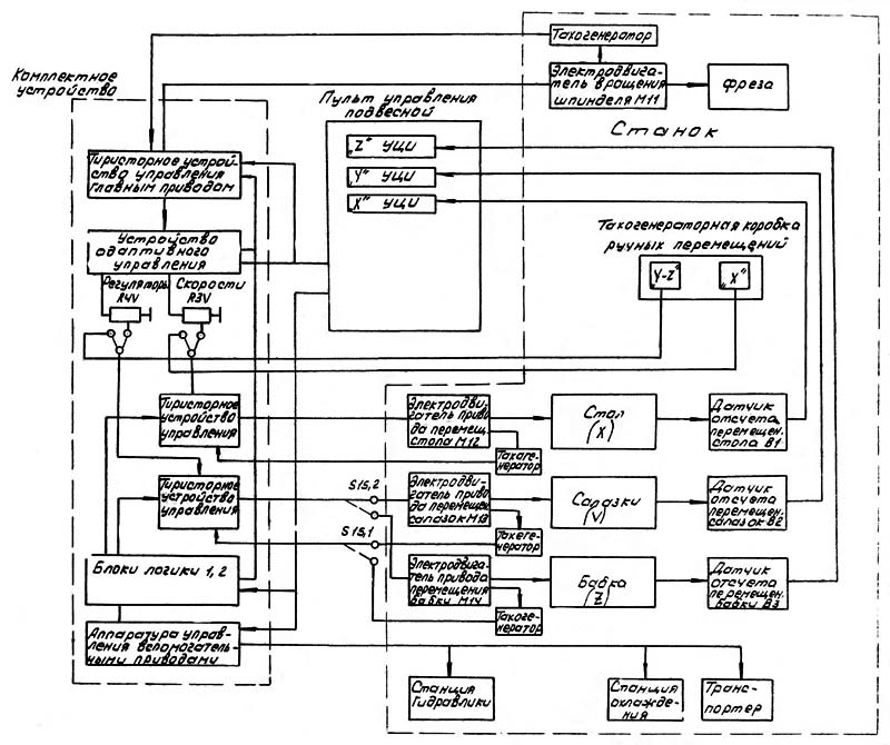
Структурна схема керування фрезерным верстатом 65А60ф1

65А60Ф1 Структурна схема керування фрезерным верстатом

Структурна схема керування фрезерным верстатом 65а60ф1


Опис структурной схеми керування фрезерным верстатом 65А60ф1

В состав структурной схеми керування входят:

Управляющие сигналы з пульта керування поступают в комплектное пристрій на входы модулей согласования по входам МС1.

После обробки в блоках матричной логики появляется выходной сигнал керування аппаратурой вспомогательных приводов тиристорными пристроями керування приводами подач і головним приводом.

Величина перемещений стола і бабки считывается датчиками В1, В2, В3 і після обробки отображается пристрійм цифровой индикации.

Сигнал о выходе в заданную точку приходит з блока преобразования УЦИ і поступает в комплектное пристрій, где формируется сигнал "Стоп подачі".





Електроустаткування верстата 65А60Ф1

Питание електроустаткування верстата осуществляется от трехфазной сети переменного тока.

Силовые ланцюги постоянного тока питаются от тиристорных устройств керування.

Тиристорные пристроя керування приводами подач U3, U4 подключаются к сети через силовой понижающий трансформатор.

Тиристорное пристрій керування головним приводом U1 подключаются непосредственно к сети.

Ланцюги керування переменного тока, освещения і сигнализации питаются от понижающих трансформаторов.

Напряжения живлення, используемые фрезерным верстатом 65а60ф1


Розташування електроустаткування на станке 65А60Ф1

Розташування електроустаткування на станке 65А60Ф1

Розташування електроустаткування на станке 65а60ф1


Настановне креслення бесконсольного фрезерного верстата 65А60Ф1

65А60Ф1 Настановне креслення бесконсольного фрезерного верстата

Настановне креслення бесконсольного фрезерного верстата 65а60ф1





65А60Ф1 Верстат фрезерный вертикальний з крестовым столом і УЦИ. Відеоролик.




Технічні характеристики бесконсольного фрезерного верстата 65А60Ф1

Наименование параметра 65А60ф1 65А80Ф1 65А90Ф1
Основні параметри верстата
Розміри поверхности стола, мм 630 х 2000 800 х 2000 1000 х 2500
Расстояние от торца шпинделя до поверхности стола, мм 125..900 125..900 125..1000
Расстояние от оси шпинделя до вертикальних направляючих (вылет), мм 710 850 1050
Наибольшее перемещение стола в продольном (X) х поперечном (Y) направлении, мм 1600 х 630 1600 х 800 2000 х 1000
Наибольшее перемещение шпиндельной бабки в вертикальном (Z) направлении, мм 775 775 875
Наибольшая масса обрабатываемой детали, кг 4000 6000 7000
Шпиндель
Кінець шпинделя по ГОСТ 24644-81 50 50 50
Частота обертання шпинделя з бесступенчатым регулюванням, об/мин 5..2000 5..2000 5..2000
Количество швидкостей шпинделя 85 85 85
Наибольший крутящий момент на шпинделе, н*м 2750
Рабочий стол
Дискретность задания перемещений по осям X, Y, Z. Продольное, поперечное, вертикальное, мм 0,010 0,001 0,005
Пределы продольных і поперечных подач стола (X, Y), мм/мин 1..6000 1..10000 0,5..5000
Пределы вертикальних подач бабки (Z), мм/мин 1..6000 1..10000 0,5..5000
Количество подач продольных/ поперечных/ вертикальних 58
Скорость быстрых перемещений стола продольных (X), поперечных (Y), м/мин 9,6 10 7
Скорость быстрых перемещений вертикальних (Z), м/мин 9,6 10 10
Наибольшее усилие різання, допускаемое механізмом подачі по оси X (продольных), кН 20 20 30
Наибольшее усилие різання, допускаемое механізмом подачі по осяи Y, (поперечных), кН 19 19 30
Наибольшее усилие різання, допускаемое механізмом подачі по оси Z (вертикальних), кН 20 20 17
Механіка верстата
Наибольший допускаемый диаметр фрез при черновой обработке, мм
Выключающие упоры подачі (поздовжньої, поперечної, вертикальной) есть
Електроустаткування і привід верстата
Количество електродвигателей на станке 10 10
Електродвигун постоянного тока приводу головного руху, кВт 26,5 20 20
Вращающий момент електродвигателей постоянного тока приводов подач по осям X, Y, Z (номинальный/ наибольший) (М12, М13, М14), Н*м 47/ 52
Електродвигун гідростанції (М1), кВт 1,5
Електродвигун вентилятора шпинделя (М3), кВт 0,55
Електродвигун зажиму инструмента (М4), кВт 0,18
Електродвигун насоса змазки (М5), кВт 0,25
Електродвигун насоса охлаждения (М6), кВт 0,12
Електродвигун транспортера (М7), кВт 0,37
Електродвигун вентилятора шкафа (М20, М21), кВт 0,12
Суммарная мощность установленных на станке електродвигателей, кВт 36,66 33,64 33,64
Суммарная мощность одновременно работающих електродвигателей, кВт 29,26
Габаритные розміри і масса верстата
Габаритные розміри (длина х ширина х высота), мм 6185 х 3825 х 4100 4780 х 4050 х 4100 5900 х 4800 х 4320
Масса верстата, кг 16130 18500 23800

    Список литературы:

  1. Верстати фрезерные вертикальные з крестовым столом і цифровой индикацией 65А60Ф1-11. Руководство по експлуатации 65А60Ф1-11.000.000 РЭ, 1987

  2. Аврутин С.В. Основы фрезерного дела, 1962
  3. Аврутин С.В. Фрезерне дело, 1963
  4. Ачеркан Н.С. Металлорежущие верстати, Том 1, 1965
  5. Барбашов Ф.А. Фрезерне дело 1973, с.141
  6. Барбашов Ф.А. Фрезерные роботи (Профтехобразование), 1986
  7. Блюмберг В.А. Справочник фрезеровщика, 1984
  8. Григорьев С.П. Практика координатно-расточных і фрезерных работ, 1980
  9. Копылов Р.Б. Работа на фрезерных верстатах,1971
  10. Косовский В.Л. Справочник молодого фрезеровщика, 1992, с.180
  11. Кувшинский В.В. Фрезерование,1977
  12. Ничков А.Г. Фрезерные верстати (Библиотека станочника), 1977
  13. Пикус М.Ю. Справочник слесаря по ремонту металлорежущих верстатів, 1987
  14. Плотицын В.Г. Расчёты настроек і наладок фрезерных верстатів, 1969
  15. Плотицын В.Г. Наладка фрезерных верстатів,1975
  16. Рябов С.А. Современные фрезерные верстати і их оснастка, 2006
  17. Схиртладзе А.Г., Новиков В.Ю. Технологическое обладнання машиностроительных производств, 1980
  18. Тепинкичиев В.К. Металлорежущие верстати, 1973
  19. Чернов Н.Н. Металлорежущие верстати, 1988
  20. Френкель С.Ш. Справочник молодого фрезеровщика (3-е изд.) (Профтехобразование), 1978









Заказать

Кто владеет информацией - тот владеет миром.

Натан Ротшильд