Виробник плоскошліфувального верстата 3Д725 - Воронезький верстатобудівний завод , заснований у 1960 році.
Верстати моделі 3Д725 є типовими представниками гами плоскошліфувальних верстатів з прямокутним столом середнього типорозміру і дозволяє з мікронною точністю обробляти плоскі поверхні різних деталей. При застосуванні додаткових пристроїв на цих верстатах можлива обробка та фасонних поверхонь.
Розробник верстата моделі 3Д725 - Одеське спеціальне конструкторське бюро спеціальних верстатів (СКБСС).
Плоскошліфувальний верстат 3Д725 із прямокутним столом та горизонтальним шпинделем призначений для шліфування плоских поверхонь деталей периферією шліфувального кола в умовах одиничного, дрібносерійного та серійного виробництва.
Верстат 3Д725 виготовляється за нормативами точності та жорсткості відповідно до ГОСТ 13135-80; поставляється за ПТУ 2-024-5323-80.
Шліфовані деталі залежно від матеріалу, форми та розмірів можна закріплювати на електромагнітній плиті або безпосередньо на робочій поверхні столу.
Наявність пристрою цифрової індикації дозволяє контролювати величину вертикального переміщення шліфувальної бабки у процесі обробки деталі. Цей пристрій може бути використаний для контролю розмірів оброблюваної деталі в процесі шліфування.
Кінематична схема верстата 3Д725 передбачає ручну, дозовану та автоматичну вертикальну подачі шліфувальної бабки.
Керування реверсом столу та шліфувальної бабки – дистанційне.
Система змащення централізована.
Для зручної роботи та плавного переміщення шліфувальної бабки при подачі виробник встановив гвинт-гайку кочення в ланцюзі вертикального переміщення шліфувальної бабки. Завдяки цьому при обробці деталей можна досягти позитивних результатів, які повністю відповідають європейським стандартам якості. Крім цього верстат цієї марки оснащений системою змащення направляючих столу від окремої станції з блоком регулювання тиску та системою очищення олії. Ця конструкційна особливість дає можливість забезпечити постійну подачу мастила в автоматичному та безперебійному режимі, що найкраще позначається на загальній продуктивності. Ще однією важливою перевагою цієї моделі є наявність дистанційного керування швидкістю столу та шліфувальної бабки.
У верстаті 3Д725 передбачений автоматичний відскок шліфувального кола від деталей, що шліфуються, у разі аварійного зняття напруги на електромагнітній плиті.
Система охолодження забезпечує надійне відведення тепла із зони шліфування.
Розробник - Одеське спеціальне конструкторське бюро спеціальних верстатів (СКБРС).
Клас точності верстата П згідно з ГОСТ 8-77.
Орша-60200 - 2000 х 600, виробник Оршанський верстатобудівний завод Червоний борець

Схема обробки на плоскошліфувальних верстатах із позначенням рухів:
а - верстати з горизонтальними шпинделями, що працюють периферією шліфувального круга з прямокутним столом;
б - верстати з горизонтальними шпинделями, що працюють периферією шліфувального круга з круглим столом;
- верстати з вертикальними шпинделями, одношпиндельні, що працюють торцем шліфувального кола з круглим столом;
г - верстати з вертикальними шпинделями, одношпиндельні, що працюють торцем шліфувального кола з прямокутним столом;
д - верстати двошпиндельні, що працюють торцем шліфувального кола з двома вертикальними шпинделями;
е - верстати двошпиндельні, що працюють торцем шліфувального кола з двома горизонтальними шпинделями.
Плоске шліфування є методом обробки загартованих та незагартованих деталей машин; іноді плоске шліфування застосовують замість чистового стругання та чистового фрезерування, а також такої трудомісткої операції, як шабрування. Воно відрізняється високою продуктивністю, оскільки дозволяє обробляти заготовки з великими габаритними розмірами і має малі витрати часу на встановлення та закріплення заготовок завдяки тому, що застосовують магнітні столи.
Плоскі поверхні можна шліфувати периферією та торцем шліфувального кола.
На малюнку наведено схеми обробки плоских поверхонь деталей на плоскошліфувальних верстатах.
Периферією кола обробляють, наприклад, заготівлі з жорсткими допусками на відхилення від площинності:
Основними технологічними факторами, що визначають режим шліфування, є задані точність і шорсткість поверхні, потужність двигуна головного приводу та стійкість шліфувального кола. Режими різання задає технолог чи майстер або вибирають за довідниками.
Показниками режиму різання при плоскому шліфуванні периферією кола є:
Швидкість шліфувального кола вибирають залежно від виду шліфування (звичайне або швидкісне) та можливостей верстата.
Швидкість подачі заготовок збігається з поздовжнім переміщенням столу, на якому їх закріплюють. Збільшення швидкості подачі заготовки призводить до збільшення продуктивності обробки, тому вибирають високі швидкості подачі заготовки, особливо при попередніх операціях та зняття великих припусків. Підвищення швидкості подачі заготовки призводить до зменшення нагріву та деформації виробу, що обробляється. На чистових операціях знижують швидкість подачі заготівлі.
При збільшенні поперечної подачі підвищується продуктивність, але збільшується шорсткість оброблюваної поверхні та зношування кола, тому на чистових операціях застосовують меншу поперечну подачу.
Глибина різання визначає в основному продуктивність обробки, проте вона залежить від зернистості кола, необхідної шорсткості поверхні, що обробляється, потужності двигуна приводу шліфувальної бабки і ряду інших факторів. При обробці крупнозернистими колами застосовують більшу глибину різання. При шліфуванні дрібнозернистими колами з великою глибиною спостерігається значне зношування м'яких кіл або швидке засолювання твердих кіл. За виконання чорнових операцій використовують великі значення швидкості і глибини різання, але в чистових операціях їх знижують.
Для підвищення точності обробки та зниження шорсткості поверхні в кінці циклу слід застосовувати виходжування.

Приєднувальні та посадкові бази верстата 3Д725

Фото плоскошліфувального верстата 3Д725

Схема розташування основних вузлів плоскошліфувального верстата 3Д725

Схема розташування органів керування плоскошліфувальним верстатом 3Д725

Пульт керування плоскошліфувального верстата 3Д725
Пульт керування плоскошліфувального верстата 3Д725. Дивитись у збільшеному масштабі
Живлення ланцюгів електроустаткування здійснюється наступними напругами:
Живлення верстата здійснюється від мережі трифазного змінного струму напругою 380, частотою 50 Гц.
На верстаті та агрегатах гідроприводу, охолодження та мастила встановлені електродвигуни:

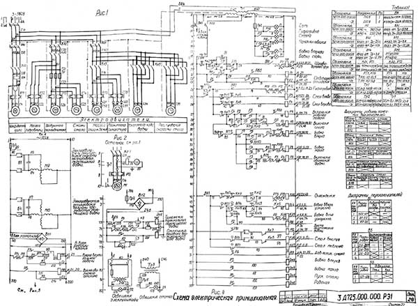
Електрична схема плоскошліфувального верстата 3Д725
Електрична схема плоскошліфувального верстата 3Д725. Дивитись у збільшеному масштабі
Електромагнітна плита та її блок керування виготовляються тільки на напругу 110В постійного струму від випрямляча.
Ланцюги блоків дистанційного керування ходом столу та бабки, а також сигналізація ходу столу живляться напругою 24В постійного струму від випрямляча.
На верстаті встановлені сельсини-датчики:
У верстаті також встановлений електромагніт Ем7, що перемикає кінематику з автоматичної подачі на прискорені вертикальні переміщення бабки;
Електромагнітна муфта Ем8 - пригальмовує кінематику при вертикальних робочих подачах, а також гальмування двигуна прискорених ходів.
У станині верстата знаходиться установка мастила шпинделя.
З лицьового боку верстата розташований пульт керування. Пульт керування містить перемикачі вибору режиму вертикальної подачі, тумблери із самоповерненням завдання швидкості столу та поперечних переміщень бабки, сельсини завдання довжини ходу столу та величини поперечного ходу бабки, всі кнопки керування, вимикач освітлення верстата.
З лицьового боку верстата на колоні розташований пульт сигналізації. На панелі пульта сигналізації розташовані лампи сигналізації, покажчик навантаження електродвигуна шліфувального кола та покажчик швидкості столу.
Праворуч на колоні встановлено світильник. Верстат пов'язаний з електрошафою двома трубами 2".
Стійкий поруч із верстатом агрегат охолодження пов'язаний зі верстатом через штепсельні роз'єми, гідроагрегат пов'язаний з електрошафою трубою 1 1/2".
Розміщення електроустаткування на верстаті та агрегатах та схеми електричних з'єднань див. рис.7...22.
У шафі керування, що окремо стоїть, розміщена вся релейно-контакторна апаратура, блок пристрою дистанційного керування реверсом ходу столу і бабки і блок керування електромагнітною плитою.
На бічній стінці шафи керування встановлений трифазний автоматичний вимикач з максимальним розщеплювачем для підключення верстата до мережі живлення (ВА).
ПРИ ОГЛЯДІ АБО РЕМОНТІ ЕЛЕКТРОАПАРАТУРИ ВВОДНИЙ ВИМКНЮВАЧ ПОВИНЕН БУТИ ОБОВ'ЯЗКОВО ВИКЛЮЧЕНИЙ.
Отвір для введення проводів живлення виконано знизу.
Введення має бути здійснене проводом перерізу 25 мм2, а при виконанні силового трифазного ланцюга верстата на 220В - перетином 35 мм2 чорного кольору - для лінійних та жовто-зеленого кольору - для заземлення.
При початковому пуску верстата необхідно передусім перевірити надійність заземлення та якість монтажу електроустаткування зовнішнім оглядом. Після огляду на клемних наборах електрошафи керування відключити дроти живлення всіх електродвигунів.
За допомогою вступного автомата ВА1 Верстат підключити до цехової мережі.
Перевірити дію блокуючих та сигналізуючих пристроїв, За допомогою кнопок та перемикачів верстата перевірити чітке спрацьовування магнітних пускачів та реле.
Налагодження пристрою для дистанційного керування ходом шліфувальної бабки та столу виконано на заводі-виробнику. Принцип дії та порядок налагодження пристрою див. розділ 1.4.4.
Схема електрична важлива показана на рис. 4, 5, 6.
Експлуатація до принципової електросхеми наведено у таблиці на аркушах 32..40.
Перед початком роботи необхідно переконатись, що всі захисні автомати включені.
Увімкненням вступного автомата подається живлення на робочі ланцюги та ланцюги керування.
Натисканням кнопки Кн4 вмикається пускач КЛ2. Включаються двигун гідронасосів М2, насоса мастила шпинделя М4, повітряного теплообмінника М3, насоса теплообмінника М11.
Після підйому тиску в системі мастила шпинделя обробляє РД, реле P13. Загоряються сигнальні лампи Л2 "Гідропривід включений", Л3 "Змащення шпинделя є".
Натисканням кнопки Кн2 вмикається пускач КЛ1, вмикається двигун шліфувального кола М1.
За допомогою перемикача В1 готується до увімкнення електромагнітна плита, а за допомогою вимикача В5 вибирається режим вертикальних подач.
Швидкість столу регулюється гідравлічним дроселем. Обертання регулятора здійснюється електродвигуном М8.
На валу електродвигуна М8 встановлений резистор R1.
Включення електродвигуна М8 відбувається пускачами КЛ6 або КЛ7 за допомогою тумблера із самоповерненням В2.
Кут повороту електродвигуна обмежений кінцевими вимикачами ВП6 та ВП7.
Від резистора R1 надходить сигнал пристрій компенсації перебігів столу (див.розділ 1.4.) і подається напруга на покажчик швидкості столу (УС).
Дина ходу столу задається сельсинами: Сс2, що обмежує хід столу вліво і Сс3, що обмежує хід стола вправо.
Якщо увімкнена плита (P18) або замкнутий контакт перемикача B1 (47-51), то дозволяється увімкнення столу.
Натисканням кнопок Кн5 чи Кн6 вмикається реле РЗ чи P4. Контакти цих реле (46-47) включають реле Р6, що стає саможивлення. Контакт P6 (5-102) включає магніт Ем5 - включення руху столу.
Контакти реле РЗ та Р4 (305-307) або (305-325) включають тиристори 1-ТПЗ або 1-ТП4. Порушуються магніти Ем1 або ЕМ2 короткоходових гідрозолотників, стіл рухається вправо або вліво.
Положення столу реєструється сельсин Ccl, ротор якого, пов'язаний кінематично зі столом повертається на 172° при повному ході столу.
При відпусканні кнопок Кн5 або Кн6 включений стан тиристорів 1-ТПЗ або 1-ТП4 і тим самим магнітів ЕМ1 або ЕМ2 цілком залежить від положення осі сельсина С1 відносно сельсин С2 і С3. У момент переходу через положення узгодження осей сельсинів Cc1 і C2 або Cc1 і C3 включається відповідний тиристор і відключається протилежний, включається відповідний магніт і відключається протилежний. Відбувається реверс столу.
Натисканням кнопки КН7 відключається реле Р6, магніт Ем6, електронасоси працюють на злив, стіл зупиняється. Другий контакт кнопки Кн7 (75-76) відключає пускач Кл3, відключається охолодження.
Для виведення столу у крайнє праве чи ліве положення слід кнопки Кн5 чи Кн6 тримати натиснутими до спрацювання кінцевих вимикачів ВП1 чи ВП2. Їх контакти 44-45 чекають 45-46 відключають Р6, відключається Ем5. Стіл зупиняється.
Поперечна подача бабки може бути переривчастою, безперервною та ручною від маховика. При переривчастій та безперервній подачі спеціальною рукояткою на бабці натиснутий кінцевий вимикач ВП5.
Швидкість безперервної подачі та величина переривчастої подачі регулюється гідравлічними дроселями, які встановлені на валах електродвигунів M9 та М10.
Включення та завдання напряму обертання електродвигунів М9 та М10 здійснюється за допомогою вимикачів із самоповерненням ВЗ та B4.
Довжина ходу бабки задається сельсин Сс5, що обмежує хід бабки назад і Сс6, що обмежує хід бабки вперед.
Для переривчастої подачі бабки слід попередньо увімкнути рух столу.
Натисканням кнопки Кн9 чи Кн10 вмикається реле Р7 чи P8. Контакти цих реле (54-65) включають реле P9 яке ставиться на саможивлення. Контакт Р9 (54-55) підтримує живлення Р7 чи Р8, коли кнопки Кн9 чи Кн10 - відпускаються. Контакти реле Р7 або Р8 (5-100) або (5-101) включають магніти Ем3 або Ем4. Бабка задається напрямком руху вперед чи назад. Положення бабки реєструється сельсин Сс4, ротор якого пов'язаний кінематично з бабкою, повертається на 172 ° при повному ході бабки.
Уривчаста подача настає щоразу в момент реверсу столу.
У крайніх положеннях, у момент переходу через положення узгодження сельсинів Сс4 і Сс5 або Сс4 і Сс6 спрацьовують реле Р14 або P15 реле Р7, Р8 і відповідні магніти Ем3, Ем4. Відбувається реверс поперечної подачі. Припинення переривчастої поперечної подачі настає із зупинкою столу або при натисканні кнопки Кн8. Уривчаста поперечна подача використовується при обробці виробів.
Безперервна подача можлива лише при зупиненому столі.
Натисканням Кн9 або Кн10 вмикається безперервний рух бабки вперед чи назад. Реверс бабки настає при спрацьовуванні реле Р14 чи P15.
Натисканням кнопки Кн8 відключаються магніти Ем3 або Ем4, рух бабки припиняється. Безперервна подача використовується для редагування кола.
Для виведення бабки за межу, обмежену сельсин Сс5 або Сс6, необхідно кнопки Кн9 або Кн10 тримати натисканням весь час руху бабки.
За допомогою спеціальної рукоятки можна підключити маховичок для переміщення бабки вручну. При цьому звільняється важіль кінцевого вимикача ВП5.
Автоматичний рух бабки – забороняється.
При кожному реверсі бабки при спрацьовуванні реле P14 або P15 включається реле імпульсне РВ2. Реле РВ2 короткочасно замикає свій контакт у ланцюзі реле Р5, яке включає магніт Ем6.
Відбувається вертикальна подача бабки.
Під час вертикальної подачі реле Р3 своїм контактом 233-235 включає гальмівну муфту Ем8, що гальмує механізм вертикальних переміщень.
При відключенні реле РВ2 та Р5 відключається магніт Ем6. Відбувається взвод механізму подачі.
Призначення пристрою - підвищення зручності керування реверсом столу та бабки.
Як датчики положення столу і бабки використовуються сельсини Сс1 і Сс4, вали яких кінематично пов'язані відповідно зі столом і бабкою.
Задатчиками точок реверсу столу є сельсини-приймачі Сс2 та Сс3, бабки - Сс5 та Сс6, винесені на пульт керування.
Схема керування столом содержит два фазочувствительных усилителя (транзисторы 1-T1, 1-T2), исполнительный триггер (тиристоры 1-ПП3, 1-ПП4, конденсатор 1-C2) з електромагнитами реверса стола Эм1 і Эм2 і сигнальными лампами Л7, Л8.
Схема керування бабкой содержит фазчувствительные усилители 1-T3, 1-Т4, усилительные тиристоры 1-ПП6, 1-ПП7 з исполнительными реле Р14, Р15.
Питание фазочувствительных усилителей стола і бабки обеспечивается формирователем опорного напряжения (1-T5, 1-T6, 1-Д4, 1-Д5, 1-R9, 1-C5), общее питание схеми - от трансформатора Тр2 з выпрямителем 1-Вп.
Принцип роботи схеми рассматривается на примере керування длиной ходу стола.
В однофазных обмотках сельсинов-приемников Сс2 і Сс3, включенных по трансформаторной схеме з сельсином-датчиком Сс1, индуктируются напряжения, амплитудные значения которых соответственно равны (рис.1)

Диаграмма напряжений плоскошлифовального верстата 3Д725
Ucc2 = Um Sinθ
Ucc3 = Um Sin(θ - γ)
где Um - амплитуда напряжения на выходе сельсина Сс2 при максимальном угле рассогласования его з сельсином Сс1 (θ =90°).
θ - угол рассогласования между роторами сельсинов Сс1 і Сс2
γ - угол сдвига между роторами сельсинов Сс2 і Сс3
Как видно на рисунке, между точками А і Б фаза напряжение ИСс2 і ИСс3 отрицательно. За зоной А Б происходит переворот фазы напряжений ИСс2 і ИСс3, который используется для выдачи команд из реверса. Левее точки А выдается команда на реверс вправо, правее точки Б - на реверс влево.
Таким образом, длина ходу стола А Б в градусах определяется взаимным положением роторов сельсинов-приемников Сс2 і СсЗ і равна
АБ=180°- γ
Для нормальной роботи схеми необходимо соблюдение условия:
0° < АБ > 180°
В етом случае точка переворота фазы левого сельсина Сс2 (точка А) всегда будет находиться левее точки переворота фазы правого сельсина Сс3 (точка Б). Это ограничение обеспечивается помощью ексцентриков, установленных на валах сельсинов-приемников.
Регистрация переворота фаз сельсинов Сс2 і Сс3 соответственно в точках А і Б осуществляется фазочувствительными усилителями.
Работа схеми иллюстрируется диаграммой (рис.2)
Опорное напряжение Иоп « ^304-361' з формирователя опорного напряжения через диод 1-Д6 поступает на коллектор - емиттер транзисторов 1-T1, 1-Т2. На емиттер-базу етих транзисторов через токоограничивающие резисторы 1-R10 і 1-R11 поступают напряжения

Диаграмма напряжений плоскошлифовального верстата 3Д725
Ucc2 = U_369-374
Ucc3 = U_380-375
При движении стола в зоне обробки между точками реверса А і Б опорное напряжение Иоп не совпадает з проводящей (положительной) полуволной напряжений ИСс1 і ИСс2 на базах транзисторов і оба транзистора закрыты. Соответственно напряжения И_307-315 в И_325-321 равны нулю.
За левой точкой реверса фаза напряжения ИСс2 изменяется на 180°, і в результате сравнения етого напряжения з напряжением Иоп транзистор 1-T1 оказывается включенным на время совпадения положительных полуволн етих напряжений.
Открытый транзистор включает тиристор 1-ПП3 і вместе з ним електромагнит Эм1, который обеспечивает реверс стола вправо.
За правой точкой реверса аналогично происходит переворот фазы напряжения ИСс3 = И_380-375, включается транзистор 1-Т2 (И_325-321 <> 0) і его ток включает тиристор 1-ПП4 і електромагнит Эм2. Одновременно з помощью конденсатора 1-С2 происходит відключення тиристора 1-ПП3 і електромагнита Эм1. Начинается реверс влево,
Формирователь опорного напряжения работает следующим образом.
Cкладной транзистор 1-T5, 1-Т6, включенный післядовательно з нагрузкой, открыт только тогда, когда отпирающее напряжение И_300-361 совпадает по часу з базовым током, етих транзисторов. Базовый ток транзисторов, протекающий по ланцюги 300-328-327-302-361-360 имеет емкостной характер і опережает напряжение И_300-361 на 90°.
Таким образом начало отпирания транзисторов происходит в момент появления проводящего напряжения И_300-361, запирание -в момент окончания заряда конденсатора 1-С5.
Время отпертого состояния транзисторов составляет четверть периода питающего напряжения. Форма опорного напряжения Иоп приведена на диаграмме (см.рис.2).
Для удобства налагодження пристроя лампами Л7 і Л8 осуществляется сигналізація точок реверса стола при отсутствии руху (реле Р6 отключено).
Так как питание анодных ланцюгів тиристоров в режиме сигнализации осуществляется нефильтрованным двухполупериодным напряжением, лампочки отключаются при снятии сигналов з управляющих електродов тиристоров 1-ПП3 і 1-ПП4.
Диод 1-Д1 обеспечивает развязку пульсирующего і фильтрованного напряжений.
Схемой предусмотрен способ уменьшения перебегов стола при увеличении скорости, вызванных запаздыванием срабатывания исполнительных органів. Для етого в схему дистанционного керування длиной ходу стола вводится сигнал скорости руху стола от потенциометра R1, связанного з валом двигуна регулювання скорости стола з помощью которого смещаются команды на реверс в сторону, компенсирующую изменение пути от скорости.
На максимальной скорости стола движок потенциометра R1 установлен в крайнем правом положении (точки 330-200 закорочены) і команды на реверс поступают в точках А і Б переворота фаз напряжений сельсинов Сс2 і СС3 (см.рис.1).
На минимальной скорости Vmin движок потенциометра R1 смещается на 90 градусов влево і на резисторы 1-R10 і 1-R11 поступает напряжение И_326-200, приложенное в запирающем к переходам емиттер-база транзисторов 1-Т1 і 1-T2. Поетому увімкнення транзисторов происходит при дополнительном угле поворота сельсинов Сс2 і Сс3 от точок реверса А і Б на некоторый угол α а точках А` і Б`.
Как видно из рисунка, введение упреждающего напряжения раздвигает точки выдачи команд на реверс из минимальной скорости относительно максимальной на дополнительный угол 2α.
С помощью переменного резистора 1-R7 величина упреждающего напряжения выбирается такой, чтобы угол 2α соответствовал перебегу стола на максимальной скорости. С увеличением скорости величина напряжения уменьшается, точки реверса сближаются к точкам А і Б, автоматически поддерживая ход стола в заданных пределах.
Принудительное увімкнення в нужном направления осуществляется от кнопок з помощью реле РЗ или Р4. При включении одного из реле его размыкающий контакт снимает питание з катушки соответствующего магнита. Замыкающий контакт реле включает тиристор заданного напряжения, а тиристор противоположного напряжения выключается.
Работа схеми, относящейся к управлению длиной ходу бабки, аналогична рассмотренной. Отличие заключается в том, что питание анодных ланцюгів тиристоров 1-ПП6 і 1-ПП7 осуществляется нефильтрованным двухполупериодным напряжением, благодаря чему реле P14 і P15 оказываются включенными только при наличии напряжения на управляющих електродах, т.е. в зоне реверса. В рабочей зоне реле Р14 і P15 отключаются. Компенсация перебегов от скорости переміщення бабки не требуется.
Наладку дистанционного керування ходом стола следует производить в следующий післядовательности.
1. Ослабить стопорные винты, фиксирующие положение ексцентриков относительно роторов сельсинов. Эксцентрики прижать друг к другу таким образом, чтобы точка касания находилась симметрично между ними.
2. Тумблером регулювання скорости стола установить максимальную скорость стола. (Движок резистора R1 в крайнем правом положении).
3. Установить центр стола под осью шлифовального круга. Вращать ротор левого сельсина Сс2 в сторону уменьшения длины ходу (по часовий стрелке) до загорания лампы Л7, затем отвести сельсин в противоположную сторону до погасания лампы Л7.
Аналогично вращать ротор правого сельсина СсЗ в сторону уменьшения длины ходу (против часовий стрелки) до загорания лампы Л8, затем отвести сельсин в противоположную сторону до погасания лампы Л8.
4. Пустить стол і роторами левого і правого сельсина добиться минимального ходу стола, симметричного относительно оси шлифовального круга. После етого зафиксировать стопорными гвинтами положение ексцентриков относительно роторов сельсина.
5. Тумблером регулювання скорости стола установить минимальную скорость стола (Движок резистора R1 смещен на 90 градусов от крайнего правого положения). При етом длина ходу стола должна быть меньше примерно на 70 мм з каждой стороны по сравнению з длиной ходу по пункту 4.
6. Пустить стол влево нажатием кнопки "Стол влево" до выхода зеркала стола за ось шлифовального круга, затем нажать і отпустить кнопку "Стол стоп". Повернуть ротор левого сельсина Сс2 в сторону увеличения длины ходу (против часовий стрелки) до первого погасания лампы Л7. В етом положении, вращая конус на левом стопорном винте, установить его таким образом, чтобы ограничить дальнейший поворот левого ексцентрика в сторону увеличения длины ходу. Зафиксировать ето положение конуса.
7. Аналогично пункту 6 произвести налаштування в правом положении стола.
Наладка дистанционного керування ходом бабки осуществляется аналогично по п.п. 1, 3, 4, 6, 7 з исключением пунктов 2 і 5.
Пристрій предназначено для намагничивания і размагничивания плиты (см.рис.6)
Питание плиты осуществляется от регулируемого тиристорного источника напряжения.
В режиме намагничивания тиристоры работают как диоды і на плиту поступает двухполупериодное номинальное напряжение.
В режиме размагничивания питание плиты осуществляется знакопеременным напряжением, убывающим по величине. Изменение направления тока осуществляется контактами реверсивного мостика.
В схеме предусмотрена бестоковая коммутация контактов реверсивного мостика і переключение источника живлення.
Схема работает следующим образом: нажатием Кн15 включается 2-PI.
Его контакт 420-425 включает реле 2-Р2, 2-РЗ, 2-Р4, 2-Р5, 2-Р6, контакт 420-442 включает 2-Р7, 2-Р16.
После увімкнення 2-Р16 контакт 442-449 включает реле 2-РВ2, 2-Р8, включаются тиристоры 2-TП1, 2-ТП2. При етом увімкнення каждого тиристора происходит в начале проводящего для него полупериода напряжения живлення, т.е. тиристоры выполняют роль диодов і на плиту подается полностью выпрямленное напряжение. Плита намагничивается полным током.
Для размагничиваний плиты нажимают кнопку Кн16. Реле 2-P1 отключается. Его контакт 420-442 отключает реле 2-РВ2 і Р-Р8. Тиристоры гаснут. По окончании выдержки часу (бестоковой паузы) реле 2-РВ2 (время достаточное для разряда плиты через Д1 і Д2) контактом 420-441 отключаются 2-РВ1, 2-Р7, 2-Р16.
Контакт 2-P16 454-455 включает реле 2-PB3, 2-P9, 2-P17; Контакты 2-P17 400-403, 401-405 подготавливают плиту к включению противоположной намагничиванию полярности. После увімкнення P17 контакт 449-453 включает 2-РВ2 і 2-Р8. Включается тиристор 2-ТП2, а тиристор ТП-1 отключен контактом реле 2-Р1 на все время размагничивания.
Таким образом, при размагничивании питание плиты осуществляется однополупериодной схеме. На первой ступени тиристор 2-ТП2 работает как диод. При етом через плиту идет ток 0,5 Iн.
Контакт 2-P17 443-444 предотвращает увімкнення реле 2-Р7 і 2-PB1 при замыкании 2-РВ (420-441).
После окончания выдержки часу 2-PВ1, отключается реле 2-Р2 і контакт его 420-452 отключает 2-РВ2 і 2-Р8. Тиристор гаснет (бестоковая пауза). После срабатывания контакта 2-РВ2 420-461 отключается реле 2-РВЗ, 2-Р9 і 2-Р17.
Контакт P17 443-444 совместно з контактом 2-Р2 446-442 включает реле 2-РВ1, 2Р7, 2-Р16. Контакт 2-P16 400-401, 403-405 подготавливают плиту к включению на ток противоположной полярности.
Контакт P16 442-449 совместно С 442-446 включает реле 2-РВ2 і 2-Р8. Включается тиристор TП2, через плиту течет ток, обусловленный углом зажигания при введенном резисторе 2-R1.
Момент увімкнення тиристора 2-ТП2 определяется временем перезаряда конденсатора 2-С1 по ланцюги 405-401-402-403-400-10-2-413-410-413-415.
Аналогичным образом происходит переключение на післядующих ступенях размагничивания. При етом післядовательно выключаются реле 2-P3, 2-P4, 2-P5, вводя в ланцюг управляющего електрода тиристора 2-ТП2 дополнительно резисторы 2-R2, R3, R4, R5.
При етом увеличивается время перезаряда конденсатора 2-01, уменьшается время горения тиристора TП2 і величина установившегося тока на очередной ступени.
В кінці V ступени по истечении выдержки часу реле 2-РВ2 происходит відключення реле 2-РВ3, 2-P9 і 2-P17, а через выдержку часу реле 2-РВ3 отпадает его контакт 420-446 отключающий реле 2-РВ2 і 2-Р8.
Схема обесточивается.
В схеме предусмотрен переключатель (тумблер) 2-В1 з помощью которого можно остановить процесс размагничивания на любой ступени для подгонки тока плиты.
1. Если переключатель В1 установлен в положение "Работа з електромагнитной плитой", то пуск движений стола возможен только після увімкнення намагничивания плиты і замыкания контактов реле P18 (47-51);
2. Если во время роботи верстата (включен електродвигатель шлифовального круга і движется стол) теряет питание електромагнитная плита, P18 (21-22), то двигатель шлифовального круга М1 отключается.
Контакт P18 (47-51) отключает реле Р8 і РВ3, стол останавливается.
При отключении пускателя КЛ1 замыкается его контакт (28-31), включается реле Р2. Контакт Р2 (83-84) включает пускатель КЛ4, включается двигатель М7, шлифовальный круг ускоренно отводится от вироби.
Контакт Р2 (82-90) включает реле РВ1. которое своим контактом (51-91) включает реле P12 і магнит Эм7, отсоединяющий маховик ручных, перемещений.
При срабатывании реле временя РВЗ, отключается реле P1, P2, PB1, КЛ4, включается Эм8, двигатель М7 тормозится.
Такой аварийный отвод шлифовального круга от вироби наступает не только при отключении електромагнитной плиты, но при каждом аварийном отключении пускателя КЛ1 во время роботи верстата. Так отвод наступает при отключении реле давления РД, при срабатывании теплового реле PT1, автомата ВА1. Во всех етих случаях происходит также остановка стола (Р2 52-53);
Захист електроустаткування верстата от коротких замыканий обеспечивается автоматическими выключателями ВА; ВА1...ВА6 і предохранителями Пр1.. .Пр5.
Захист електродвигателей от перегрузок осуществляется при помощи тепловых реле РТ1..РТ6.
Минимальная защита електродвигателей обеспечивается магнитными пускателями.
Вся сигналізація верстата сосредоточена на пульті сигнализации, расположенном на правой стороне колонны.

Перелік елементів плоскошліфувального верстата 3Д725
Перелік елементів плоскошліфувального верстата 3Д725. Дивитись у збільшеному масштабі

Перелік елементів плоскошліфувального верстата 3Д725
Перелік елементів плоскошліфувального верстата 3Д725. Дивитись у збільшеному масштабі

Перелік елементів плоскошліфувального верстата 3Д725
Перелік елементів плоскошліфувального верстата 3Д725. Дивитись у збільшеному масштабі

Перелік елементів плоскошліфувального верстата 3Д725
Перелік елементів плоскошліфувального верстата 3Д725. Дивитись у збільшеному масштабі

Перелік елементів плоскошліфувального верстата 3Д725
Перелік елементів плоскошліфувального верстата 3Д725. Дивитись у збільшеному масштабі

Перелік елементів плоскошліфувального верстата 3Д725
Перелік елементів плоскошліфувального верстата 3Д725. Дивитись у збільшеному масштабі

Перелік елементів плоскошліфувального верстата 3Д725
Перелік елементів плоскошліфувального верстата 3Д725. Дивитись у збільшеному масштабі

Перелік елементів плоскошліфувального верстата 3Д725
Перелік елементів плоскошліфувального верстата 3Д725. Дивитись у збільшеному масштабі

Перелік елементів плоскошліфувального верстата 3Д725
Перелік елементів плоскошліфувального верстата 3Д725. Дивитись у збільшеному масштабі

Схема розташування електроустаткування плоскошліфувального верстата 3Д725

Схема розташування електроустаткування плоскошліфувального верстата 3Д725

Схема розташування електроустаткування плоскошліфувального верстата 3Д725

Схема розташування електроустаткування плоскошліфувального верстата 3Д725
| Найменування параметру | 3D725 | |
|---|---|---|
| Основні параметри | ||
| Клас точності згідно з ГОСТ 8-82 | П | |
| Найбільші розміри виробів, що обробляються на столі (довжина х ширина х висота), мм | 2000 х 630 х 630 | |
| Найбільші розміри виробів, що обробляються на електромагнітній плиті (довжина x ширина x висота), мм | 2000 х 630 х 505 | |
| Найбільша маса виробів, що обробляються на електромагнітній плиті, кг | 2000 рік | |
| Найбільша маса виробів, що обробляються на столі, кг | 650 | |
| Відстань від осі шпинделя до дзеркала стола, мм | 235..880 | |
| Робочий стіл верстата | ||
| Розміри робочої поверхні столу (довжина x ширина), мм | 2000 x 630 | |
| Розміри поверхні електромагнітної плити (довжина x ширина), мм | 2000 x 630 | |
| Поздовжнє переміщення столу від гідравліки (найменше/найбільше, мм | 300...2100 | |
| Швидкість зворотно-поступального руху столу, м/хв. | 3 ... 30 | |
| Шліфувальна бабка | ||
| Шліфувальне коло за ГОСТ 2424-75 | РР500 х 100 х 305 | |
| Число оборотів шліфувального кола за хвилину | 1470 | |
| Найбільший допустимий момент, що крутить, на шпинделі, кгс*м | ||
| Кінець шпинделя шліфувальної бабки за ГОСТ 2323-67 (найбільший діаметр), мм | 100 | |
| Найбільше поперечне переміщення шліфувальної бабки (ручне та від гідравліки), мм | 660 | |
| Ціна поділу лімба поперечного переміщення шліфувальної бабки, мм | 0,05 | |
| Поперечне переміщення шліфувальної бабки на один оберт лімба, мм | 2 | |
| Межі швидкостей поперечної подачі шліфувальної бабки (безступінчасте регулювання), м/хв. | 0,2...1 | |
| Автоматична поперечна подача на кожен хід столу (безступінчасте регулювання), мм | 2...75 | |
| Найбільше вертикальне переміщення шліфувальної бабки, мм | 645 | |
| Ціна поділу лімба вертикального переміщення шліфувальної бабки, мм | 0,004 | |
| Вертикальне переміщення шліфувальної бабки на один оберт лімба, мм | 0,5 | |
| Автоматичні вертикальні подачі шліфувальної бабки, мм | 0,004...0,1 | |
| Швидкість прискореного вертикального переміщення, м/хв | 0,375 | |
| Привід та електроустаткування верстата | ||
| рід струму мережі живлення | 50Гц, 380 В | |
| Кількість електродвигунів на верстаті | 8 | |
| Електродвигун шпинделя шліфувальної бабки, кВт | 30 | |
| Електродвигун вертикального прискореного переміщення шліфувальної бабки, кВт | 1,5 | |
| Електродвигун регулювання швидкості столу, кВт | 0,55 | |
| Електродвигун насоса гідросистеми, кВт | 11 | |
| Електродвигун насоса системи змащення, кВт | 0,18 | |
| Електродвигун насоса системи охолодження, кВт | 0,6 | |
| Електродвигун магнітного сепаратора, кВт | 0,12 | |
| Електродвигун повітряного теплообмінника, кВт | 0,18 | |
| Загальна встановлена потужність усіх електродвигунів, кВт | 44,13 | |
| Габарити та маса верстата | ||
| Розміри машини, мм | 5750 2860 2860 | |
| Маса верстата, кг | 15450 |
Якщо підлеглий ставить вам питання по суті, дивіться на нього як на божевільного. Коли він відведе погляд, задайте йому його питання.
Правило Спарку