Виробник внутрішньошліфувального верстата 3К227А, 3К225А - Саратовський верстатобудівний завод ім. 60-річчя СРСР, ССЗ , заснований у 1940 році.
Початок виробництва внутрішньошліфувального верстата 3К227А – 1983 рік.
Внутрішньошліфувальний верстат 3К227А призначений для шліфування циліндричних та конічних (з кутом при вершині до 60°) наскрізних та глухих отворів.
Шліфувальний верстат 3К227А забезпечений торцешліфувальним пристроєм, що дозволяє шліфувати зовнішній торець виробу за один установ зі шліфуванням отвору.
Верстат 3К227А призначений для внутрішніх та експортних поставок.
Область застосування верстатів — машинобудівні заводи з дрібносерійним та серійним виробництвом, а також інструментальні та ремонтні цехи цих заводів.
Клас точності верстатів А згідно з ГОСТ 8-82Е.
Категорія якості – найвища.
Розробник - Саратовський верстатобудівний завод ім. 60-річчя СРСР.
Верстат має широкі діапазони:
Внутрішнє шліфування є одним з основних методів чистової обробки отворів, при якому в залежності від режимів шліфування та характеристики шліфувального кола може бути досягнута точність обробки за 1-3 класом і шорсткість поверхні V7-V9.
Перевагою процесу внутрішнього шліфування є можливість виправлення відведення осі отвору, що утворився на попередніх операціях, а також забезпечення перпендикулярності торцевої поверхні до осі отвору, що досягається при шліфуванні отвору і торця з одного установа.
Внутрішнє шліфування може застосовуватися для обробки циліндричних та конічних наскрізних та глухих отворів у деталях, виготовлених із незагартованої та загартованої сталі, чавуну, кольорових металів та неметалічних матеріалів.
Внутрішнє шліфування широко застосовується у всіх галузях машинобудування. На внутрішньошліфувальних верстатах обробляються отвори зубчастиних коліс (гладкі та шліцеві), внутрішніх кілець шарикопідшипників та роликопідшипників; роликові доріжки зовнішніх кілець підшипників; отвори кондукторних втулок, перехідних втулок з конусом Морзе, різних різальних інструментів, наприклад, фрез, шеверів, насадних розгорток та ін.
При внутрішньому шліфуванні застосовується як шліфування з поздовжньою подачею, і методом врізання. Найбільшого поширення набув перший спосіб. Шліфування методом врізування застосовують під час шліфування коротких отворів, а також отворів, обмежених буртами або уступами.
При внутрішньому шліфуванні застосовуються методи поздовжньої та поперечної подачі. Розрізняють такі види рухів:
При шліфуванні з поздовжньою подачею величина подачі має перевищувати 3/4 висоти кола однією оборот деталі. Поперечна подача при цьому уривчаста на кожен одинарний або подвійний хід або безперервна.
Шліфування методом врізання застосовують при обробці коротких отворів, а також внутрішніх циліндричних поверхонь, обмежених точними торцями або уступами, наприклад, роликових доріжок кілець підшипників. Для забезпечення рівномірності зносу колу повідомляється додатковий осцилюючий рух, якщо це дозволяє конфігурація деталі.
Особливості внутрішнього шліфування створюють низку обмежень застосування цього методу. До них відносяться:
Залежність діаметра шліфувального кола від діаметра шліфувального отвору, а також необхідність значного вильоту шліфувального шпинделя, особливо при шліфуванні довгих отворів, що обумовлюються введенням шліфувального кола в оброблений отвір, призводять до зниження жорсткості системи і створюють ряд обмежень.

Внутрішньошліфувальні верстати можуть бути поділені на дві основні групи.
Залежно від характеру виробництва застосовуються універсальні внутрішньошліфувальні верстати, напівавтомати та автомати.
Універсальні верстати з патронним затискачем застосовуються для обробки коротких та довгих циліндричних та конічних отворів. Конічні отвори шліфуються шляхом повороту бабки відповідний кут. Ці верстати поширені у допоміжних цехах заводів масового виробництва, а також основних цехах заводів серійного виробництва. Універсальні верстати забезпечуються зазвичай торцешліфувальним пристроєм, що дозволяє забезпечувати при обробці високу точність перпендикулярності торця до отвору. Шліфувальні головки на універсальних верстатах встановлюються на санках і можуть бути змінними.
Напівавтомати , що широко застосовуються в масовому та великосерійному виробництвах, забезпечуються вимірювально-керуючими пристроями, які автоматично контролюють процес шліфування, і припиняють обробку при досягненні заданого розміру.
Автомати - центрові та безцентрові забезпечуються додатково завантажувальними пристроями, що подають деталі для обробки в зону шліфування, а також пристроями для автоматичного закріплення та зняття деталі та керування правкою кола.
Основними внутрішньошліфувальними верстатами, що випускаються вітчизняною промисловістю, є верстати гами ЗК. Ці верстати призначені для обробки отворів діаметром від 3 до 800 мм і випускаються класами точності П, В та А. Усі універсальні верстати гами ЗК, за винятком моделі ЗК230В, оснащені торцешліфувальними пристроями.
На базі основних моделей випускають різні модифікації верстатів - з подовженим перебігом столу для обробки, довгих деталей.

Фото внутрішньошліфувального верстата 3к227а
Фото внутрішньошліфувального верстата 3к227а. Дивитись у збільшеному масштабі

Фото внутрішньошліфувального верстата 3к227а
Фото внутрішньошліфувального верстата 3к227а. Дивитись у збільшеному масштабі

Фото внутрішньошліфувального верстата 3к227а
Фото внутрішньошліфувального верстата 3к227а. Дивитись у збільшеному масштабі

Фото внутрішньошліфувального верстата 3к227а
Фото внутрішньошліфувального верстата 3к227а. Дивитись у збільшеному масштабі

Фото внутрішньошліфувального верстата 3к227а

Розташування складових частинин внутрішньошліфувального верстата 3к227а

Розташування органів керування внутрішньошліфувальним верстатом 3к227а
* Для верстата 3К225А
Питание ланцюгів електроустаткування осуществляется следующими напряжениями:
Електроустаткування верстата предназначено для подключения к трехфазной сети переменного тока з глухозаземленным или изолированным нейтральным проводом.
На станке установлены електродвигатели:

Електрична схема внутришлифовального верстата 3к227а
Схема електрична принципова 3К227А. Дивитись у збільшеному масштабі

Електрична схема внутришлифовального верстата 3к227а
Схема електрична принципова верстата 3К227А. Дивитись у збільшеному масштабі

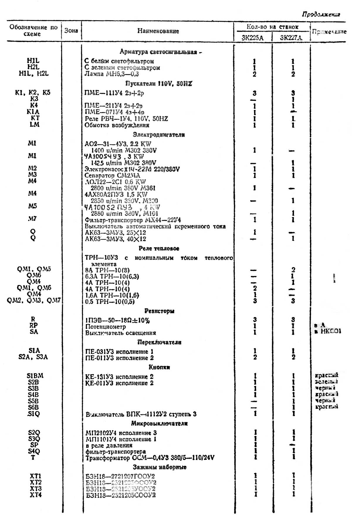
Список елементів внутришлифовального верстата 3К227А
Список елементів внутришлифовального верстата 3К227А. Дивитись у збільшеному масштабі

Список елементів внутришлифовального верстата 3К227А
Список елементів внутришлифовального верстата 3К227А. Дивитись у збільшеному масштабі

Електрична схема внутришлифовального верстата 3К225А
Електрична схема внутришлифовального верстата 3К225А. Дивитись у збільшеному масштабі

Електрична схема внутришлифовального верстата 3К225А
Електрична схема внутришлифовального верстата 3К225А. Дивитись у збільшеному масштабі
При первоначальном пуске верстата необходимо прежде всего проверить надежность заземления і качество монтажа електроустаткування внешним осмотром.
При помощи вводного автомата верстат подключить к цеховой сети.
Проверить действие блокирующих і сигнализирующих устройств шкафа верстата.
При помощи кнопок і переключателей верстата проверить четкость срабатывания магнитных пускачів і електродвигателей.
(рис.4. 18-...2Б, таблица 7)
Увімкненням вводного автоматичного выключателя на верстат подается напряжение, при етом загорается сигнальная лампа 6 (H1L «Сеть»).
Стол находится в исходном положении, конечный выключатель S1Q нажат, к. з. контакт S1Q (12—27) разомкнут, а н. о. контакт S1Q (8—11) замкнут.
Торцешлифовальное пристрій находится і верхнем нерабочем положении, микровыключатель S2Q нажат, н. о. контакт S2Q (8—19) замкнут.
Переключатель обертання вироби 5 (S1A) ставится в положение «Работа», при етом замыкаются точки (26—27).
Переключатель S2A ставится в положение II при етом замыкаются точки (30-38) при работе верстата без выхаживания (Реле часу КТ устанавливается в нулевое положение).
Нажатием на кнопку 2 (S2В "Пуск") включается і ставится на самопитание магнитный пускатель K1. Силовые контакты К1 включают електродвигатели гідравлики M1, електронасоса охлаждения M2 і магнитного сепаратора сепаратора М3.
Загорается сигнальная лампа H2L «Гідравлика» через н. о. контакт K1 (9—10).
Нажатием на кнопку 4 (S5B «Пуск») включается з самопитанием магнитный пускатель К3, силовые контакты которого включают електродвигатель шлифовального круга М5. (Привід шлифовального круга на станке моделі 3К227А може осуществляется от пневмошпинделя по спецзаказу).
Рукояткой гідравлики стол пускается в зону шлифования. При сходе стола з исходного положения освобождается от нажатия конечный выключатель S1Q. Н. з. контакт S1Q (12—27), замыкаясь, включает магнитный пускатель К4. Силовые контакты К4 включают електродвигатель (М6). Електродвигун приводу вироби М6 начинает вращаться.
В начале шлифовки устанавливается припуск по механізму поперечної подачі і нажимается его рукоятка, вводящая механізм в рабочее положение. При етом нажимается микровыключатель S3Q, который размыкает свой Н.3.контакт (27-30). Увімкнення і відключення автоматичною поперечної подачі осуществляется переключателем 25 (S3A).
После снятия установленного припуска микровыключатель S3Q. отпускается і своими н.з. контактом (27-30) включает реле часу КТ, которое своим н.о. контактом (12-32) включает електромагнит Y1. Происходит отвод стола в исходное положение.
В исходном положении стола нажимается конечный выключатель S1Q. Н.3. контакт S1Q (12-27) размыкается, отключает магнитный пускатель К4 і реле часу КТ, которое Н.О. контактом отключает електромагнит Y1, силовые контакты К4 размыкаются і отключают електродвигатель (М6). Н.З. контакт К4 (41-43) включает динамическое торможение електродвигуна М6 при помощи сопротивления R. Производится замер детали. При необходимости ДОШЛИФОВКИ, Реле часу КТ отключается переключателем S2A. Рукояткой гідравлики стол посылается в зону шлифования. Отвод стола не післядует, т.к. реле часу включиться не може.
Отвод стола після дошлифовки производится вручную.
Установить переключатель 48 (S2A) в положение 1, при етом замыкаются точки (30—31).
После снятия установленного припуска микровыключатель S3Q отпускается і своим н. з. контактом (27—30) включает реле часу 45 (КТ), которое своим н. з. контактом (33—34) отключает електромагнит Y2 — подача отключается, идет выхаживание.
По истечении установленного часу выхаживания н. о. контакт реле часу КТ (12—32) включает електромагнит Y1 — происходит отвод стола в исходное положение.
В схеме предусмотрены наступні блокировки:
Загорание лампочки 6 (H1L "Сеть") на пульті керування сигнализирует о подаче напряжения на верстат. Загорание лампочки 46 (H2L) сигнализирует о включении електродвигуна гідравлики (M1). .
Для пуска верстата в работу необходимо:

Размещение електроустаткування на шлифовальном станке 3к227а
Размещение електроустаткування на станке 3К227А. Дивитись у збільшеному масштабі

Размещение електроустаткування на шлифовальном станке 3к227а
Размещение електроустаткування на станке 3К227А. Дивитись у збільшеному масштабі
| Наименование параметра | 3К227А | 3К225А |
|---|---|---|
| Основні параметри | ||
| Класс точності по ГОСТ 8-82 | А | А |
| Наибольший диаметр устанавливаемого вироби, мм | 400 | 200 |
| Наибольший диаметр устанавливаемого вироби в кожухе, мм | 250 | 100 |
| Наибольшая длина устанавливаемого вироби, мм | 125 | 50 |
| Наименьший і наибольший диаметр шлифуемого отверстия, мм | 20..160 | 3..50 |
| Наибольшая длина шлифования при диаметре шлифования не менее 100 мм, мм | 125 | 50 |
| Расстояние от оси шпинделя передньої бабки до подошвы станины, мм | 1200 | 1100 |
| Расстояние от оси шпинделя передньої бабки до зеркала стола (высота центров), мм | 275 | 410 |
| Расстояние от опорного торца фланца шпинделя вироби до торца кронштейна шлифовальной бабки, мм | 880 | 580 |
| Расстояние от торца нового круга торцешлифовального приспособления до опорного торца фланца шпинделя, мм | 120..260 | 80..160 |
| Рабочий стол верстата | ||
| Наибольшая длина переміщення стола, мм | 450 | 320 |
| Ручное переміщення стола за один оборот маховика, мм | 19 | 19 |
| Скорость переміщення стола при шлифовании, м/мин | 1..7 | 1..7 |
| Скорость переміщення стола при правке круга, м/мин | 0,1..2 | 0,1..2 |
| Скорость переміщення стола при быстром продольном подводе і отводе, м/мин | 10 | 10 |
| Шлифовальная бабка | ||
| Частота обертання шпинделя внутришлифовальной головки, 1/мин | 7200, 9000, 12000, 18000, 22000 | - |
| Частота обертання пневмошпинделя внутришлифовальной головки А20/40, 1/мин | - | 20000..40000 |
| Наибольший диаметр шлифовального круга по ГОСТ 2424-83, мм | пп20..80 | пп3..25 |
| Наибольший высота шлифовального круга по ГОСТ 2424-83, мм | 20..50 | 8..25 |
| Диаметр отверстия шлифовального круга по ГОСТ 2424-83, мм | 6..20 | 1..6 |
| Поперечное перемещение шлифовальной бабки (для верстата 3к225 - бабка вироби) | ||
| Перемещение за один оборот маховичка - грубое (наладочное), мм | 2,5 | 2,5 |
| Перемещение за один оборот маховичка - тонкое, мм | 0,25 | 0,25 |
| Перемещение на одно деление лимба, мм | 0,001 | 0,001 |
| Перемещение на одно качание рычага ручной дозированной подачі, мм | 0,001 | 0,001 |
| Наибольшее наладочное перемещение шлифовальной бабки - назад (на робочого), мм | 10 | - |
| Наибольшее наладочное перемещение шлифовальной бабки - вперед (от робочого), мм | 50 | - |
| Величины поперечної подачі шлифовальной бабки на сторону, мм/дв.ход | 0,001; 0,002; 0,003; 0,004; 0,005; 0,006 | |
| Передня бабка (бабка вироби, шпиндель вироби) | ||
| Наибольший угол поворота бабки вироби, град | 45 | 45 |
| Наибольший наладочное перемещение бабки вироби - назад (на робочого), град | 30 | 20 |
| Наибольший наладочное перемещение бабки вироби - вперед (от робочого), град | 120 | 100 |
| Частота обертання вироби (бесступенчатое регулювання), об/мин | 60..1200 | 280..2000 |
| Торцешлифовальное пристрій | ||
| Частота обертання торцового шпинделя, 1/мин | 5600 | 11500 |
| Продольное перемещение торцового шлифовального круга наибольшее наладочное, мм | 160 | 80 |
| Продольное перемещение торцового шлифовального круга наибольшее рабочее (тонкое), мм | 4 | 4 |
| Продольное перемещение торцового шлифовального круга за один оборот маховичка наладочного переміщення, мм | 27 | 27 |
| Продольное перемещение торцового шлифовального круга за один оборот маховичка рабочей (тонкой) подачі, мм | 0,1 | 0,1 |
| Продольное перемещение торцового шлифовального круга на одно деление лимба рабочей (тонкой) подачі, мм | 0,0025 | 0,0025 |
| Розміри торцешлифовального круга, мм | ЧШ100 х 50 х 20 | ЧШ50 х 32 х 13 |
| Привід і електрообладнання верстата | ||
| Количество електродвигателей на станке | 7 | 6 |
| Електродвигун шпинделя шлифовальной бабки, кВт | 4 | - |
| Электрошпиндель шлифовальной бабки ШК24/1,1, кВт | - | 1,1 |
| Электрошпиндель шлифовальной бабки ШК48/0,8, кВт | - | 0,8 |
| Электрошпиндель шлифовальной бабки ШК96/0,4, кВт | - | 0,4 |
| Електродвигун приводу торцешлифовального приспособления, кВт | 1,5 | 0,55 |
| Електродвигун приводу вироби (бабки вироби) постоянного тока, кВт | 1,2 | 0,76 |
| Електродвигун насоса гідросистемы, кВт | 3,0 | 2,2 |
| Електродвигун фильтра-транспортера, кВт | 0,09 | 0,09 |
| Електродвигун насоса системы охлаждения, кВт | 0,15 | 0,15 |
| Електродвигун магнитного сепаратора, кВт | 0,09 | 0,09 |
| Общая мощность електродвигателей, кВт | 10,0 | 3,84 |
| Привід з магнитным усилителем ПМУ5М4У4, кВт | - | 0,7 |
| Привід з магнитным усилителем ЭТ1Е2-9УХП4, кВт | 1,0 | - |
| Количество преобразовательных агрегатов | 1 | 2 |
| Габаритные розміри і масса верстата | ||
| Габаритные розміри верстата (длина х ширина х высота), мм | 2885 х 1900 х 1750 | 2295 х 1800 х 1750 |
| Масса верстата з електрообладнанням і охолодженням, кг | 4400 | 2900 |