metalinstryment.com
Довідник по металорізальних верстатів та пресовому обладнанні

5111 Верстат зубодолбежный вертикальний напівавтомат
схеми, опис, характеристики

5111 Загальний вигляд  зубодолбежного верстата







Відомості про виробника вертикального зубофрезерного напівавтомату 5122

Производитель вертикального зубодолбежного напівавтомату 5122 Корсунь-Шевченковский станкостроительный завод им. Богдана Хмельницкого г. Корсунь-Шевченковский, Черкаская область.





Продукция Корсунь-Шевченковского станкостроительного завода


5111 Верстат зубодолбежный вертикальний гідравлический універсальний напівавтомат. Назначение і область применения

Зубодолбежный напівавтомат 5111 предназначен для высокопроизводительного нарізання прямых і косых зубьев зубчатых колес з наружным і внутренним зацеплением. Простота налагодження напівавтомату дает возможность использовать его в условиях единичного і серийного производства.

Разработчик напівавтомату 5111 - Харьковское СКБ агрегатных верстатів і автоматических линий.

Принцип роботи і компоновка напівавтомату

Полуавтомат 5111 работает методом обкатки инструмента і вироби. Для осуществления обкатки на напівавтоматі предусмотрена кінематична связь обертання инструмента і вироби, которая настраивается сменными зубчатыми колесами гітари деления.

Процесс різання осуществляется возвратно-поступательным движением инструмента.

Установка на межосевое расстояние і врезание на глубину зуба производится столом з изделием, который перемещается гідроцилиндром. Стол имеет, также, ускоренный подвод к инструменту.

Полуавтомат 5111 може работать в наладочном і напівавтоматическом режимах.

На напівавтоматі 5111 предусмотрена возможность многопроходной обробки. Для изменения круговой подачі (скорости обкатки инструмента і вироби) на напівавтоматі предусмотрена гітара круговых подач.

Радиальное врезание на глубину зуба осуществляется клиновой ползушкой, которая перемещается гідроцилиндром, выполненным за одно целое з ползушкой. Общая величина врізання, а также врезание по проходам, настраивается упорами. Регулювання подачі врізання осуществляется дросселем.

Для предотобертання затирания инструмента при подъеме инструмента (холостом ходе), кинематикой предусмотрен отвод суппрта со шпинделем і инструментом.

Путем смещения стойки относительно общей оси инструментаи виробиможно осуществлять вышеуказанный отвод под углом.

Для отсчета одного оборота вироби используется механический счетчик.

При обработке зубчатых колес з внутренним зацеплением в кінці цикла предусмотрено автоматическое відключення ланцюги деления і вывод инструмента в верхнее положение.

Для выверки вироби і припособлений в процессе налагодження напівавтомату имеется ускоренное вращение шпинделя вироби.

Все переключения во время роботи напівавтомату в пределах одного робочого цикла осуществляются автоматически.

Особливості конструкції верстата 5111

Высокая жесткость станины исключает возможность возникновения вибраций при переменной динамической нагрузке. Полуавтоматический рабочий цикл, керування з центрального пульта позволяют проводить обслуговування нескольких верстатів одним станочником.

Противоположность обертання инструмента і заготовки повышает стойкость долбяка і срок службы делительных пар. На напівавтоматі предусмотрена обработка вироби за один или несколько проходов. Последний проход обробки зубьев колес происходит на жестком упоре, что обеспечивает высокую точность вироби.

При обработке зубьев шестерен з внутренним зацеплением в кінці цикла режущий инструмент выводится в верхнее положение специальным пристрійм, что исключает поломку инструмента, при отводе стола в зону загрузки.

При нарезании косозубых колес долбяку сообщается дополнительное вращательное рух от соответствующих направляючих.

На напівавтоматі може быть смонтировано загрузочное пристрій на случай встраивания его в автоматическую линию.

Класс точності напівавтомату П. Шероховатость обработанной поверхности па чистовом режиме V6—V7





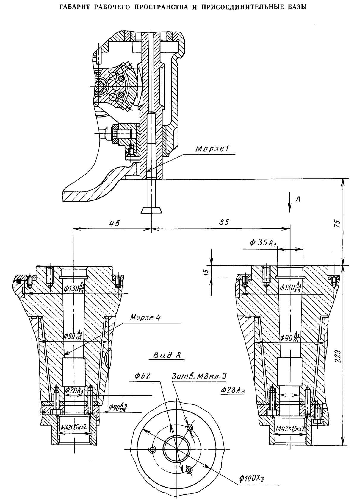
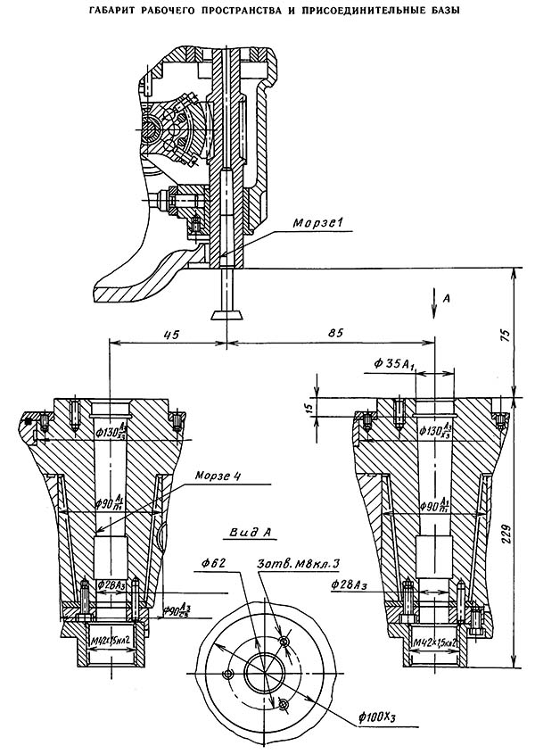
5111 Габаритные розміри робочого простору зубодолбежного напівавтомату

Габаритные розміри робочого простору зубодолбежного напівавтомату 5111

Габаритные розміри робочого простору верстата 5111

Габаритные розміри робочого простору зубодолбежного напівавтомату 5111. Дивитись у збільшеному масштабі


Загальний вигляд зубодолбежного верстата 5111

5111 напівавтомат зубодолбежный. Загальний вигляд

Фото зубодолбежного верстата 5111


5111 напівавтомат зубодолбежный. Загальний вигляд

Фото зубодолбежного верстата 5111


Розташування основних вузлів зубодолбежного верстата 5111

5111 Розташування основних вузлів зубодолбежного верстата

Розташування основних вузлів зубодолбежного верстата 5111

Розташування основних вузлів зубодолбежного верстата 5111. Дивитись у збільшеному масштабі



Список вузлів зубодолбежного верстата напівавтомату 5111

  1. Станина - 5111.11.000
  2. Стойка - 5111.20.000
  3. Стол - 5111.21.000
  4. Електроустаткування - 5111.25.000
  5. Суппорт - 5111.31.000
  6. Мезанизм врізання - 5111.50.000
  7. Гідросистема - 5111.61.000
  8. Гідрозажим - 5111.62.000
  9. Охлаждение - 5111.71.000
  10. Электрошкаф - 5111.82.000

Розташування органів налаштування і керування зубодолбежным верстатом 5111

5111 Розташування органів керування зубодолбежным верстатом напівавтоматом

Розташування органів керування зубодолбежным верстатом 5111

Розташування органів керування зубодолбежным верстатом напівавтоматом 5111. Дивитись у збільшеному масштабі



5111 Розташування органів керування зубодолбежным верстатом напівавтоматом

Розташування органів керування зубодолбежным верстатом 5111

Розташування органів керування зубодолбежным верстатом напівавтоматом 5111. Дивитись у збільшеному масштабі



Список органів керування зубодолбежным верстатом 5111

  1. Вводный сетевой автомат
  2. Квадрат ручного проворота шпинделя вироби
  3. Квадрат налаштування межосьового расстояния
  4. Указатель лимба налаштування межосьового расстояния
  5. Упор увімкнення головного привода
  6. Упор исходного положения стола
  7. Пульт керування
  8. Сменные шкивы налаштування частоти двойных ходов
  9. Квадрат ручного приводу возвратно-поступательного руху шпинделя инструмента
  10. Светильник местного освещения
  11. Кран охлаждения
  12. Механізм отключения ланцюги деления (зубчатая муфта)
  13. Гітара круговых подач
  14. Шкала налаштування проворота стойки
  15. Механізм налаштування величины врізання
  16. Гітара деления
  17. Квадрат натяжения ремней головного привода
  18. Рукоятка механізма реверса обертання инструмента
  19. Квадрат установки положения инструмента
  20. Квадрат установки величины відведення инструмента
  21. Клапан редукционный
  22. Манометр контроля давления
  23. Золотник проверки давления в сети зажима, змазки і общей гідросистеме
  24. Дроссель налаштування величины радиальной подачі врізання
  25. Клапан післядовательности регулировки давления в гідросистеме
  26. Фильтры очистки масла
  27. Квадрат ручного проворота инструмента
  28. Квадрат установки величины ходу




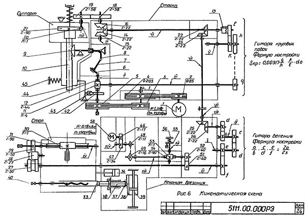
Схема кінематична зубодолбежного верстата напівавтомату 5111

Схема кінематична зубодолбежного верстата напівавтомату 5111

Кінематична схема зубодолбежного верстата 5111

Схема кінематична зубодолбежного верстата 5111. Дивитись у збільшеному масштабі



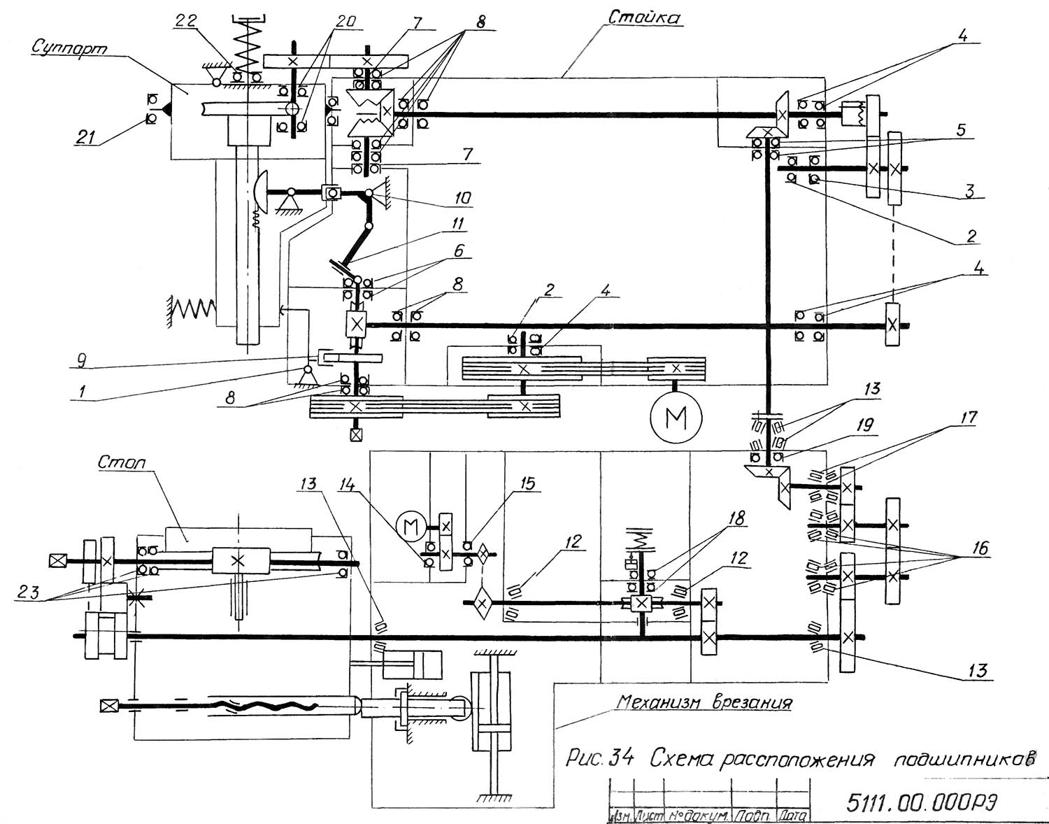
Схема розположення підшибників качения на зубодолбежном станке 5111

Схема розположення підшибників качения на зубодолбежном станке 5111

Схема розположення підшибників качения на зубодолбежном станке 5111. Дивитись у збільшеному масштабі



Кінематична схема напівавтомату 5111

Кинематические ланцюги:


Електроустаткування зубодолбежного верстата 5111

Схема електрична зубодолбежного верстата 5111

Електрична схема зубодолбежного верстата 5111

Схема електрична зубодолбежного верстата 5111. Дивитись у збільшеному масштабі



Схема електрична зубодолбежного верстата 5111

Електрична схема зубодолбежного верстата 5111

Схема електрична зубодолбежного верстата 5111. Дивитись у збільшеному масштабі



Схема електрична зубодолбежного верстата 5111

Електрична схема зубодолбежного верстата 5111

Схема електрична зубодолбежного верстата 5111. Дивитись у збільшеному масштабі



Опис електросхеми зубодолбежного верстата 5111


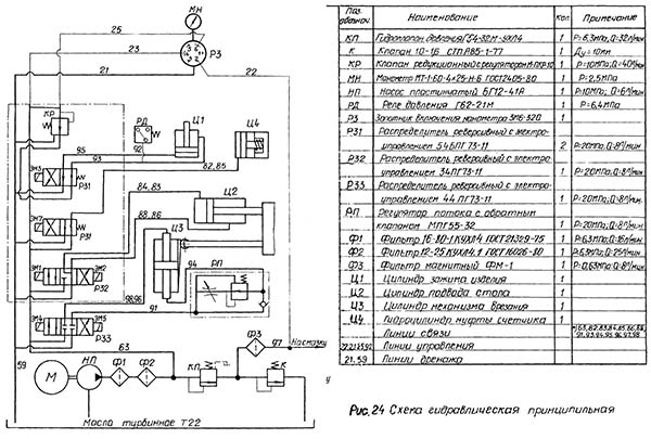
Гідравлічна схема зубодолбежного верстата 5111

5111 Гідравлічна схема зубодолбежного верстата

Гідравлічна схема зубодолбежного верстата 5111

Схема гідравлічна зубодолбежного верстата 5111. Дивитись у збільшеному масштабі



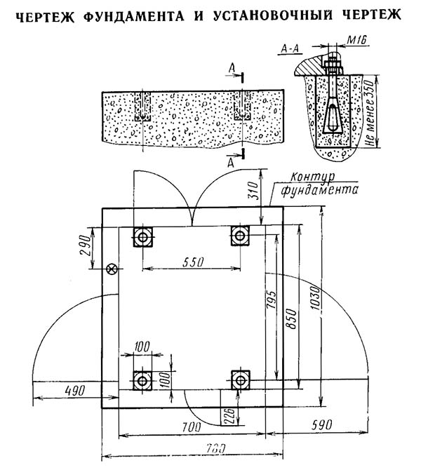
Установочная схема зубодолбежного верстата 5111

Установочная схема зубодолбежного верстата 5111

Установочная схема зубодолбежного верстата 5111




Технічні характеристики зубодолбежного верстата напівавтомату 5111

Технічні характеристики зубодолбежного верстата напівавтомату 5111

Технічні характеристики зубодолбежного верстата напівавтомату 5111

Технічні характеристики зубодолбежного верстата напівавтомату 5111. Дивитись у збільшеному масштабі




    Список литературы

  1. Аврутин Р.Д. Справочник по гідроприводам металлорежущих верстатів,1965
  2. Гинсбург Е.Г. Производство зубчатых колес, 1978
  3. Калашников А.С. Технология изготовления зубчатых колес, 2004
  4. Копылов Р.Б. Работа на строгальных і долбежных верстатах, 1975
  5. Мильштейн М.З. Нарезание зубчатых колес, 1972.
  6. Овумян Г.Г., Адам А.И. Справочник зубореза, 1983.
  7. Петруха П.Г. Резание конструкционных материалов, режущие инструменты і верстати, 1974
  8. Сильвестров Б.Н., Захаров И.Д. Конструкція і наладка зуборезных і резьбофрезерных верстатів, 1979.
  9. Шавлюга Н.И. Расчет і примеры наладок зубофрезерных і зубодолбежных верстатів, 1978.
  10. Яковцев А.Д. Работа на строгальных і долбёжных верстатах, 1966








Заказать

Кто владеет информацией - тот владеет миром.

Натан Ротшильд