metalinstryment.com
Довідник по металорізальних верстатів та пресовому обладнанні

5122 Верстат зубодолбежный вертикальний напівавтомат
схеми, опис, характеристики

5122 Загальний вигляд  зубодолбежного верстата







Відомості про виробника вертикального зубофрезерного напівавтомату 5122

Производитель вертикального зубодолбежного напівавтомату 5122 Корсунь-Шевченковский станкостроительный завод им. Богдана Хмельницкого г. Корсунь-Шевченковский, Черкаская область.





Продукция Корсунь-Шевченковского станкостроительного завода


5122 Верстат зубодолбежный вертикальний гідравлический універсальний напівавтомат. Назначение і область применения

Зубодолбежный напівавтомат 5122 является представителем гаммы зубодолбежных верстатів 5121, 5122 і 5140, разработанных в ЭНИМС в начале семидесятых.

Верстат - напівавтомат 5122 заменил устаревшую модель 5В12 і был заменен, в свою очередь, более совершенной моделью 5А122.

Універсальный гідравлический зубодолбежный верстат напівавтомат 5122 предназначен для высокопроизводительного нарізання прямых і косых зубьев цилиндрических зубчатых колес з наружным і внутренним зацеплением. Ввиду малого перебега долбяка верстат приспособлен для нарізання блоков зубчатых колес. Нарезание зубьев осуществляется круговыми модульными долбяками методом обкатки инструмента і вироби.

Принцип роботи і особливості конструкції верстата 5122

Жесткая стойка соединена со станиной, по горизонтальным направляющим которой перемещается стол, несущий нарезаемое колесо. В суппорте расположен долбяк, совершающий возвратно-поступательное рух і отскок при обратном ходе на величину 0,45 мм. В верстатах 5А12, 5В12, 5М12 такой отскок совершает деталь.

Простота налагодження напівавтомату 5122 дает возможность использовать его в условиях единичного і серийного производства.

При установці в суппорте специальных винтовых направляючих, изготовляемых по техническому заданию заказчика, на напівавтоматі можно обрабатывать зубчасті колеса з косым зубом.

Жесткая кінематична ланцюг, отсутствие вертикальних валов позволяют выпускать на его базе специальные верстати: для обробки деталей в центах, деталей з коническим (поднутренным) зубом, повышенным рабочим пространством, гідравлическим переміщенням суппорта. Полуавтомат може комплектоваться гідравлическим зажимным патроном і пристрійм для нарізання зубьев реек. При наличии специального инструмента возможна обработка фасонных профилей.

Стружка з робочого простору удаляется шнековым транспортером, приводимым в действие от отдельного приводу через редуктор.

Высокая жесткость станины исключает возможность возникновения вибраций при переменной динамической нагрузке. Полуавтоматический рабочий цикл, керування з центрального пульта позволяют проводить обслуговування нескольких верстатів одним станочником. Верстат обеспечивает обработку в один, два і три прохода з автоматическим изменением режимов різання на чистовом проходе.

На напівавтоматі можно обрабатывать вироби как из черных, так і цветных металлов.

Отвод стола от инструмента обеспечивает удобный съем і установку вироби. Для закрепления детали имеется гідравлический зажимной патрон.

При обработке деталей з внутренним зацеплением в кінці цикла режущий инструмент выводится в верхнее положение специальным пристрійм, что исключает поломку инструмента при отводе стола в зону загрузки.

На базе напівавтомату изготавливаются специальные верстати для обробки деталей в центрах, деталей з коническим (поднутренным) зубом, а при наличии специальных долбяков можно обрабатывать плоские фасонные детали.

Верстат 5122 работает по методу обкатки, где в процессе нарізання зубьев воспроизводятся руху пары цилиндрических зубчатых колес. Работу одного колеса выполняет зуборезный долбяк, а второго — заготовка.

Долбяк, установленный на кінці шпинделя, совершает возвратно-поступательное рух (вверх і вниз). При движении вниз долбяк совершает рабочий ход — осуществляет процесс різання, а при движении вверх совершает холостой ход. Для предохранения от порчи і притупления кромок на зубьях долбяка стол з заготовкой отводится от долбяка на небольшую величину во время обратного ходу, а к моменту начала робочого ходу стол устанавливается в исходное положение. Заготовка находится на оправке стола.

До начала обробки долбяк подводится вплотную к наружной поверхности заготовки. Затем включается радиальная подача шпиндельной головки для врізання долбяка в заготовку. По окончании радиальной подачі нарезание зубьев происходит на полный профиль за 1 оборот заготовки.

Долбяк целесообразно считать ведущим колесом. Исходя из етого, его окружную скорость (круговую подачу) выбирают, руководствуясь только режимами різання. Вращение заготовки называется делительным движением. Для правильной обкатки колес скорость делительного руху заготовки должна строго совпадать з выбранной скоростью круговой подачі долбяка.

В отличие от предыдущих моделей зубодолбежных верстатів в рассматриваемом напівавтоматі применен гідравлический привод.

Общая компоновка верстата 5122

Верстат 5122 имеет вертикальную компоновку, то есть ось детали і инструмента расположены вертикально.

Для осуществления обкатки на станке предусмотрена жесткая кінематична связь обертання инструмента і детали, которая настраивается сменными колесами гітари деления.

Рух різання инструмента осуществляется за счет возвратно-поступательного переміщення штосселя.

Установка межцентрового расстояния і врізання на глубину зуба производятcя столом з заготовкой, который перемещается по станине на плоских горизонтальных направляючих.

Радиальное врезание на глубину зуба осуществляется клиновым упором, который перемещается гідроцилиндром.

Стол имеет ускоренный подвод к заготовке.

Верстат 5122 може работать:

На станке имеется возможность осуществления обробки зубчатых колес в один, два і три прохода в напівавтоматическом режиме.

Для изменения круговой подачі (скорости обкатки инструмента і детали) на станке предусмотрена коробка подач з гідравлическим переключением подачі по циклу обробки заготовки. Изменение числа двойных ходов инструмента во время цикла обробки заготовки производится посредством переключения електродвигуна головного руху з одной ступени на другую.

Величина подачі радиального врізання настраивается при помощи дросселя.

Высота зуба і припуск перед втором і третьим проходом настраиваются упорами. Для отсчета полного оборота заготовки имеется автоматическое пристрій, которое включается після врізання инструмента в заготовку. Отвод при обратном ходе инструмента осуществляет штоссель з долбяком. Все переключения во время роботи верстата в напівавтоматическом режиме осуществляются гідравликой. Для приводу обертання стола і долбяка предусмотрены червячные пары з переменной толщиной витка.

Основні технические данные зубофрезерного верстата 5122:

Изготовитель - Корсунь-Шевченковский станкостроительный завод им. Богдана Хмельницкого.






5122 Габаритные розміри робочого простору зубодолбежного напівавтомату

5122 Габаритные розміри робочого простору зубодолбежного напівавтомату

Габаритные розміри робочого простору верстата 5122


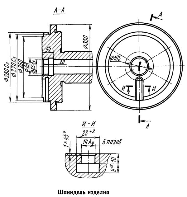
5122 Посадочные і присоединительные базы зубодолбежного напівавтомату. Шпиндель вироби

5122 Посадочные і присоединительные базы зубодолбежного напівавтомату

Посадочные і присоединительные базы верстата 5122


5122 Посадочные і присоединительные базы зубодолбежного напівавтомату. Шпиндель инструмента

5122 Посадочные і присоединительные базы зубодолбежного напівавтомату

Посадочные і присоединительные базы верстата 5122


5122 Загальний вигляд і общее пристрій верстата

5122 напівавтомат зубодолбежный. Загальний вигляд

Фото зубодолбежного верстата 5122


5122 напівавтомат зубодолбежный. Загальний вигляд

Фото зубодолбежного верстата 5122


5122 напівавтомат зубодолбежный. Загальний вигляд

Фото зубодолбежного верстата 5122


Розташування основних вузлів зубодолбежного верстата 5122

5122 Розташування основних вузлів зубодолбежного верстата

Розташування основних вузлів зубодолбежного верстата 5122

1. Розташування основних вузлів зубодолбежного верстата 5122. Дивитись у збільшеному масштабі

2. Розташування основних вузлів зубодолбежного верстата 5122. Дивитись у збільшеному масштабі



Список вузлів зубодолбежного верстата напівавтомату 5122

  1. Станина - 5122.11.000
  2. Стойка - 5122.12.000
  3. Стол - 5122.21.000
  4. Коробка круговых подач - 5122.22.000
  5. Главный привід - 5122.23.000
  6. Механізм вывода штосселя - 5122.24.000
  7. Електроустаткування - 5122.25.000
  8. Механический счетчик - 5122.26.000
  9. Суппорт - 5122.31.000
  10. Прокладка - 5122.50.000
  11. Гідростанція - 5122.51.000
  12. Гідропатрон - 5122.62.000
  13. Охлаждение - 5122.71.000
  14. Транспортер стружки - 5122.73.000
  15. Электрошкаф - 5122.82.000
  16. Упаковка - 5122.94.000




5122 Розташування органів керування зубодолбежным верстатом напівавтоматом

Розташування органів керування зубодолбежным верстатом 5122


Список органів керування зубодолбежным верстатом 5122

  1. Упор увімкнення головного привода
  2. Упор исходного положения стола
  3. Указатель лимба налаштування межцентрового расстояния
  4. Рукоятка реверса і отключения ланцюги деления
  5. Гітара круговых подач
  6. Мелкозубая муфта ланцюги деления
  7. Квадрат проворота шпинделя инструмента
  8. Квадрат установки величины ходу штосселя
  9. Квадрат фиксации величины ходу штосселя
  10. Рукоятка увімкнення ручного проворота приводного вала
  11. Квадрат ручного проворота приводного вала
  12. Вводной выключатель
  13. Кран вкючения СОЖ
  14. Светильник местного освещения
  15. Напорный золотник регулировки давления в гідросистеме
  16. Золотник проверки давления в гідросистеме
  17. Манометр контроля давления в гідросистеме
  18. Фильтр воздушный і патрубок для залива масла
  19. Редукционный клапан налаштування давления в сети зажиму вироби
  20. Фильтры очистки масла
  21. Гайки фиксации налаштування зоны долбления
  22. Квадрат натяжения ремней головного привода
  23. Пульт керування
  24. Шкала і нониус налаштування зоны долбления
  25. Квадрат налаштування зоны долбления
  26. Квадрат смещения стойки
  27. Шкала налаштування смещения стойки
  28. Шкала і нониус установки межцентрового расстояния
  29. Квадрат налаштування межцентрового расстояния
  30. Дроссель подачі змазки на стол
  31. Дроссель налаштування величины радиальной подачі (радиального врізання)
  32. Шкала налаштування величины радиальной подачі (радиального врізання)
  33. Упоры налаштування величины радиальной подачі (радиального врізання)
  34. Гітара деления
  35. Приклон паразитной шестерни реверса стола




Схема структурна зубодолбежного верстата напівавтомату 5122

Схема структурна зубодолбежного напівавтомату 5122

Структурна схема зубодолбежного верстата 5122


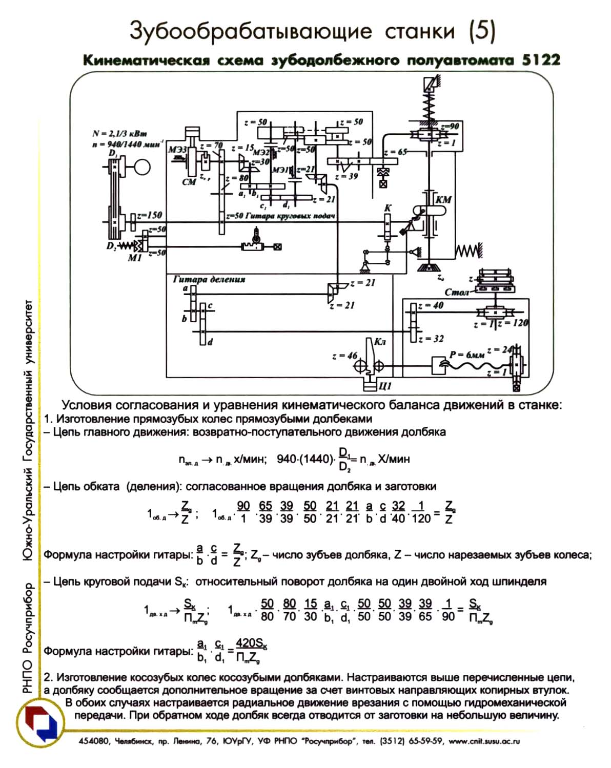
Схема кінематична зубодолбежного верстата напівавтомату 5122

Схема кінематична зубодолбежного верстата напівавтомату 5122

Кінематична схема зубодолбежного верстата 5122

1. Схема кінематична зубодолбежного верстата 5122. Дивитись у збільшеному масштабі

2. Схема кінематична зубодолбежного верстата 5122. Дивитись у збільшеному масштабі

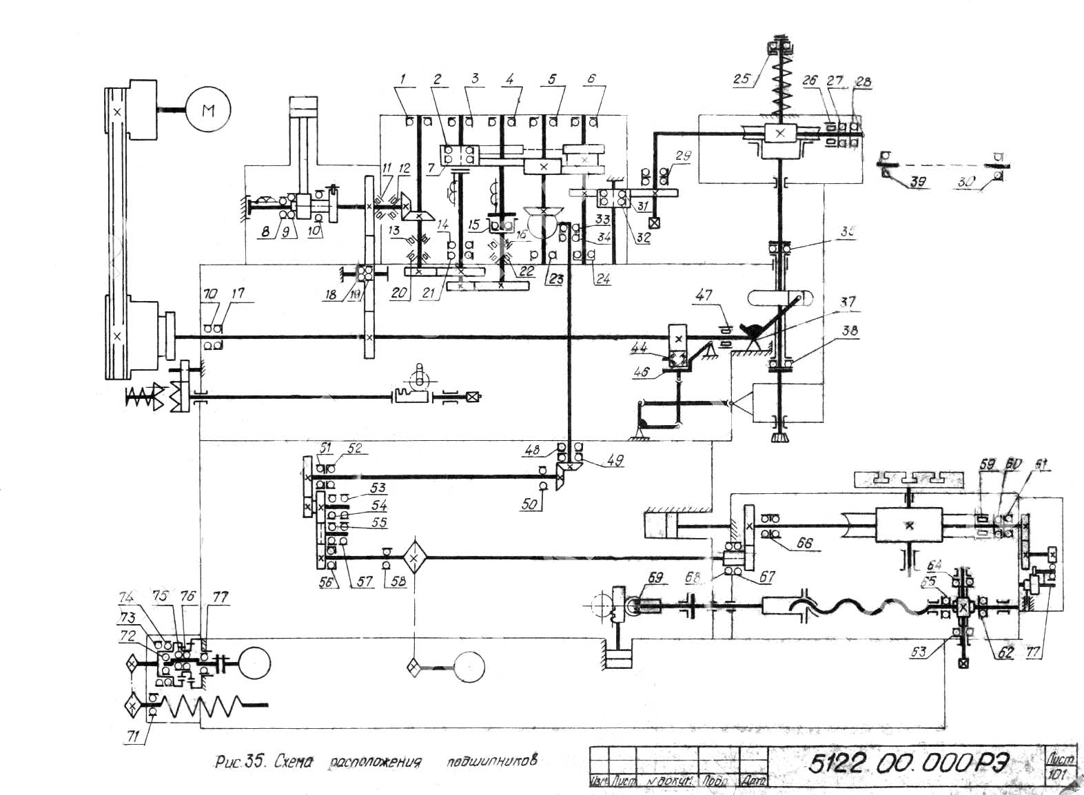
Схема розположення підшибників качения зубодолбежного верстата 5122. Дивитись у збільшеному масштабі



Кінематична схема напівавтомату 5122

Движения в станке. Основні:


Движения в станке. Вспомогательные:





Принцип роботи і компоновка верстата 5122

Верстат работает методом обкатки инструмента і вироби. Для осуществления обкатки на станке предусмотрена кінематична связь обертання инструмента і вироби, которая настраивается сменными колесами гітари деления.

Процесс різання осуществляется возвратно-поступательным руху і инструмента.

Верстат имеет вертикальную компоновку: ось вироби і инструмента расположены вертикально.

Установка на межцентровое расстояние і врезание на глубину зуба производится столом з изделием, который перемещается гідроцилиндром.

Стол имеет ускоренный подвод к инструменту.

Верстат може работать в отладочном і напівавтоматическом режимах.

На станке предусмотрена возможность многопроходной обробки деталей. Для изменения круговой подачі (скорости обкатки инструмента і вироби) на станке предусмотрена коробка круговых подач з автоматическим переключением подачі по циклу обробки вироби за счет 2-х скоростного електродвигуна приводу головного руху по циклу обробки може, также, производиться автоматическое изменение чисел двойных ходов инструмента в минуту.

Радиальное врезание на глубину зуба осуществляется клиновой ползушкой, которая перемещается гідроцилиндром. Общая величина врізання, а также врезание по проходам настраивается упорами. Регулювання подачі врізання осуществляется дросселем.

Отвод при холостом ходе инструмента осуществляет шпиндель инструмента (штоссель). Путем смещения стойки относительно общей оси долбяка і вироби на станке можно осуществлять вышеуказанный отвод под углом.

Для отсчета оборота вироби используется механический счетчик.


Пульт керування зубодолбежного верстата напівавтомату 5122

Пульт керування зубодолбежного напівавтомату 5122

Пульт керування зубодолбежного верстата 5122





Схема електрична принципова зубодолбежного верстата 5122

Схема електрична зубодолбежного верстата 5122

Електрична схема зубодолбежного верстата 5122

Схема електрична зубодолбежного верстата 5122. Дивитись у збільшеному масштабі

Схема електрична зубодолбежного верстата 5122. Дивитись у збільшеному масштабі



Опис електросхеми зубодолбежного верстата 5122

Система живлення

Питание електродвигателей осуществляется от сети трехфазного переменного тока напряжением 380 В (рис. 25).

Питание ланцюгів керування (рис. 26,27) осуществляется напряжением 110 В переменного тока от вторичной обмотки трансформатора ланцюги керування ТУ.

От етого же трансформатора питается лампа местного освещения напряжением 24 В переменного тока.

Электропривід зубодолбежного верстата 5122

Привід механізмов верстата осуществляется от асинхронных електродвигателей трехфазного переменного тока з короткозамкнутыми роторами.

На станке установлены:



Схема радиальной подачі зубодолбежного верстата 5122

5122 Схема радиальной подпчи зубодолбежного верстата

Схема радиальной подачі зубодолбежного верстата 5122


Гідравлічна схема зубодолбежного верстата 5122

5122 Гідравлічна схема зубодолбежного верстата

Гідравлічна схема зубодолбежного верстата 5122

Схема гідравлічна зубодолбежного верстата 5122. Дивитись у збільшеному масштабі






Технічні характеристики зубодолбежного верстата напівавтомату 5122

Наименование параметра 5В12 5122 5А122
Основні параметри верстата
Класс точності верстата по ГОСТ 8-82 Н Н Н
Наибольший диаметр устанавливаемого вироби, мм 200 200 250
Наибольшая ширина нарезаемого венца (длина нарезки), мм 50 50 50
Наибольший модуль нарезаемого колеса, мм 4 5 5, 6
Наибольший диаметр нарезаемых цилиндрических прямозубых колес внутреннего зацепления, мм 220
Наибольшая ширина нарезаемого венца (длина нарезки) внутреннего зацепления, мм 30
Наибольшее расстояние от оси долбяка (шпинделя, штосселя) до оси стола (планшайби), мм 150 210 260
Расстояние от зеркала стола (планшайби) до торца шпинделя, мм 70..140 110..200 160..250
Расстояние от пола до планшайби, мм 900 850 895
Суппорт. Шпиндель (штоссель) долбяка
Наибольший ход долбяка (шпинделя), мм 55 60 60
Наибольший продольный ход суппорта инструмента (установочный), мм 250 90 90
Цена деления шкалы установки глубины долбления зуба, мм 0,01
Наибольший диаметр устанавливаемого долбяка, мм 75 75, 100 100
Пределы чисел двойных ходов долбяка в минуту 200, 315, 425, 600 200..850 (8 ступ.)
Круговая подача инструмента, мм/дв.ход 0,10; 0,12; 0,15; 0,20; 0,24; 0,30; 0,37; 0,46; 0,16..1,6 (9 ступ.) 0,03..1,75 Радиальная подача инструмента, от Sкр 0,1..0,3 0,003..0,286 (24 ступ.) 0,001..1,17 Диаметр шейки шпинделя (оправки под долбяк), мм 31,743 31,743; 44,443 44,443 Кінець шпинделя для крепления инструмента Морзе 3 Морзе 5 Морзе 5 Отход инструмента во время холостого ходу, мм - 0,45 0,45 Рабочий стол (планшайба) Наибольшее перемещение стола (планшайби) при внутреннем долблении, мм -60..210 -90..260 Диаметр фланца робочого стола (планшайби), мм 160 250 320 Диаметр отверстия (цилиндрической выточки) в шпинделе робочого стола, мм 65А 65А 65 Глубина отверстия (цилиндрической выточки) в шпинделе робочого стола, мм 75 50 10 Цена деления лимба установки межцентрового расстояния, мм 0,01 Скорость швидкого переміщення стола, м/мин - 2 2 Скорость швидкого наладочного обертання стола, об/мин 3,0 Отход инструмента во время холостого ходу, мм 0,5 - - Привід і електрообладнання верстата Количество електродвигателей на станке 3 5 6 Електродвигун головного приводу - поступательное рух долбяка, кВт 2,2 2,1/ 3,0 4,0/ 4,5 Електродвигун насоса гідропривода, кВт 0,8 1,1 2,2 Електродвигун насоса охлаждения, кВт 0,125 0,15 Електродвигун приводу швидкого обертання стола, кВт - 0,55 Електродвигун транспортера стружки, кВт - 0,37 Електродвигун магнитного сепаратора, кВт - - 0,12 Суммарная мощность електродвигателей, кВт 11,32 Габаритные розміри і масса верстата Габаритные розміри верстата (длина х ширина х высота), мм 1320 х 940 х 1820 2700 х 1100 х 1945 Масса верстата з електрообладнанням і охолодженням, кг 1950 3700

    Список литературы

  1. Аврутин Р.Д. Справочник по гідроприводам металлорежущих верстатів,1965
  2. Гинсбург Е.Г. Производство зубчатых колес, 1978
  3. Калашников А.С. Технология изготовления зубчатых колес, 2004
  4. Копылов Р.Б. Работа на строгальных і долбежных верстатах, 1975
  5. Мильштейн М.З. Нарезание зубчатых колес, 1972.
  6. Овумян Г.Г., Адам А.И. Справочник зубореза, 1983.
  7. Петруха П.Г. Резание конструкционных материалов, режущие инструменты і верстати, 1974
  8. Сильвестров Б.Н., Захаров И.Д. Конструкція і наладка зуборезных і резьбофрезерных верстатів, 1979.
  9. Шавлюга Н.И. Расчет і примеры наладок зубофрезерных і зубодолбежных верстатів, 1978.
  10. Яковцев А.Д. Работа на строгальных і долбёжных верстатах, 1966









Заказать

Кто владеет информацией - тот владеет миром.

Натан Ротшильд