metalinstryment.com
Довідник по металорізальних верстатів та пресовому обладнанні

Schaublin 53 Верстат фрезерный універсальний високою точності
схеми, опис, характеристики

Загальний вигляд  фрезерного верстата Schaublin 53 широкоуніверсального







Відомості про виробника фрезерного універсального верстата Schaublin 53

Токарно-гвинторізний універсальний верстат моделі Schaublin 135 выпускался предприятием Shaublin (Шоблен), основанным в 1915 году, Швейцария, город Bevilard.

Верстати фирмы Schaublin поставляются в СССР і Россию з 1970 года.

Гамма верстатів фирмы производителя достаточно широка: токарные, фрезерные і шлифовальные верстати високою точності от настольных і универсальных до обрабатывающих центров з ЧПУ і приводным инструментом.





Верстати, выпускаемые в Швейцарии


Schaublin 53 Верстат фрезерный універсальний високою точності. Назначение і область применения

Фрезерный верстат Schaublin 53 предназначен для фрезерування деталей цилиндрическими, дисковыми і фасонными фрезами при помощи горизонтального шпинделя, і торцовыми, кінцівыми і шпоночными фрезами при помощи поворотного вертикального шпинделя, который при необходимости може быть повернут под углом.

Універсальный высокоточный фрезерный верстат Schaublin 53, разработан в середине 1940-х годов на основе моделей Type 51 і Type 52

Принцип роботи і особливості конструкції верстата

Фрезерный верстат Schaublin 53 был достаточно тяжелым - он весил 1700 кг - Тип 53 был основан на запатентованной конструкції і использовал массивную (вентилируемую) основную колонну і основа из чугуна для розміщення головки і двигателей СОЖ, редуктора приводу шпинделя (в комплекте з комбинированным двойным дискова муфта сталь-сталь і тормозной узел Stromag), редуктор подачі стола, спеціальний клиноременный механізм масляного тумана (компрессор і распылитель) для змазки горизонтального цилиндра фрезерной головки, все електрическое распределительное пристрій и, образуемый как часть основания, 50-литровый ( 11-галлонный) бак охлаждающей жидкости.

В то время как колонна, система привода, колено і стол были достаточно обычными, расположение головы было, возможно, уникальным і давало машине возможность быстро переключаться между вертикальным і горизонтальным режимами.

Приводимые в рух коническими шестернями, различные головки несли на кінці скользящего горизонтального цилиндра диаметром 240 мм, который мог вращаться на 360°, фиксироваться з интервалом 15° і мати ход внутрь і наружу 300 мм.

Кінець шпинделя имел размер ISO 40 (крутой конус которого позволял легко высвобождать инструмент) в соответствии со спецификациями VSM 33931, размер 44, или DIN 2079, размер 40 з принудительным приводом з двумя шпонками.

Фитинг был достаточно большим, чтобы вмещать множество полезных адаптеров до 1, 2, 3 или 4 Морзе, а также нести (в подходящих держателях) цанги Schaublin Type W20, W25 или E25.


Принадлежности, нормально поставляемые со верстатом


Schaublin 53N верстат фрезерный універсальний високою точності

Последний і лучший из фрезерных верстатів Schaublin Series 50, верстат Schaublin 53N был развитием моделі Type 53, которая производилась более 20 лет.

Верстат Schaublin 53Nвыпускался в 1970-х годах, сохранил компоновку, идентичную предыдущим версіям, но включал ряд незначительных изменений і одно серьезное изменение конструкції.

Новая система позволяет сохранить дополнительные 0,6 кВт мощности для использования фрезерным шпинделем

Все шестерни і связанное з ними обладнання были изготовлены на заводе Schaublin в Орвине, филиале компании, который специализировался на такого рода работах.

Фото фрезерного універсального верстата Schaublin 53N

Фото фрезерного універсального верстата Schaublin 53N

Фото фрезерного універсального верстата Schaublin 53N. Дивитись у збільшеному масштабі



Фото фрезерного універсального верстата Schaublin 53N

Фото фрезерного універсального верстата Schaublin 53N

Фото фрезерного універсального верстата Schaublin 53N. Дивитись у збільшеному масштабі



Фото фрезерной головки універсального верстата Schaublin 53N

Фото фрезерной головки універсального верстата Schaublin 53N

Фото фрезерной головки універсального верстата Schaublin 53N. Дивитись у збільшеному масштабі



Фото фрезерной головки універсального верстата Schaublin 53N

Фото фрезерной головки універсального верстата Schaublin 53N

Фото фрезерной головки універсального верстата Schaublin 53N. Дивитись у збільшеному масштабі



Фото фрезерной головки універсального верстата Schaublin 53N

Фото фрезерной головки універсального верстата Schaublin 53N

Фото фрезерной головки універсального верстата Schaublin 53N. Дивитись у збільшеному масштабі



Фото фрезерной головки універсального верстата Schaublin 53N

Фото фрезерной головки універсального верстата Schaublin 53N

Фото фрезерной головки універсального верстата Schaublin 53N. Дивитись у збільшеному масштабі







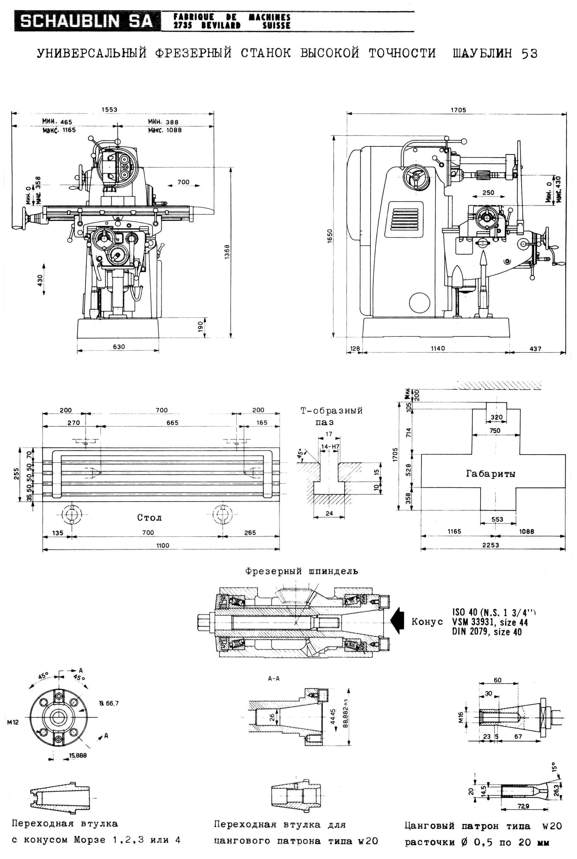
Габаритные розміри робочого простору фрезерного верстата Schaublin 53

Габаритные розміри робочого простору і присоединительные базы верстата Schaublin 53

Габаритные розміри робочого простору верстата Schaublin 53

Габаритные розміри робочого простору верстата Schaublin 53. Дивитись у збільшеному масштабі



Присоединительные базы фрезерного верстата Schaublin 53

Присоединительные базы фрезерного верстата Schaublin 53

Присоединительные базы фрезерного верстата Schaublin 53

Присоединительные базы фрезерного верстата Schaublin 53. Дивитись у збільшеному масштабі



Загальний вигляд універсального фрезерного верстата Schaublin 53

Фото фрезерного універсального верстата Schaublin 53

Фото фрезерного універсального верстата Schaublin 53

Фото фрезерного універсального верстата Schaublin 53. Дивитись у збільшеному масштабі



Фото фрезерного універсального верстата Schaublin 53

Фото фрезерного універсального верстата Schaublin 53

Фото фрезерного універсального верстата Schaublin 53. Дивитись у збільшеному масштабі



Фото фрезерного універсального верстата Schaublin 53

Фото фрезерного універсального верстата Schaublin 53

Фото фрезерного універсального верстата Schaublin 53. Дивитись у збільшеному масштабі



Фото фрезерного універсального верстата Schaublin 53

Фото фрезерного універсального верстата Schaublin 53

Фото фрезерного універсального верстата Schaublin 53. Дивитись у збільшеному масштабі



Фото фрезерного універсального верстата Schaublin 53

Фото фрезерного універсального верстата Schaublin 53

Фото фрезерного універсального верстата Schaublin 53. Дивитись у збільшеному масштабі



Фото фрезерного універсального верстата Schaublin 53

Фото фрезерного універсального верстата Schaublin 53

Фото фрезерного універсального верстата Schaublin 53. Дивитись у збільшеному масштабі



Фото фрезерного універсального верстата Schaublin 53

Фото фрезерного універсального верстата Schaublin 53

Фото фрезерного універсального верстата Schaublin 53. Дивитись у збільшеному масштабі



Фото фрезерного універсального верстата Schaublin 53

Фото фрезерного універсального верстата Schaublin 53

Фото фрезерного універсального верстата Schaublin 53. Дивитись у збільшеному масштабі



Фото фрезерного універсального верстата Schaublin 53

Фото фрезерного універсального верстата Schaublin 53

Фото фрезерного універсального верстата Schaublin 53. Дивитись у збільшеному масштабі



Фото фрезерного універсального верстата Schaublin 53

Фото фрезерного універсального верстата Schaublin 53

Фото фрезерного універсального верстата Schaublin 53. Дивитись у збільшеному масштабі







Схема кінематична універсального фрезерного верстата Schaublin 53

Схема кінематична універсального фрезерного верстата Schaublin 53

Кінематична схема універсального фрезерного верстата Schaublin 53







Конструктивные характеристики і рабочие операции

Універсальный фрезерный верстат Шаублин 53 отличается своей универсальной шпиндельной головкой совершенно новой конструкції, позволяющей за несколько минут переналадить верстат на фрезерный верстат горизонтального, вертикального или універсального типа.

Розташування складових частин верстата Schaublin 53

Розташування складових частин фрезерного верстата Schaublin 53

Фото фрезерного універсального верстата Schaublin 53. Дивитись у збільшеному масштабі



Шпиндельная головка

Прикрепленная к цилиндру 4 гайками головка може совершать угловой поворот от 0°..360° в плоскости, параллельной оси цилиндра. Каждые 30° і 45° она може зажиматься ексцентриком 52. Основание цилиндра з градуированной шкалой позволяет занимать все промежуточные положения.

Специальный ключ, поставляемый со верстатом, служит для вытягивания опорных плеч, і для их зажима, для маневрирования ексцентриком 52 і для затягивания крепежных гаек шпиндельной головки.

С одной стороны два прочных шипа обеспечивают еффективное приведение в действие инструмента. Центрирование производится посредством внутреннего конуса шпинделя под очень крутым углом, избегая всякого защемления і обеспечивая быстрый демонтаж. Фрезы крупных масштабов центрируются посредством наружного диаметра переднего кінця шпинделя. Регулювання шпинделя і розміри, см. стр. 27 і 28.

Цилиндр

Цилиндр зажимается в своей расточке рычагом 53, действующим в двух точках. Он може поворачиваться вокруг своей оси под углом от 0°..360° і може зажиматься каждые 15 рычагом 54. Градуированное кольцо позволяет занимать все промежуточные положения .

Вращение цилиндра - отжать рычаги 53 і 54, толкнуть шаровую рукоятку 55 і привести в действие механізм обертання маховичком 56.

Боковое перемещение цилиндра - отжать рычаг 53, вытянуть шаровую рукоятку 55 і привести в действие механізм бокового переміщення маховичком 56. Блокировка цилиндра - см. стр. 33.

Примечание: если цилиндр остается долго в бездействии в одном і том же положении, масло застывает цилиндр клеится. Поетому прежде чем приводить в действие маховичок 56 надо несколькими ударами насоса направить масло на масленку, расположенную на левой стороне станины под цилиндром.


Наладка на горизонтальный фрезерный верстат

Ввиду того, что фрезерный шпиндель ексцентричен по отношению к оси цилиндра, он може занимать нижнюю і верхнюю позицию по отношению к столу. Низкое положение шпинделя в сочетании з высоким положением стола позволяет обработку мелких деталей, тогда как высокое положение шпинделя в сочетании з наиболее низким положением стола позволяет обрабатывать высокие детали.

Оба опорных плеча 57 вмонтированы в цилиндр і такое пристрій при вращении цилиндра обеспечивает лучшее распределение давления фрезы на оба плеча в тех случаях, когда проводится горизонтальное фрезерование з упорным подшипником.

Оба плеча 57 блокируются гайкой 58. Узел консоль-станина-плечи завершается суппортом, широкое основа которого включает поперечные направляющие.

Наладка на вертикальний Фрезерный верстат

Маневрированием маховичка 56 і шаровой рукоятки 55 цилиндр поворачивают і выдвигают так, чтобы шпиндельна головка оказалась наверху. Отжимают 4 гайки, закрепляющие головку, і поворачивают її на 90°. Затем 4 гайки зажимают і поворачивают цилиндр на 90°, чтобы шпиндель принял вертикальное положение. Расстояние между станиной і шпинделем регулируется, что позволяет подводить вертикальний шпиндель очень близко к станине, придавая таким образом большую жесткость верстату в ходе роботи. Сочетая переруху цилиндра з перерухуми стола можно переходить от одной стороны объемистого вироби к другой не переставляя его на столе.

Оба плеча упорного підшипника могут быть использованы когда шпиндель находится в вертикальном положении, что позволяет во всех случаях фрезерування осуществлять узел станина-консоль-суппорт- плечи.

Характеристику основних положений шпинделя см. на стр. 7.

Число оборотів - керування і выбор

Требуемое число оборотів получается посредством коробки передач. Она содержит очень широкий диапазон швидкостей (18) в пределах от 38..1500 об/мин.

Число оборотів выбирается посредством одного лишь рычага 59. Каждые пол-, оборота рычага в любом направлении дает более высокое или более низкое число оборотів.

Рычаг задействуется только во время остановки шпинделя. Число оборотів считывается з лимба 60.

Для выбора числа оборотів шпинделя надо несколько оттянуть ручку рычага 59 і поворачивать рычаг до тех пор пока требуемое число оборотів на лимбе 60 не окажется против метки 61. Отпустить ручку, чтобы задержать рычаг 59 в одном из 2 запирающих отверстий 62.

Пуск в ход

Пуск в ход двигателей производится при помощи выключателя 43 і нажимной кнопки 48 согласно инструкциям стр. 18. Поворот рычага 44 в одном направлении пускает верстат в ход, поворот в другом направлении останавливает его. Шпиндель, привід подач і охладительная установка вступают в действие или останавливаются одновременно, без обязательной остановки для етого двигуна.

На первичном валу коробки передач помешена двойная пластинчатая муфта 63, которая управляет рычагом 44. Рычаг 44 устанавливается в любом положении, в зависимости от положения, занимаемого оператором: его надо просто приподнять і повернуть.

Подачи і выбор подач

Автоматические подачі в продольном, поперечном і вертикальном направлениях обеспечиваются коробкой подач (18 подач). Она передает диапазон подач в пределах от 6 до 500 мм/мин. Выбор подач производится маневрированием одного лишь рычага 64, расположенного перед консолью. Каждый пол- оборота рычага в любом направлении дает более высокую или более низкую ступень подачі.

Рух подачі можно изменять во время ходу верстата. Изменение значительно облегчается приведением в действие быстроходной подачі.

Ступени подач считываются з лимба 65.

Для выбора ступени подачі ручка рычага 64 оттягивается назад і рычаг поворачивается до тех пор, пока обозначенная на лимбе 65 ступень подачі не окажется против нажимной кнопки 48. Затем ручка отпускается, чтобы задержать рычаг 64 в одном из 2 запирающих отверстий 67.

Розташування складових частин верстата Schaublin 53

Розташування складових частин фрезерного верстата Schaublin 53

Фото фрезерного універсального верстата Schaublin 53. Дивитись у збільшеному масштабі



Стол

Розміри стола і данные, касающиеся Т-образных пазов см. на стр.6.

Ручная подача: выключающийся маховичок 68 приводит в действие механізм ручного переміщення стола.

Шаг продольного гвинта - 5 мм, деления нониуса 69 - 0,02 мм. Нониус може быть переставлен на нуль (см. стр. 32).

Регулювання осьового зазору продольного гвинта: см. стр. 32. Автоматическая подача: сдвоенные рычаги 70 включают продольную автоматическую подачу.

Передвигая ети рычаги вправо, стол передвигают вправо; при передвижении етих рычагов влево стол передвигается влево. Промежуточная позиция обеспечивает неподвижность стола(рычаги находятся в вертикальном положении).

Подвижные упоры 71 автоматически останавливают стол. Стационарные упоры 72 автоматически останавливают стол на его крайних левой или правой позициях (ети упоры никогда не демонтируются).

Блокировка стола

Зажать гайку 73. Блокировка стола автоматически блокирует рычаги 70 во избежание неправильного маневрирования.

Салазки

Ручная подача: выключающийся маховичок 74 позволяет произвести поперечное перемещение вручную.

Шаг поперечного гвинта - 5 мм, деления нониуса 75 - 0,02 мм. Нониус може быть переставлен на нуль.

Автоматическая подача: рычаг 76 включает поперечную автоматическую подачу.

Перемещение рычага кверху приближает салазки к станине, тогда как перемещение рычага книзу отдаляет их от станины.

Промежуточная позиция обеспечивает неподвижность салазок (рычаг находится в горизонтальном положении). Подвижные упоры 77 автоматически останавливают салазки. Стационарные упоры 78 автоматически останавливают салазки на их крайних переднем і заднем положениях (ети упоры никогда не демонтируются).

Блокировка салазок

Салазки блокируются рычагом 79.

Консоль

Ручная подача: выключающаяся рукоятка 80 позволяет произвести вертикальное перемещение вручную.

Шаг вертикального гвинта - 5 мм. Однако, из-за грузности консоли один оборот рукоятки передвигает її лишь на 2,5 мм. Деления нониуса 81 помечены 0,02 мм. Нониус може быть переставлен на нуль.

Автоматическая подача: рычаг 82 включает вертикальную автоматическую подачу.

Перемещение рычага книзу опускает стол, а перемещение его вверх поднимает стол. Промежуточная позиция обеспечивает неподвижность консоли (рычаг находится в горизонтальном положении).

Подвижные упоры 83 автоматически останавливают консоль. Стационарные упоры 84 автоматически останавливают стол на его наиболее высоком і наиболее низком положениях (ети упоры никогда не демонтируются).

Блокировка консоли

Рычаг 85 блокирует консоль. Блокировка консоли автоматически блокирует рычаг 82 во избежание неправильного маневрирования.

Установка регулировочных клиньєв стола, салазок і консоли: см.стр. 32. Блокирование консоли - регулювання: см. стр. 32.

Предохранительное пристрій для автоматических подач: Шариковое пристрій, монтированное на выходной оси коробки подач, начинает действовать когда на одном из трех движений появляется перегрузка. В етот момент раздается звук трещотки, требующий моментальной остановки всякого руху подачі. Это пристрій не требует никакого регулювання.


Регулювання фрезерного верстата Schaublin 53

Работа по регулированию нижеследующих органів, требующая большой тщательности, должна поручаться только опытному работнику.

Фрезерный шпиндель

Крепление фрезерных оправок, фрезерных шпинделей і различных вспомогательных деталей, монтируемых на шпиндель, осуществляется нормальным конусом VSM3393O , размер 44

Регулювання підшибників производится при наладке каждого фрезерного верстата; поетому повторное регулювання становится необходимым только після продолжительной роботи верстата:

Передний подшипник содержит конические ролики високою точності 86 (№ 32210)

Задний подшипник содержит конические ролики високою точності 87 (№ 32209).

Для регулювання осьового зазору:

  1. выверить з точностью подлежащий устранению зазор;
  2. отделить шпиндельную головку от цилиндра, вывинтив четыре крепежных гайки (не забыть пружины, помещенные под головками гаек);
  3. вывинтить винт 88 і снять крышку 89;
  4. отжать винт 90;
  5. вывинтить гайку 91, закрепленную на шпинделе 92 шайбой 93, приподняв ушко, загнутое во входном отверстии гайки; снять перегородку 89а;
  6. осторожно вытолкнуть шпиндель 92;
  7. вынуть втулку 94 і подшлифовать в зависимости от степени регулируемого зазору;
  8. вновь монтировать шпиндель 92 в порядке, обратном демонтажу, не забывая опустить ушко шайбы 93, крепящей гайку 91, і зажать винт 90.

Если величина устраняемого зазору вызывает заедание в зубьях колеса 95, толщину снимаемого материала надо распределить между втулкой 94 і прокладкой 96.

Сцепление і тормоз на коробке передач шпинделя

В качестве приводу от двигуна 45 на первичном валу 97 коробки передач монтирована двойная пластинчатая муфта 63, управляемая рычагом 44. Маневрирование етого рычага приводит в действие или тормозит верстат без необходимости останавливать для етого двигатель 45. Часть муфты сцепления приводит в действие коробку передач, тогда как другая действует в качестве тормоза

Характеристика муфты сцепления:

двойное сцепление из стальных пластин на стали "СТРОМАГ" Модель ВВ 10/1010. расточка Ø 22, вход шпоночной канавки -6 х 2,5

Регулювання муфты

Снять дверцу 26. Отвинтить крышку 98 для доступа к муфте 63. Вытянуть из регулировочной гайки 99 стопорный штифт 100 і слегка повернуть, чтобы он не выпал. Поворотом отрегулировать гайку 99. Высвободить стопорный штифт 100 і вновь закрепить его. Слегка повернуть регулировочную гайку если штифт не возвращается в исходное положение.

Регулювання производится независимо для частини муфты з приводом на коробку передач (со стороны шкива 101) і для частини муфты, действующей в качестве тормоза (со стороны коробки передач).

Регулювання натяжения ремня

  1. Вывинтить гайку 102
  2. Натянуть ремень ввинтив гайку 103
  3. Заблокировать гайку 102.

Смена ремня

Характеристика ремня:

Ремень "Зиглинг" Экстрамультус типа L1 ВТ, соединенный в виде бесконечной ленты. Ширина 50 мм, длина 1260 мм, минус натяжение 1%.

  1. Вывинтить гайку 103 на примерно 20...30 мм
  2. Ослабить ремень поворотами гайки 102
  3. Отжать винт 104
  4. Передвинуть поводок 105 к шкиву 101
  5. Пропустить ремень между поводком 105 і коробкой з внутренними зубьями 106.

Регулювання клиньєв

Стол, салазки і консоль снабжены регулирующими клиньями для регулювання зазору.

Регулювання клиньєв осуществляется винтом 107. См. стр. 32.

Регулювання осьового зазору продольного гвинта

  1. Отвинтить головку 108
  2. Отвинтить гайку 109
  3. Снять маховичок 68 і различные детали, монтированные на кінці гвинта
  4. Отжать оба гвинта 111, введя отвертку через отверстие детали 112
  5. Ввинтить гайку 113 в зависимости от величины регулируемого зазору, предварительно тщательно выверенного
  6. Подшлифовать одну из сторон прокладки 114 если зазор верньера слишком велик. (69). Зазор должен равняться 0,05 мм. См. стр. 32.

Регулювання осьового зазору поперечного гвинта

  1. Отвинтить головку 116
  2. Отвинтить гайку 117, зажатую шайбой 118, приподняв ушко, загнутое в одном из входных отверстий гайки
  3. Снять маховичок 74 і различные детали, монтированные на кінці гвинта
  4. Отвинтить 3 гвинта 120 і снять крышку 121
  5. Подшлифовать сторону 122 крышки 121 в зависимости от величины регулируемого зазору, предварительно тщательно выверенного
  6. Подшлифовать также одну сторону гильзы 123 з таким же количеством снимаемого материала, что і при шлифовке крышки 121, проверяя при том зазор между крышкой 121 і верньером 75, который должен равняться 0,05 мм. См. стр. 32.

Регулювання блокировки консоли

В деблокированном состоянии рычаг 85 находится в вертикальном положении. Он должен блокироваться совершив поворот на примерно 45°. Если в результате износа ети условия более не выполняются, регулювання следует провести следующим образом:

  1. Отжать винт 126 і снять пластинку 127
  2. Повернуть зубчатое колесо на соответствующее расстояние
  3. Вставить пластинку 127 в зубья колеса 128 і заблокировать винт 126.

Регулювання блокировки цилиндра

Цилиндр зажимается в своей расточке рычагом 53, приводящим в действие зажимное пристрій ексцентриком, причем зажим производится в двух точках. Регулювання становится необходимым если:

Регулювання производится следующим образом:

  1. отжать винт 129, закрепляющий винт 130
  2. ввинтить или вывинтить винт 130 в зависимости от степени регулювання
  3. зажать винт 130 винтом 129.

Охладительная установка

Схема охлаждения приводится на стр. 35.

Резервуар из листового железа (131) закреплен в основании. Емкостью прим. 50 литров, резервуар заполняется до максимального уровня 110 мм от днища. Для измерения етой высоты надо открыть дверь 33 (изображена на рис. стр. 9 і 16) і опустить в резервуар градуированную мерку. Над резервуаром монтирован блок насоса з електродвигуном.

Трубка, подводящая жидкость, проходит через станину. Наконечник гибкой трубки, подводящей смазочную жидкость на фрезу, поддерживается в правильном положении кольцом (132), монтированным направо от вертикальной стойки. Кран (133) регулирует объем жидкости на входе.

В станине трубопровод проходит через вал (134) стр. 30, приводящий в действие муфту (63) стр. 30, так что при остановке верстата подвод охлаждающей жидкости прекращается.

Насос, резервуар, а также трубки, фильтры і т.д. должны подвергаться периодической очистке (см. ING -1 в приложении). Чтобы мати доступ к резервуару, надо снять оба фильтра (135) і действовать внутри станины, з її тыловой частини.

Со стола жидкость стекает по канавке, проложенной по всей его длине і собирающей жидкость з тем, чтобы подвести її к раздвижной трубке, отводящей жидкость по поворотному желобу в основание.

Если смазочно-охлаждающее пристрій не используется, наконечник гибкой трубки пропускается в кольцо (132) верхнего вертикального стационарного упора (84), специально предназначенного для етой цели.

Рекомендация

Опыт показывает, что в качестве смазочного материала лучше пользоваться качественным маслом для режущего инструмента или смазкой для автоматов.

Растворимые масла разлагаются після продолжительного использования і поетому могут вызвать коррозию на органах верстата.




Schaublin 53 Верстат фрезерный універсальний инструментальный. Відеоролик.




Технічні характеристики фрезерного верстата Schaublin 53

Наименование параметра СФ676 Schaublin 53 Deckel FP1 Deckel FP2 Deckel FP3
Основні параметри верстата
Класс точності по ГОСТ 8-82 Н
Розміри вертикального стола, мм 250 х 630 - 195 х 600 240 х 830 420 х 800
Розміри горизонтального (углового) стола, мм 250 х 800 255 х 1100 210 х 600 285 х 700
Максимальная масса обрабатываемой детали, кг 100
Расстояние от оси горизонтального шпинделя до рабочей поверхности горизонтального (углового) стола, мм 80..460 0..430 65..400 68..468
Наибольший продольный ход стола (X) (механика/ от руки), мм 450 700 290/ 300 490/ 500 490/ 500
Наибольший вертикальний ход суппорта стола (Y) (механика/ от руки) , мм 380 430 330/ 340 390/ 400 370/ 380
Наибольший поперечний ход шпиндельной бабки (Z) (механика/ от руки), мм 300 250 -/ 150 190/ 200 290/ 300
Горизонтальный шпиндель
Частота обертання горизонтального шпинделя, об/мин 50..1630 38..1500 40..2000 40..2000 40..2000
Количество швидкостей горизонтального шпинделя 16 18 18 18 18
Конус горизонтального шпинделя 40АТ5 VSM 33931 размер 44 40АТ5 ISA 40 ISA 40
Перемещение пиноли шпинделя, мм - - 100 100
Наибольший допустимый крутящий момент на горизонтальном шпинделе, Нм 148
Горизонтальная шпиндельна бабка
Перемещение бабки на одно деление лимба, мм 0,025 0,025
Количество подач горизонтальной шпиндельной бабки 16 18 - 18 18
Пределы подач горизонтальной шпиндельной бабки, мм/мин 13..395 12..1050 - 8..400 10..500
Быстрый ход горизонтальной шпиндельной бабки, мм/мин 3500 - 1200
Наибольшее усилие подач шпиндельной бабки, Н 5000
Вертикальная шпиндельна головка
Расстояние от торца вертикального шпинделя до рабочей поверхности горизонтального стола, мм 0..380 86..386
Наибольший вылет оси вертикального шпинделя, мм 125..375 280 335
Частота обертання вертикального шпинделя, об/мин 63..2040 40..2000 40..2000
Количество швидкостей вертикального шпинделя 16 16 18
Наибольшее осевое перемещение пиноли вертикального шпинделя, мм 80 60 60
Наибольший угол поворота вертикальной головки в вертикальной плоскости, градус ±90° ±180° ±180° ±180°
Конус горизонтального і вертикального шпинделей 40АТ5 ISO 40 ISA 40 ISA 40
Наибольший допустимый крутящий момент на вертикальном шпинделе, Нм 120
Стол вертикальний. Подачи
Пределы продольных і вертикальних подач стола (X, Y), мм/мин 13..395 12..1050 10..500 (16) 8..400 (18) 10..500
Пределы вертикальних подач стола, мм/мин 13..395 6..500 10..500 (16) 8..400 (18) 10..500
Ускоренный ход стола, мм/мин 935 - 1200 1500
Перемещение стола продольное на одно деление лимба, мм 0,025 0,025
Перемещение суппорта стола вертикальное на одно деление лимба, мм 0,025 0,025
Перемещение стола продольное на один оборот лимба, мм 4 4
Перемещение стола вертикальное на один оборот лимба, мм 2,5 2,5
Количество подач стола 16 18
Наибольшее усилие подач стола, Н 5000
Електроустаткування і привід верстата
Електродвигун головного привода, кВт (об/мин) 3 4 (1425) 1/ 1,4 (1400/ 2800) 2,2 (1450) 3,0 (1420)
Електродвигун приводу швидкого переміщення, кВт (об/мин) - 1,5 (2800) - - -
Електродвигун приводу насоса охлаждения, кВт 0,12
Суммарная мощность електродвигателей, кВт 3,12
Габарит і масса верстата
Габарити верстата (длина х ширина х высота), мм 1200 х 1240 х 1780 2260 х 1720 х 1650 1200 х 1160 х 1360 1430 х 1740 х 1770 1510 х 1800 х 1930
Масса верстата, кг 1050 1650 565 1100 1700






Заказать